kardash (708696), страница 3
Текст из файла (страница 3)
Для цилиндрических прямозубых передач
где
– крутящий момент на валу шестерни, который берется из таблицы 1:
– коэффициент, учитывающий распределение нагрузки между зубьями. Расчет зубчатых колес первоначально производят, предполагая, что в зацеплении находится одна пара зубьев. Тогда
– коэффициент, учитывающий распределение нагрузки по ширине венца. См. п. 2.
– коэффициент, учитывающий динамическую нагрузку, возникшую в зацеплении:
– коэффициент, учитывающий форму зуба. См. п. 2.
– коэффициент, учитывающий перекрытие зубьев:
– коэффициент, учитывающий наклон зуба:
Определив все величины и коэффициенты, входящие в формулу, находим напряжение изгиба зубьев:
Найденное значение напряжения изгиба зубьев соответствует условиям расчета.
4. Расчет закрытой передачи (цилиндрического редуктора)
4.1. Выбор материала зубчатой передачи
В проектируемых редукторах рекомендуется применять термически обработанные среднеуглеродистые не легированные стали 45, 40Х.
Сталь в настоящее время — основной материал для изготовления зубчатых колес. В условиях индивидуального и мелкосерийного производства применяют зубчатые колеса с твердостью материала не превосходящей 350 НВ. При этом обеспечивается чистовое нарезание зубьев после термообработки, высокая точность изготовления и хорошая прирабатываемость зубьев.
Определяем марку стали: для шестерни – 40Х, твердость ≥ 45HRCэ1; для колеса 40Х, твердость ≤350 НВ2 [1, с.49]. Разность средних твердостей НВ1ср – НВ2ср ≥ 70.
Определяем механические характеристики стали 40Х: для шестерни твер-дость 269...302 НВ1, термообработка – улучшение и закалка ТВЧ. Определяем среднюю твердость зубьев шестерни и колеса:
НВ1ср = 285,5
НВ2ср = (235 + 262)/2 = 248,5.
4.2. Определение допускаемых контактных напряжений [σ]Н
Допускаемые контактные напряжения при расчетах на прочность определяются отдельно для зубьев шестерни [σ]Н1 и колеса [σ]Н2.
Рассчитываем коэффициент долговечности КHL. Наработка за весь срок службы:
для колеса: N2 = 573ω2Lh,
N1=48,26∙107 циклов;
для шестерни: N1 = N2∙uзп,
N2=10, 72∙107 циклов.
Число циклов перемены напряжений NН0, соответствующее пределу выносливости, находим по табл. 3.3 [3] интерполированием:
NН01 = 25∙106 циклов;
NН02 = 25∙106 циклов.
Так как N1>NН01 и N2>NН02, то коэффициенты долговечности КНL1 = 1 и
КHL2 = 1.
Так как N1>NН01 и N2>NН02, то коэффициенты долговечности КНL1 = 1 и КHL2 = 1.
Определяем допускаемое контактное напряжение [σ]Н0, соответствующее числу циклов перемены напряжений NН0 [3]
для шестерни:
[σ]Н01=1,8HВ1ср+67
[σ]Н01= 1,8∙285,5+67=580,9 Н/мм2;
для колеса:
[σ]Н02=1,8HВ2ср+67
[σ]Н02= 1,8∙248,5+67=514,3 Н/мм2.
Определяем допускаемое контактное напряжение:
для шестерни:
[σ]Н1=КHL1∙[σ]Н01
[σ]Н1= 1∙580,9=580,9 Н/мм2;
для колеса:
[σ]Н2=КHL2∙[σ]Н02
[σ]Н2= 1∙514,3=514,3 Н/мм2.
Так как НВ1ср – НВ2ср =285,5 – 248,5 = 20…50 НВ, то косозубая передача рассчитывается на прочность по меньшему допускаемому контактному напряжению.
4.3 Определение допускаемых напряжений изгиба [σ]F
Рассчитываем коэффициент долговечности КFL. Наработка за весь срок службы:
для колеса N2 = 10,72∙107 циклов;
для шестерни N1 =48,26∙107 циклов.
Число циклов перемены напряжений, соответствующее пределу выносливости, NF0 = 4∙106 для обоих колес.
Так как N1>NF01 и N2>NF02, то коэффициенты долговечности
КFL1 = 1 и КFL2 = 1.
Определяем допускаемое напряжение изгиба [3], соответствующее числу циклов перемены напряжений NF0:
для шестерни:
[σ]F01 = 294,07 Н/мм2 в предположении, что m<8 мм;
для колеса:
[σ]F02 = 1,03HВ2ср = 1,03∙248,5 =255,96 Н/мм2.
Определяем допускаемое напряжение изгиба:
для шестерни:
[σ]F1 =294,07 Н/мм2;
для колеса:
[σ]F2 =255,96 Н/мм2.
Таблица 4
Составляем табличный ответ к задаче:
| Элемент передачи | Марка стали | Термообработка | НВ1ср | [σ]Н | [σ]F |
| НВ2ср | Н/мм2 | ||||
| Шестерня | 40Х | У | 285,5 | 580,9 | 294,07 |
| Колесо | 40Х | У | 248,5 | 514,3 | 255,96 |
4.4 Проектный расчет закрытой зубчатой передачи
1. Определяем главный параметр — межосевое расстояние аW, мм:
где Ка — вспомогательный коэффициент. Для косозубых передач Ка = 43;
- коэффициент ширины венца колеса, равный 0,28...0,36 - для шестерни, расположенной симметрично относительно опор в проектируемых нестандартных одноступенчатых цилиндрических редукторах. Примем его равным 0,30;
u - передаточное число редуктора;
Т2 - вращающий момент на тихоходом валу редуктора, Н/м;
[]Н - допускаемое контактное напряжение колеса с менее прочным зубом или среднее допускаемое контактное напряжение, Н/мм2;
КН - коэффициент неравномерности нагрузки по длине зуба. Для прирабатывающихся зубьев КН = 1.
aw=230 мм
2. Определяем модуль зацепления m, мм:
где Кm — вспомогательный коэффициент. Для косозубых передач Кm = 5,8;
- делительный диаметр колеса, мм, d2=271,5 мм;
b2 = aaW - ширина венца колеса, мм, b2= 48 мм;
[]F —среднее допускаемое контактное напряжение , Н/мм2.
Таким образом, m = 2.16, округляя до стандартного значения, принимаем m=2,5(мм).
3. Определяем угол наклона зубьев min для косозубых передач:
4. Определяем суммарное число зубьев шестерни и колеса для косозубых колес:
5.Уточняем действительную величину угла наклона зубьев для косозубых передач:
6.Определяем число зубьев шестерни:
7. Определяем число зубьев колеса:
z2 = zΣ – z1 =90 - 26=64 .
8. Определяем фактическое передаточное число uф:
и проверяем его отклонение от заданного:
9. Определяем фактическое межосевое расстояние для косозубых передач:
Геометрические параметры передачи представлены в табл. 5.
Таблица 5
Геометрические параметры передачи
| Параметр | Шестерня косозубая | Колесо косозубое | |
| Д и а м е т р | делительный | ||
| вершин зубьев | |||
| впадин зубьев | |||
| Ширина венца | |||
.4.5. Проверочный расчет
1. Проверяем межосевое расстояние:
2.Проверяем контактные напряжения Н:
где К - вспомогательный коэффициент. Для косозубых передач К = 376;
— окружная сила в зацеплении, Н;
КН - коэффициент, учитывающий распределение нагрузки между зубьями. Зависит от окружной скорости колес
, и степени точности передачи, принимаем равной 8; КН=1,119 [1, с.62-63];
КН — коэффициент динамической нагрузки, зависящий от окружной скорости колес и степени точности передачи, КН=1,01 [1, с.62].
Подставляя числовые данные получаем:
3.Проверяем напряжения изгиба зубьев шестерни F1 и колеса F2, Н/мм2:
где m - модуль зацепления, мм;
b2 - ширина зубчатого венца колеса, мм;
Ft - окружная сила в зацеплении, Н;
KF - коэффициент, учитывающий распределение нагрузки между зубьями. Для косозубых колес КF зависит от степени точности передачи. КF = 1,0.
КF — коэффициент неравномерности нагрузки по длине зуба. Для прирабатывающихся зубьев колес КF = 1;
КF — коэффициент динамической нагрузки, зависящий от окружной скорости колес и степени точности передачи равный 1,04, [3];
YF1 и YF2 — коэффициенты формы зуба шестерни и колеса. Для косозубых определяются в зависимости от эквивалентного числа зубьев шестерни
и колеса
— коэффициент, учитывающий наклон зуба;
[]F1 и []F2 — допускаемые напряжения изгиба шестерни и колеса, Н/мм2.
Составляем табличный ответ*, мм:
Таблица 6
Проверочный расчет
| Проверочный расчет | ||||
| Параметр | Допускаемые значения | Расчетные значения | Примечание (отклонения) | |
| Контактные напряжения Н, Н/мм2 | 514,3 | 474,99 | недогрузка | |
| Напряжение изгиба, Н/мм2 | F1 | 294,07 | 84,03 | недогрузка |
| F2 | 255,96 | 112,56 | недогрузка | |
4.6. Определение сил в зацеплении
Таблица 7 Значения сил
| Силы в зацеплении | Значение силы, Н | |
| на шестерне | на колесе | |
| Окружная | Ft1 = Ft2 = 4787 | |
| Радиальная | Fr1 = Fr2 = 1220 | |
| Осевая | Fa1 = Fa2 = 1742,7 | Fa2 = Ft2tg =1742,7 |
4.7. Определение консольных сил
В проектируемых приводах конструируются открытые зубчатые цилиндрические и конические передачи с прямыми зубьями, а также ременные и цепные передачи, определяющие консольную нагрузку на выходные концы валов. Кроме того, консольная нагрузка вызывается муфтами, соединяющими двигатель с редуктором или редуктор с рабочей машиной.
Значения консольных сил приведены в табл. 8
Таблица 8
Значения консольных сил
| Вид открытой передачи | Характер силы | Значение силы,Н | |
| На шестерне | На колесе | ||
| Цилиндрическая прямозубая | Окружная | Ft1 = Ft2 = 105556 | |
| Радиальная | |||
| Клиноременная | Радиальная | ||
Таблица 9
Табичный расчёт к задаче
| Проектный расчет | |||||
| Параметр | значение | Параметр | Значение | ||
| Межосевое расстояние, aW | 230 | Угол наклона зубьев | 13,717 | ||
| Модуль зацепления m | 5 | ||||
| Ширина зубчатого венца: шестерни b1 колеса b2 | 77 74 | Диаметр делительной окружности: шестерни d колеса d2 | 143.8 329.4 | ||
| Число зубьев: шестерни z1 колеса z2 | 26 64 | Диаметр окружности вершин: шестерни da1 колеса da2 | 143.8 339.4 | ||
| Вид зубьев | наклонные | Диаметр впадин зубьев: шестерни df1 колеса df2 | 121.8 317.4 | ||
5. Предварительный расчет валов и выбор стандартных изделий (подшипники, крышки, уплотнения).
Вал
ы предназначены для установки на них вращающихся деталей и передачи крутящего момента.
Конструкции валов в основном определяются деталями, которые на них размещаются, расположением и конструкцией подшипниковых узлов, видом уплотнений и техническими требованиями.
Валы воспринимают напряжения, которые меняются циклично от совместного действия кручения и изгиба. На первоначальном этапе проектирования вала известен только крутящий момент, а изгибающий момент не может быть определен, т.к. неизвестно расстояние между опорами и действующими силами. Поэтому при проектировочном расчете вала определяется его диаметр по напряжению кручения, а влияние изгиба учитывается понижением допускаемого напряжения кручения.
5.1. Определение геометрических параметров ступеней валов
Редукторный вал представляет собой ступенчатое цилиндрическое тело, количество и размеры ступеней которого зависят от количества и размеров установленных на вал деталей.
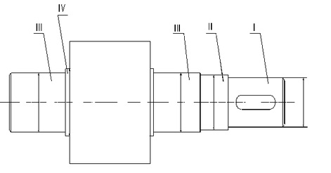
Входной вал
Рис. 3
Определяем расчетные ориентировочные геометрические размеры каждой ступени вала, мм.
Участок I – выходной конец вала для установки шкива ременной передачи. Диаметр
выходного конца вала определяется по формуле:
где
– крутящий момент на рассматриваемом валу, Нм;
– пониженные допускаемые напряжения кручения, МПа, для выходных концов вала принимаются равными
МПа;
Участок II – участок для установки уплотнения; диаметр выбирается с учетом стандартных значений для деталей по эмпирической формуле:
Участок III – участок для установки подшипников; диаметр выбирается с учетом стандартных значений для деталей по эмпирической формуле:
С учетом полученного диаметра выбираем подшипники по ГОСТ 333–79 (подшипники роликовые конические однорядные) [3].
Обе опоры вала выполняют на подшипниках 7212 ГОСТ 333–79.
Таблица 10
Подшипники, устанавливаемые на входном валу.
| Обозначение | Основные размеры | Грузоподъемность, кН | Фактор нагрузки | ||||||
| d, мм | D, мм | Y | b, мм | с, мм | α° | Cr | C0r | Y | |
| 7212 | 60 | 110 | 1.547 | 23 | 19 | 2.5 | 72,9 | 58,4 | 1.710 |
Участок IV – участок для установки колеса. Диаметр определяется по формуле:
Со стороны выходного конца вала ставится торцовая крышка с отверстием для манжетного уплотнения, выбранная в зависимости от диаметра внешнего кольца подшипника [4], [3].
С другой стороны ставится торцовая глухая крышка, выбранная в зависимости от диаметра внешнего кольца подшипника [4], [3].
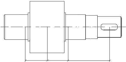
5.2. Вал колеса (выходной вал)
Выходной вал
Рис. 4
Участок I – выходной конец вала для установки шестерни зубчатой передачи. Диаметр
выходного конца вала определяется по формуле:
где
– крутящий момент на рассматриваемом валу, Нм;
– пониженные допускаемые напряжения кручения, МПа, для выходных концов вала принимаются равными
МПа;
Участок II – участок для установки уплотнения; диаметр выбирается с учетом стандартных значений для деталей по эмпирической формуле:
Для защиты подшипников от внешней среды и удержания смазки в опорных узлах ставится манжетное уплотнение, выбранное в зависимости от диаметра вала по ГОСТ 8752–79 [5].
Участок III – участок для установки подшипников; диаметр выбирается с учетом стандартных значений для деталей по эмпирической формуле:
С учетом полученного диаметра выбираем подшипники по ГОСТ 333–79 (подшипники роликовые конические однорядные) [3].
Обе опоры вала выполняют на подшипниках 7315 ГОСТ 333–79.
Таблица 11
Подшипники, устанавливаемые на выходном валу.
| Обозначение | Основные размеры | Грузоподъемность, кН | Фактор нагрузки | ||||||
| d, мм | D, мм | T, мм | b, мм | с, мм | Α° | Cr | C0r | Y | |
| 7315 | 75 | 130 | 24 | 23 | 19 | 12 | 97,6 | 84,5 | 1.547 |
Со стороны выходного конца вала ставится торцовая крышка с отверстием для манжетного уплотнения, выбранная в зависимости от диаметра внешнего кольца подшипника [4], [3].
С другой стороны ставится торцовая глухая крышка, выбранная в зависимости от диаметра внешнего кольца подшипника [4], [3].
Участок IV – участок для установки колеса. Диаметр определяется по формуле:
где
– крутящий момент на рассматриваемом валу, Нм;
– пониженные допускаемые напряжения кручения, МПа, в местах посадки колес принимаются равными
МПа;
5.3. Предварительный выбор подшипников качения
Выбор наиболее рационального типа подшипника для данных условий работы редуктора весьма сложен и зависит от целого ряда факторов: передаваемой мощности редуктора, типа передачи, соотношения сил в зацеплении, частоты вращения внутреннего кольца подшипника, требуемого срока службы, приемлемой стоимости, схемы установки.
Выбираем подшипники для валов [1, с.111]. На тихоходном и быстроходном валах устанавливаем подшипники типа радиальные конические однорядные. Схема установки – с одной фиксирующей опорой. Серия средняя. По величине диаметров d2 и d4 выбираем подшипники [1, с.410]:
для быстроходного вала 7212;
для тихоходного вала 7215.
6. Расчет основных элементов корпуса
Корпус редуктора предназначен для размещения в нем деталей передачи, восприятия усилий, возникающих при работе, а также для предохранения деталей передачи от повреждений и загрязнений.
Редукторы общего назначения для удобства сборки и разборки конструируют разъемными. Плоскость разъему проходит, как правило, через оси валов параллельно плоскости основания. В этом случае каждый вал редуктора со всеми расположенными на нем деталями представляет собой самостоятельную сборочную единицу, которую собирают и контролируют заранее независимо от других валов и затем монтируют в корпусе.
Габариты и форма редуктора определяются числом и размерами зубчатых колес, заключенных в корпус, положением плоскости разъема и расположением валов.
В крышке корпуса для заливки масла, контроля сборки и осмотра редуктора при эксплуатации предусматривают смотровое окно. Оно располагается в местах, удобных для осмотра зацепления. Размеры окна должны обеспечивать хороший обзор зацепления. Форма отверстий может быть прямоугольной, круглой или овальной.
В нижней части основания корпуса предусматривают маслосливное отверстие, закрываемое резьбовой пробкой, и отверстие для установки маслоуказателя.
Для подъема и транспортировки редуктора предусматривают крючья, проушины или рым-болты.
-
Толщина стенок одноступенчатого червячного редуктора определяется по формуле:
где
– толщина стенок основания редуктора, мм;
– толщина стенок крышки редуктора, мм;
-
Глубина корпуса редуктора дожна обеспечивать необходимый обьём заливаемого масла V=(0.4-0.8) литр/КВт(картерная смазка)
H=230 мм
-
Размеры сопряжений выбираются в зависимости от толщины стенок [1]:
-
Диаметры болтов:
-
фундаментных:
-
соединяющих крышку корпуса с основанием редуктора:
-
у подшипников
-
-
прочих
-
крепящих крышку подшипников к корпусу, определяются исходя из размеров крышки [1]
-
крепящих смотровую крышку
-
Количество фундаментных болтов определяется по формуле:
где M и N – размеры основания корпуса,
-
Размеры элементов фланцев определяются в зависимости от диаметра болтов:
Таблица 12
Размеры элементов фланцев.
| Элементы фланцев | Диаметр болта | |||||
| М8 | М10 | М12 | М16 | М20 | М24 | |
| Ширина фланца К, мм | 24 | 28 | 33 | 39 | 48 | 54 |
| Расстояние от оси болта до стенки С, мм | 13 | 15 | 18 | 21 | 25 | 27 |
| Диаметр отверстия d0, мм | 9 | 11 | 13 | 17 | 22 | 26 |
| Диаметр планировки D0, мм | 17 | 20 | 26 | 32 | 38 | 45 |
| Радиус закругления R, мм | 3 | 3 | 4 | 5 | 5 | 8 |
-
Размеры элементов подшипниковых гнезд:
-
Диаметр расточки D принимают равным наружному диаметру подшипника или стакана;
-
Длина гнезда подшипника:
-
-
Количество болтов для крепления крышки подшипника:
-
Диаметр болтов:
-
Глубина завинчивания:
-
Глубина нарезания резьбы:
-
Глубина сверления:
7. Проверочные расчеты
7.1. Определение реакций в опорах и построение эпюр изгибающих и крутящих моментов выходного вала
Необходимые данные приведены в табл. 13.
Силы, действующие на вал, и расстояния между точками их приложения.
Таблица 13
| Усилия в зацеплении и давления на опоры | Геометрические параметры вала | Геометрические параметры вал-шестерни | ||
| Косозубой цилиндрической передачи | Прямозубой передачи | Ременной передачи | ||
-
Выполняем схему нагружения вала с указанием действующих сил и расстояний между точками их приложения (взято с эскизной компоновки)
Расстояния между точками нагружения
Рис. 5.
-
Составляем схему нагружения вала в вертикальной плоскости (рис. 6 ).
-
По правилам сопротивления материалов, рассматривая вал как балку, лежащую на шарнирно-подвижных опорах и нагруженную сосредоточенными силами, определяем реакции в опорах в вертикальной плоскости и строим эпюру изгибающих моментов
(рис. 6 ):
-
находим реакции в опорах:
-
находим изгибающие моменты:
-
Аналогичную схему нагружения вала, определение реакций опор и построение эпюр изгибающих моментов выполняем для горизонтальной плоскости (рис. 6 ):
-
находим реакции в опорах:
-
-
находим изгибающие моменты:
-
Строим эпюру крутящих моментов (рис. 6 ):
-
Определяем суммарные радиальные реакции в опорах:
-
Определяем суммарные изгибающие моменты:
7.2. Определение реакций в опорах и построение эпюр изгибающих и крутящих моментов входного вала
1. Выполняем схему нагружения вала с указанием действующих сил и расстояний между точками их приложения (взято с эскизной компоновки)
Расстояния между точками нагружения
Рис. 7.
2.Составляем схему нагружения вала в вертикальной плоскости (рис. 8 ).
3. По правилам сопротивления материалов, рассматривая вал как балку, лежащую на шарнирно-подвижных опорах и нагруженную сосредоточенными силами, определяем реакции в опорах в вертикальной плоскости и строим эпюру изгибающих моментов (рис. 8 ):
-
находим реакции в опорах:
-
находим изгибающие моменты:
-
Аналогичную схему нагружения вала, определение реакций опор и построение эпюр изгибающих моментов выполняем для горизонтальной плоскости (рис. 8 ):
-
находим реакции в опорах:
-
-
находим изгибающие моменты:
-
Строим эпюру крутящих моментов (рис. 8 ):
-
Определяем суммарные радиальные реакции в опорах:
-
Определяем суммарные изгибающие моменты:
7.3. Проверочный расчет подшипников вала долговечность
Расчет будем проводить для подшипников 7215 ГОСТ 333–71.
-
По табл. 7.6 из [1] находим коэффициент е предварительно выбранного подшипника 7315 ГОСТ 333–71:
е=0,388.
-
Вычисляем осевые составляющие реакций опор от действия радиальных сил:
-
Определяем расчетные осевые нагрузки Ra1 и Ra2 с учетом расположения подшипников враспор:
где V – коэффициент вращения: при вращении внутреннего кольца V=1, наружного – V=1,2, и сравнивают его с коэффициентом е:
Поскольку данные соотношения меньше коэффициента е, то X=1, Y=0.
-
Определяем эквивалентную динамическую нагрузку по формуле:
где Кσ – коэффициент безопасности: при спокойной нагрузке Кσ = 1;
КТ – температурный коэффициент: при температуре подшипника менее 100 °С КТ = 1.
-
По табл. 7.2 [1] определяем коэффициент γ:
γ=3,77.
-
Вычисляем требуемую динамическую грузоподъемность подшипников по формуле:
8. Поскольку данные для второго соотношения больше коэффициента е, то X=0.4, из (табл. 11). Y=1.547 . Вычисляем требуемую динамическую грузоподъемность подшипников по формуле:
Подшипники пригодны для установки на данном валу.
7.4 Проверочный расчет подшипников вал-шестерни на долговечность
Расчет будем проводить для подшипников 7212 ГОСТ 333–71.
1. По табл. 7.6 из [1] находим коэффициент е предварительно выбранного подшипника 7212 ГОСТ 333–71:
е=0,351.
2. Вычисляем осевые составляющие реакций опор от действия радиальных сил:
-
Определяем расчетные осевые нагрузки Ra1 и Ra2 с учетом расположения подшипников враспор:
где V – коэффициент вращения: при вращении внутреннего кольца V=1, наружного – V=1,2, и сравнивают его с коэффициентом е:
Поскольку данные соотношения меньше коэффициента е, то X=1, Y=0.
-
Определяем эквивалентную динамическую нагрузку по формуле:
где Кσ – коэффициент безопасности: при спокойной нагрузке Кσ = 1;
КТ – температурный коэффициент: при температуре подшипника менее 100 °С КТ = 1.
-
По табл. 7.2 [1] определяем коэффициент γ:
γ=3,77.
-
Вычисляем требуемую динамическую грузоподъемность подшипников по формуле:
8. Поскольку данные для второго соотношения больше коэффициента е, то X=0.4, из (табл. 10). Y=1.710 . Вычисляем требуемую динамическую грузоподъемность подшипников по формуле:
Подшипники пригодны для установки на данном вал
у.
7.5. Проверочный расчет шпонок
Зубчатые колеса, шкивы, звездочки и другие детали крепятся на валах с помощью шпоночных или шлицевых соединений, предназначенных для передачи крутящих моментов.
В редукторах общего назначения из-за простоты конструкции, сравнительно низкой стоимости и удобства сборки и разборки широко применяются соединения призматическими шпонками.
Сечение шпонки выбирается в зависимости от диаметра вала по табл. 7.7 в [1]. Длину шпонки принимают по длине ступицы с округлением в меньшую сторону до стандартной
Схема шпоночного соединения
Рис. 9
Таблица 14
Призматические шпонки, устанавливаемые на выходном валу.
| Диаметр вала d | Сечение шпонки | Глубина паза | Длина шпонки l | ||
| b | h | t1 | t2 | ||
| 85 | 22 | 11 | 7,5 | 4,4 | 70 |
После определения размеров шпонки производим проверочный расчет соединения по напряжениям смятия:
где Т – крутящий момент на валу, Нмм;
d – диаметр вала, мм;
l – рабочая длина шпонки, мм;
(h–t1) – сминаемая высота шпонки, мм
;
[GСМ] – допускаемые напряжения смятия, при стальной ступице [GСМ] = 110–190 МПа.
-
шпонка, соединяющая вал и червячное колесо:
Шпонка удовлетворяет условиям работы и пригодна для установки на валу.
-
шпонка, соединяющая вал и шестерню прямозубой передачи:
Рассчитанные напряжения смятия превышают допустимые значения, поэтому применяются две шпонки, установленные под углом 180°.
7.6. Проверочный расчет вала на усталостную прочность
Проверочный расчет выполняют на совместное действие изгиба и кручения путем определения коэффициентов запаса прочности в опасных сечениях вала и сравнения их с допускаемым значением. Рекомендуется принимать [S] = 1,5–2,5. Коэффициент запаса прочности определяют по формуле:
где Sσ и Sτ – коэффициенты запаса прочности соответственно по изгибу и кручению.
Коэффициенты запаса прочности определяем в следующей последовательности:
-
Выбираем материал вала согласно рекомендациям [1]. Выбранный материал – Сталь 40.
-
Определяем по расчетной схеме (рис. 6) опасное сечение вала. Опасное сечение – сечение 3.
-
Определяем коэффициент запаса прочности по изгибу в предположение, что напряжения изменяются по симметричному циклу:
где σ–1 – предел выносливости при изгибе с симметричным циклом, для углеродистых конструкционных сталей
σа – амплитудные напряжения изгиба в рассматриваемом сечении вала, при симметричном цикле напряжений
Кσ – эффективный коэффициент концентрации нормальных напряжений, определяется по табл. 7.8 в [1].
ыКσ=2,3;
Kd – масштабный фактор, определяется по табл. 7.9 в [1].
Kd=0,77;
KV – коэффициент, учитывающий способ упрочнения поверхночтей, для валов без поверхностного упрочнения KV=1;
-
Определяем коэффициент запаса прочности по кручению для случая пульсирующего цикла как наиболее часто применяющегося (нере5версивная передача):
где τ–1 – предел выносливости при кручении с симметричным циклом, для углеродистых и легированных сталей
τа – амплитудное напряжение кручения в рассматриваемом сечении вала, при пульсирующем цикле
Кτ – эффективные коэффициент концентрации при кручении, определяется по табл. 7.8 в [1].
Кτ=2,35,
Ψτ – коэффициент, учитывающий асимметрию цикла, для углеродистых сталей
Ψτ=0,05,
Условие прочности выполняется, поэтому конструкция вала пригодна для использования.
8. СМАЗКА РЕДУКТОРА
Смазка червячных зацеплений и подшипников уменьшает потери на трение, износ и нагрев.
По способу подачи смазки к зацеплению различают картерную и циркуляционную смазки.
Картерная смазка осуществляется окунанием венцов колес в масло, заливаемое внутрь корпуса. Эту смазку применяют при окружных скоростях V<10 м/с. При большей скорости масло сбрасывается центробежной силой. При смазывании окунанием объем масла, заливаемого в картер, определяют из расчета (0,4–0,8) л масла на 1 кВт передаваемой мощности.
Рекомендуется, чтобы уровень масла был не выше центра нижнего тела качения подшипника. Для лучшего смазывания колеса на валу устанавливаются брызговики, забрасывающие масло на зацепление.
Смазывание подшипников качения редукторов общего назначения осуществляют жидкими маслами или пластинчатыми мазями. Наиболее благоприятные условия для работы подшипников обеспечивают жидкие масла. Преимущества их заключаются в высокой стабильности смазывания, меньшем сопротивлении вращению, способности отводить теплоту и очищать подшипник от продуктов износа. Жидкое масло легче заменить без разборки узла. Недостаток жидких масел связан с необходимостью применения сложных уплотнений.
На практике подшипники стремятся смазывать тем же маслом, которым осуществляется смазывание деталей передач механизма. При этом смазывание подшипников обычно осуществляется за счет разбрызгивания масла зубчатыми колесами, в результате чего масло попадает в подшипниковые узлы.
Выбор сорта масла начинают с определения необходимой кинематической вязкость масла в зависимости от окружной скорости по табл. 8.3 в [1].
V=1.97 м/с
Затем по найденному значению вязкости выбирают соответствующее масло по табл. 8.4 [1].
Масло авиационное МС–20 ГОСТ 21743–76
Для контроля за уровнем масла в редукторе используем трубчатый маслоуказатель с трубкой из оргстекла.
Для слива масла из корпуса редуктора предусматривается маслосливное отверстие, размещаемое в нижней части корпуса и закрываемое резьбовой пробкой.
Пробка маслосливного отверстия
Рис. 10
Во время работы редуктора повышается давление внутри корпуса в связи с нагревом масла и воздуха. Это приводит к выбрасыванию масла из корпуса через уплотнения и стыки. Чтобы избежать этого, внутреннюю полость корпуса соединяют с внешней средой путем установки отдушин (обычно в крышке смотрового окна):
Пробка-отдушина
Рис. 11
СПИСОК ИСПОЛЬЗОВАННЫХ ИСТОЧНИКОВ
-
«Курсовое проектирование» Дулевич А.Ф., Новиков С.А., Сурус А.И., Царук Ф.Ф. – Мн.: БГТУ, 1997.
-
«Детали машин и основы конструирования» Скойбеда А.Т., Кузьмин А.В., Макейчик Н.Н. – Мн.: Высшая школа, 2000.
-
«курсовое проектирование деталей машин» Шейнблит А.Е. –М.: Высшая школа, 1985
-
«Конструирование узлов и деталей машин» Дунаев П.Ф., Леликов О.П. – М: Высшая школа, 1985.
-
«Курсовое проектирование деталей машин» Чернавский С.А. – М.: Машиностроение, 1979.
-
«Детали машин» Иванов М.Н., Иванов В.Н. – М.: Высшая школа, 1975.
4. Расчет закрытой передачи (цилиндрического редуктора)
6. Расчет основных элементов корпуса
8. СМАЗКА РЕДУКТОРА














