diplom (708616), страница 7
Текст из файла (страница 7)
Датчиками контроля уровня в барабане являются два электрода (ВАУ и НАУ – соответственно высшего и низшего аварийного уровней), расположенные в уровнемерной колонке барабана. Электроды подсоединены к сигнализатору положения уровня СПУ, который электрически связан с промежуточным реле.
Датчиком разряжения в топке является ДНТ. Таким же датчиком является датчик давления воздуха.
При погасании факела, отключении дымососа или понижения давления газа перед горелкой произойдет немедленное отключение подачи газа на котёл. Так, например, при погасании факела разорвётся электрическая цепь между контрольным электродом КЭ и корпусом горелки. Автомат контроля пламени АКП при этом разорвёт электрическую цепь промежуточного реле. При этом замкнутся два контакта в цепи световой и звуковой сигнализации, и разорвётся электрическая цепь питания электромагнитного клапана ЭПЗК. Подача газа на котёл прекратится.
10. Монтаж деаэратора.
У
стройство деаэраторов. Деаэратор атмосферного давления (рис. 3) состоит из бака-аккумулятора, деаэрационной колонки, барботажного устройства, арматуры, регулирующих и контрольно-измерительных приборов. Деаэратор оборудуется гидравлическими затворами и охладителями выпора.
Рис. 3. Деаэратор атмосферного давления:
1 – деаэрационная колонка, 2 – бак-аккумулятор, 3 – опоры.
Бак-аккумулятор (2) – сварной цилиндрический сосуд с приваренными к нему штуцерами и лазом – служит для сбора питательной воды; он оборудован водоуказательными приборами.
Деаэрационная колонка (1) – вертикальный цилиндр с установленными внутри дырчатыми листами (тарелками) – установлена непосредственно на баке-аккумуляторе и соединена с ним с помощью сварки или фланцев. Обрабатываемая вода подводится через водораспределительное устройство в верхнюю часть колонки. Греющий пар через регулирующий клапан подаётся в барботажное устройство. Вода из распределительного устройства стекает тонкими струями с тарелки на тарелку навстречу потоку пара, нагревается и стекает в бак-аккумулятор. Греющий пар, поднимаясь вверх, частично конденсируется, захватывает выделившиеся из воды газы и вместе с ними удаляется через верхний штуцер в охладитель выпара.
Гидравлический затвор предотвращает повышение давления в деаэраторе выше расчётного. Регулирующие устройства обеспечивают в деаэраторе заданное давление и уровень воды.
Охладитель выпара служит для использования теплоты не сконденсировавшегося пара. Обычно охладитель выпара устанавливают на кронштейне, приваренному к баку-аккумулятору, или на одной из площадок котельной.
К баку деаэратора приварены металлические опоры (3), одна из которых неподвижно закрепляемая на фундаменте, а вторая, подвижная при тепловых расширениях бака, перемещается по стальному листу.
Монтаж деаэраторов. Деаэраторы устанавливают на опорные конструкции в здании котельной или вне его на металлические опоры. Опоры деаэратора имеют радиусные сёдла, приваренные к нижней части бака.
До начала подъёма на монтажной площадке детали деаэратора собирают в блок, масса которого зависит от грузоподъёмности такелажного механизма. Наиболее целесообразно включать в блок все детали деаэратора с охладителем выпара и трубопроводами.
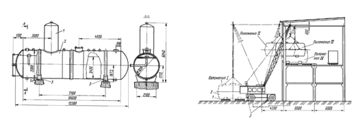
Схема монтажа деаэратора пневмоколёсным краном показана на рис. 4. Деаэратор стропят в положении І, поднимают в положение ІІ, подают в монтажный проём – положение ІІІ и устанавливают на перекрытие – положение Ⅳ. Далее лебёдкой деаэратор перемещают в проектное положение.
Рис. 4. Схема монтажа деаэратора:
1 – шпальные подкладки, 2 – деаэратор, 3 – выносные опоры крана.
С помощью металлических подкладок, устанавливаемых под опоры, выравнивают положение деаэратора в горизонтальной и вертикальной плоскостях. Горизонтальность продольной оси деаэратора проверяют гидравлическим уровнем по всей образующей бака-аккумулятора, а поперечной оси деаэратора также гидравлическим уровнем по крайним боковым образующим бака-аккумулятора, на которых керном сделаны соответствующие отметки. Отклонение продольной и поперечной осей от горизонтали не должно превышать ± 2 мм. Вертикальность деаэрационной колонки проверяют отвесом и металлической линейкой. Отклонение от вертикальной оси не должно превышать 2 мм. на всю высоту колонки.
После выверки и окончательного закрепления на фундаменте деаэратор подвергают гидравлическому испытанию на плотность и прочность.
11. Эксплуатация основного и вспомогательного оборудования.
11.1. Основные сведения об организации эксплуатационного обслуживания котельных.
Основные принципы организации эксплуатации котельных заключаются в том, чтобы обеспечить надёжную, экономичную и безаварийную работу оборудования.
Для этого нужно:
-
поручить обслуживание котельной обученному персоналу и периодически повышать его квалификацию;
-
обеспечить обслуживающий персонал “производственной инструкцией по обслуживанию оборудования котельной” и другими служебными инструкциями;
-
организовывать постоянный контроль работы всего оборудования котельной, создать систему технического учёта, отчётности и планирования работы;
-
правильно использовать всё оборудование в наиболее экономичных режимах, поддерживая в исправности тепловую изоляцию горячих поверхностей нагрева и использовать другие меры для сохранности топлива, тепла и электроэнергии;
-
составлять и точно выполнять годовые графики планово-предупредительного и капитального ремонтов всего оборудования котельной, имея необходимое количество запасных частей, ремонтных и вспомогательных материалов;
-
вести постоянный контроль за исправным состоянием работающего оборудования и своевременно исправлять неисправности.
11.2. Права и обязанности оператора котельной.
Порядок допуска к обслуживанию котла.
К обслуживанию котлоагрегата могут быть допущены лица не моложе 18 лет, которые прошли медицинский осмотр, обученные по утверждённой программе для операторов и имеющие соответствующие удостоверение квалификационной комиссии учебно-курсового комбината о сдаче экзамена по этой программе, которые прошли инструктаж по охране труда и стажировку на рабочем месте.
Знания операторов проверяются не реже одного раза в год.
Оператор котельной должен хорошо знать:
-
строение и работу котлоагрегатов и всего вспомогательного оборудования, которое он обслуживает;
-
схемы газопроводов (мазутопроводов);
-
конструкции газогорелочных устройств и границы их регулирования;
-
правила безопасной эксплуатации котлоагрегатов на газовом (жидком) топливе и вспомогательного оборудования котельной;
-
инструкции: а) производственную по эксплуатации оборудования;
б) противопожарную;
в) по предупреждению и ликвидации аварий.
Кроме того, он должен знать, кому подчинён, чьи распоряжения обязан выполнять, кого извещать об авариях и неполадках, о пожаре и несчастных случаях.
Оператор котельной должен уметь:
-
обслуживать котлоагрегаты, газовое и теплотехническое оборудование котельной и следить за их исправностью;
-
подготавливать котлоагрегаты и тепломеханическое оборудование к работе;
-
подготавливать газовое оборудование к работе;
-
включать газовые горелки и поддерживать необходимый режим их работы;
-
подготавливать систему отопления, проверять исправность резервного питательного и циркуляционного насосов;
-
проводить продувку парового котла и водоуказательных приборов, проверять предупредительные клапаны и манометры;
-
очищать топку, газоходы и поверхности нагрева от сажи и накипи;
-
предупреждать возможные аварии и неполадки в работе оборудования, а в случае их появления быстро принимать меры для их ликвидации;
-
выключать газовое оборудование и горелки, а также останавливать котёл в плановом и аварийном порядке в соответствии с производственной инструкцией;
-
экономно расходовать топливо, электроэнергию и воду;
-
бережно относиться к инструменту и приборам;
-
пользоваться КИП и устройствами автоматики регулирования и безопасности, проверять их исправность;
-
пользоваться технической документацией, которая находится на рабочем месте, вести эксплуатационную документацию;
-
самостоятельно производить небольшие ремонтные работы (набивка сальников, замена прокладок, ремонт отдельных мест изоляции, обмуровки и др.);
-
оказывать первую доврачебную помощь потерпевшим.
Оператору котельной, находящемуся на дежурстве, запрещается:
-
выполнять во время работы котла любые другие обязанности, непредусмотренные производственной инструкцией;
-
оставлять работающие котлы без надзора даже на короткое время или поручать надзор лицам, которые не имеют этого права.
Котёл может быть оставлен без надзора после полного окончания подачи газа и когда в паровом котле давление пара снизится до нуля.
При эксплуатации котельных установок обслуживающий персонал должен руководствоваться производственной инструкцией и режимными картами котлов. Эти документы с приложением оперативной схемы трубопроводов вывешиваются на рабочем месте.
В котельной должны быть часы и телефон.
В котельную не должны допускаться посторонние лица. В необходимых случаях они получают разрешение администрации и сопровождаются её представителем.
11.3. Приём и сдача смены. Режимная карта котла.
Дежурство операторов на котельных осуществляется согласно графика. При приёме смены оператор обязан прийти на работу раньше времени (за 10 ÷ 15 мин.), проверить записи в сменном журнале за предыдущие три смены, ознакомиться с изменениями в эксплуатации основного и вспомогательного оборудования, неполадками и неисправностями.
Оператор, сдающий смену, должен ознакомить сменщика с состоянием и режимом работы оборудования, нагрузкой котлов, с оборудованием которое, находится в резерве и ремонте, проинформировать о том, какие работы проведены, и что ещё нужно сделать.
Оператор, который принимает смену, должен проверить:
-
исправность освещения (аварийного и во взрывобезопасном исполнении);
-
работу водоподготовки и уровень воды в деаэраторе;
-
состояние и положение отключающих устройств, как на работающих котлах, так и находящихся в резерве и ремонте;
-
отсутствие утечки газа на газопроводах перед котлами и распределительном газопроводе;
-
уровень воды в паровых котлах по водоуказательным приборам и правильность их работы (методом продувки);
-
давление пара в котле по манометру, исправность его и наличие пломб;
-
надёжность действия предохранительных клапанов методом подрыва, наличие пломбы или замка на контрольном клапане;
-
состояние поверхностей нагрева, которое видно через смотровое окно топки котла: нет ли выпучин, течи, парения и т.п.;
-
исправность резервных питательных и циркуляционных насосов (методом кратковременного включения);
-
работу газовых горелок (при необходимости отрегулировать горение);
-
наличие тяги в топке котла;
-
состояние и работу тягодутьевых устройств, обратить внимание на уровень и температуру масла в масленых ваннах, нагрев подшипников и наличие стука и шума в работающих дымососах и дутьевых вентиляторах.
Приём и сдача смены оформляются записью в сменном журнале с указанием результатов проверки, и скрепляется подписями принимающего и сдающего и сдающего смену. Первый ставит подпись принимающий, а затем сдающий смену.
Принимать и сдавать смену во время ликвидации аварии в котельной запрещается.
Режимные карты.
Режимные карты работы котлов составляет наладочная организация по результатам проведённых теплотехнических испытаний.
Они вмещают значения параметров, соблюдение которых обеспечивает безопасную и экономичную работу в нужном диапазоне производительности. Испытания должны проводится не реже одного раза в три года.
Режимная карта составляется на 30 %, 50 %, 75 % и 100 % производительности котла и является основным оперативным документом, в соответствии с которым эксплуатационный персонал регулирует работу котла при изменении его производительности. В котельной на каждом котле должен быть дубликат режимной карты с указанием даты её составления, подписанный представителем наладочной организации и утверждённый главным инженером предприятия.
11.4. Подготовка котла к розжигу.
Перед розжигом котла оператор обязан тщательно проверить:
а) наличие распоряжения начальника котельной о розжиге котла, где должно быть указано время розжига, температура воды, которой должен заполнятся котёл, а также продолжительность розжига;
б) исправность топки и газоходов, запорных и регулирующих устройств;
в) исправность контрольно-измерительных приборов, арматуры, гарнитуры, питательных устройств, дымососа и вентилятора;
г) исправность оборудования для сжигания газообразного (жидкого) топлива;
д) заполнение котла водой к отметке нижнего рабочего уровня. Заполнение производить, выпуская воздух;















