referat (708412), страница 3
Текст из файла (страница 3)
Различают грохочение предварительное, промежуточное, товарное (окончательное). Предварительное грохочение применяют для грубой сортировки на крупные и мелкие куски перед дробилками первичного дробления. При промежуточном грохочении из дробленого материала отделяются более крупные куски для направления в дробилки последующих стадий дробления. При окончательном грохочении материал разделяют на фракции в соответствии с требованиями стандарта. Разделение материала по крупности на фракции осуществляется в результате придания поверхности грохочения определенных по частоте и амплитуде колебаний, обеспечивающих эффективное встряхивание материала и прохождение зерен через просеивающие поверхности. На грохотах можно устанавливать до трех сит. Сита располагают в одной плоскости (грохочение от мелкого к крупному) или ярусами (грохочение от крупного к мелкому).
При грохочении от мелкого к крупному (рис. 9) грохот имеет конструкцию простую,
| Рис. 9 |
удобную для осмотра и ремонта сит. Недостатками такой схемы являются большая длина грохота, интенсивный износ первого сита, низкое качество грохочения, так как мелкие частицы увлекаются более крупными. При грохочении от крупного к мелкому достигаются высокое качество сортирования, более равномерный износ сит, однако ухудшается возможность наблюдения за работой грохота. Комбинированная схема по сравнению с другими занимает промежуточное положение и является наиболее распространенной.
При перемещении по просеивающей поверхности сит материал разделяется по крупности. Зерна материала, превышающие размер отверстий сит, сходят с поверхности грохочения, образуя верхний класс. Зерна материала, прошедшие через отверстия, называются нижним классом. Нижний класс каждого предыдущего сита является исходным материалом для следующего расположенного за ним сита. При движении материалов по ситу не все зерна размером меньше отверстия сита могут пройти через него. В результате верхний класс оказывается засоренным зернами нижнего класса. Отношение (в процентах) массы зерен, прошедших сквозь сито, к количеству материала такой же крупности, содержащегося в исходном материале, называют эффективностью грохочения. Эталонное значение эффективности грохочения в зависимости от материала и типа грохотов составляет 86...91 %.
По исполнению и типу привода грохоты делят на неподвижные колосниковые, барабанные вращающиеся, эксцентриковые и инерционные виброгрохоты.
Неподвижные грохоты. Такие грохоты представляют собой колосниковые решетки из износостойкой стали с высоким ударным сопротивлением. Их применяют для предварительного грохочения.
Барабанные грохоты. Они имеют наклонный, под углом 5...7°, вращающийся барабан, состоящий из секций с различными размерами отверстий. Загрузка осуществляется в секцию с меньшими размерами отверстий. При трех секционном барабане получают четыре фракции щебня. Диаметры барабанов таких грохотов 600...1000 мм при длине З...3,5 м. Частота вращения грохота зависит от его диаметра и составляет 15...20 мин-1. При большей частоте грохочение прекращается. Производительность их 10...45 м3/ч при мощности двигателя 1,7...4,5 кВт. В связи с низким качеством грохочения и большим расходом энергии барабанные грохоты имеют ограниченное применение.
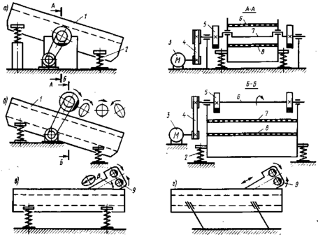
Эксцентриковые грохоты. Грохот (рис. 10, а) состоит из наклонного под углом 15...25° короба 1 с ситами 6 и 8; шарнирно подвешенного к шейкам приводного эксцентрикового вала 7 с дебалансами 5 и опирающегося на пружины 2. Вращение вала передается от электродвигателя 3 через клиноременную передачу 4. При такой подвеске короба материал на его просеивающей поверхности получает круговые колебания с постоянной амплитудой, равной двойному эксцентриситету вала, при любой нагрузке. Эксцентриковые грохоты изготовляют с двумя ситами размером 1500х3750 мм и амплитудой колебаний 3...4,5 мм и частотой колебаний 800...1400 в минуту.
| Рис.10 Схемы плоских грохотов: а) эксцентриковый б) инерционный наклонный в, г) инерционный горизонтальный |
Инерционные виброгрохоты. Они делятся на инерционные наклонные (угол наклона сит 10...25°) и инерционные горизонтальные.
Инерционный наклонный виброгрохот (рис. 10, б) имеет приводной механизм, представляющий собой вал 6 с дебалансами 5, опертый на два подшипника, корпуса которых укреплены в стенках короба 1. Короб с ситами 7 и 8 опирается на основание через упругие связи 2. Форма колебаний зависит от расположения неуравновешенных масс и способа подвески короба. Они могут быть круговыми, эллиптическими или прямолинейными (грохоты с пластинчатыми рессорами). Наиболее эффективны грохоты на пружинных опорах. Регулирование амплитуды колебаний достигается сменными дебалансами. В отличие от эксцентриковых в инерционных грохотах с увеличением нагрузки амплитуда колебания короба уменьшается автоматически, защищая конструкцию от перегрузок. Такие грохоты применяют для тяжелых условий работы при товарном грохочении, а также для предварительного грохочения крупнокусковых материалов перед первичным дроблением (вместо сит устанавливают колосниковые решетки в один ярус). Размеры просеивающей поверхности сит 1750х1450 мм, частота вращения вала вибратора порядка 800 мин-1, амплитуда колебаний 3,7...4,5 мм.
Эффективное сортирование достигается с вибраторами направленного действия (рис. 10, в, г).
Инерционный горизонтальный виброгрохот имеет вибровозбудитель прямолинейно направленных колебаний 9, смонтированный на коробе с ситами. Возбудитель состоит из двух параллельно расположенных дебалансных валов, синхронно вращающихся в разных направлениях. Возмущающая сила такого вибратора направлена по прямой, перпендикулярной линии, соединяющей центры дебалансных валов, и изменяется по закону синуса. Угол действия между возмущающей силой и плоскостью сит составляет 35...45°. Короб с ситами опирается на основание через вертикальные пружины. Размеры просеивающей поверхности сит таких грохотов 1250x3000 мм, частота колебаний 500... 700 в минуту, амплитуда колебаний 8... 12 мм, мощность приводного двигателя 5,5 кВт. Горизонтальные виброгрохоты с направленными колебаниями обеспечивают большую удельную производительность и лучшее качество грохочения по сравнению с наклонными.
Техническая производительность грохотов (мэ/ч) при промежуточном и окончательном грохочении Пт = qAR1R2R3, где q — удельная производительность 1 м2 сита для определенного размера отверстий (для отверстий от 5 до 70 мм изменяется от 12 до 82 м3/ч); А — площадь сита, м2; R1 — коэффициент, учитывающий угол наклона грохота (для горизонтальных грохотов с направленными колебаниями R1 = 1,0; для наклонных при угле наклона 9...15° — 0,45...1,54); R2 — коэффициент, учитывающий содержание в данном продукте зерен нижнего класса (при содержании 10... 90 % соответственно 0,58...1,25); R3 — коэффициент, учитывающий содержание в нижнем классе зерен меньше
размера отверстий сит (при содержании 10..90 % соответственно 0,63...1,37).
При приближенных расчетах можно определять производительность грохота как производительность желоба с определенной пропускной способностью Пт=3600bhRp, где b — ширина сита, м; h — толщина слоя сортируемого материала, м (принимается равной размеру поступающих на сито кусков); = 0,05...0,25 м/с — скорость движения материала вдоль желоба; Rp = 0,4...0,5 — коэффициент разрыхления материала.
Машины для мойки каменных материалов
Заполнители бетона промывают для удаления глинистых и органических примесей и пыли. Для этого используют различные способы. Если крупность заполнителя не превышает 70 мм, а загрязненность мала и примеси легко отделимы, то промывку совмещают с сортировкой. На грохот по трубам из сопл подается вода под давлением 0,2...0,3 МПа. Расход воды 1,5... 5 м3 на 1 м3 промываемого материала.
Материалы крупностью 300...350 мм промывают в цилиндрических гравиемойках-сортировках, состоящих из наклонного барабанного вращающегося грохота с дополнительной моющей секцией с глухой (без отверстий) поверхностью. Вода на промывку подается вместе с материалом. Расход воды до 2 м3 на 1 м3 промываемого материала. Для сильно загрязненного гравия и щебня, содержащих глинистые включения, применяют моечные барабаны с лопастями, закрепленными на внутренней поверхности барабана. Вода подается навстречу движению материала. Диаметры барабанов — 1,5..2,0 м при длине до 4,0 м, производительность установок — до 100 м3/ч.
Для мойки песка, отделения от него частиц менее 0,15 мм и последующего обезвоживания применяют гидромеханические и гидравлические классификаторы.
Гидромеханический классификатор представляет собой короб, внутри которого размещена спираль. При вращении спирали взвешенные в воде мелкие частицы отводятся в нижнюю часть короба, а крупные направляются спиралью к верхнему разгрузочному окну. Короб устанавливают под углом 16...18°. Диаметр спирали 1000...1500 мм при частоте вращения 8...14 мин-1. Производительность классификатора — до 200 т/ч.
Гидравлические классификаторы (рис. 11, а) применяют для промывки и
разделения песка на две фракции. В таких установках песок, предварительно смешанный с водой в виде пульпы, вводится в вертикальный классификатор через патрубок 1 и диффузор 2 в обогатительную камеру 3, где скорость потока смеси значительно уменьшается и крупные частицы выпадают в классификационную камеру 5. По патрубку 6 в классификационную камеру подается чистая вода, образуя в камере винтовой восходящий поток. Частицы песка (до 0,5 мм) уносятся выходящим потоком воды к верхнему сливному коллектору 4, а крупные частицы выпадают из классификационной камеры, обезвоживаются и поступают потребителю. Гидроклассификаторы являются напорными аппаратами, давление на уровне сливной трубы достигает 0,3 МПа. Производительность их по грунту — 20... 300 м3/ч.
При необходимости промывки и разделения зернистого материала на несколько фракций используют горизонтальные многокамерные гидроклассификаторы (рис. 11, б). Исходный материал в пульпообразователе смешивается с водой и поступает в пирамидальный лоток 9, а оттуда — в прямоугольное корыто 8, разделенное вертикальными перегородками на четыре камеры. Разделение на фракции получается путем регулирования количества воды, подаваемой в классификационные камеры снизу и образующей восходящие потоки. Вода, поднимаясь по камере, выносит частицы песка, скорость выпадения которых меньше скорости движения восходящих потоков. По мере накапливания взвешенных частиц в камере плотность пульпы увеличивается, вследствие чего уровень воды в гидростатической трубке 11 вместе с поплавком 10 поднимается. Как только поплавок упрется в верхний датчик, автоматически открывается разгрузочный клапан 7. По мере разгрузки поплавок опускается и касается нижнего датчика, сигналы которого передаются механизму закрытия клапана. Затем цикл работы камеры повторяется. Производительность по исходному материалу— до 50 т/ч, расход воды — 4...6 м3/т.
Заключение
Из данного реферата мы узнали об одном из классов строительных машин.
Так же мы узнали о конструктивных особенностях, о принципе работы, о энергопотребление, о принципе работы, сферах применения.
Список литературы.
-
Строительные машины: Учеб. для вузов по спец. С86 ПГС/Д. П. Волков, Н. И. Алешин, В. Я- Крикун, О. Е. Рынсков; Под ред. Д. П. Волкова.—М.: Высш. шк., 1988.
-
Волков Д. П., Николаев С. Н. Повышение качества строительных машин. М., 1984.
-
Домбровский Н. Г., Гальперин М. И. Строительные машины. М., 1985.
-
Фиделев А. С., Чубук. Ю. Ф. Строительные машины. Киев, 1979















