71408 (700322), страница 3
Текст из файла (страница 3)
З урахуванням місцевих можливостей вчителі, які проводитимуть заняття за цією програмою, можуть самостійно встановлювати кількість і характер практичних занять, а також тематику комплексних практичних робіт учнів.
Деякі загальні питання з організації занять.
Декоративно-прикладне мистецтво має значний вплив на духовний розвиток учнів, становлення їхньої особистості і творче розв'язання питань, що стоятимуть перед учнями в процесі трудової діяльності.
Заняття карбуванням повинні плануватися так, аби на уроках учні якнайбільше займалися практичною роботою. На теорію має відводитися не більше 25% часу. Робити екскурси в історію, знайомити з новими технологічними прийомами, навчати правил безпечної праці слід під час виготовлення виробу. Викладаючи, вчитель має непомітно підвести учнів до свідомого самовираження, виховувати в них патріотичне ставлення до української історії, культури.
Трудове навчання учнів у сукупності з іншими предметами, що вивчаються в школі, спрямоване на формування ділових якостей учнів, необхідних в умовах зростаючої вимогливості до якості продукції, її художньої привабливості та конкурентно-спроможності. Заняття карбуванням суттєво стимулюють розвиток інтересів і здібностей учнів, їх ініціативу і самостійність при виборі сюжету й способу обробки листового металу. Художній смак і творчі здібності особистості не розвинуться самі собою, їх потрібно виховувати повсякчас у процесі трудової діяльності.
Неформальний підхід до організації і проведення занять, пошук оптимальних форм і методів роботи, індивідуалізація навчання, диференційований підхід до навчання дозволять учням оволодіти досить складним і цікавим видом декоративно-прикладного мистецтва — карбуванням.
Учитель має заздалегідь підібрати потрібну літературу, наочні посібники й технічні засоби навчання, які допоможуть йому в роботі. Показ карбованих робіт, зроблених на виставках і в музеях слайдів, підсилять пізнавальну діяльність учнів і допомагатимуть їм краще засвоїти теоретичні знання. Таблиці з правил безпеки та організації робочого місця, технологічні картки, стенди з роботами учнів тощо допоможуть учням у засвоєнні програмного матеріалу. Заняття карбуванням вимагають від учителя їх планування і правильної організації. На перших порах учням важко виконувати складні технологічні операції, тому краще починати знайомство з мистецтвом карбування з таких простих видів, як ме-талопластика і площинно-рельєфне та рельєфне карбування. Поступово, в міру набуття учнями необхідних умінь і навичок завдання ускладнюють, стимулюючи зацікавленість і творче самовираження учнів. Заняття слід починати з перевірки теоретичних знань, виконання учнями попередніх практичних завдань і повідомлення мети нового заняття. Якщо це лабораторно-практична робота — нагадати правила техніки безпеки, особливості виконання окремих операцій, а також правила користування інструментом. У процесі роботи слід правильно використовувати обладнання, наприклад, при термічній обробці. Займатися карбуванням в умовах шкільної майстерні нескладно, бо не потрібні спеціальні верстати, громіздке обладнання, складна хімічна обробка тощо. Для карбування потрібні слюсарні столи, які с в кожній майстерні, молоток, киянка, че-кани та інший простий інструмент, який учні разом з учителем можуть виготовити самостійно. За час навчання учні виконують контрольні завдання, що допомагають учителю визначити рівень засвоєння ними навчального матеріалу та необхідних умінь і навичок роботи з інструментом, уміння художньо обробляти й естетично оформляти готовий виріб, дотримуватися техніки безпеки. Вчитель повинен уміти оцінювати поетапне виконання операцій, пов'язаних з виготовленням карбованого виробу. Після вивчення кожної окремої теми і виконання учнями практичної роботи доцільно оцінити їхні знання з таких напрямів:
1. Підготовка листового металу за етапами:
розмітка заготовки;
вирізання бляшки потрібного розміру;
обробка задирки після різання;
термічна обробка — відпалювання;
вирівнювання листа киянкою або дерев'яним бруском;
зняття окалини за допомогою хімічних речовин, змиття водою і просушування.
Оцінюється: час виконання операції та якість виконання робіт (за рівністю вирізаних бокових ліній, наявністю необробле-них задирок, чистотою і рівністю поверхні листа).
2. Підготовка рисунка:
за малюнком, наданим учителем;
за власним малюнком;
з використанням готового стилізованого рисунка.
Оцінюється: час виконання, поєднання сюжету з матеріалом пластини і композиція твору за допомогою стилізованих зображень.
3. Підготовка поверхні металу і переведення на неї рисунка:
зняття з поверхні листа металу жирового шару за допомогою реактивів;
нанесення, якщо це необхідно, шару фарби на бляшку і закріплення на ній паперового листа і рисунком:
фіксація рисунка на металі нітролаком або обведення його ри-сувалкою, карбувальником-давильником чи обробка канфарни-ком.
Оцінюється: час виконання, чіткість переведених ліній (наявність усіх деталей рисунка, рівність і глибини рисок, залишених рису вал кою або карбувальниками).
Виконання роботи, пов'язаної з карбуванням по металу та подальшою художньою обробкою готовою виробу,— процес творчий, і учні можуть застосовувати різні прийоми для створення задуманої ними композиції, а критерії, за якими буде оцінюватися їхня робота, на наш погляд, такі:
* плавність лінії суцільної або нанесеної за допомогою рисок чи точок, рівномірність її ширини і глибини при обведенні рисунка:
відхилення по ширині близько 1,0 мм — «відмінно»;
від 1,0 мм до 2,0 мм — «добре»;
від 2,0 мм до 3,0 мм — «задовільно»;
більше 3,0 мм — «незадовільно»;
відхилення по глибині близько 0,5 мм — «відмінно»;
від 0,5 мм до 1,0 мм — «добре»;
від 1,0 мм до 1,5 мм — «задовільно»;
більше 1,5 мм — «незадовільно».
при обробці випуклих деталей композиції звертають увагу на те, щоб на випуклій поверхні не залишалися сліди від руху чекана і на пластині не було розривів металу, а при просічно-му карбуванні були оброблені напилком усі задирки, при художній обробці виробу оцінюють те, як висвітлені виступаючі деталі, як вони відшліфовані і вкриті патинуючою плівкою або лаком, при оздобленні карбованого виробу зважають на те, чи гармонійно поєднується основа з патинуючою плівкою на поверхні металу, чи вирівняна і закріплена пластина.
4. Контроль за роботою учнів. При виконанні будь-яких технологічних операцій учитель повинен аналізувати роботу учнів як у цілому, так і поетапно, вказувати недоліки, виявляти шляхи їх подолання, настроювати учнів на самоконтроль і контроль своїх товаришів.
Рис. 1. Інструменти для металопластики: а, б — чекани-давильники «утюжки»; в — штихель; г — стека; д, ж — шпатель; к — чекан-пуансон.
5. Порядок виставлення оцінки за роботу.
Оцінювання робіт учнів може здійснюватися як самим учителем у процесі їх виконання і по завершенні, так і разом з учнями, враховуючи час, витрачений на виготовлення виробу, правильність виконання технологічних операцій, художнє оздоблення.
Виготовлення інструментів-чеканів
Наведемо орієнтовний варіант виготовлення інструментів-чека-нівдля занять металопластикою, що мають різну форму бойової частини й одну спільну ручку {рис. 1, 2).
Технологія виготовлення чека-нів-давильників в умовах шкільної майстерні нескладна. Для їх виготовлення знадобляться: токарний і заточний верстати, слюсарні лещата, напилки, молоток, наждачний папір, муфельна піч, стальний прут довжиною 60 мм і діаметром 6 мм і стальний прут діаметром 20—25 мм, дерев'яний брус довжиною 18—20 см і перерізом 2,5 х 2,5 см з деревини твердої породи (клен, дуб, бук, береза), шматок алюмінієвого дроту для заклепок довжиною 35 мм і діаметром 3—4 мм.
Виготовлення чекана-давиль-ника відбувається в такій послідовності:
1. Виготовлення дерев'яної ручки
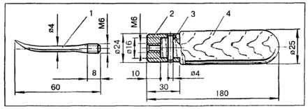
Довжина ручки (4, рис. 2) дорівнює 18—20 см, її діаметр — 20—25 мм. Після виготовлення ручки її обробляють таким чином:
з того боку, на який буде надіватися металева втулка (2), знімать шар деревини до діаметра 16— 18 мм на довжину 20 мм, інший торець округлюють і ручку після ретельної обробки наждачним папером вкривають лаком.
2. Виготовлення металевої втулки
Із сталевого прута діаметром 20—25 мм на токарному верстаті знімають шар металу до діаметра ' 19—24 мм на довжину ЗО мм. Свердлом діаметром 16 мм свердлять втулку (2) на глибину 20— 25 мм, після чого її відрізають, торцюють і нарізають в ній різьбу М6, а також роблять отвір для заклепки (3) діаметром 3 (4) мм.
3. Чиютонлсння змінних чеканій
Для полегшення обробки ста-левиїо прута, арматури або дюбеля треба провести термічну обробку заготовки — відпускання металу, яке полягає в тому, що метал спочатку нагрівають у муфельній печі до температури 500—600 "С, а потім повільно охолоджують його на повітрі, що робить метал м'яким і податливим.
На токарному верстаті зніма-' ють шар металу до потрібного розміру. Наприклад, штихель (1) роблять довжиною 60 мм, з однієї сторони проточують до діаметра 6 мм на довжину 8 мм, а потім обробляють заготовку до діаметра 4 мм, знімають її і продовжують обробку на заточному верстаті або обпилюють напилком, закріпивши заготовку в слюсарних лещатах, поки робоча частина не матиме плавний перехід до діаметра 1 мм на кінці чекана. Потрібну форму карбувальнику придають молотком. Бойова частина чекана повинна мати гладку робочу поверхню. Досягти цього можна, обробивши її надфілями, відполірувавши дрібним наждачним папером і відшліфувавши пастою ГОІ на повстяному кругу.
Рис. 2. Ручкя для змінних чеканів-давильників; 1— чекан-штихель;
2 — втулка; 3 — заклепка; 4 — дерев'яна ручка.
Таким чеканом, якщо не зробити термічної обробки (загартування) карбувальника, не можна буде довго користуватися, бо він швидко стане непридатним до роботи. Щоб загартувати карбувальник, його нагрівають у муфельній печі до температури близької до 800 °С до виникнення на поверхні металу яскраво-червоного кольору, а потім різко охолоджують метал, зануривши інструмент у воду або масло. Діаметр чекана-давильника у частині, де нарізана різьба, невеликий, а метал після загартування хоч і став твердим, став також і дуже ламким. Отож, щоб інструмент під час роботи не зламався і метал не був крихким, його знову нагрівають у муфельній печі до температури 200—220 °С до виникнення на поверхні металу яскраво-жовтого кольору і повільно охолоджують чекан на повітрі. Під час термічної обробки на поверхні заготовки може утворитися окалина, тому після охолодження металу бойову частину карбувальника ще раз ретельно відполіровують.
Чекани-давильники, що мають спільну ручку, не займають багато місця, їх зручно зберігати, на їх виготовлення не потрібно багато матеріалу, проте при користуванні ними виникають певні незручності, пов'язані із 'їх заміною, особливо якщо потрібно часто використовувати в роботі різні карбувальники.
На рисунку 2 зображені чека-ни-давильники, які мають окрему ручку. Хоча на їх виготовлення -знадобиться трохи більше часу і вони займуть більше місця на робочому столі, користуватися ними значно зручніше.
Перед початком роботи вчитель повинен звернути увагу учнів на правильність тримання в руці інструмента, положення рук учня та інструмента при роботі та натискування на нього, аби лінії на поверхні металу були однакової глибини.















