66014 (696154), страница 2
Текст из файла (страница 2)
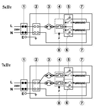
Водонагрівач електричний проточний, далі водонагрівач, призначений для моментального нагрівання водопровідної води в побутових умовах. Нагрівання води здійснюється тільки при проходженні її через прилад, причому нагрівається лише та кількість води, яка необхідна вам для витрати. Нижче приведемо типову схему електричного проточного нагрівача (див малюнок 1)
Малюнок 1. Схема проточного електричного водонагрівача
Де,
-
Вхідний автоматичний двухполюсний вимикач .
-
Колодка підключення.
-
Термозапобіжник.
-
Вимикач реле тиску.
-
Блок перемикачів режимів роботи.
-
Сигнальна лампа.
-
Нагрівальний елемент.
-
Реле тиску води.
3.2 Схема електричного накопичувального водонагрівача
Малюнок 2. Схема накопичувального електричного водонагрівача
Холодна вода надходить у нижню частину внутрішнього бака (3) через коротку трубку з розсікачем (5). Добір гарячої води відбувається через довгу трубку (1) з верхньої частини внутрішнього бака (3). Нагрівання води відбувається за допомогою мідного нагрівального елемента (4). Магнієвий анод (2) охороняє внутрішній бак від корозії, продовжуючи його ресурс. Контроль температури, вибір режиму нагрівання і захист від перегріву проводиться біметалічним терморегулятором (6). Внутрішній бак захищений від корозії спеціальним покриттям, подібним по фактурі до скла.
Використана література:
-
http://neomax.com.ua/dohlyad-za-nakopychuvalnym-vodonahrivachem.html
-
http://209.85.229.132/search?q=cache:XvvW_az8O6kJ:www.ariston.ua/
-
http://pani-ua.info/dim/dim42.html
-
www.euro-trade.od.ua/
-
http://www.dom2000.com.ua/articles.php?aid=3033
-
http://infomincer.net/query/wat.htm
-
http://www.milla.ua/dir.php?id=88
-
http://www.technohit.com.ua/price/122/















