63386 (695307), страница 2
Текст из файла (страница 2)
Результаты расчета показывают, что приемлемая точность может быть достигнута при относительной нестабильности
, что может быть обеспечено при использовании LC-генераторов.
Если частота эталонного сигнала меньше предельной частоты переключения элементной базы, цифровой управляемый генератор может быть выполнен по комбинированной схеме с использованием делителя. При этом увеличением дискрета подстройки снижаются требования к стабильности ГОС. Для сохранения заданной величины дискрета подстройки пропорционально увеличивается частота ЗГ и ГОС и производится последующее деление опорного сигнала до частоты эталонного.
Таким образом, использование метода временной трансформации позволяет значительно (в десятки раз) расширить частотный диапазон работы ЦСФС.
Таблица 1. Зависимость допустимых значений относительной нестабильности синхронизируемых генераторов от величины дискрета подстройки по фазе.
| № п/п |
|
|
| 1 |
| 3*10-5 |
| 2 |
| 2*10-4 |
| 3 |
| 4,8*10-4 |
| 4 |
| 1,9*10-3 |
Примеры реализации цифровых следящих систем
В качестве примеров рассмотрим схемы цифровых систем ФАПЧ с астатизмом второго порядка, реализующие методы дискретного управления фазой и дискретного управления частотой.
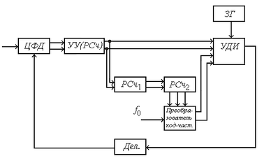
Схема ЦФАПЧ с дискретным управлением фазой приведена на рис.5.
Рис.5. Схема ФАПЧ с дискретным управлением фазой.
Система состоит из двух колец регулирования: пропорционального и интегрирующего, Интегрирующее включает реверсивные счетчики РСч1 и РСч2 и преобразователь код-частота. Расстройка между частотой входного и опорного сигналов приводит к преобладанию импульсов счетно - импульсного кода на одном из выходов ЦФД. В результате этого реверсивный счетчик УУ будет переполняться по одному из входов и на вход интегратора РСч1, РСч2 будут поступать импульсы переполнения. В интеграторе накопится код, пропорциональный частотной расстройке. Этот код является управляющим для преобразователя код-частота. В результате на выходе ПКЧ сформируется последовательность импульсов с постоянной частотой, пропорциональной частотной расстройке. Имульсы поступают на УДИ и осуществляют коррекцию частоты опорного сигнала, равную в установившемся режиме первоначальной частотной расстройке. В качестве ПКЧ может быть использован цифровой синтезатор частот с суммированием импульсных последовательностей (рис.6).
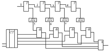
Рис.6. Схема цифрового синтезатора частот с суммированием импульных последовательностей: ДЦ – дифференцирующая цепь.
Цифровая схема ФАПЧ с дискретным управлением частотой приведена на рис.7.
Рис.7. Схема ФАПЧ с дискретным управлением частотой
Сумматор кодов содержит полный код частоты, который управляет частотой цифрового синтезатора частоты. Реверсивный счетчик 2 постоянно подключен к сумматору кодов, а РС 3 периодически подключается к сумматору и его код переписывается в сумматор, а затем сбрасывается (запись и сброс производится импульсом с делителя).
Таким образом, информация РС 3 обновляется каждый период (с частотой регулирования
). Сумматор кодов должен обладать памятью, т. е. является сумматором накапливающего типа.
ЛИТЕРАТУРА
1. Коновалов. Г.Ф. Радиоавтоматика: Учебник для вузов. – М.: Высш. шк., 2000.
2. Радиоавтоматика: Учеб. пособие для вузов. / Под ред. В.А. Бесекерского. - М.: Высш. шк., 2005.
3. Первачев С.В. Радиоавтоматика: Учебник для вузов. - М.: Радио и связь, 2002.
4. Цифровые системы фазовой синхронизации / Под ред. М.И. Жодзишского – М.: Радио, 2000.















