63315 (695285), страница 3
Текст из файла (страница 3)
На рис. 11 показана схема простейшего усилителя на транзисторе типа р-п-р. В коллекторной цепи транзистора имеется источник питания
, сопротивление нагрузки
и разделительный конденсатор
.
Рис. 11. Схема простейшего усилителя транзисторе (с общим эмиттером).
В базовую цепь включены два источника: источник переменного напряжения с амплитудой
и источник постоянного напряжения смещения
Назначение источника смещения в транзисторном усилителе отличается от аналогичного источника в ламповом усилителе. При токе базы
в коллекторной цепи транзистора протекает настолько незначительный ток, что практически транзистор можно считать запертым. Если бы в базовой цепи отсутствовал источник смещения, то в положительные полупериоды входного напряжения транзистор запирался бы (режим В) и возникали большие нелинейные искажения. Полярность напряжения смещения такова, что оно отпирает транзистор, т. е. служит для создания начального коллекторного тока, что необходимо для режима А. Напряжение
изменяется пропорционально входному сигналу и в коллекторной цепи происходит пропорциональное изменение тока
. Ток
создает на сопротивлении
пульсирующее напряжение. Разделительный конденсатор
пропускает на выходные клеммы только переменную составляющую коллекторного напряжения. Подбирая соответствующие величины
,
и тип транзистора, можно получить на выходных клеммах усилителя переменное напряжение, во много раз превышающее амплитуду
.
Так как эмиттерный переход транзистора при работе усилителя всегда открыт, то во входной цепи протекает ток
и, следовательно, источник входного напряжения всегда расходует мощность. При одновременном воздействии на участок база — эмиттер двух напряжений
и
в цепи базы протекает пульсирующий ток. Постоянную составляющую создает источник смещения, а переменную — источник входного напряжения. Мощность, потребляемая от источника входного сигнала,
, где
и
амплитудные значения тока и напряжения в цепи базы.
Полезная мощность, выделяемая в коллекторном нагрузочном сопротивлении усилителя,
, где
и
амплитудные значения переменных составляющих коллекторного тока и напряжения.
Коэффициент усиления по мощности
;
коэффициент усиления по напряжению
; коэффициент усиления по току
. Следовательно,
.
Приближенно можно считать, что величина
равна коэффициенту усиления тока базы
:
, а
,
где
— эквивалентное сопротивление нагрузки в цепи коллектора;
— сопротивление участка база — эмиттер транзистора.
С учетом этих выражений коэффициент усиления по мощности
.
В современных усилителях величина
достигает больших значений (сотни и тысячи).
5. Интегральные усилители
В настоящее время выпускаются следующие усилители интегрального исполнения: высокой (УВ), промежуточной (УР) и звуковой (УН) частоты; широкополосные (УК); импульсных сигналов (УИ); повторители (УЕ); считывания и воспроизведения (УЛ); индикации (УМ); постоянного тока (УТ); операционные (УД); дифференциальные (УС); прочие (УП).
Использование усилителей интегрального исполнения улучшает параметры радиоаппаратуры, особенно ее надежность, облегчает регулирование аппаратуры, уменьшает ее энергопотребление, габариты и массу. Рассмотрим в качестве примера интегральную микросхему К174УН7 (усилитель мощности звуковой частоты).
Рис.12 Типовая схема включения интегральной микросхемы К174УН7 (а) и зависимость ее коэффициента нелинейных искажений от выходной мощности(б).
Типовая схема включения интегральной микросхемы К174УН7 показана на рис. 12, а. Входной сигнал поступает на вывод 8 микросхемы с движка потенциометра
регулятора громкости, а нагрузка подключается к выводу 12 через разделительный конденсатор
, предотвращающий попадание в нее постоянного напряжения. Корректирующая цепь
,
обеспечивает передачу сигнала ООС с выхода усилителя на его вход, а цепь
,
,
,
служит для коррекции АЧХ частотозависимой ООС с выхода усилителя на вход одного из его промежуточных каскадов. Усилитель мощности звуковой частоты на микросхеме К174УН7 имеет коэффициент нелинейных искажений
, зависящий от выходной мощности
(рис. 3,б). При неравномерности амплитудно-частотной характеристики не более 3 дБ полоса пропускания усилителя равна от 40 Гц до 20 кГц; напряжение источника питания +18 В.
6. Экспериментальное изготовление усилителя
УНЧ. Как много в этой аббревиатуре для сердца радиолюбителя слилось. Каждый, кто когда-нибудь занимался радиотехникой и электроникой, собирал различные усилители низкой частоты. Простые и сложные, маломощные и мощные. Сейчас, с развитием интегральных микросхем, стало всё намного проще. Усилители не содержат каких-то уникальных радиодеталей. Одна микросхема, которая, собственно, и представляет собой уже готовый усилитель мощности низкой частоты, и схема, практически, собрана. Как правило, выходная мощность таких усилителей и качество воспроизведения на высоте.
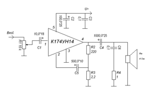
Моя исследовательская работа базируется на практическом изготовлении УНЧ на интегральной микросхеме К174УН14, что является усвоением практических знаний и навыков в макетировании радиоаппаратуры.
Микросхема К174УН14(TDA2003) предназначена для работы при напряжении источника питания 8-18 В и сопротивлении нагрузки не менее 2 Ом. При этом достигается равномерное усиление сигнала в полосе частот 30 Гц - 20 кГц, а ток покоя составляет 40-60 мА. Чувствительность усилителя - около 50 мВ. Микросхема снабжена собственным теплоотводом, допускающим работу с выходной мощностью не более 2 Вт. Для получения большей мощности обязательно требуется установка дополнительного пластинчатого либо ребристого или игольчатого радиатора. Коэффициент усиления во всей полосе воспроизводимых частот стабилизирован за счет наличия на выходе усилителя делителя напряжения сигнала 1:100 и подачей с него напряжения отрицательной обратной связи на инверсный вход усилителя.
Рассмотрим поэтапное изготовление моего усилителя:
-
Нахожу схему усилителя в справочнике «Микросхемы для бытовой радиоаппаратуры».
-
Вырезание на текстолитовой пластине дорожки. Сверление отверстий.
3. Лужение.
4. Монтаж элементов на печатную плату.
5. Подготовка корпуса. Установка печатной платы в корпус. Корпус использован от старых электронных часов.
Полностью готовый усилитель.
Эти фотографии выложены на моем сайте радиолюбители по адресу http://radiolubiteli.net.ru/ и в группе радиолюбители вконтакте (http://vkontakte.ru/club12879376), где я постоянно общаюсь и делюсь своим небольшим опытом.
Заключение
Таким образом, мною рассмотрен и изучен принцип работы усилителя звуковых частот.
Задачи, поставленные мной в начале исследовательской работы:
-
Рассмотреть классификацию и основные параметры усилителя.
-
Рассмотреть принцип построения каскада усиления.
-
Рассмотреть структурные схемы лампового усилителя.
-
Рассмотреть структурные схемы усилителя на транзисторах.
-
Рассмотреть структурные схемы интегрального усилителя.
-
Описать изготовление УНЧ на своей практике. ВЫПОЛНЕНЫ
В нашем современном мире усилитель звуковой частоты можно встретить во всей современной и даже несовременной техники: в телевизорах, музыкальных центрах, радиоприёмниках, радиопередатчиках, радиотрансляционных сетях, телефонах, мобильных телефонах, автомагнитолах и т. д. Для меня выбранная тема оказалась достаточно интересной и увлекательной, что я и доказал на примере собственной сборки усилителя.
Список литературы
-
Важенин В.Г. Исследование усилительных каскадов при различных схемах включения транзистора. Екатеринбург: УГТУ-УПИ, 2000.
-
Гурлев Д.С. Справочник по электронным приборам, Киев 1979 г.
-
Доброневский О.В. Справочник по радиоэлектронике, Киев1971 г.
-
Интегральные схемы: Операционные усилители: Справочник. Том 1. – М.: Физматлит, 1993.
-
Колонтаевский Ю.Ф. Радиоэлектроника, Москва 1988.
-
Новоченко И.В., В.М. Петухов. Микросхемы для бытовой радиоаппаратуры, Москва 1989 г
-
Проектирование усилительных устройств: Учебное пособие под ред. М.В. Терпугова. М.: Высшая школа, 1982.
-
Справочник радиолюбителя-конструктора/под редакцией Н.И. Чистякова Москва 1983.
-
Шкритек П. Справочное руководство по звуковой схемотехнике: Пер. с нем. М.: Мир, 1991.
-
http://radiolubiteli.net.ru/
-
http://www.radiokot.ru/
-
http://www.cxem.net/
-
http://www.radiomexanik.spb.ru/
-
http://radiosait.ru/














