63168 (695227), страница 2
Текст из файла (страница 2)
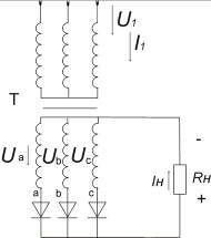
Рисунок 5
Подобно как
может быть связано с
с помощью еще 3-х коэффициентов D,F,H, однозначно зависящих от
, можно определить значения
и другие электронные характеристики режима работы вентильного звена и трансформатора.
На практике часто кроме активной составляющей сопротивления фазы, приходится принимать во внимание индуктивное сопротивление, связанное с потоком рассеяния в трансформаторе.
Соотношение между активными и реактивными составляющими сопротивления фазы принято характеризовать углом
:
(12)
В общем случае, угол
оказывается зависящим от угла
. С помощью упомянутых коэффициентов D,F,H можно рассчитать следующие электрические характеристики (для схемы Миткевича).
(13)
(14)
(15)
а) б)
в) г)
Рисунок 6
Особенности работы выпрямителя на нагрузку индуктивного характера
Рисунок 7
Напряжение на нагрузке имеет форму огибающей ЭДС, действующей в фазе. Коэффициент пульсации по первой огибающей:
(16)
ЛИТЕРАТУРА
-
Иванов-Цыганов А.И. Электротехнические устройства радиосистем: Учебник. - Изд. 3-е, перераб. и доп.-Мн: Высшая школа, 200
-
Алексеев О.В., Китаев В.Е., Шихин А.Я. Электрические устройства/Под ред. А.Я.Шихина: Учебник. – М.: Энергоиздат, 200– 336 с.
-
Березин О.К., Костиков В.Г., Шахнов В.А. источники электропитания радиоэлектронной аппаратуры. – М.: Три Л, 2000. – 400 с.
-
Шустов М.А. Практическая схемотехника. Источники питания и стабилизаторы. Кн. 2. – М.: Альтекс а, 2002. –191 с.
















