63154 (695217), страница 6
Текст из файла (страница 6)
Формула винаходу
1. Пристрій для тривожної сигналізації по авт. св. № 721840, відмінне тим, що, з метою розширення функціональних можливостей, в нього введені додаткові елементи І, трігери, елемент не, елемент затримки, індикатори стану параметра, вирішальне пристрій, індикатори стану об'єкту, елемент квитування, вихід якого сполучений з першими входами всіх трігерів, другі входи зєднані з виходами відповідних елементів І, одні входи яких сполучені з першими входами відповідних додаткових елементів І, виходи яких сполучені з третіми входами відповідних трігерів, виходи яких сполучені з входами відповідних індикаторів стану параметра і з відповідними входами групи входів вирішального пристрою, управляючий вхід якого через елемент затримки підключений до виходу блоку управління, який сполучений з входом елементу не, вихід якого сполучений з другими входами додаткових елементів І, виходи вирішального пристрою сполучені з входами відповідних індикаторів стану об'єкту.
2
. Пристрій відмінне тим, що вирішальний пристрій виконаний у вигляді дешифратора, інформаційні входи якого є групою входів вирішального пристрою, стробуючий вхід дешифратора є управляючим входом вирішального пристрою, а виходи — виходами вирішального пристрою.
Рисунок 28
ПРИСТРІЙ ДЛЯ СЕЛЕКТИВНОГО ВИЯВЛЕННЯ БІОЛОГІЧНИХ ОБ'ЄКТІВ, що містить два канали вимірювання частоти, кожний з яких складається з чутливого елементу, включеного в контур генератора, до виходу якого послідовно підключені підсилювач, частотний детектор й пороговий елемент, а виходи каналіввимірювання частоти через блок збігу сполучені з блоком індикації, причому чутливі елементи, місткість і індуктивний, входять до складу виносного зонда, відмінне тим, що, з метою підвищення ефективності виявлення біологічних об'єктів, чутливий елемент місткості виконаний у вигляді кільцевої щілини в металевій пластині, а індуктивний чутливий елемент є кільцевими витками ізольованого металевого дроту, розташовані в щілині елементу місткості.
Винахід відноситься до технічних засобів виявлення тривожної сигналізації і може бути використане працівниками пожежної охорони для пошуку людей, що знепритомніли, що не мають нагоди самостійно пересуватися і сильно задимлених приміщень, що знаходяться в труднодоступних місцях.
Мета винаходу - підвищення ефективності виявлення біологічних об'єктів.
На рисунку 1. зображена функціональна схема пристрою; на рисунку. 2 -принциповаелектрична схема одного з каналів вимірювань.
Пристрій містить Вимірювальний зонд 1, який включає місткість 2 і індуктивний 3 чутливі елементи, розміщені на телескопічному щупі.' Конструктивно зонд виконаний у вигляді плоскої металевої пластини, яка є, наприклад, провідний шар фольгованого ізоляційного матеріалу з кільцевою щілиною в ній, тобто місткості чутливий елемент 2, в якій розміщений індуктивний чутливий елемент 3, що є кільцевими витками ізольованого металевого дроту.
Кожний з чутливих елементів 2 і 3 підключений до ідентичних каналів 4 і 5 вимірювання частоти, включаючим в свій склад генератор 6, вихід якого сполучений через підсилювач 7 і частотний детектор 8 з входом порогового елементу 9. Виходи порогових елементів каналів 4 і 5 через блок 10 збігів сполучені з блоком 1,1 індикації.
Пристрій працює таким чином.
Канали 4 і 5 вимірювання частоти V виконані ідентично, тому функціонувальні пристрої доцільно розглядати на прикладі одного каналу, наприклад каналу 4, вимірювання частоти, Напруга високої частоти, вироблене канальним генератором 6, в коливальний контур якого включений чутливий елемент місткості 2, подається на резонансний підсилювач 7. Резонансний контур підсилювача 7 налаштований на частоту, відповідну об'єкту виявлення. З підсилювача сигнал поступає на частотний детектор 8. Сигнал, що продетектує, подається на пороговий
елемент 9с регульованим рівнем спрацьовування. Для випадку виявлення біологічних об'єктів, що відповідає найбільшому значенню діелектричної проникності, цей рівень встановлюється максимальним. З виходу каналу місткості 4, якщо в полі чутливого елементу 2 потрапляє біологічний об'єкт, сигнал поступає на блок 10 збігів, який може бути реалізований на логічному елементі "Заборона", і далі на блок 11 індикації, зібраний на тиристорі (не показаний).
При спрацьовуванні тиристора спалахує світлодіод, який відображає виявлення. Під час вступу сигналу з обох каналів 4 і 5 вимірювання частоти, що відповідає наявності металу в полі зонда 1, блок збігу не спрацьовує і сигнал виявлення з блоку 11 індикації не вдаєтся.
Конструкція зонда з суміщеним
виконанням чутливих елементів місткості і індуктивного в одній площині дозволяє підвищити ефективність виявлення біологічних об'єктів.
Рисунок 29
Рисунок 30
ВОЛОКОННО-ОПТИЧНА СИСТЕМА ОХОРОННОЇ СИГНАЛІЗАЦІЇ
Винахід відноситься до сигнальних пристроїв на основі волоконної оптики і може бути використано в системах захисту периметра територій і приміщень від несанкціонованого доступу. Технічний результат, що досягається винаходом, полягає в зниженні чутливості до перешкод навколишнього середовища і забезпеченні контролю стану оптичних елементів системи. Цей результат досягається тим, що у волоконно-оптичній системі охоронної сигналізації, що містить когерентне джерело 1 світла, вихід якого через відрізок багатомодового оптичного волокна 2 і формувач 3 світлові потоки зчленований з входом фотодетектора 4, вихід якого сполучений з входом формувача 5 сигналу тривоги, виконаного у вигляді розділового конденсатора 6, компаратора 7, формувача 9 тривалості імпульсів і індикаторного елементу 13, формувач 5 сигналу тривоги забезпечений інтегратором 10, селектором 8 тривалості сигналу, логічним елементом АБО 12 і другим компаратором 11, а також тим, що формувач 3 світлові потоки виконаний у вигляді трубки певної довжини з оптично непрозорого матеріалу.
ОПИС ВИНАХОДУ
Пропонований винахід відноситься до сигнальних пристроїв на основі волоконної оптики і може бути використано в системах захисту периметра територій і приміщень від несанкціонованого доступу.
Відома запобіжна система огорожі що містить ряд натягнутих проволікав, когерентне джерело світла, оптичне волокно як чутливий елемент і крайовий пристрій з фотодетектором і формувачем сигналу тривоги. При механічній дії на огорожу оптичне волокно деформується за допомогою спеціальних пристосувань, при цьому інтенсивність когерентного світла, що проходить по волокну, ослабляється, що реєструється крайовим пристроєм як сигнал тривоги.
Недоліками описаної системи є складність практичної реалізації і обмеженість області застосування, обумовлена тим, що виконання системи у вигляді пристрою з натягнутих проволікав, що створює фізичний бар'єр, не дозволяє використовувати її в умовах, де території, що охороняються, оточені традиційними елементами огорожі (колючий дріт, сітка і т.п. ).
Ці недоліки частково усунені у волоконно-оптичній системі сигналізації із закопаним в грунт оптичним волокном як чутливий елемент . Дане технічне рішення є найбільш| близьким до заявленого.
Вказана волоконно-оптична система сигналізації містить когерентне джерело світла, відрізок багатомодового оптичного волокна, формувач світлового потоку у вигляді пластини з отвором, фотодетектор і формувач сигналу тривоги, виконаний у вигляді розділового конденсатора, компаратора, формувача тривалості імпульсів і індикаторного елементу.
Недоліками даної системи є обмеженість області застосування і недостатня надійність роботи, обумовлені наступними причинами. Одним з важливих параметрів засобів охоронної сигналізації є несприйнятність до дій навколишнього середовища. У схемі формувача сигналу тривоги відомого рішення відсутня селекція тривалості вхідного сигналу, що, враховуючи високу чутливість датчиків на ефекті міжмодової інтерференції, може привести до спрацьовування системи сигналізації при випадковій короткочасній одиночній дії. Вказаний недолік не дозволяє встановлювати систему на елементи огорожі території і відкриті конструктивні блоки будівель і споруд, схильні до дії навколишнього середовища. Недостатня надійність роботи системи обумовлена також тим, що в схемі формувача сигналу тривоги відсутній ланцюг контролю наявності постійної оптичної потужності. Таким чином, в реальних умовах плавне падіння оптичної потужності у разі деградації когерентного джерела світла або оптичного волокна приводить до відмови системи сигналізації без подачі сигналу сповіщення.
Іншим недоліком відомої системи є ж складність її практичної реалізації, обумовлена застосуванням формувача світлового потоку у вигляді пластини з отвором діафрагми, складної у виготовленні і установці.
Завданням винаходу є розширення області застосування системи, підвищення надійності її роботи і спрощення практичної реалізації.
ЗАВДАННЯ РОЗВ'ЯЗУЄТЬСЯ ТАКИМ ЧИНОМ
Пропонується волоконно-оптична система охоронної сигналізації, що містить когерентне джерело світла, вихід якого через відрізок багатомодового оптичного волокна і формувача світлового потоку зчленований з входом фотодетектора, вихід фотодетектора сполучений з входом формувача сигналу тривоги, виконаного у вигляді розділового конденсатора, компаратора, формувача тривалості імпульсів і індикаторного елементу, перше обкладання розділового конденсатора при цьому є власне входом формувача сигналу тривоги, а друге обкладання сполучене з першим входом компаратора, на другому вході якого встановлений опорний рівень.
Новим в пропонованій системі є те, що формувач сигналу тривоги забезпечений інтегратором, селектором тривалості сигналу, логічним елементом АБО і другим компаратором, перший вхід якого через інтегратор сполучений з першим обкладанням розділового конденсатора, на другому вході другого компаратора встановлений опорний рівень, а вихід сполучений з першим входом логічного елементу АБО, другий вхід логічного елементу АБО сполучений через формувач тривалості імпульсів з виходом селектора тривалості сигналу, вхід якого сполучений з виходом компаратора, вихід логічного елементу АБО сполучений з входом індикаторного елементу. Новим в пропонованому пристрої є також те, що формувач світлового потоку виконаний у вигляді трубки певної довжини з оптично непрозорого матеріалу, яка розташована між відрізком багатомодового оптичного волокна і фотодетектором з можливістю забезпечення необхідної контрастності стіклової| картини світлового потоку з торця оптичного волокна на світлочутливій поверхні фотодетектора.
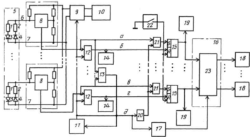
Рисунок 31- приведена функціональна схема пропонованої системи
Рисунок 32-приведені епюри вхідних і вихідних сигналів поблочно
Відповідно до винаходу, що заявляється, волоконно-оптична система охоронної сигналізації (Фіг. 1) містить когерентне джерело світла 1, вихід якого через відрізок багатомодового оптичного волокна 2 і формувач світлового потоку 3 зчленований з входом фотодетектора 4. Вихід фотодетектора 4 сполучений з входом формувача сигналу тривоги 5. Формувач сигналу тривоги 5 забезпечений розділовим конденсатором 6, першим компаратором 7, селектором тривалості сигналу 8, формувачем тривалості імпульсів 9, інтегратором 10, другим компаратором 11, логічним елементом АБО 12 і індикаторним елементом 13. Перший вхід другого компаратора 11 через інтегратор 10 сполучений з першим обкладанням розділового конденсатора 6. На другому вході другого компаратора 11 встановлений опорний рівень Uоп2, а вихід сполучений з першим входом логічного елементу АБО 12. Другий вхід логічного елементу АБО 12 сполучений через формувач тривалості імпульсів 9 з виходом селектора тривалості сигналу 8, вхід якого сполучений з виходом першого компаратора 7, перший вхід якого сполучений з другим обкладанням розділового конденсатора 6, а на другий вхід подається опорна напруга цього компаратора. Вихід логічного елементу АБО 12 сполучений з входом індикаторного елементу 13.
ПРОПОНОВАНА СИСТЕМА ПРАЦЮЄ ТАКИМ ЧИНОМ
Випромінювання когерентного джерела світла 1 (Фіг. 1) вводиться у відрізок багатомодового оптичного волокна 2 і через формувач світлового потоку 3 поступає на вхід фотодетектора 4. В результаті міжмодової інтерференції в оптичному волокні на світлочутливій поверхні фотодетектора 4 формується дискретна картина з яскравих і темних плям (спеклов|), яка носить статичний характер за відсутності механічних дій і змінюється під впливом ударів, вібрації або деформації оптичного волокна. Формувач світлового потоку 3 забезпечує необхідну контрастність спеклової| картини для підвищення чутливості системи.
Сигнал з виходу фотодетектора 4 (позиція а на Фіг. 2) поступає на вхід формувача сигналу тривоги 5. Залежно від інтенсивності і тривалості механічної дії на оптичне волокно модулюється фотострум, рівень якого відповідає величині оптичної потужності на вході фотодетектора 4. Далі у формувачі сигналу тривоги 5 відбувається двоконтурне перетворення вхідного сигналу по змінній і постійній складовим. Змінна складова виділяється розділовим конденсатором 6 і поступає на перший вхід першого компаратора 7, на другому вході якого встановлений опорний рівень Uоп1. Імпульси з виходу першого компаратора 7 (позиція б на Фіг. 2) поступають на вхід селектора тривалості сигналу 8, який має час селекції с. У разі, коли c1, селектор блокує контур.















