62890 (695190), страница 2
Текст из файла (страница 2)
|
1 2 3
Амплитудно-фазовый, спектральный -
качестве прие-мо-передающих антенн используются две одинаковые антенны.
Амплитудно-фазовый, геометрический, временной, поляризационный -
Амплитудный, голо-графический. В качестве приемной используется многоэлементная антенна. |
Обозначения: - антенна преобразователя;
- нагрузка.
1 – СВЧ-генератор; 2 – объект контроля; 3 – СВЧ-приемник; 4 – линза для создания (квази) плоского фронта волны; 5 – линза для формирования радио-изображения; 6 – опорное (эталонное) плечо мостовых схем.
Примечание: допускается применение комбинаций схем расположения антенн преобразователя по отношению к объекту контроля.
Растровая электронная микроскопия (РЭМ). Сфокусированный пучок электронов 1 (рис. 2) диаметром 2-10 нм с помощью отклоняющей системы 2 перемещается по поверхности образца, (либо диэлектрической пленки З1, либо полупроводника З-11.) Синхронно с этим пучком электронный пучок перемещается по экрану электронно-лучевой трубки. Интенсивность электронного луча моделируется сигналом, поступающим с образца. Строчная и кадровая развертка пучка электронов позволяют наблюдать на экране ЭЛТ определенную площадь исследуемого образца. В качестве модулирующего сигнала можно использовать вторичные и отражательные электроны.
Рисунок 1 – Классификация радиационных методов
Рисунок 2 – Режимы работы растровой электронной микроскопии
а) контраст в прошедших электронах; б) контраст во вторичных и отраженных электронах; в) контраст в наведенном токе (З11 - условно вынесен за пределы прибора). 1 – сфокусированный луч; 2 – отклоняющая система; 3 – объект исследования - диэлектрическая пленка; 4 - детектор вторичных и отраженных электронов; 5 -усилитель; 6 - генератор развертки; 7 - ЭЛТ; 8 - сетка детектора; 9 -отраженные электроны; 10 - вторичные электроны.
Просвечивающая электронная микроскопия (ПЭМ) основана на поглощении, дифракции электронов взаимодействия с атомами вещества. При этом прошедший через пленку сигнал снимается с сопротивления, включаемого последовательно с образцом З1. Для получения изображения на экране используются мощные линзы, располагаемые за образцом. Стороны образца должны быть плоскопараллельными, чистыми. Толщина образца должна быть много меньше длины свободного пробега электронов и должна составлять 10.. 100 нм.
ПЭМ позволяет определить: формы и размеры дислокаций, толщину образцов и профиль пленок. В настоящее время существуют ПЭ микроскопы до 3 МэВ.
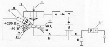
Сканирующая электронная микроскопия (СЭМ).
Изображение формируется как за счет вторичных электронов, так и за счет отраженных электронов (рис. 2). Вторичные электроны позволяют определить химический состав образца, а отраженные – морфологию его поверхности. При подаче отрицательного потенциала - 50 В происходит запирание малоэнергетичных вторичных электронов и изображение на экране становится контрастным, поскольку грани, расположенные под отрицательным углом к детектору, не просматриваются вообще. Если на сетку детектора подать положительный потенциал (+250 В), то вторичные электроны собираются с поверхности всего образца, что смягчает контрастность изображения. Метод позволяет получить информацию о:
- топологии исследуемой поверхности;
- геометрическом рельефе;
- структуре исследуемой поверхности;
- коэффициенте вторичной эмиссии;
- об изменении проводимости;
- о местоположении и высоте потенциальных барьеров;
- о распределении потенциала по поверхности и в поверхности (за счет заряда по поверхности при облучении электронами) при попадании сканирующего луча на поверхность полупроводниковых приборов в ней наводятся токи и напряжения, которые изменяют траектории вторичных электронов. Элементы ИМС с положительным потенциалом по сравнению с участками, имеющими более низкий потенциал, выглядят темными. Это обуславливается наличием замедляющих по лей над участками образца с положительным потенциалом, которые приводят к уменьшению сигнала вторичных электронов. Потенциально-контрастные измерения дают только качественные результаты из-за того, что замедляющие поля зависят не только от геометрии и напряжения пятна, но и от распределения напряжения по всей поверхности образца;
- большого разброса скоростей вторичных электронов;
- потенциальный контраст накладывается на топографический и на кон траст, связанный с неоднородностью состава материала образца.
Режим наведенного (индуцированного электронно-лучевого тока).
Электронный луч с большой энергией фокусируется на маленькой площади микросхемы и проникает через несколько слоев ее структуры, в результате в полупроводнике генерируются электронно-дырочные пары. Схема включения образца представлена на (рис.2, в). При соответствующих внешних напряжениях, приложенных к ИМС, измеряются токи обусловленные вновь рожденными носителями заряда. Этот метод позволяет:
- определить периметр р-n перехода. Форма периметра оказывает влияние на пробивные напряжения и токи утечки. Первичный электронный луч (2) (рис. 3 и 4) движется по поверхности образца (1) в направлениях х, и в зависимости от направления перемещения меняется значение индуцированного тока в р-n переходе. По фотографиям р-n перехода можно определить искажения периметра р-n перехода (рис.5).
- определить места локального пробоя р-n перехода. При образовании локального пробоя р-n перехода в месте пробоя образуется лавинное умножение носителей тока (рис.6) Если первичный пучок электронов (1) попадает в эту область (3), то генерированные первичными электронами электронно-дырочные пары также умножаются в р-n переходе, в результате чего в данной точке будет зафиксировано увеличение сигнала и соответственно появление светлого пятна на изображении. Изменяя обратное смещение на р-n переходе, можно выявить момент образования пробоя, а проведя выявление структурных дефектов например с помощью селективного травления или с ПЭМ, можно сопоставить область пробоя с тем или иным дефектом.
Рисунок 3 – Схема прохождения электронного луча
Рисунок 4 – Изображение торцевого р-п-перехода с целью
определения его периметра
1 – торцевой р-n переход; 2 – электронный луч;
3 – область генерации электронно-дырочных пар.
Рисунок 4 – Изображение планарного р-п-перехода с целью
определения его периметра
1 - планарный р-n переход; 2 - электронный луч;
3 - область генерации электронно-дырочных пар.
Рисунок 5 – Искажения периметра планарного p-n-перехода сверху
- наблюдать дефекты. Если в области р-n перехода находится дефект (4) (рис. 6), то при попадании первичного пучка электронов в область дефекта некоторая часть генерированных пар рекомбинирует на дефекте, и соответственно до границы р-n перехода дойдет меньшее число носителей, что уменьшит ток во внешней цепи. На фотографии р-n перехода эта область будет выглядеть более темной, чем остальной фон. Изменяя соотношение между глубиной залегания р-n перехода и проникновением первичных электронов можно зондировать электрическую активность дефектов, располагающихся на разной глубине. Наблюдение дефектов можно проводить при обратных и прямых смещениях р-n перехода.
Электронная оже-спектроскопия (ЭОС).
Она состоит в получении и анализе спектра электронов, испускаемых атомами поверхностей при воздействии на него электронным лучом. Такие спектры несут информацию:
- о химическом (элементном) составе и состоянии атомов поверхностных слоев;
- о кристаллической структуре вещества;
- о распределении примесей по поверхности и диффузионных слоях; Установка для оже-спектроскопии состоит из электронной пушки, энергоанализатора оже-электронов регистрирующей аппаратуры и вакуумной системы.
Рисунок 6 – Изображение планарного p-n-перехода с целью определения пробоя и выявления дефекта.
1 – эелектронный луч; 2 – планарный р-п-переход; 3 – металлическая примесь; 4 – дефект.
Электронная пушка обеспечивает фокусировку электрического пучка на образце и его сканирование. Диаметр пучка в установках с локальным оже-анализом составляет 0,07... 1 мкм. Энергия первичных электронов изменяется пределах 0,5... 30 кэВ. В установках оже-спектроскопии обычно в качестве энергоанализатора употребляется анализатор типа цилиндрического зеркала.
Регистрирующее устройство с помощью двухкоординатного самописца фиксирует зависимость
, где: N – число электронов, попадающих на коллектор;
Ек – кинетическая энергия оже-электронов.
Вакуумная система установки ЭОС должна обеспечивать давление не более 107 – 108Па. При худшем вакууме остаточные газы взаимодействуют с поверхностью образца и искажают анализ.
Из отечественных установок ЭОС следует отметить растровый оже-спекто-рометр 09 ИОС - 10 - 005 Оже-локальностью в растровом режиме 10 мкм.
На (рис. 7) показан оже-спектр загрязненной поверхности GaAs из которого видно, что наряду с основными спектрами GaAs, в пленке присутствуют примесные атомы S, О и С. Регистрируя значения энергий оже-электронов, эмитируемыми атомами при их возбуждении и сравнивая эти значения с табулированными, определяют химическую природу атомов, из которых эти электроны были эмитированы.
Рисунок 7 – Оже-спектр загрязненной поверхности GaAs
Примечание: метод получил свое название по имени французского физика Пьера Оже, который в 1925 г. открыл эффект испускания электронов атомами вещества в результате возбуждения их внутреннего уровня рентгеновскими квантами. Эти электроны получили название оже-электронов.
Эмиссионная электронная микроскопия (ЭЭМ).
При специальных условиях поверхность образца может испускать электроны, т.е. являться катодом: при приложении сильного электрического поля к поверхности (автоэлектронная эмиссия) или под действием бомбардировки поверхности частицами.
В эмиссионном микроскопе показанном на рис. 8, поверхность образца является электродом системы, образующей с анодом электронную линзу.
Применение ЭЭМ возможно для материалов, которые имеют малую работу выхода. Исследуемое изделие является как бы составной частью электронно-оптической системы ЭЭМ, и в этом его принципиальное отличие от РЭМ.















