62669 (695133), страница 2
Текст из файла (страница 2)
Рис.3
Активные фильтры
Принцип действия фильтров RC. Устройства фильтрации, в которых используются контуры LC, по принципу действия являются пассивными, т.е. предполагается, что для их функционирования не требуется усилительных активных элементов. Усиление производится отфильтрованного сигнала в другом блоке.
Развитие активных элементов и микросхем позволило использовать их как составную часть устройств фильтрации. Такие микросхемы получили название операционных усилителей (ОУ).
Основные особенности ОУ: высокий коэффициент усиления, минимальное смещение нуля и температурный дрейф; небольшая потребляемая мощность; небольшая стоимость. Например операционный усилитель К140УД7 имеет коэффициент усиления 50 000, входной ток менее 200 мкА, ЭДС смещения нуля менее 4 мВ, максимальное входное напряжение 11 В, ток потребление менее 2,8 мА, входное сопротивление более 0,4 МОм, частота среза 0,8 МГц, сопротивление нагрузки 1 кОм. Наиболее широко применяются полосовые активные фильтры, в схему которых включены резисторы и конденсаторы (активные RC-фильтры).
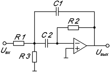
Если в схемах с ОУ характеристики обратной связи изменяются с частотой, то могут быть получены устройства, коэффициент передачи которых изменяется с частотой.
Рис.4
Таким образом, ОУ, охваченный цепью обратной связи, выполняет функции, аналогичные функциям колебательного контура.
Простейшая схема полосового фильтра с такой обратной связью при использовании одного ОУ дана на рис.4. Частота квазирезонанса
. (5)
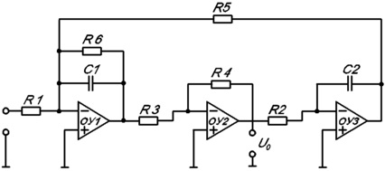
Полосовые активные RC-фильтры на трех ОУ. Работа фильтра с тремя ОУ несколько отличается от работы фильтра с одним ОУ. Можно показать, что часть схемы (рис.5), включающих в свой состав два ОУ (ОУ2 и ОУ3), создает эффект взаимодействия тока и напряжения, эквивалентный индуктивности (гиратор). Индуктивность гиратора определяется по формуле
. (6)
При этом в цепь обратной связи включен контур, состоящий из элементов: катушки индуктивности L1, резистора R5 и конденсатора С2. Чем больше сопротивление резистора R5, тем больше добротность эквивалентного контура, тем уже полоса пропускания. Активные RC-фильтры обычно проектируются на заводах изготовителях РЭА.
Рис.5
ЛИТЕРАТУРА
-
Рычина Т.А., Зеленский А.В. Устройства функциональной электроники и электрорадиоэлементы: Учебник для вузов. - М: Радио и связь. -2005.
-
Ефимов И.Е., Козырь И.Я., Горбунов Ю.И. Микроэлектроника. -М.: Высшая школа. - 2007.
-
Свитенко В.И. Электрорадиоэлементы. - М: Высшая школа. -2007.















