62314 (694976), страница 3
Текст из файла (страница 3)
— электромагнитные;
— электростатические;
— пьезоэлектрические;
— магнитострикционные;
— контактные и т.д.
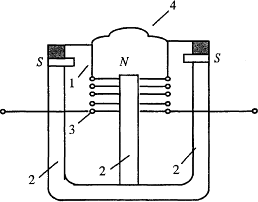
Действие электродинамического преобразователя основано на использовании явления электромагнитной индукции В кольцевом зазоре 1 магнитной системы, имеющей постоянный магнит 2, находится подвижная катушка 3, соединенная с диафрагмой 4. При воздействии на диафрагму 4 звукового давления, она вместе с подвижной катушкой 3 совершает колебания в магнитном поле, создаваемом магнитной системой 2. В витках катушки 3, пересекающих магнитные силовые линии, возникает напряжение, являющееся выходным сигналом микрофона.
Структурная схема для иллюстрации прямого канала и канала с применением микрофона для перехвата акустической информации выглядит следующим образом: причины, приводящие к применению прямого канала утечки информации:
-
Отсутствие или недостатки режима безопасности;
-
Неадекватный обстановке подбор по функциональным возможностям технических средств защиты.
-
Некачественное обслуживание технических средств и систем защиты, отказ в работе.
-
Недостатки в работе с персоналом объекта.
-
Высокопрофессиональные действия «нарушителя».
ВОЗДУШНАЯ СРЕДА
Микрофон
Проводной канал
Радиоканал
Оптический и др.каналы
Усилитель
Наушники
Магнитофон
ЛИТЕРАТУРА
-
Барсуков, В.С. Современные технологии безопасности / В.С. Барсуков, В.В. Водолазский. – М.: Нолидж, 2000. – 496 с., ил.
-
Зегжда, Д.П. Основы безопасности информационных систем / Д.П. Зегжда, А.М. Ивашко. - М.: Горячая линия –Телеком, 2000. - 452 с., ил
-
Компьютерная преступность и информационная безопасность / А.П.Леонов [и др.]; под общ. Ред. А.П.Леонова. – Минск: АРИЛ, 2000. – 552 с.















