62304 (694970), страница 2
Текст из файла (страница 2)
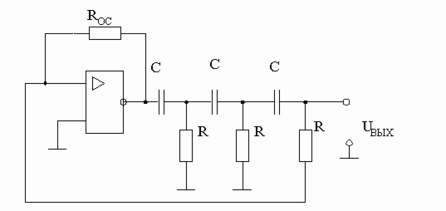
Рис. 4.2 - Схема генератора с фазосдвигающей цепью
Фазовый сдвиг, вносимый ОС на частоте ω0 равен 180о, а результирующий фазовый сдвиг, вносимый инвертирующим усилителем вместе с ОС равен 360о. Таким образом несмотря на то, что выход RС- цепи подключен к инвертирующему входу ОУ, ОС через RС- цепь - положительная.
Рис. 4.3 - ФЧХ генератора
Условие баланса амплитуд:
|КИ |b(ω0 )=1, КИ = -RОС /R.
|КИ |=1/ b(ω0)=30, RОС =30R.
При этом генератор будет генерировать колебания с частотой ω0, которая зависит от параметров RС- цепи:
При расчете генератора обычно ω0 известно, С задают, рассчитывают R и по нему находят RОС.
Недостатком этой схемы является то, что искажения сигнала в этой схеме больше по сравнению с другими схемами.
Вывод
Использование кварцевых резонаторов позволяет значительно снизить относительное изменение частоты генераторов. Однако, у кварцевых генераторов затруднено оперативное изменение частоты выходного сигнала.
В отличие от аналоговых, цифровые генераторы обладают высокой стабильностью, надежностью, возможностью изменения частоты генерируемого сигнала в широких пределах и универсальностью.
Бурное развитие цифровой электронной техники позволяет во все большем числе случаев формирования аналоговых сигналов использовать цифровые методы. Так как цифровые генераторы аналоговых сигналов обладают рядом достоинств:
- универсальность, поскольку они позволяют генерировать аналоговый сигнал с произвольной, заданной пользователем, формой;
- отсутствие ограничения по минимальной частоте;
- высокая стабильность параметров выходного сигнала и другие.
Цифровые генераторы обладают универсальностью, точностью и удобством настройки. Поэтому они получают всё большее распространение как узлы электронной аппаратуры, тат и как самостоятельные устройства применяемые при измерениях и налаживании систем, работающих со сложными сигналами.
Аналоговые генераторы используются в тех случаях, когда нет высоких требований к параметрам генератора, или важна простота и минимальная стоимость узла.
Список использованной литературы
1. Белецкий А.Ф. Теория линейных электрических цепей. – М.: Радио и связь, 1986.
2. Бакалов В.П. и др. Теория электрических цепей. – М.: Радио и связь, 1998.
3. Качанов Н.С. и др. Линейные радиотехнические устройства. – М.: Воен. издат., 1974.
4. Попов В.П. Основы теории цепей – М.: Высшая школа, 2000.
5. Иванов И.И., Лукин А.Ф., Соловьев Г.И. Электротехника. Основные положения, примеры и задачи. 2-е изд., исправленное. - СПб.: Издательство «Лань», 2002.
6. Иванов И.И., Равдоник В.С. Электротехника: Учебник для вузов. - М.: Высшая школа, 1984.
















