62176 (694875), страница 4
Текст из файла (страница 4)
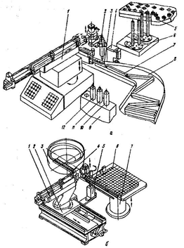
Рис. 2.28. Компоновка РТК: а – для сборки клапанов; б – для укладки заготовок постоянных магнитов в кассеты
Список литературы
-
Роботизированные технологические комплексы/ Г.И. Костюк, О.О. Баранов, И.Г. Левченко, В.А. Фадеев – Учеб. Пособие. – Харьков. Нац. аэрокосмический университет «ХАИ», 2003. – 214с.
-
Н.П. Меткин, М.С. Лапин, С.А. Клейменов, В.М.Критський. Гибкие производственные системы. – М.: Издательство стандартов, 1989. – 309с.
-
Гибкие производственные комплексы /под.ред. П.Н.Белянина. – М.: Машиностроение, 1984. – 384с.
-
Гибкое автоматическое производство/под.ред. С.А.Майорова. – М.: Машиностроение, 1985. – 456с.
-
Иванов А.А. ГПС в приборостроении. – М.: Машиностроение,1988. – 282с.
-
Управление работотехническими системами и гибкими автоматизированными производствами /под.ред. Н.М.Макарова, – М.: Радио и связь, 1981, ч.3 – 156с.
-
Широков А.Г. Склады в ГПС. – М.: Машиностроение, 1988. – 216с.
















