148273 (692268), страница 2
Текст из файла (страница 2)
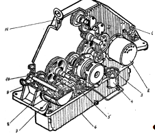
6 — блок радиаторов гидросистемы;
7 — вентилятор блока охлаждения гидросистемы;
8 — топливный бак;
9 — карданный вал привода механизма раздаточной коробки;
10 — муфта сцепления;
11 — фильтр топливный;
12 — выхлопные трубы;
13 — глушитель;
14 — блок масляных радиаторов;
15 — панель управления;
16 — блок водяных радиаторов;
17 — бензонасос.
В состав силовой установки входят: двигатель ЗИЛ-375 со сцеплением, раздаточная коробка, система охлаждения генератора, вентилятор охлаждения блока радиаторов гидросистемы, система управления и контроля силовой установки.
Двигатель ЗИЛ-375 предназначен для привода раздаточной коробки. Он установлен в силовом отсеке кузова и соединяется с раздаточной коробкой с помощью карданного вала. Двигатель V-образный, четырехтактный, карбюраторный с жидкостным охлаждением, мощностью 133 кВт (180 л.с.) при 3200 об/мин. Двигатель оборудован автономной системой питания, а также системам смазки и подогрева.
Раздаточная коробка (рис. 3) предназначена дня передачи крутящего момента от двигателя к трем насосам НП-5Щ, маслонасосу МШ-ЗА, генератору ГСР-СТ-12ОО0ВТ и осевому вентилятору. Раздаточная коробка представляет собой редуктор с цилиндрическими прямозубыми шестернями внешнего зацепления, установленными в разъемном корпусе, состоящем из верхней части и поддона.
Привод насоса НП-52М осуществляется включением электромагнитной муфты, которая представляет собой многодисковую муфту сухого трения с неподвижной электромагнитной катушкой.
Система охлаждения генератора предназначена для принудительного отвода тепла от коллектора при помощи двух центробежных вентиляторов ДР-1 КМ. Осевой двенадцатилопастной вентилятор охлаждения блока радиаторов гидросистемы приводится в движение с помощью карданного вала. Система управления и контроля предназначена для дистанционного управления и контроля работы силовой установки. Система состоит из датчиков и указателей, размещенных на панели управления.
Гидравлическая система установки УПГ-300 предназначена для разъемной проверки и отработки гидросистем самолетов, проверки их на герметичность и опрессовки, а также заправки гидросистем рабочей жидкостью. В состав гидравлической системы УПТ-300 входят (рис. 4): три основные (обслуживающие) системы, система опрессовки и система кольцевания.
Рис. 3 Раздаточная коробка
1 - редукционный клапан; 2 - электромагнитная муфта; 3 - фильтр; 4 - фильтроэлемент; 5 - маслонасос; 6 - поддон; 7 - ведущие и ведомые диски; 8 - электромагнитная муфта; 9 - ведущий вял; 10 - вёдомый вал; 11 - корпус раздаточной коробки.
Для проверки и отработки гидросистем ВД гидросистема УПГ-30С подсоединяется к ВС рукавами нагнетания I и рукавами всасывания 45 при помощи наконечников.
Рабочая жидкость из ВС через наконечник и рукав 45 вступает к подкачивающему насосу 46, от которого при работе о охлаждением поступает в радиатор 13, где охлаждается и далее через фильтр II подается на вход в гидронасос Н8-52М. Включение радиатора производится краном 12. При работе без охлаждения рабочая жидкость от подкачивающего насоса 46 через фильтр II подается на вход насоса 7,минуя радиатор 13, Давление жидкости на входе в насос 7 измеряется манометром 10, температура жидкости контролируется термометром 47. Насос 7 подает рабочую жидкость в ВС через обратный клапан 6, фильтр предварительной очистки 5, фильтр тонкой очистки 3 и рукав I с наконечником. Давление жидкости, подаваемой в ВС, регулируется предохранительным клапаном 48. Подача жидкости насосом 7 регулируется механизмом 8, давление нулевой подачи - механизмом 9. Давление напора жидкости измеряется манометром 2. Сигнализатором 4 измеряется перепад давления и степень загрязненности фильтра тонкой очистки 3. Если перепад давления в фильтре превышает 0,5 МПа и возникает опасность перепуска жидкости через предохранительный клапан фильтра в обход фильтроэлемента, сигнализатор 4 подает световой сигнал на панель управления. Температурное реле 44 блокирует работу сигнализатора 4 при температурах жидкости ниже 0°С. Жидкость из корпуса насоса 7 сливается через фильтр 17 во всасывающую магистраль.
Рис. 4. Принципиальная схема гидравлической системы УПГ-300
Дозаправка гидросистем ВС рабочей жидкостью осуществляется путем наддува основной части бака 19 азотом с давлением до 0,35 МПа. При этом рабочая жидкость поступает в ВС через, "всасывающую магистраль ручного насоса 41, обратный клапан 39, фильтр 38,вентиль 40, обратный клапан 43 и рукав 45. Предохранительный клапан 18 предупреждает чрезмерное повышение давления в баке 19.Объем жидкости в баке измеряется по уровнемеру 20.
Система опрессовки гидросистемы УПГ-300 обеспечивает проверку герметичности и прочности самолетной гидросистемы. Опрессовка осуществляется ручным насосом 41. Рабочая жидкость всасывается из основной части бака 19 и подается в опрессовочный рукав 32 через обратный клапан 42, фильтр 38, обратный клапан 36,малую полость гидротрансформатора 35 и обратный клапан 33. Давление опрессовки измеряется манометром 31. После окончания опрессовки давление сбрасывается открытием вентиля 34.
Опрессовка давлением до 60,0 МПа осуществляется через гидротрансформатор 35. Сначала производится зарядка гидротрансформатора при помощи крана 37 и насоса 41,а затем опрессовка. При этом из малой полости гидротрансформатора в рукав 32 поступает рабочая жидкость под давлением, которое больше давления, создаваемого ручным насосом (пропорционально соотношению площадей большой и малой полостей гидротрансформатора).
Система кольцевания и заправки предназначена для испытания и отработки основных гидросистем УПГ,. разогрева рабочей жидкости, удаления воздуха из системы и заправки гидробака УПГ. Кольцевание гидросистемы осуществляется подсоединением рукава нагнетания к бортовому штуцеру 23 и рукава всасывания 45 к бортовому штуцеру 24. При этом основная часть бака 19 наддувается азотом. Гидравлическая нагрузка создается электродросселем 22Лри необходимости кольцевания жидкости через бак 19 (например, для нагрева жидкости в баке) трехходовой трехпозиционный кран 21 переключается. Давление напора и всасывания при кольцевании измеряются манометрами 2 и 10.
Воздух из рабочей жидкости может быть удален в- дренажную часть бака 19 через кран 14-и указатель струи 15. При прохождении жидкости через указатель струи визуально определяется содержание в ней газов. Степень заполнения дренажной части бака определяется по указателю уровня. Жидкость из дренажной части бака удаляется давлением азота через обратные клапаны 43 во всасывающее магистрали основных систем или через предохранительный клапан 27, обратный клапан 26 и вентиль 25 в основную часть бака.
Закрытая заправка основной части бака 19 из внешней емкости осуществляется насосом 30. Жидкость всасывается через приемный клапан 29, рукав 28 и нагнетается е бак через обратный клапан 26 и вентиль 25. Краны 16 служат для слива рабочей жидкости из радиатора 13.
Характеристики основных элементов гидросистемы
Насос типа НП-52М аксиальный, роторчо-поршневой с автоматическим и ручным регулированием подачи и давления, предназначен для. нагнетания рабочей жидкости под давлением в гидравлические системы ВС и установки УПГ. Насос (рис.5) состоит из корпуса, приводного вала, опорного вала с подшипниками, блока цилиндров с поршнями, карданного вала, золотника,- люльки, регулятора давления, регулятора подачи.
Частота вращения насоса 2500 об/мин
Подача при давлении нагнетания до 26,0 МПа 20-100 л/мин Минимальное Давление на входе в насос 0,175 МПа
Подкачивающий насос типа ЭЦН-11 - электроприводной центробежный предназначен для поддавливания рабочей жидкости на входе в насос НП-52М. Агрегат состоит из насосной части и электродвигателя, смонтированных в одно целое на едином валу.
Подача 250-420 л/мин
Перепад давления 0,065-0,175 МПа
Частота вращения 6000-8500 об/мин
Потребляемый ток постоянный, 27В, 85А
Масса 13,6 кг
Заправочный насос типа ЭЦН-105 служит дли заправки гидробака. Представляет собой агрегат центробежного действия, магистрального исполнения, в котором насос и электродвигатель смонтированы в один блок.
Рис. 5 Насос НП-52М:
1 - корпус; 2 - люлька; 3,7 - пружины; 4 - цилиндр; 5 - блок цилиндров; 6 -автоматический регулятор нулевой подачи; 8 - коллектор; 9 - втулка; 10 - всасывающий штуцер; 11 – распределитель.
Подача 25 л/мин.
Перепад давления >0,2 МПа
Потребляемый ток постоянный, 27 В, ≤14,5 А
Схема работы насоса изображена на рис. 7.
Рис. 7 Схема работы насосаЗШ-105:
1 - уплотнительное кольцо; 2 - манжета; 3 - уплотнительное кольцо; 4 - опорный конус; 5 - колпак; 6 - электродвигатель; 7 - корпус; 8 - дренажный штуцер; 9 - горловина; 10 - крыльчатка второй ступени; 11 - направляющий аппарат; 12 - крышка; 13 - крыльчатка первой ступени.
Предохранительный клапан предназначен для поддержания в гидравлической системе заданного давления рабочей жидкости с помощью перепуска избыточного количества жидкости в магистраль всасывания. Требуемое давление устанавливается вращением регулировочного валика.
Давление открытия клапана от 2,0 до 30,0 МПа
Давление закрытия клапана не менее 1,5 МПа
Угол поворота вала управления не более 360°
Предохранительный клапан представляет собой механизм с серводействием и состоит из двух основных узлов: чувствительного элемента и сервоклапана. Конструкция клапана изображена на рис.8.
Рис. 8. Предохранительный клапан:
1 - пружина; 2 - фильтр; 3 - клапан; 4 - корпус; 5 - втулка; 6 - уплотнительное кольцо; 7 - фланец; 8 - винт; 9 - регулировочный валик; 10 - опора; 11 - пружина; 12 - упор; 13 - направляющая гильза; 14 - шарик; 15 - седло; 16 - гильза; А -полость линии нагнетания; Б -полость линии слива.
Фильтр тонкой очистки (рис. 9) - отстойного типа с пакетом фильтрующих дисков. Фильтрующим материалом является прокатанная металлокерамическая лента с тонкостью фильтрации 5-8 мкм. Фильтр имеет перепускной и отсечной клапаны, предупреждающие слив жидкости при снятии фильтропакета.
Рис. 9. Гидравлический фильтр:
1 - головка; 2,4,5,6-уплотнительные кольца; 3 - отсечной и перепускной клапаны; 7 - стакан; 8 - фильтроэлемент.
Фильтры грубой очистки (рис.10) отстойного типа без перепускного клапана с цилиндрическим гофрированным фильтроэлементом из никелевой сетки саржевого плетения с тонкостью фильтрации 12-16 мкм.
Рис. 10. Гидравлический фильтр:
1 - штуцер; 2 - фильтроэлемент; 3,8 - полости; 4,5 - уплотнительные кольца; 6 -головка; 7 - стакан.
Гидравлический бак (рис.11) цилиндрической формы, разделен поперечной перегородкой на две части - основную и дренажную. Основная часть бака емкостью 90 и снабжена воздушным клапаном, предохраняющим бак от перегрузок при наддуве.
Рис.11. Гидробак:
1-дренажный бак; 2-шкала; 3-,-обечайка; 4-штуцер: 5-заливная горловина; 6-перегородка; 7-шкала; 8-цнише; 9, 12 -угольники; 10-перегородка; 11-крестовина; 14-предохранительный клапан
Гидротрансформатор предназначен для повышения давления на выходе из системы ручного насоса до 60,0 МПа при опрессовки гидросистемы ВС. Представляет собой гидравлический цилиндр со ступенчатым поршнем: диаметр большой ступени - 60, малой - 26 мм. Средняя полость постоянно соединена с магистралью всасывания ручного насоса. Конструкция гидротрансформатора изображена на рис.12.
Рис. 12. Гидротрансформатор:
1-крышка; 2-корпус; 3-поршень; 4,5-уплотнительнне кольца малой ступени; 6-штуцер; 7-тройник; 8,9-уплотнительные кольца большой ступени; 10-угольник; а,б,в-полости.
Дроссель предназначен для дроселирования потока рабочей жидкости в магистрали нагнетания при кольцевании. Дроссель имеет сферический регулирующий клапан поступательного действия, Привод клапана осуществляется от электромеханизма вращательного движения черва винтовую передачу со скользящей шпонкой. Конструкция дросселя показана на рис.13.
Рис. 13. Дроссель
1 - корпус; 2 - втулка; 3 - клапан; 4 - стопорная проволока; 6 - шток; в - стакан; 7 - шпонка; 8 - направляющая; 9 - стопорный винт; 10 - упор; 11 - кронштейн; 12 - прокладка; 13 - шпилька; 14 -шайба; 15, 16 - уплотнительные кольца; I7 - электромеханизм.
Пневматическая система
Пневматическая система УПГ-300 предназначена для наддува гидравлических баков ВС, наддува гидробака УДГ и для зарядки пневматических элементов ВС. Источником пневматической энергии системы являются два баллона типа АЕ350-40, заполненные сжатым азотом.
Зарядка баллонов азотом давлением до 35,0 МПа осуществляется от компрессорной станции через зарядный штуцер 23 с обратным клапанам, запорный вентиль 3, вентили 2 на баллонах. Явление азота контролируется по манометру 4.
При раздаче потребителям азот из баллонов 1 через запорный вентиль 3, расходный вентиль 5, фильтр 6 поступает в редуктор 8, где его давление понижается до 15,0 МПа. Далее азот идет в четыре системы:
- систему зарядки гидроаккумуляторов давлением до 15,0 МПа;















