147877 (692096), страница 2
Текст из файла (страница 2)
Система смазывания двигателя должна обеспечивать бесперебойную подачу масла к трущимся поверхностям с целью снижения потерь мощности на трение, уменьшения износа деталей, защиты их от коррозии, отвода тепла и продукта износа от трущихся деталей. От исправного состояния системы смазывания в значительной степени зависит надежность работы двигателя. В зависимости от условий и режима работы того или иного механизма применяют различные сорта и виды смазок. Применяемые для смазки двигателей масла должны обладать определенной вязкостью, не должны содержать механических примесей, воды, кислот и щелочей. Для автомобильных двигателей применяют комбинированную систему смазывания. В зависимости от размещения и условий работы деталей масло подается или под давлением, или разбрызгиванием, или самотеком. К деталям, испытывающим большую нагрузку, масло подается под давлением, к остальным деталям - разбрызгиванием или самотеком.
2.3 Устройство системы смазки
В систему смазывания входят следующие приборы и агрегаты для хранения, подвода, очистки и охлаждения масла: поддон картера двигателя, маслозаборник, масляный фильтр грубой очистки, масляный фильтр тонкой очистки, масляный насос, маслопровод, масляный радиатор, контрольно-измерительные приборы и датчики.
2.4 Работа системы смазки
Масло из поддона через маслоприемник с сетчатым фильтром поступает в секции масляного насоса.Из нагнетающей секции масло через канал подается в полнопроточный фильтр, а оттуда в главную масляную магистраль. Далее по каналам в блоке и головках цилиндров масло под давлением подается к деталям КШМ и ГРМ, топливному насосу высокого давления (ТНВД) и компрессору. К шатунным подшипникам масло подается по каналу коленчатого вала от ближайшей к ним коренной шейки. Опоры штанг и толкателей газораспределительного механизма омываются пульсирующей струей, а остальные детали смазываются разбрызгиванием масла или самотеком.
Снимаемое со стенок цилиндра маслосъемными кольцами масло отводится через сверления в поршневых канавках в глубь поршня и смазывает опоры поршневого пальца в верхней головке шатуна и бобышках поршня. Из главной смазочной магистрали масло под давлением подается к термосиловому датчику, а при открытом кране включения гидромуфты подается в саму гидромуфту. Из радиаторной секции масляного насоса масло подается к фильтру тонкой очистки и через открытый кран включения масляного радиатора - в сам радиатор. Из радиатора масло подается в поддон картера двигателя. Если кран включения масляного радиатора закрыт, то из центрифуги (фильтр центробежной очистки) масло поступает в поддон через сливной клапан.
Система смазки двигателя комбинированная, с мокрым картером. Масло под давлением подается к коренным и шатунным подшипникам коленчатого вала, к подшипникам распределительного вала, втулкам коромысел, к подшипникам топливного насоса высокого давления и компрессора. Предусмотрена пульсирующая подача масла к верхним сферическим опорам штанг толкателей.
3.Общие характеристики системы смазки
3.1 Схема системы смазки
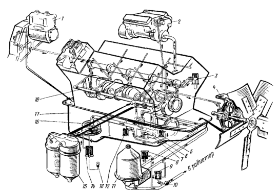
1—компрессор; 2—топливный насос высокого давления; 3—выключатель гидромуфты; 4—гидромуфта; 5, 12—предохранительные клапаны; 6—клапан системы смазки; 7—насос масляный; 8—перепускной клапан центробежного фильтра; 9—сливной клапан центробежного фильтра; 10—кран включения масляного радиатора; 11—центробежный фильтр; 13—лампа сигнализатора засоренности фильтра очистки масла; 14—перепускной клапан полнопоточного фильтра; 15—полнопроточный фильтр очистки масла; 16—маслоприемник; 17—картер; 18—главная магистраль
Из картера 17 масло через маслоприемник входит в нагнетающую и радиаторную секции масляного насоса 7. Из нагнетающей секции через канал в правой стенке блока масла идет в полнопроточный фильтр 15, где оно очищается двумя фильтрующими элементами. Затем масло поступает в главную магистраль 18, откуда по каналам в блоке и головках цилиндра оно подается к коренным подшипникам коленчатого вала, подшипникам распределительного вала, втулкам коромысел и верхним наконечникам штанг толкателей.
К шатунным подшипникам коленчатого вала масло подается по отверстиям внутри вала от коренных шеек. Масло, снимаемое со стенок цилиндра маслосъемным кольцом, отводится в поршень и смазывает опоры поршневого пальца в бобышках и подшипник верхней головки шатуна. Через каналы в задней стенке блока цилиндров и картере маховика масло под давлением поступает к подшипникам компрессора 1, а через каналы в передней стенке блока — к подшипникам топливного насоса высокого давления 2.
Предусмотрен отбор масла из главной магистрали к выключателю 3 гидромуфты, который установлен на переднем торце блока и управляет работой гидромуфты 4 привода вентилятора. Из радиаторной секции масло поступает к центробежному фильтру 11, из него в радиатор и затем сливается в картер. При закрытом кране 10 масло из центробежного фильтра через сливной клапан 9 сливается в картер двигателя, минуя радиатор. Остальные детали и узлы двигателя смазываются разбрызгиванием и масляным туманом.
Масляный насос. Начиная с двигателя, № 611898 устанавливаются, насосы с валиком 8 увеличенного диаметра до 16 мм, ведомая шестерня 6 закреплена на валике гайкой. Ширина зубчатого венца шестерни увеличена до 10,5 мм. В зацеплении шестерни привода масляного насоса при его установке введена регулировка зазора, который должен быть равным 0,15—0,35 мм. На заводе зазор регулируется установкой, при необходимости, стальной прокладки между корпусом насоса и блоком цилиндров закреплен на нижней плоскости блока цилиндров. Нагнетающая секция насоса подает масло в главную магистраль двигателя, радиаторная секция — в центробежный фильтр и радиатор. В корпусах секций 1 и 5 (рис. 12) установлены предохранительные клапаны 11 к 18, отрегулированные на давление открытия 8.5— 9,5 кгс/см2 и предназначенные для ограничения максимального давления на выходе из секций насоса, и клапан 14 системы смазки, срабатывающий при давлении 4,0—4,5 кгс/см2 и предназначенный для ограничения давления в главной магистрали двигателя.
3.2 Схема масляного насоса
1—корпус радиаторной секции;2—ведущая шестерня радиаторной секции; 3—проставка;4— ведущая шестерня нагнетающей секции 5—корпус нагнетающей секции; 6—ведомая шестерня привода насоса;7—шпонка;8—валик ведущих шестерен; 9—ведомая шестерня нагнетающей секции; 10—ведомая шестерня радиаторной секции;11—предохранительный клапан радиаторной секции; 12. 15,17— пружины клапанов;13, 16—пробки клапанов; 14—клапан системы смазки; 18--предохранительный клапан нагнетающей секции
Полнопоточный фильтр очистки масла, установленный на правой стороне блока цилиндров, состоит из корпуса 19 (рис. 13), колпаков 24 и двух фильтрующих элементов 23. Начиная с 1980 г. двигатели КамАЗ выпускаются только с бумажными фнльтроэлементами очистки масла 740.1012040-10. Фильтро - элементы 740.1012040 из древесной муки (ранее выпускавшиеся для двигателей КамАЗ) или применяемые в двигателях ЯМЗ-240 фильтроэлементы 240-1017040 можно устанавливать только в крайних случаях, преимущественно в теплое время года. Категорически запрещается использование фильтроэлементов 204-1117040, которые применяются в двигателях ЯМЗ-240 для очистки топлива и не рассчитаны для работы в масляных фильтрах.
3.3 Схема полнопоточного фильтра очистки масла
1—стержень; 2—стопорное кольцо; 3—шайба; 4—уплотнительное кольцо; 5—пружина колпака; 6—уплотнительная чашка; 7—шайба; 8—пружина перепускного клапана; 9—винт сигнализатора; 10—пробка перепускного клапана; 11, 18, 20, 26—прокладки; 12—регулировочная шайба; 13—корпус сигнализатора; 14—подвижной контакт сигнализатора; 15—пружина контакта сигнализатора; 16—перепускной клапан; 17—пробка; 19— корпус фильтра; 21—втулка корпуса; 22—уплотнительное кольцо; 23—фильтрующий элемент; 24—колпак; 25—сливная пробка.
Однако использование бумажных фильтроэлементов очистки масла еще не гарантирует полной его очистки. Даже при незначительном попадании воды в масло и при несоблюдении правил эксплуатации двигателя (работа на повышенном и особенно пониженном тепловом режиме, применение несоответствующего сорта масла и др.) предельное засорение элементов масляного фильтра может наступить раньше установленного срока. В этом случае фильтр длительное время работает с открытым перепускным клапаном 16, что зачастую приводит к задиру и провороту вкладышей коленчатого вала.
Для определения момента предельного засорения элементов в конструкции фильтра предусмотрен сигнализатор засоренности, совмещенный с перепускным клапаном. Контакты сигнализатора замыкаются при открытии перепускного клапана.
С 1980 г. на щитке приборов автомобилей КамАЗ устанавливается красная сигнальная лампочка, соединенная с клеммой сигнализатора Загорается она при открытии перепускного клапана фильтра очистки масла.
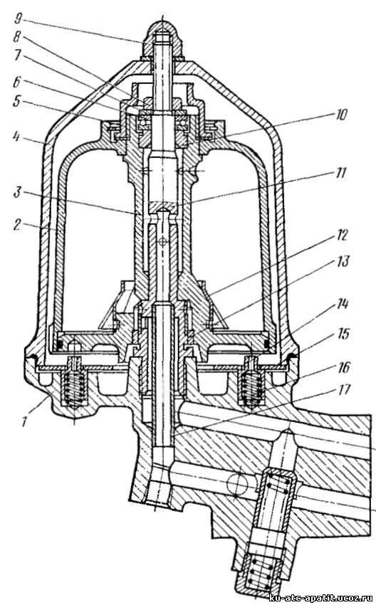
Фильтр центробежный масляный с активно-реактивным приводом ротора установлен на передней крышке блока цилиндров с правой стороны двигателя. Ротор 3 (рис. 14) в сборе с колпаком 2 приводится во вращение струей масла, вытекающей из щели-сопла в оси 11 ротора, а также реактивными силами, возникающими при выходе масла из ротора в канал оси через тангенциальные сопла.
3.4 Схема центробежного масляного фильтра
1—корпус; 2—колпак ротора; 3— ротор; 4—колпак фильтра; 5- -гайка крепления колпака ротора; 6—упорный шарикоподшипник, 7—упорная шайба; 8—гайка крепления ротора: 9 - гайка крепления колпака фильтра; 10 верхняя втулка ротора; 11—ось ротора; 12—экран; 13—нижняя втулка ротора; 14—палец стопора; 15—пластина стопора; 16—пружина стопора; 17—трубка отвода масла
При работе двигателя масло из радиаторной секции насоса под давлением подается в фильтр, обеспечивая вращение его ротора. Под действием центробежных сил механические частицы отбрасываются к стенкам колпака ротора и задерживаются, а очищенное масло через отверстие в оси ротора и трубку 17 поступает в воздушно-масляный радиатор или через сливной клапан в корпусе фильтра, Отрегулированный на давление 0,5— 0,7 кгс/см2 в картер двигателя. Перепускной клапан, установленный в корпусе фильтра и отрегулированный на давление 6,0— 6,5 кгс/см2, ограничивает максимальное давление перед центрифугой. Во избежание нарушения балансировки при обслуживании фильтра на роторе и колпаке нанесены метки, которые необходимо совмещать при сборке.
Картер масляный — стальной, штампованный, закреплен на нижней плоскости блока цилиндров болтами. Между картером и блоком установлена резино-пробковая прокладка для обеспечения герметичности соединения. Для предотвращения быстрого перетекания масла при разгоне и торможении автомобиля в картер вварена перегородка. В нижней части картера имеется сливная пробка.
Воздушно-масляный радиатор — трубчато-пластинчатый, двухрядный, установлен перед радиатором системы охлаждения двигателя. Начиная с I квартала 1986 г. на автомобили устанавливается масляный радиатор из оребренной алюминиевой трубки. Масляный радиатор должен быть постоянно включен. Для ускорения прогрева двигателя при пуске зимой радиатор следует отключить (закрытием крана на корпусе центробежного масляного фильтра). После прогрева двигателя кран открыть.
4.Основные составляющие системы смазки
4.1 МАСЛЯНЫЙ НАСОС
закреплен на нижней плоскости блока цилиндров. Ведущее зубчатое колесо напрессовано на передний конец коленчатого вала и имеет 64 зуба, ведомое 52, то есть передаточное отношение 0,8125. Зазор в зацеплении приводных зубчатых колес регулируется прокладками, устанавливаемыми между привалочными плоскостями насоса и блока, который должен быть 0,15-0,35 мм, момент затяжки болтов крепления масляного насоса к блоку должен быть 49-68,6 Н.м (5-7 кгс. м). Масляный насос шестеренчатый, односекционный. Содержит корпус, крышку и шестерни. В крышке расположен клапан смазочной системы , с пружиной .
4.2 МАСЛЯНЫЙ ФИЛЬТР
закреплен на правой стороне блока цилиндров, состоит из корпуса, двух колпаков, в которых установлены полнопоточный и частично-поточный фильтроэлементы. Колпаки на резьбе вворачиваются в корпус. Уплотнение колпаков в корпусе осуществляются кольцами. В корпусе фильтра также расположен перепускной клапан и термоклапан включения водомасляного теплообменника. Очистка масла в фильтре комбинированная.















