147861 (692091), страница 3
Текст из файла (страница 3)
Для заданих умов
; для радіально-упорних підшипників при
коефіцієнт
і коефіцієнт
.
Еквівалентне навантаження
Н = 1,2 кН.
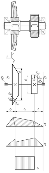
Рис.5.2. Розрахункова схема валу(ІІ) Розглянемо лівий підшипник.
Розрахункова довговічність, млн. об.:
млн.об. (5.14)
Розрахункова довговічність, год:
год. (5.15)
Де
об/хв. – частота обертання ведучого валу.
Розглянемо правий підшипник.
Еквівалентне навантаження
Н = 1,3 кН.
Розрахункова довговічність, млн. об.:
млн.об.
Розрахункова довговічність, год:
год.
Знайдена довговічність прийнятна
Вихідний вал (ІІІ):
Склавши рівняння моментів і перевіривши потім отримані з них значення підстановкою в рівняння сил ми маємо:
н,
Н,
Н,
Н.
Визначаємо сумарні реакції:
Н;
Н.
Підбираємо радіальні кулькові підшипники 309 (див. додатки, табл. П3 [1]):
мм,
мм,
мм,
кН,
кН.
Відношення
, цій величині по табл. 9.18[1] відповідає
. Відношення
,
і
тому еквівалентне навантаження:
Н = 1,7 кН.
Розрахункова довговічність, млн. об.:
млн.об.
Розрахункова довговічність, год:
год.
Де
об/хв. – частота обертання ведучого валу.
Знайдена довговічність прийнятна.
6. Підбір шпонок і перевірка шпонкових з’єднань
Для редуктора підбираємо шпонки призматичні із заокругленими торцями. Матеріал шпонок – сталь 45 нормалізована.
Напруження зминання і умова міцності:
; (6.1)
Допустимі напруження зминання при стальній маточина
МПа, при чавунній
МПа.
Ведучий вал:
мм,
мм,
, довжина шпонки
мм (при довжині маточини півмуфти МУВП 80мм, див табл. 11.5 [1]); момент на ведучому валу
Н·мм;
МПа
.
(матеріал півмуфт МУВП чавун марки СЧ 20).
Проміжний вал: з двох шпонок – під конічним зубчастим колесом і циліндричною шестернею – більш навантажена перша (менша довжина маточини, а отже і шпонки)
мм,
,
, довжина шпонки
мм при довжині маточини зірочки 44 мм.; момент
Н·мм;
МПа
.
Вихідний вал: : з двох шпонок – під зубчастим колесом і зірочкою – більш навантажена друга,
мм,
,
довжина шпонки
мм; момент
Н·мм;
МПа
(зірочки виготовляють із термооброблених вуглецевих або легованих сталей).
7. Уточнений розрахунок валів
Приймаємо, що нормальні напруження від згину міняються по симетричному циклу, а дотичні від кручення – по нульовому(пульлсуючому).
Уточнений розрахунок полягає у визначенні коефіцієнтів запасу міцності
для небезпечних перерізів і порівняння їх з потрібними (допустимими) значеннями
.
Міцність дотримується при
.
Ведучий вал.
Матеріал вала той же, що і для шестерні (шестерня виповнена як одне ціле з валом), тобто сталь 45, термічна обробка – покращення.
По табл. 3.3. при діаметрі заготовки до 120 мм (в нашому випадку
мм) середнє значення
МПа.
Межа витривалості при симетричному циклі згину
МПа. (7.1)
Межа витривалості при симетричному циклі дотичних напружень
МПа (7.2)
Переріз А-А. Цей переріз при передачі крутного моменту від електродвигуна через муфту розраховуємо на кручення. Концентрацію напружень викликає наявність шпонкової канавки.
Коефіцієнт запасу міцності
, (7.3)
де амплітуда і середнє напруження від нульового циклу
, (7.4)
При
мм;
мм,
мм по табл. 8.5 [1]:
мм3. (7.5)
МПа.
Приймаємо
(див. табл. 8.5 [1]),
(див. табл. 8.8 [1]) і
.
.
Такий великий коефіцієнт запасу міцності пояснюється тим, що діаметр валу був збільшений при конструюванні для з’єднання його муфтою з валом електродвигуна.
По тій же причині перевіряти міцність в інших перерізах нема необхідності.
Рис. 7.1. Вал ведучий (І)
Проміжний вал.
Матеріал валу – сталь 45 нормалізована;
МПа
Межі витривалості
МПа,
МПа.
Переріз А-А.
Діаметр валу в цьому перерізі 38 мм.
Концентрація напружень зумовлена наявністю шпоночної канавки (див. табл. 8.5 [1]):
і
; масштабні фактори
;
.
Коефіцієнти
(див. ст.163 і 166 [1]).
Крутний момент
Н·мм.
Момент опору крученню (
мм,
мм,
мм)
мм3.
Момент опору згину (див. табл.8.5 [1]):
мм3.
Рис. 7.2. Вал проміжний (ІІ)
Амплітуда і середнє напруження циклу дотичних напружень:
МПа.
Амплітуда нормальних напружень згину:
МПа.
Коефіцієнт запасу міцності по нормальним напруженням:
10,2,
Результуючий коефіцієнт запасу міцності для перерізу А-А:
.
Переріз Б-Б.
Оскільки діаметр валу і розміри шпонкової канавки для цього перерізу такі ж, як і для А-А, то результуючий коефіцієнт міцності в пих приблизно рівний.
Переріз В-В.
Концентрація напружень зумовлена посадкою підшипника з гарантованим натягом (див. табл.8.7);
і
; приймаємо
і
.
Осьовий момент опору:
Н·мм
Амплітуда нормальних напружень:
МПа;
.
Полярний момент опору:
мм3.
Амплітуда і середнє напруження циклу дотичних напружень:
МПа.
Коефіцієнт запасу міцності по нормальним напруженням:
.
Коефіцієнт запасу міцності по дотичним напруженням:
.
Результуючий коефіцієнт запасу міцності для перерізу В-В:
.
Аналогічно проводимо розрахунок для перерізу Г-Г, а також для перерізів А-А, Б-Б і В-В вихідного валу(ІІІ) редуктора. Результати заносимо до таблиці 7.1.
| Вал | Переріз | |||
| А-А | Б-Б | В-В | Г-Г | |
| Ведучий (І) | 10,3 | - | - | - |
| Проміжний (ІІ) | 10,9 | 10,9 | 2,1 | 3,3 |
| Вихідний (ІІІ) | 3,5 | 6,1 | 4,2 | 3,2 |
Таблиця 7.1. Коефіцієнти запасу міцності вперерізах валів.
Рис.7.3.Вал вихідний (ІІІ)
8. Конструктивні розміри корпусу і кришки редуктора
Товщина стінки корпуса редуктора:
мм, (8.1)
але згідно вимог (див. табл.10.2 [1]) приймаємо
мм.
Товщина стінки кришки редуктора:
мм, (8.2)
але згідно вимог (див. табл.10.2 [1]) приймаємо
мм.
Товщина верхнього фланця корпуса:
мм, (8.3)
приймаємо
мм.
Товщина нижнього фланця корпуса:
мм. (8.4)
Товщина фланця кришки редуктора:
мм, (8.5)
Діаметр фундаментних болтів:
мм, (8.6)
приймаємо
мм.
Діаметр болтів, які стягують корпус і кришку біля бобишок:
мм. (8.7)
приймаємо
мм.
Діаметр болтів, які стягують фланці корпусу і кришки:
мм. (8.8)
приймаємо
мм.
Ширина опорної поверхні нижнього фланця корпуса:
мм, (8.9)
де
- ширина фланця, згідно табл.10.3 [1] для
мм
мм.
Товщина ребер корпуса:
мм. (8.10)
Приймаємо
мм.
Мінімальний зазор між колесом і корпусом:
мм. (8.11)
Координата стяжного болта біля бобики:
мм. (8.12)
Приймаємо
мм.
Найменша відстань між обертовими колесами суміжних ступенів:
мм. (8.13)
Рис.8.1. Конструктивні елементи корпуса і кришки редуктора.
9. Тепловий розрахунок редуктора і вибір сорту мастила
При роботі редуктора втрати потужності, викликані тертям в зачепленні і в підшипниках, перемішуванням і розбризкуванням мастила, призводять до нагрівання деталей редуктора і мастила. При нагріванні в’язкість мастила різко знижується, що призводить до порушення режиму мащення. Нормальна робота редуктора буде забезпечена, якщо температура мастила не перевищить допустиму.
Умова роботи редуктора без перегріву:
. (9.1)
де
- температура мастила,°С;
- температура навколишнього повітря,°С (зазвичай приймають
);
- потужність, яка підводиться,
кВт;
- ККД редуктора,
;
- коефіцієнт теплопередачі,
Вт (м2·°С);
- площа теплообмінної поверхні корпуса редуктора,
м2;
- допустимий перепад температур між маслом і навколишнім повітрям.
Тоді
.
Отже умова роботи редуктора без перегріву виконана.
Змащування зубчастого зачеплення проводиться зануренням зубчастого колеса в мастило, яке заливається в корпус до рівня, який забезпечує занурення колеса приблизно на 10мм. Об’єм масляної ванни визначаємо із розрахунку 0,25 дм3 мастила на 1 кВт передаваної потужності:
дм2.
По табл.10.10[1] встановлюємо в’язкість мастила: при
МПа і швидкості
м/с рекомендована в’язкість мастила - 22·10-6 м2/с. По табл.10.10 приймаємо мастило індустріальне И-20А (ГОСТ 20799-75).
10. Вибір і перевірка муфт
Типорозмір муфти вибирають по діаметру вала і по величині розрахункового крутного моменту:
; (10.1)
де
- коефіцієнт, який враховує умови експлуатації, згідно табл.11.3[1]
;
- номінальний крутний момент на валу;
- допустиме значення крутного моменту.
Для приводу трансмісії потрібно 2 муфти, в процесі роботи яких можливе деяке зміщення. Тому обираємо жорсткі втулочно-пальцеві муфти (МУВП) по ГОСТ 21424-75.
Для з’єднання електродвигуна з редуктором підбираємо муфту, яка підходить по діаметру з’єднуваних кінців валів:
мм,
мм,
=250 Н·м. Перевіряємо:
Н·м
Н·м.
Для з’єднання ланцюгової передачі з валом трансмісії підбираємо муфту з наступними параметрами:
мм,
мм,
=750Н·м.
Перевіряємо:
Н·м
Н·м.
Отже, обрані муфти задовольняють умовам міцності.
Рис.10.1. Основні розміри МУВП (ГОСТ21424-75)
11. Збирання і регулювання редуктора
Перед збиранням внутрішню порожнину корпуса редуктора ретельно очищають і покривають маслостійкою фарбою.
Збирання проводять у відповідності до складального креслення редуктора, починаючи з вузлів валів:
на ведучий вал насаджують маслоутримуюче кільце і роликопідшипники, попередньо нагріті в маслі до 80-100°С,між яким встановлюється розпорна втулка, після чого вал встановлюється в стакан;для регулювання осьового положення конічної шестерні забезпечують можливість переміщення при збиранні стакану за допомогою наборцу металевих прокладок, які встановлюють під фланці стаканів;
в проміжний вал закладають 2 шпонки і напресовують зубчасте колесо конічної передачі і шестерню циліндричної пари до упору у відповідні бурти; потім надівають розпорні втулки, масло утримуючі кільця і напресовують підшипники, попередньо нагріті в маслі;
в вихідний вал закладають шпонку і напресовують циліндричне зубчасте колесо до упору в бурт вала; потім надівають розпорну втулку, масло утримуючі кільця і встановлюють підшипники, попередньо нагріті в маслі.















