147856 (692087), страница 4
Текст из файла (страница 4)
де
- при діаметрі колеса 950 мм, (
=0,9 ).
млн.км.
В результаті розрахунків ми отримали довговічність підшипника, що перевищує мінімально допустиму для вантажних вагонів
(Lmin=1,5 млн.км.),тому в буксових вузлах можна використовувати підшипники марок : 42726Л , ЦКБ-1521, 42726Л1, 42726Е.[5]
5. Розрахунок пружини ресорного підвішування на міцність
Розрахуємо на міцність двохрядну пружину центрального підвішування візка вантажного вагона. Геометричні характеристики зовнішньої і внутрішньої пружини приведені в таблиці 5.1.
Таблиця 5.1. Розрахунки зроблені за методикою викладеною в [1].
| Параметр пружини | Позначення | Значення | |
| Зовнішня | Внутрішня | ||
| Діаметр прутка, мм | d | 30 | 21 |
| Середній діаметр, мм |
| 170 | 111 |
| Число робочих витків | n | 4,2 | 6,45 |
| Висота у вільному стані, мм |
| 249 | 249 |
| Направлення навивки | - | праве | ліве |
| Індекс пружини | m | 5,7 | 5,95 |
5.1 Жорсткість пружини
( 5.1 )
де
- діаметр витку пружини, таблицю 5.1;
- коефіцієнт який залежить від індексу пружини, (
=1);
- середній діаметр пружини, див. таблицю 5.1;
- кількість робочих витків пружини, таблицю 5.1;
.
5.2 Жорсткість двохрядної пружини
( 5.2 )
5.3 Навантаження, що приходиться на одну двохрядну пружину
( 5.3 )
де
- маса необресорених частин,
=71,22 кН;
- кількість одно іменних паралельно навантажених частин вагона,
= 28.
кН.
5.4 Коефіцієнт, що залежить від осності візка
( 5.4 )
де n- кількість осей у візку, n=2.
.
5.5 Середнє значення коефіцієнта вертикальної динаміки
( 5.5 )
де
- коефіцієнт,
= 0,1;
- конструкційна швидкість вагона,
= 33
;
- статичний прогин під вагою вагона брутто,
= 0,05 м.
.
5.6 Коефіцієнт вертикальної динаміки
( 5.6 )
де
- параметр розподілення,
= 1,13;
- довірювальна імовірність,
=0,95.
5.5 Еквівалентне навантаження
( 5.7 )
кН.
5.6 Навантаження, що діє на одну з двохрядних пружин
( 5.8 )
( 5.9 )
кН,
кН.
5.7 Припустимі напруження пружини
( 5.10 )
де
- коефіцієнт враховуючий кривизну витків,
( 5.11 )
( 5.12 )
,
;
МПа,
МПа.
Отже пружини мають значення менше допустимих напружень
МПа для сталей 55C2,55С2А і 60С2 [5]
6. Розрахунок елементів кузова на міцність
6.1 Розрахунок шворневої балки
В даному розділі всі розрахунки проводжу згідно методичних вказівок [4].
Особливістю конструкції рами даної цистерни являється те, що поздовжні балки майже не беруть участь в сприйманні основних вертикальних навантажень. Це пояснюється великою жорсткістю котла в порівнянні з жорсткістю поздовжніх балок, внаслідок чого майже все навантаження від котла передається на крайні опори, а від них на візки. Шворневі балки завантажені вертикальними силами і при прикладенні до їх кінців зусиль, необхідних, наприклад, для підйому котла, в цих балках виникають значні напруження. Саме тому в проводимо розрахунок її на міцність.
Найбільш невдалими варіантами завантаження шворневої балки являється: рух цистерни з максимальною швидкістю при різкому гальмуванні її, а також піднімання завантаженої цистерни домкратами, підведеними під кінці шворневих балок.
Експлуатаційний режим навантаження:
Рух з мінімальної швидкістю при торганні поїзду з місця, осаджування або гальмування поїзду, при малих швидкостях руху. В цьому випадку котел з рамою опирається на підп’ятник візка і схема навантаження шворневої балки буде мати вигляд:
Рисунок 3.1 – Схема навантаження шкворневої балки
Навантаження на шворневу балку становить:
а) від ваги шворневої балки
(6.1)
т/м
б) від ваги котла з вантажем
, (6.2)
де Gш – маса шворневої балки;
Gк – маса котла з всіма закріпленими на ньому вузлами;
Gж – маса вантажу;
- напівширина рами по шворневим балкам;
- половина проекції опори котла.
в) від сили інерції при екстреному гальмуванні
Сила інерції котла з вантажом при І режимі навантаження складе:
(6.3)
Додаткове вертикальне навантаження на шворневу балку при цьому буде становити:
, (6.4)
де
– поздовжня сила розтягу, стиснення;
- маса вагона брутто;
- база цистерни;
- відстань від поздовжньої осі котла до осі автозчепу.
Інтенсивність
- рівномірно розподіленого навантаження на шворневу балку становитиме.
(6.5)
Згинальний момент в розрахунковому перерізі на відстані х від середини шворневої балки.
(6.6)
Розрахуємо значення згинального моменту в характерних перерізах (х1=1415, х2=1350, х3=520, х4=180, х5=0).
Найбільші напруження виникатимуть в п’ятому перерізі і становитимуть:
, (6.7)
де W – момент опору волокон перерізу шкворневої балки
Ремонтний режим навантаження шворневої балки:
В даному випадку навантаження домкрату прикладаються на відстані
300 мм від вертикальної вісі поперечного перерізу шворневої балки, середина під домкратної планки зміщена від осі шворневої балки в сторону поздовжньої бокової. Розрахункова схема наведена на рис. 3.2
Рисунок 3.2 – Розрахункова схема навантаження
Визначаємо навантаження які діють на балку:
а) від ваги шворневої балки
(6.8)
т/м
б) від ваги котла з вантажем
, (6.9)
де Gш – маса шворневої балки;
Gк – маса котла з всіма закріпленими на ньому вузлами;
Gж – маса вантажу;
- напівширина рами по шворневим балкам;
- половина проекції опори котла.
Реакції опор (домкратів) становитиме:
, (6.10)
де
– маса цистерни без візків.
Згинальний момент в розрахункових перерізах становитиме:
(6.11)
Напруження від згинального моменту становитимуть:
(6.12)
Ексцентричне прикладання навантаження домкрату до кінця шворневої балки створює крутний момент. Жорстке з’єднання її з хребтовою балкою призводить до появи в ній напружень від стиснутого кручення. Зазвичай таке кручення враховується лише при крученні брусів з відкритим перерізом і досить великими полками. Зважаючи на те, що шворнева балка має замкнутий профіль стиснення не враховується і дотичні напруження будемо визначати за формулами вільного кручення.
З метою спрощення розрахунків та забезпечення додаткового запасу міцності при обрахунках моменту опору враховуємо лише прямокутна коробчата частина перерізу шкворневої балки зображеної на рис. 3.3.
Рисунок 3.3 – Схема перерізу шворневої балки
Крутний момент від сили Rb, прикладеної на відстані 30 см від середини піддомкратної планки дорівнює:
Мк= Rb*30 (6.13)
Мк= 19*0,3=55,917кН/м
Дотичні напруження складають:
(6.14)
Тоді, еквівалентне навантаження в розрахунковому перерізі дорівнюватиме:
(6.15)
Оскільки
для О9Г2С
– міцність шворневої балки забезпечена.
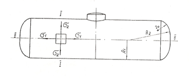
6.2 Розрахунок котла на внутрішній тиск
При розрахунку котла цистерни на внутрішній тиск використовуємо формули безмоментної теорії оболонок, визначимо напруження в металі в різних частинах котла, керуючись розрахунковою схемою котла цистерни:
Рисунок 6.1 – Розрахункова схема котла цистерни
Розрахунковий тиск в середині котла визначається як сума тисків парів рідини і тиску, утвореним при торганні з місця або при гальмуванні:
Р=Рр+Рд , (6.16)
де Рр – тиск парів рідини (0,15МПа);
Рд – тиск рідини, виникаючий при торганні з місця або в процесі гальмування поїзду при максимальній допустимій швидкості (ІІІ режим)
Величина Рд визначається по формулі:
, (3.17)
де Тін – сила інерції рідини;
R1 – внутрішній радіус котла цистерни.
Сила інерції рідини при навантаженні цистерни по І режиму може бути визначена з формули:
, (6.18)
де Gван – масса вантажу в котлі цистерни;
Qбр – масса цистерни брутто.
Розрахунковий тиск в середині котла становить:
Р=0,25+0,15=0,399МПа
Напруження в оболочках котрі не підлягають згину називаються мембранними і можуть бути визначені по наступним формулам:
а) в поперечному перетині
(6.19)
б) в поздовжньому перетині
, (6.20)
де
- товщина стінки циліндричної частини котла.
в) напруження в оболонці сферичного днища
, (6.21)
де
- товщина днища;
R2 – радіус сферичної частини днища.
г) в місцях з’єднання циліндричної частини котла до днища виникають додаткові напруження, величину яких можна вирахувати за емпіричними формулами С.В. Вершинского. Оскільки
, то напруження будуть розраховуватися за формулою:
(6.22)
Міцність котла цистерни забезпечена, тому що
(
,
для сталі О9Г2С ) за І та ІІІ розрахунковими режимами.















