147722 (692031), страница 3
Текст из файла (страница 3)
Нижние рычаги подвески – цельноштампованные корытообразной формы. Рычаги соединены с поперечиной с помощью резино-металлических шарниров – сайлент-блоков, состоящих из двух металлических обойм, между которыми установлена с предварительным натягом резиновая втулка.
Верхние рычаги - штампованные с вварными втулками. Соединены с поперечиной посредством оси с сайлент-блоками, наружная обойма которых представляет собой три отдельных сектора, а резина привулканизирована к внутренней и наружной обоймам.
Верхние рычаги в сборе с осью крепятся на опоре поперечины болтами. Между осью и опорой размещены регулировочные скобы и прокладки. Изменением количества скоб регулируется угол продольного наклона оси поворота колеса (кастер), изменением количества прокладок - развал колес (камбер). Стойка подвески – кованная. Верхний шарнир стойки имеет регулировку осевого зазора для устранения износа сферических поверхностей вкладышей и пальца.
Нижнее шарнирное соединение сгонки с рычагом (шаровая опора) регулировок не имеет, так как зазоры в нем выбираются весом автомобиля.
Схема передней подвески изображена на рисунке 3.1.
Рисунок 3.1. Передняя подвеска
1 – поперечина подвески; 2 – пружина; 3 – прокладка пружины; 4 – амортизатор; 5 – рычаг верхний; 6 – верхняя чашка; 7, 26, 31 – гайки; 8 – подушка амортизатора; 9 – чашка средняя; 10 – чашка нижняя; 11 – буфер отбоя; 12 – шарнир шаровой; 13 – стойка передней подвески; 14 – тормоз передний; 15 – шплинт; 16 – опора шаровая; 17 – гайка корончатая; 18 – стяжка транспортная; 19 – буфер сжатия; 20, 33, 27 – болты; 21, 25 – шайбы; 22 – рычаг нижний; 24 – шайба распорная; 28 – втулка амортизатора; 29 – втулка распорная; 30 – кронштейн амортизатора.
3.3. Задняя подвеска
Рессоры автомобилей с кузовом "седан" и "комби" собраны с применением пластмассовых межлистовых прокладок и резиновых прокладок на хомутах и не нуждаются в смазке.
Рессора автомобиля "фургон", не имеющая прокладок, для устранения скрипа листов нуждается в межлистовой смазке.
Схема задней подвески автомобиля представлена на рисунке 3.2.
Р
исунок 3.2. Задняя подвеска
1 – рессора ИЖ – 2715 – 01; 2 – Рессора ИЖ – 21251; 3 – кронштейн передний; 4 – втулка резиновая ушков рессоры; 5 – шайба сферическая; 6, 17, 25 – шайбы пружинные; 7 – палец передний рессоры; 8, 10, 26 – гайки; 9 – щека серьги с пальцами в сборе; 11 – щека серьги; 12 – втулка заднего кронштейна; 13 – буфер задней подвески; 14 – картер заднего моста; 15 – стремянка; 16 – пластина стремянки; 18,20 – обоймы; 19 – втулка резиновая; 21 – гайка прорезная; 22 – шплинт; 23 – амортизатор; 24 – кронштейн амортизатора; 27, 29 – болты; 28 – втулка распорная.
Передние и задние амортизаторы - гидравлические, телескопического типа двустороннего действия, двухтрубные предназначены для гашения колебаний подвесок.
Передние амортизаторы установлены внутри пружины подвески, верхняя их часть закрыта поперечиной подвески, поэтому они не имеют кожуха. Для защиты от коррозии шток хромирован. Задние амортизаторы установлены открыто и поэтому снабжены защитным кожухом. Передние и задние амортизаторы различаются также креплением штока, габаритной длиной и усилиями отбоя.
3.4. Шины, колёса и ступицы
Шины. Гравировкой пресс-формы отмечается товарный знак или наименование завода-изготовителя, размер и номер модели шины. Оттиском специального жетона на шине наносится месяц и год изготовления, а также серийный номер покрышки (рисунок 3.3).
К
расной краской отмечается легкое место покрышки.
Рисунок 3.3. Маркировка шины
а – товарный знак или наименование завода-изготовителя; b – месяц изготовления; с – год изготовления; d – серийный номер покрышки; е – метка легкого места покрышки; f – размер шины.
К
олёса. Маркировка колеса, нанесенная на внутренней поверхности обода, включает обозначение размера обода, завод-изготовитель, месяц и год выпуска (рисунок 3.4).
Рисунок 3.4. Маркировка колеса
а – месяц изготовления; b – год изготовления; с – завод-изготовитель; d – размер обода.
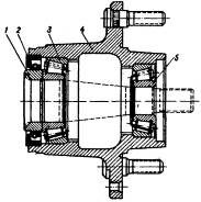
С
тупицы. В ступицах передних колес (рисунок 3.5) установлены конические подшипники. Сальник 2 ступицы работает по упорному кольцу 1, напрессованному на цапфу. Правильно собранная и отрегулированная ступица должна обеспечивать легкое вращение колеса, не нагреваться при езде и иметь осевой люфт 0,02-0,12 мм.
Рисунок 3.5. Ступица переднего колеса
1 – кольцо упорное; 2 – сальник; 3 – подшипник внутренний; 4 – ступица; 5 – болт ступицы; 6 – подшипник наружный.
ЗАКЛЮЧЕНИЕ
В данной работе мы рассмотрели и изучили технические характеристики и функциональный состав трансмиссии автомобиля ИЖ - 21251. Описали назначение и устройство основных агрегатов трансмиссии.
На эксплуатационные свойства автомобиля в значительной степени влияет содержание и состав трансмиссии.
По исходным данным автомобиля ИЖ – 21251 были рассчитаны и построены графики скоростных характеристик агрегатов трансмиссии автомобиля.
Анализируя произведённые расчёты, можно сделать вывод, что зависимость частоты вращения коленчатого вала двигателя и тягово-скоростных характеристик автомобиля изменяются не прямо пропорционально. Максимальные характеристики крутящего момента находятся в пределах от 2800 до 3200 оборотов в минуту и при дальнейшем увеличении частоты вращения коленчатого вала снижаются.
ИСТОЧНИКИ
-
Автомобиль: Основы конструкции/Н.Н. Вишняков и др. – М.: Машиностроение, 1986. – 304 с.
-
Автомобили: Конструкция, конструирование и расчёт. Трансмиссия: Учеб. пособие/ Под общ. ред.А.И. Гришкевича. – Мн.: Выш. шк., 1985. – 240 с.
-
Краткий автомобильный справочник НИИАТ. – М.: Транспорт, 1984. – 220 с.
-
Краткий автомобильный справочник. – М.: АО "Трансконсалтинг", НИИАТ, 1994. – 779 с.
-
Литвинов А.С. и др. Шасси автомобиля. Конструкция и элементы расчёта. – М.: Машгиз, 1963. – 504 с.
-
Тур и др. Устройство автомобилей. – М.: Машиностроение, 1990. – 352 с.
-
Кондрашкин А.С. Автомобили ИЖ – 21251, ИЖ – 2715 – 01, ИЖ – 27151 – 01, ИЖ – 27156, Москвич 412 ИЭ и их модификации. Практическое руководство по ремонту, техническому обслуживанию и эксплуатации автомобилей.















