147494 (691936), страница 2
Текст из файла (страница 2)
Одеська дорога широко взаємодіє з іншими видами транспорту – морським (у портах Одеса, Іллічевськ, Південний, Миколаїв і Херсон), річковим (у портах Ізмаїл на Дунаєві, Херсон і Черкаси на Дніпру) і автомобільним. Між портом Іллічевськ і болгарський порт Варна регулярно курсують морські залізничні пароми.
У районі тяжіння дороги протікає Дніпро. По ньому перевозять: униз – зернові вантажі, мінерально-будівельні матеріали, нагору – нафтові вантажі.
Станція Гомель відноситься до Білоруської залізниці.
-
Теоретичні положення з організації моделювання транспортних мереж
Задачу пошуку найкоротшого шляху між джерелом і стоком (початковий і кінцевий пункти мережі) можна вирішити за допомогою алгоритму Дейкстри. Алгоритм Дейкстри розроблений для знаходження найкоротшого шляху між заданим вихідним вузлом і будь-яким іншим вузлом мережі.
У процесі виконання цього алгоритму при переході від вузла
до наступного вузла
використовується спеціальна процедура позначки ребер. Позначимо через
найкоротшу відстань від вихідного вузла 1 до вузла
, через
– довжину ребра
. Тоді для вузла
визначимо мітку
в такий спосіб:
Мітки вузлів в алгоритмі Дейкстри можуть бути двох типів: тимчасові і постійні. Тимчасова мітка згодом може бути замінена на іншу тимчасову, якщо буде знайдений більш короткий шлях до даного вузла. Коли ж стане очевидним, що не існує більш короткого шляху від вихідного вузла до даного, статус тимчасової мітки змінюється на постійний.
Розрахункова схема алгоритму складається з наступних кроків.
Крок 0. Вихідному вузлу (вузол 1) привласнюється мітка
. Думаємо
.
Крок i. а) Обчислюються тимчасові мітки
для усіх вузлів
, які можна досягти безпосередньо з вузла
, і які не мають постійних міток. Якщо вузол
уже має мітку
, отриману від іншого вузла
, і якщо
, тоді мітка
заміняється на
.
б) Якщо усі вузли мають постійні мітки, процес обчислень закінчується. У противному випадку вибирається мітка
з найменшим значенням відстані
серед усіх тимчасових міток (якщо таких міток декілька, то вибір довільний). Думаємо
і повторюємо крок
.
Задача визначення найкоротших відстаней між елементами транспортної мережі (Алгоритм Флойда).
Дана задача вирішується за допомогою алгоритму Флойда.
Цей алгоритм більш загальний у порівнянні з алгоритмом Дейкстри, тому що він знаходить найкоротші шляхи між будь-якими двома вузлами мережі. У цьому алгоритмі мережа представлена у виді квадратної матриці з
рядками і
стовпцями. Елемент
дорівнює відстані
від вузла
до вузла
, що має кінцеве значення, якщо існує дуга
, і дорівнює нескінченності в противному випадку.
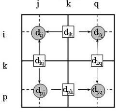
Покажемо спочатку основну ідею методу Флойда. Нехай є три вузли
і задані відстані між ними (рис. 3.1). Якщо виконується нерівність
, то доцільно замінити шлях
шляхом
. Така заміна (далі її будемо умовно називати трикутним оператором) виконується систематично в процесі виконання алгоритму Флойда.
Рис. 3.1. Трикутний оператор
Алгоритм Флойда вимагає виконання наступних дій.
Крок 0. Визначаємо початкову матрицю відстаней
і матрицю послідовності вузлів
. Діагональні елементи обох матриць позначаються знаком «–», що показує, що ці елементи в обчисленнях не беруть участь. Думаємо
:
Рис. 3.2. Початкова ситуація
Основний крок k. Задаємо рядок
і стовпець
як ведучий рядок і ведучий стовпець. Розглядаємо можливість застосування трикутного оператора до всіх елементів
матриці
. Якщо виконується нерівність
, тоді виконуємо наступні дії:
-
створюємо матрицю
шляхом заміни в матриці
елемента
на суму
, -
створюємо матрицю
шляхом заміни в матриці
елемента
на
. Думаємо
і повторюємо крок
.
Пояснимо дії, виконувані на
-м кроці алгоритму, представивши матрицю
так, як вона показана на рис 3.3. На цьому рисунку рядок
і стовпець
є ведучими. Рядок
– будь-який рядок з номером від 1 до
, а рядок
– довільний рядок з номером від
до
. Аналогічно стовпець
представляє будь-як стовпець з номером від 1 до
, стовпець
– довільний стовпець з номером від
до
. Трикутний оператор виконується в такий спосіб. Якщо сума елементів ведучих рядка і стовпця (показаних у квадратах) менше елементів, що знаходяться в перетинанні стовпця і рядка (показаних у кружках), що відповідають розглянутим ведучим елементам, то відстань (елемент у кружку) заміняється на суму відстаней, представлених ведучими елементами:
Рис. 3.3. Ілюстрація алгоритму Флойда
Після реалізації
кроків алгоритму визначення по матрицях
і
найкоротшому шляху між вузлами
і
виконується за наступними правилами.
-
Відстань між вузлами
і
дорівнює елементові
в матриці
. -
Проміжні вузли шляху від вузла
до вузла
визначаємо по матриці
. Нехай
, тоді маємо шлях
. Якщо далі
і
, тоді вважаємо, що весь шлях визначений, тому що знайдені всі проміжні вузли. У противному випадку повторюємо описану процедуру для шляхів від вузла
до вузла
і від вузла
до вузла
.
При аналізі транспортних мереж часто виникає задача визначення максимального потоку, що може пропустити дана мережа, а також задача розподілу цього потоку по дугах мережі.
З математичної точки зору задача про максимальний потік формулюється в такий спосіб: при заданій конфігурації мережі і відомої пропускної здатності
знайти ненегативні значення
, що задовольняють умовам і, що максимізують функцію
, тобто
Алгоритм для знаходження максимального потоку був запропонований Фордом і Фалкерсоном і полягає в поступовому збільшенні потоку, що пропускається по мережі, доти, поки він не стане найбільшим. Алгоритм заснований на теоремі Форда-фалкерсона: у будь-якій транспортній мережі максимальний потік із джерела
в стік
, дорівнює мінімальній пропускній здатності розрізу, що відокремлює
від
.
Крок 0. Призначаємо вузлові 15 постійну мітку [0, -].
Крок 1. З вузла 15 можна досягти вузлів 21 2 12. Обчислюємо мітки для цих вузлів, у результаті одержуємо наступну таблицю міток:
Вузол
Мітка
Статус мітки
15
Постійна
21
[512,15]
Тимчасова
2
[237,15]
Тимчасова
Серед вузлів 21, 2, 12, вузол 12 має найменше значення відстані (U12=172). Тому статус мітки цього вузла змінюється на «постійна».
Крок 2. З вузла 12 можна потрапити у вузли 2, 23, 22. Одержуємо наступний список вузлів.
Тимчасовий статус мітки [237,15] вузла 2 заміняється на постійний (U2=237).
Крок 3. З вузла 2 можна досягти вузлів 21, 22, 31. Після обчислення міток одержимо наступний їх список:
Вузол
Мітка
Статус мітки
15
Постійна
12
[172,15]
Постійна
2
[237,15]
Постійна
21
[512,15]
Тимчасова
21
[370+512,2]=[882,2]
Тимчасова
22
[1009,12]
Тимчасова
22
[696+237,2]=[933,2]
Тимчасова
23
[810,12]
Тимчасова
31
[655+237,2]=[892,2]
Тимчасова
Тимчасовий статус мітки [512,15] вузла 21 заміняється на постійний (U21=512).
Крок 4. З вузла 21 можна досягти вузлів 31. Після обчислення міток одержимо наступний їх список:
Вузол
Мітка
Статус мітки
15
Постійна
12
[172,15]
Постійна
2
[237,15]
Постійна
21
[512,15]
Постійна
22
[933,2]
Тимчасова
23
[810,12]
Тимчасова
31
[892,2]
Тимчасова
31
[512+289,21]= [801,21]
Тимчасова
Тимчасовий статус мітки [801,21] вузла 31 заміняється на постійний (U31=801).
Крок 5. З вузла 31 можна досягти вузлів 22, 38. Після обчислення міток одержимо наступний їх список:
Вузол
Мітка
Статус мітки
15
Постійна
12
[172,15]
Постійна
2
[237,15]
Постійна
21
[512,15]
Постійна
31
[801,21]
Постійна
22
[933,2]
Тимчасова
22
[801+237,31]= [1038,31]
Тимчасова
23
[810,12]
Тимчасова
38
[801+197,31]= [992,31]
Тимчасова
Тимчасовий статус мітки [810,12] вузла 23 заміняється на постійний (U23=810).
Крок 6. З вузла 23 можна досягти вузла 22, 38, 3. Після обчислення міток одержимо наступний їх список:
Вузол
Мітка
Статус мітки
шляхом заміни в матриці
,
шляхом заміни в матриці
елемента
на
і повторюємо крок
, тоді маємо шлях
. Якщо далі
і
, тоді вважаємо, що весь шлях визначений, тому що знайдені всі проміжні вузли. У противному випадку повторюємо описану процедуру для шляхів від вузла 














