147145 (691775), страница 2
Текст из файла (страница 2)
hрк=0,7·hр. (17)
hрк = 0,7·0,15=0,11 м.
lк – длина режущей части корня крыла, м.
(18)
.
Сила сопротивления балласта волочению для корня крыла
(19)
где с – плотность балласта, кг/см3 (с = 2100 кг/м3); [2]
fб – коэффициент внутреннего трения балласта (для щебня fб = 0,8). [2]
Силы сопротивления подкрылка Fрп, Fвп:
(20)
где hрп – глубина резания подкрылком, м (hрк = hрп);
lп – длина режущей части подкрылка, м
(21)
Силы сопротивления щита Fрщ, Fвщ:
(22)
где hрщ – глубина резания щитом, м (hрк = hрщ);
lщ – длина режущей части шита, м.
(23)
Сила на вырезание балласта основной частью крыла:
(24)
где k – коэффициент сопротивления балласта резанию с учетом прижатия режущей кромки крыла к обрабатываемой поверхности (k0 = 1,3k=91 кПа).[1]
hpo – глубина резанию балласта основной частью крыла, м (hро = hрщ).
lo – длина режущей кромки основной части крыла, м (lo = 2044мм).
Сила на перемещение призмы волочения
(25)
Hо – средняя высота откосной части крыла, м (Hср = 0,71м).
Силы трения
где Qпр – сила прижатия крыльев к обратной поверхности(20…25кН)
Суммарное сопротивление действующее на дозатор:
(26)
3 Тяговый расчет машины
3.1 Выбор локомотива
При расчёте используем результаты определения сил, действующих на дозатор (пункт 2.3).
Требуемая сила тяги локомотива:
Fл>КтWc (27)
где Кт –коэффициент, учитывающий дополнительные сопротивления от микроуклонов, микрокривых, стыков рельсов и др.(Кт =1,15)
Масса машины ЭЛБ – 4С составляет 145 т (G=1422 кН).
Количество осей 8 штук, n=8.
Тогда нагрузка приходящаяся на одну ось составляет:
Q=G\n (28)
Q=1422\8=178 кН
Для построения графика избыточной силы тяги воспользуемся формулой [2]
Fизб=Fл-(Wпм+Wмi+Wлм+Wлi) (29)
где Wпм – основное сопротивление машины как повозки, Н
Wмi – сопротивление от уклона, Н.
Основное сопротивление:
(30)
где Gбо – вертикальная нагрузка, действующая на машину, от ее веса и сил взаимодействия рабочих органов, кН (Gбо = 1422кН); [3]
щ0 – основное удельное сопротивление, зависящее от типа подшипников колесных пар, нагрузки на ось, скорости движения наличия привода передвижения, Н/кН [3]
(31)
Wi - сопротивление перемещению машины от уклона, кН
(32)
где Gм – вес передвигающейся машины, кН
щi – удельное сопротивление от уклона, Н/кН: (щу = i). [2]
По данным тяговых характеристик принимаем тепловоз ТЭ1[3].
Масса тепловоза ТЭ1 составляет 121 т (G=1187 кН) [3]
Количество осей 6 штук, n=6. Q=198, формула (28).
Основное сопротивление:
(33)
где Gбо – вертикальная нагрузка, действующая на машину, кН (Gбо = 1187кН); [3]
щ0 – основное удельное сопротивление, зависящее от типа подшипников колесных пар, нагрузки на ось, скорости движения наличия привода передвижения, Н/кН [3]
(34)
Wi - сопротивление перемещению тепловоза от уклона, кН
(35)
где Gм – вес передвигающейся машины, кН
щi – удельное сопротивление от уклона, Н/кН: (щу = i). [2]
Fизб=248,7-(1,57+11,3+1,71+9,5)=224,6 кН
Для построения графика избыточной силы тяги необходимо произвести расчет по заданным точкам:
| Скорость движения, км/ч | Сила тяги локомотива, кН | |
| | | |
| 0 | 357 | 333 |
| 5 | 323 | 299 |
| 6,5 | 308 | 284 |
| 10 | 165 | 141 |
| 12 | 145 | 121 |
| 15 | 135 | 111 |
4 Расчет механизма подъема
Разработка механизма сводится к определению сил и затрат мощности при выполнении рабочих операций, подбору элементов привода механизмов, расчету отдельных узлов и деталей.
Условия расчета такие же, что и при определении кинематических параметров и сил, действующих на дозатор.
Для расчета усилия в распорке все силы резания балласта от призмы волочения, действующие на части крыла при работе, проектируем на горизонтальную плоскость.
Рисунок 6 – Схема компоновки опорных узлов дозатора
Сила на подъем дозатора двумя механизмами
(36)
где
- суммарные силы трения крыла и щита о балласт, кН;
Fтр – суммарное сопротивление перемещению щита дозатора по опорным роликам, кН
(37)
(38)
Определяем вес G, kH: щита, корня крыла, основной части крыла, основной части подкрылка.
Вес щита:
Вес корень крыла:
Вес основной части крыла:
Вес основной части подкрылка:
Определяем силу на подъем дозатора двумя механизмами Fп, кН
Отсюда усилие 1ого крыла : Fп = 19533/2 = 9776 кН
Мощность привода в начальный момент поворота крыла
(39)
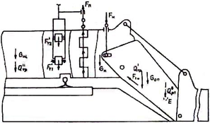
Рисунок 7 – Расчетная схема к определению сил действующих на дозатор
где Кн – коэффициент, учитывающий дополнительное сопротивление от сил трения в шарнирах крыла (Кн = 1,2). [1]
з – КПД гидропередачи, 0,95
Диаметр гидроцилиндра
(40)
где рном – номинальное давление в гидроприводе, МПа (рном = 16 МПа);
зцгм – КПД гидроцилиндра (зцгм = 0,95).
Ход поршня гидроцилиндра
(41)
Принимаем гидроцилиндр для строительных и дорожных машин ГЦО4 – 40 x 20x400
Расход жидкости гидроцилиндра
(42)
Внутренний диметр трубопровода
(43)
Принимаем dвн = 3 мм.
Список ИСПОЛЬЗОВАННЫХ ИСТОЧНИКОВ
1. Задорин Г.П. Дозирующие и профилирующие устройства путевых машин. Методические указания к курсовому и дипломному проектированию. Новосибирск, 2000. 38
2. Соломонов С.А. Путевые машины. Москва, 2000. 756
3. Правила тяговых расчетов для поездной работы. М.: Транспорт, 1985. 287
4. Мокин Н.В. Объемный гидропривод. Методические указания по выполнению курсовой работы. Новосибирск,1999. 39
5. СТО СГУПС 1.01СДМ.01-2007. Курсовой и дипломный проекты. Требования к оформлению. Новосибирск, 2007.















