147117 (691765), страница 3
Текст из файла (страница 3)
Система кондиционирования воздуха состоит из систем вентиляции, водяного отопления, электрического подогрева вентилирующего воздуха и охлаждения. Управление работой агрегатов автоматизировано.
Система вентиляции этого вагона существенно отличается от подобных систем вагонов других типов тем, что вентиляционный агрегат в ней расположен не со стороны служебного помещения, а с противоположной, некотловой стороны вагона. Это обеспечивает ряд преимуществ: удаление наружных жалюзи от дымовой трубы котла; облегчение доступа к вентилятору, воздухоохладителю, калориферу и фильтрам; возможность увеличения живого сечения рециркуляционного канала; улучшение условий монтажа, эксплуатации и ремонта оборудования. Вентилятор снабжен приводным электродвигателем постоянного тока мощностью 1,5 кВт.
Воздух подается в купе вагона из нагнетательного воздуховода через щелевые воздухораспределительные решетки, расположенные у потолка купе вдоль поперечных перегородок так, что встречные потоки воздуха, выходя из перфорированных панелей, резко уменьшают свои скорости. Из купе воздух выходит в коридор через решетки в продольной перегородке, расположенные под диванами. Рециркуляционный воздух засасывается из вагона вентилятором через решетку в потолке большого коридора с некотловой стороны вагона, а наружный воздух – через жалюзи на боковой стене вагона со стороны рециркуляционной решетки. За жалюзи установлена Заслонка, Которой можно регулировать количество засасываемого наружного воздуха, изменяя живое сечение решетки. Из вагона воздух удаляется в основном через дефлекторы в туалетах.
Система вентиляции имеет три ступени регулирования производительности, что достигается изменением частоты вращения вала электродвигателя вентилятора.
При работе системы кондиционирования воздуха в летнем режиме используются две скорости вращения колеса вентилятора: высокая при работе системы охлаждения и средняя при работе системы электроподогрева. При работе установки в зимнем режиме, когда действует водяное отопление, также используются две скорости: средняя и низкая.
Количество подаваемого в вагон воздуха при работе системы вентиляции на высокой скорости составляет 5000 м3/ч, на средней – 3000 м3/ч и на низкой – 2200 м3/ч. Во время стоянок поезда при питании электродвигателя от аккумуляторной батареи количество подаваемого воздуха снижается.
Система отопления вагона имеет верхнюю разводку труб от типового котла с совмещенным прямоугольным расширителем. С купейной стороны вагона проложены две гладкие обогревательные трубы, а с коридорной – одна труба с ребрами в зоне оконных проемов.
Подогрев воздуха, подаваемого в вагон в зимнее и переходное время года, производится трубчатым электрокалорифером мощностью 16 кВт, расположенным в канале системы вентиляции. Электрокалорифер состоит из двух секций, которые могут включаться при питании от генератора напряжением 145 В обе одновременно или только одна секция мощностью 9,5 кВт. При питании от аккумуляторной батареи может включаться лишь одна, меньшая по мощности секция.
В более поздней модификации этого вагона для подогрева воздуха, кроме электрокалорифера, применен калорифер водяного отопления мощностью 13 кВт. В этом случае использован односекционный электрокалорифер мощностью 4 кВт.
-
-
-
5. Описание конструкции и работы системы охлаждения
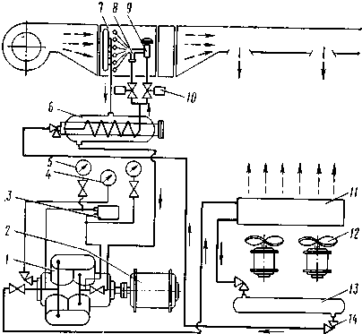
Система охлаждения оборудована холодильной установкой типа КЖ‑25П с номинальной холодопроизводительностью 29кВт. Установка объединяет три основных агрегата: компрессорный и конденсаторный, расположенные под рамой вагона, и испаритель-воздухоохладитель, вмонтированный в канал системы вентиляции. Все агрегаты соединены между собой медными трубами, часть труб покрыта изоляцией. На щите приборов контроля за работой установки, мановакууметр и манометр, масляный манометр и реле давления.
Компрессорный агрегат объединяет компрессор ФУ15 и электродвигатель постоянного тока мощностью 12,5кВт при напряжении 135В.
Конденсаторный агрегат состоит из: конденсатора, изготовленного из медных труб с насаженными на них дюраллюминевыми ребрами, ресивера и двух вентиляторов для охлаждения компрессора.
Воздухоохладитель представляет собой трубчатую оребренную батарею. Жидкий хладагент поступает в регулирующее устройство и через распределитель расходится по трубам воздухоохладителя. Испарившийся хладагент отсасывается компрессором из вертикального газового коллектора, объединяющего все трубы.
Теплообменник совмещен с фильтром-осушителем, предназначенным для удаления из жидкого хладагента механических примесей и влаги.
Регулирование холодопроизводительности установки КЖ‑25П осуществляется за счет применения дроссельно-регулирующего устройства.
Сток сжиженного хладагента происходит в ресивер. ИВО оборудован дроссельно-регулирущим устройством и терморегулирующим вентилем. На входе в ИВО стоят два электромагнитных вентиля.
Работа при различных частотах вращения происходит следующим образом. На низкой частоте открывается один соленоидный вентиль перед дроссельно-регулирующим устройством и подача хладагента в ИВО происходит через сопло, являющееся частью этого устройства. При работе компрессора на средней или высокой частотах открываются оба соленоидных вентиля и хладагент поступает в ИВО по объединенному распределительному устройству через сопло дроссельно-регулирующего устройства и терморегулирующий вентиль.
Достоинством такого метода регулирования является автоматически устанавливающаяся связь между тепловой нагрузкой и температурой испарения хладагента, что благоприятно сказывается на изменении влажности воздуха в вагоне.
| 1 – компрессор; | 8 – дроссельно-регулирующее устройство; |
| 2 – электродвигатель; | 9 – терморегулирующий вентиль; |
| 3 – реле давления; | 10 – соленоидные вентили; |
| 4 – масляный манометр; | 11 – конденсатор; |
| 5 – мановакууметр; | 12 – вентилятор; |
| 6 – теплообменник; | 13 – ресивер. |
| 7- ИВО; |
Рисунок 6.1 – схема холодильной установки КЖ‑25П
-
-
-
-
6. Расчет и построение холодильного цикла работы установки вагона
Для искусственного охлаждения воздуха в вагоне применения системы охлаждения, которые являются непременной составной частью вагонной установки кондиционирования воздуха. Сама система охлаждения состоит из холодильной установки и устройств для распределения охлажденного воздуха по пассажирскому помещению.
Порядок построения:
Определение температуры кипения хладагента.
Температура испарения (кипения) хладагента to(oC) определяется по следующей формуле /6, с. 18/:
,
где
средняя температура воздуха отделения пассажирского вагона, продуваемого через испаритель, оС;
разность температур воздуха и испарения хладагента, оС.
Принимаем tВ=23оС.
tо=1218оС /6, с. 18/. Принимаем tо=15оС.
Тогда
.
В области влажного пара изотерма и изобара совпадают. По изотерме tо проводим изобару Pо, на пересечении изобары pо и кривой паросодержания x=1 получим точку 1.
Определение температуры конденсации.
Температуру конденсации tк(оС) определяем по следующей формуле:
,
где
температура наружного воздуха;
приращение температуры конденсации;
/6, с. 18/;
По изотерме tк строим изобару Pк соответственно точки 3 и 2 получим пересечение изобары tк с кривой паросодержания x=0.
Построение точки 1.
ti=tвсас.+tвсас.
где tвсас=(1525)оС.
Тогда ti=8+20=28оС
Точка 1 располагается в области перегретого пара на пересечении изобары Pо и изотермы tвсас..
Построение точки 2.
Точка 2 получается в результате пересечения адиабаты, проведенной из точки 1, с изобарой Pк.
Построение точек 3 и 4.
Температуру переохлаждения хладагента на ходим по формуле:
,
где
изотерма конденсации;
;
.
В области влажного воздуха находим изотерму
. Проводим до пересечения с кривой паросодержания
. Восстановив перпендикуляр до изобары
, получаем точку 3. Если провести из точки 3 и изобары
перпендикуляр на изобару
получим точку 4.
Данные с графика:
i1=555кДж/кг; i1 =567кДж/кг;
i2 =568кДж/кг; i2 =585кДж/кг;
i3=440кДж/кг; i3 =i4=425кДж/кг.
удельный объем всасываемых компрессором паров;
температура перегрева пара в точке 2.
Таблица 6.1 – Результаты расчета
| Определяемый параметр | Расчетная формула | Хладон‑12 |
| Холодопроизводительность 1 кг. хладагента (удельная масса), кДж/кг | qо=i1-i4 | qо=555–440=115 |
| Теоретическая работа сжатия хладагента в компрессоре, кДж/кг | l=i2-i1 | l=585–555=30 |
| Тепло, отданное 1 кг. Хладагента, кДж:
| qк=i2-i3 qи=i3-i3 | qк=585–440=145 qи=440–425=15 |
| Холодильный коэффициент | =qо/l. | =115/30=3,83 |
| Объемная холодопроизводительность хладагента, кДж/м3 | qV =qо/Vуд. | qV=115/0,06=1916,67 |
| Объем паров хладагента, всасываемых компрессором, м3/ч | V=3600Qо/qV | V=360029/1916,67= =54,47 |
| Масса циркулирующего хладагента, кг/ч | G=3600Qо/qо | G=360029/115= =907,83 |
| Теоретическая мощность компрессора, кВт:
| NТ=Qo / NT=Gl/3600 | NT=29/3,83=7,57 NT=907,8330/3600= =7,57 |
| Тепловая нагрузка на переохладитель, кВт | Qи=Gqи/3600 | Qи=907,8315/3600= =3,78 |
| Тепловая нагрузка на конденсатор, кВт | Qк=Qо+NT= =(Qo /)(+1) | Qк=(29/3,83)4,83= =36,57 |
7. Приборы автоматики холодильной установки вагона
Холодильные установки обычно работают в автоматическом режиме с помощью специальных приборов, обеспечивающих стабильность процессов и сохранность оборудования. Назначение автоматического регулирования холодильной установки состоит в следующем: обеспечить правильное заполнение испарителя хладагентом; обеспечить включение или отключение соответствующих аппаратов или секций в зависимости от тепловой нагрузки; защитить линию нагнетания от чрезмерного повышения давления; защитить линию всасывания от понижения давления; не допускать снижения давления масла ниже заданной величины; защитить электродвигатели от чрезмерного перегрева; обеспечить заданную температуру воздуха в вагоне. В системе автоматического регулирования применяются приборы, к которым относятся: регуляторы заполнения испарителя – термо- или барорегулирующие вентили; защитные приборы–реле давления и температуры; исполнительные приборы – соленоидные вентили; приборы контроля–манометры, сигнальные указатели.
















