125995 (690818), страница 2
Текст из файла (страница 2)
Мотл=Мд+Мпр.м.обр.+Мн.э+Мд.э±ΔМ, (1.5)
где Мотл – масса отливки, кг;
Мд – масса детали, кг;
Мпр.м.обр – масса припусков на механическую обработку, кг;
Мн.э – масса не проливных элементов , кг;
Мд.э – масса дополнительных элементов, кг;
ΔМ – допуск массы, кг.
Масса припусков на механическую обработку определяется по формуле [4]
, (1.6)
где
- суммарный объем припусков на механическую обработку, м
;
ρ - плотность стали 30Л, кг/м3, ρ =7800 [5].
Масса непроливных элементов определяется по формуле
, (1.7)
где
- суммарный объем непроливных элементов.
Величину объемов и масс смотри в приложении Б.
Мпр.мех.обр. = (0,037874+0,008223+0,008348+0,007636)∙7800 =484,2 кг.
Мн..э = (6∙0,000007+2∙0,000052+0,000181)∙7800 = 2,6 кг.
Масса дополнительных элементов будет составлять
М д. э.=( 0,000168+0,00049)·7800=5,1кг.
Таким образом, масса отливки будет равна
Мотл.= 1114+484,2+2,6+5,1= 1605,9 кг .
С учетом допуска 12%, масса отливки будет составлять
Мотл. = 1605,9±192,7 кг.
1.8 Определение границ стержней и их знаков
Литейными стержнями называют элементы литейной формы, изготавливаемые отдельно от полуформ по специальной (как правило) оснастке и предназначенные для получения в отливке отверстий и полостей, которые не могут быть получены от модели. Стержни, как правило, ставят в форму после сушки, чтобы увеличить их прочность и уменьшить газотворность.
Стержневые знаки служат для обеспечения правильного и надежного фиксирования стержня в форме и удаления из него газов во время заливки.
Для выполнения отливки "Ступица" необходимо пятнадцать стержней.
Основным положением при разработке технологического процесса отливки является выбор границ стержней, определение формы и размеров знаков стержней с учетом знаков фиксаторов, определение мест расположения и размеров вентиляционных каналов стержней и др.
Разъем стержневого ящика и основное направление набивки показано стрелками на рисунках 1.5, 1.6 и 1.7.
При выборе границ стержней необходимо руководствоваться следующими основными требованиями:
– границы стержней должны обеспечивать простоту изготовления стержневого ящика, наименьшее число отъемных частей в нем, вкладышей, так как они не обеспечивают точности и быстро выходят из строя;
– основные опорные знаки стержней следует проектировать в нижней части литейной формы, особенно при крупных и сложных стержнях;
– верхние знаки стержней должны обеспечивать их точную фиксацию в литейную форму;
– крупные стержни необходимо просушивать в том положении, в котором их устанавливают в литейную форму;
– располагать стержни в нижней полуформе, так как на установку и крепление стержня в верхней полуформе затрачивается в 5-6 раз больше времени, чем в нижней.
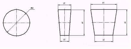
Рисунок 1.5 – Эскиз стержня №1
Рисунок 1.6 – Эскиз стержня №2
Рисунок 1.7 – Эскиз стержня №3
При разработке ТП получения отливки начинают с нанесения внешнего контура стержней и границ между ними. Сначала определяют внешние очертания стержня. При этом избегают применения лишних стержней, если части стенок отливки или ее плоскость можно получить по модели. Затем уточняют контур каждого стержня, исходя из следующих технологических требований:
– создание простейшей конструкции и удобства набивки стержневого ящика;
– минимальное проведение работ по отделке стержней;
– получение плоской опорной поверхности.
Величина стержневых знаков, как для горизонтальных, так и для вертикальных стержней назначается в соответствии с ГОСТ 3212-92 в зависимости от габаритных размеров стержня, характера литейной формы (сухая, сырая, с химическим твердением, вместе с оснасткой и др.) и от размера в сечении знака стержня.
Принимаем величину знаков 60 мм (для стержня №1) и 50 мм (для стержня №2), уклоны для обоих стержней 7○ и также зазоры 2,2 мм. Согласно ГОСТ 3212-92. Стержень №3 выполняется без знаковой части в неразъемном ящике.
1.9 Расчет прибылей
Прибыли применяются для получения плотных отливок без дефектов усадочного происхождения: раковин и пористости. В процессе формирования отливки прибыль составляет с нею единое целое и располагается таким образом, чтобы металл, сохраняющийся в ней в жидком состоянии, мог непрерывно поступать в затвердевающие части отливки для компенсации уменьшения их объема.
Для выполнения своего назначения прибыль должна удовлетворять следующим требованиям:
- затвердевать позже отливки;
- в течение всего периода затвердевания отливки иметь необходимый для питания избыток жидкого металла.
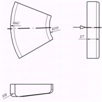
Расчет размеров прибылей проводится на ПЭВМ. Результаты расчетов приведены в приложении В. Эскизы прибылей представлены на рисунке 1.8.
Рисунок 1.8 – Эскизы прибылей а)полушаровая, б)полушаровая полукольцевая закрытые
1.10 Расчет литниковой системы
Литниковая система – система каналов и устройств для подвода в определенном режиме жидкого металла в полость литейной формы, отделения неметаллических включений и обеспечения питания отливки при затвердевании. Литниковую систему размещаем по разъёму литейной формы и вне разъема.
Правильная конструкция литниковой системы должна обеспечивать непрерывную подачу расплава в форму по кратчайшему пути, спокойное и плавное её заполнение, улавливание шлака и других неметаллических включений, создание направленного затвердевания отливки, минимальный расход металла на литниковую систему, не вызывать местных разрушений формы вследствие большой скорости и неправильного потока металла.
Литниковая система включает следующие элементы:
1) стояк - вертикальный канал, соединяющий литниковую чашу (воронку) со шлакоуловителем;
2) Литниковый ход - горизонтальный трапецеидальный канал, соединяющий стояк с питателями;
3) выпор - вертикальный канал, расположенный на самой верхней части полости формы или соединенный с нею боковым каналом (отводной выпор), служащий для вывода газов из формы, а также для наблюдения за ходом заливки формы;
4) питатель - горизонтальный канал, соединяющий шлакоуловитель с отливкой.
5) Литниковую чашу (воронку) – элемент литниковой системы для приема жидкого металла и его направления в стояк.
Для расчета литниковой системы необходимо знать положение отливки при заливке и места подвода металла, размещение моделей на плите.
Правильная конструкция литниковой системы должна обеспечивать:
- непрерывную подачу расплава в форму по кратчайшему пути, спокойное и плавное ее заполнение;
- улавливание шлака и других неметаллических включений;
- создание направленного затвердевания;
- минимальный расход металла на литниковую систему;
- исключение местных разрушений формы.
Расчет литниковой системы проведен на ПЭВМ. На рисунке 1.8 изображены площади сечения стояка, литникового хода и питателя. Результаты расчетов представлены в приложении В. Для расчета массу выпоров берем 1…2% от массы отливки.
Рисунок 1.8 Сечения элементов литниково–питающей системы
| Fст=34,6 см2 | Fл.х.=17,3 см2 | Fпит=34,6 см2 |
| Кол. 1 | Кол. 2 | Кол. 2 |
| ∑ Fст=34,6 см2 | ∑ Fл.х.=34,6 см2 | ∑ Fпит=69,2 см2 |
| а) стояк | б) литниковый ход | в) питатель |
1.11 Расчет выпаров
Выпор служит для удаления воздуха и газов из полости литейной формы во время заливки ее жидким металлом. Кроме этого своего основного назначения выпор сигнализирует о конце заливки, уменьшает динамическое давление металла на форму и иногда служит для питания отливки (питающий выпор).
Выпоры устанавливают на самых высоких частях или в верхних местах отливки, имеющих замкнутый объем, из которого затруднен отвод воздуха и газов. При использовании закрытых прибылей на них также устанавливают выпоры. При определении мест установки выпоров избегают установки их на массивных частях отливки в связи с тем, что это приводит к образованию усадочных раковин под выпором.
Суммарную площадь поперечного сечения выпоров можно определить по формуле
; (1.8)
где ∑fв - суммарное сечение выпоров, м2;
Vотл - объем полости формы, м3;
τ - оптимальная продолжительность заливки формы расплавом, τ=51 с (прил. Г);
v- критическая скорость истечения воздуха через выпор, м/с.
Объем отливки определяют по массе жидкого металла, заливаемого в форму, Мж (прил. Д) и его плотности
ж:
(1.9)
Vотл=2542,3/7600=0,334513 м3.
Суммарная площадь выпоров равна
∑fв=2∙0,334513/51∙1= 0,013118 м2.
Критическая скорость v не должна превышать 1,0 м/с.
Так как Самой высокой точкой отливки является прибыль и их количество 9 шт., то принимаем что в отливке такое же количество выпоров.
Площадь сечения одного выпора можно определить по формуле
f=∑fв/nв, (1.11)
где ∑fв – суммарная площадь сечения выпоров;
nв– количество выпоров, принимаем 9 шт.
f=0,013118/9= 0,001458 м2
Диаметр 1 выпора равен
м
Исходя из расчета, принимаем диаметр выпора 45 мм.
2. ВЫБОР РАЗМЕРОВ ОПОК
Литейная опока - приспособление для удержания формовочной смеси при изготовлении литейной формы, транспортировании ее и заливки жидким металлом.
Выбор оптимальных размеров опок и размещение моделей в опоке или на плите имеет важное значение. Большие габариты опок значительно увеличивают удельный расход формовочных материалов. Уменьшение размеров опок при одном и том же количестве моделей приводит к появлению различных дефектов (обвал частей формы, утечка металла из формы во время заливки и т.п.).
При выборе размеров опок следует учитывать, что использование чрезмерно больших опок влечет за собой увеличение затрат труда на уплотнение формовочной смеси, нецелесообразный расход смеси; использование очень маленьких опок может вызвать брак отливок вследствие продавливания металлом низа формы, ухода металла по разъему и т.п.
Выбираем рекомендуемую толщину слоев формовочной смеси на различных участках формы по таблице 8.10[4].
Минимально допустимая толщина слоя, мм:
– от верха модели до верха опоки – 200;
– от низа модели до низа опоки – 250;
– от модели до стенки опоки – 100;
– между моделью и шлакоуловителем –150;















