125906 (690751), страница 2
Текст из файла (страница 2)
Вращающиеся печи с циклонными теплообменниками из прямоточных элементов, предложенные Ф. Мюллером, в начале пятидесятых годов стала выпускать фирма "Гумбольдт" (ФРГ). Вращающиеся печи с циклонными теплообменниками оказались настолько эффективными, что вслед за фирмой "Гумбольдт" их стали конструировать и выпускать почти все зарубежные фирмы, производящие оборудование для цементной промышленности. Наилучших результатов в отношении экономичности и мощности печей достигли фирмы "Полизиус", "Ведаг" и "Крупп" (ФРГ). Печи относительно небольшой производительности выпустили американский филиал датской фирмы "Смидт" и Пржеровский машиностроительный завод (Чехия).
В настоящее время основное наиболее эффективное и перспективное направление развития техники производства цементного клинкера сухим способом состоит в применении и усовершенствовании вращающихся печей с циклонными теплообменниками.
1.2 Автоматизация процесса обжига цементного клинкера с циклонным теплообменником
Цементный клинкер обжигают во вращающихся печах. Вращающаяся печь представляет собой теплообменный технологический аппарат в виде вращающегося со скоростью 0,5 - 1 об/мин цилиндра, расположенного на опорах. Благодаря наклону (3 - 5% к горизонту) и вращению цилиндра на опорах сырьевой материал непрерывно перемещается в печи. Цилиндр вращается при помощи привода, устанавливаемого примерно посередине цилиндра.
Современные вращающиеся печи для обжига клинкера, как правило, оборудованы запечными теплообменниками, в которых осуществляется подогрев и частичная декарбонизация сырьевой смеси. Расход тепла на обжиг клинкера составляет 750-850 ккал/кг клинкера. При мокром способе размол сырьевых компонентов осуществляется в мельницах в присутствии воды, которая играет роль понизителя твёрдости, интенсифицирует процесс помола и снижает удельный расход энергии на помол. Полученная сметанообразная масса (шлам) корректируется до заданного состава и направляется на обжиг. За счёт испарения воды шлама в печи расход тепла на обжиг увеличивается в зависимости от размера и конструкции печи составляет 5,45 - 6,7 Мдж/кг (1300-1600 ккал/кг) клинкера. При комбинированном способе сырьевая смесь готовится по схеме мокрого способа, затем обезвоживается на вакуум-фильтрах или вакуум-прессах, формуется (обычно в виде гранул) и поступает на обжиг. Расход тепла при этом составляет около 4,19 Мдж/кг (1000 ккал/кг) клинкера.
На процесс, происходящий в печи, влияет множество факторов - количество, влажность, химический состав и тонкость помола шлама (или состав и количество муки), количество и калорийность топлива, температура и количество вторичного воздуха, волнообразность движения материала внутри печи и т.п.
Правильному выбору и поддержанию заданного режима работы печи в значительной мере способствует автоматический контроль и автоматическое регулирование параметров процесса обжига. В настоящее время печи оснащают большим количеством приборов контроля и регулирования.
Полная схема системы автоматического контроля и регулирования печи сложна и громоздка. Ниже рассмотрена упрощенная схема автоматического регулирования основных параметров печи.
Вращающаяся печь в зависимости от характера процессов, протекающих в обжигаемом материале на различных ее участках, условно может быть разделены на зоны сушки, подогрева, кальцинирования, экзотермических реакций, спекания и охлаждения. Сырьевая смесь, поступающая в печь, в зоне сушки нагревается до температуры мокрого термометра. Этот участок характеризуется конвективным теплообменом между дымовыми газами и шламом. Большая часть тепла расходуется на испарение физически связанной влаги. Материал переходит в пластичное состояние, а в конце зоны гранулируется. Зона подогрева характеризуется быстрым ростом температуры до 700º C и дегидратацией минералов сырьевой смеси. В этой зоне происходит лучистый теплообмен между футеровкой и материалом, газом и материалом и регенеративный теплообмен через футеровку.
В следующей зоне - кальцинирования - при температуре 850 - 950º C протекает эндотермическая реакция декарбонизации CaCO3 с выделением CO2. Эту зону можно рассматривать в виде теплообменника с постоянной температурой потока. В зоне экзотермических реакций и спекания протекают экзотермические реакции новообразований, что приводит к резкому подъему температуры материала до 1300º C. Затем происходит клинкерообразование, причем возникающая жидкая фаза играет роль катализатора для образования трехкальциевого силиката при температуре 1400º C. Здесь поглощается большое количество тепла, при этом температура материала является постоянной по длине зоны. В зоне охлаждения температура клинкера снижается до 1000º C. Окончательно клинкер охлаждается в холодильниках.
Из краткого описания процессов, происходящих во вращающейся печи, видно, что необходимым условием протекания процесса обжига клинкера является поддержание нужной температуры в определенных участках.
Экономическая эффективность и простота вращающихся печей с циклонными теплообменниками выгодно отличают от других типов печей, например от печей с конвейерными кальцинаторами.
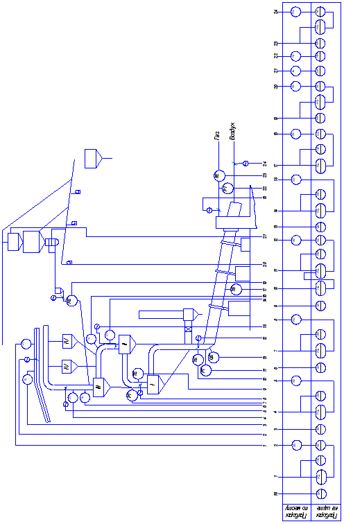
Вращающаяся печь с циклонными теплообменниками (рис.3, стр.13) состоит из циклонов, соединенных последовательно друг с другом и расположенных один над другим, вращающегося цилиндра и колосникового холодильника. Сырьевая мука при помощи питательных устройств подается в газоход перед циклоном III; в газоходе сырье подхватывается идущим из печи газовым потоком и поступает в циклоны IV, в которых основная масса сырьевой муки осаждается. Осажденная часть сырья из этих циклонов возвращается в газоход перед циклоном II, где снова подхватывается газовым потоком и поступает в циклон III. Осажденная в этом циклоне сырьевая мука поступает в газоход над циклоном I и т.д. При прохождении через циклоны сырье за счет тепла газового потока подвергается сушке и частичной декарбонизации и по питательной течке поступает в печь. В печи, продвигаясь навстречу потоку горячих газов, сырье обжигается и выходит из нее уже в виде клинкера, имеющего температуру около 1100º C. Клинкер поступает в колосниковый холодильник.
Рис. 3. Функциональная схема АСР обжига цементного клинкера с циклонным теплообмінником.
После охлаждения клинкера часть нагревшегося в холодильнике воздуха поступает в печь, а часть, пройдя очистку в аспирационной установке, сбрасывается через выхлопную трубу. Осажденная в аспирационной камере пыль по течке поступает на клинкерный конвейер. Тепло выходящих из печи газов используют в циклонных теплообменниках. После циклонных теплообменников дымовые газы проходят осадительные циклоны и электрофильтры, в которых очищаются от пыли, и далее выбрасываются через дымовую трубу в атмосферу. Пыль из циклонов подается в печь шнеками, а из электрофильтров - пневмонасосами либо в отделение смесительных силосов, либо в печь. В печи с циклонными теплообменниками имеются механизмы следующих трех групп: механизмы питания печи сырьевой мукой, обжига и охлаждения; тягодутьевые механизмы и механизмы пылеулавливания и транспортирования уловленной пыли. Для управления этими механизмами предусматривается дистанционное управление с блокировкой со щита машиниста печи, являющееся основным видом управления. И местное управление (без блокировки), которым пользуются только при проведении наладочных и ремонтных работ. На период розжига печи предусмотрено деблокированное управление отдельными механизмами печного агрегата (в том числе главным приводом печи и вентилятором первичного воздуха). С деблокированного управления на блокированное переводят на ходу без остановки механизмов. Работа главного привода печи сблокирована с работой системы смазки. Вспомогательный привод печи используют только при ремонтных работах. Для него применено местное управление.
Управляют встряхивающими механизмами электрофильтров и включают высоковольтные агрегаты электрофильтров со щита управления подстанции электрофильтров с одновременной сигнализацией об их работе на щите машиниста печи. При этом электроды электрофильтров встряхивают автоматически по заданной программе в соответствии с режимом встряхивания.
При нарушении нормальной работы системы смазки автоматически включается резервный маслонасос. Если после включения резервного насоса нормальная работа смазки не восстанавливается, то с выдержкой времени отключается электродвигатель привода печи. При превышении уровнем сырья в бункере заданного предела прекращается подача сырьевой муки из отделения смесительных силосов.
Для обеспечения нормальной работы агрегата имеется сигнализация: предпусковая звуковая; состояния механизмов (сигнальные лампы горят ровным светом при работе механизмов и не горят совсем при нормальной их остановке; при аварийной остановке лампы мигают); превышения температуры колосниковой решетки горячей зоны холодильника; превышения верхнего уровня сырья в бункере.
1.3 Требования к автоматизированным системам контроля и управления
В условиях непрерывности технологического процесса, высокой производительности печных агрегатов система технического, технологического и теплотехнического контроля должна способствовать получению необходимой информации для обеспечения сохранности и работоспособности оборудования, управления технологическим процессом, контроля и соблюдения параметров производства продукции заданного качества.
Контроль параметров, характеризующих состояние процесса и режим работы печных установок, а также их измерение при проведении испытаний - один из важнейших в деле технологической наладки исходя из задач как поиска и установления параметров оптимального режима, так и поддержания их при последующей эксплуатации в выбранном оптимальном режиме.
При наладке вращающихся печей всегда следует учитывать, что неправильные показания приборов контроля, искаженная информация о состоянии процесса не только бесполезны, но и вредны, так как вызывают неправильные действия оператора, а следовательно, не позволяют обеспечить оптимальный режим работы печной установки и получить максимальную производительность. Поэтому все приборы должны быть исправны и показания их должны соответствовать фактическим значениям измеряемых параметров.
Общая задача управления вращающейся печью заключается в нормализации теплового режима и поддержания этого режима в процессе работы с помощью средств контроля и управления.
Управление печью и всеми вспомогательными механизмами должно быть сосредоточено у рабочего места оператора. Система автоматического управления технологическим процессом должна удовлетворять следующим требованиям:
максимальное отклонение регулируемой величины,
статическая ошибка
время регулирования,
2. Определение параметров объекта регулирования
Таблица 2. Данные экспериментальной кривой разгона
| Параметр | 1 | 2 | 3 | 4 | 5 | 6 | 7 | 8 | 9 | 10 | 11 | 12 |
| θ, ºС | 80,0 | 80,1 | 80,1 | 80,2 | 80,3 | 80,8 | 81,1 | 81,5 | 83,0 | 84,0 | 87,9 | 90,0 |
| t, с | 0 | 20 | 40 | 60 | 100 | 160 | 200 | 250 | 400 | 500 | 1000 | 3000 |
Строим кривую разгона, заданную табл. 2. Эквивалентная кривая разгона представляет собой экспоненту с запаздыванием τ. По формуле
определяем координаты экспоненты по времени (табл.3).
Таблица 3.
| Параметр | 1 | 2 | 3 | 4 | 5 | 6 | 7 | 8 | 9 | 10 | 11 | 12 |
| θ, ºС | 80,0 | 80,2 | 80,2 | 80,3 | 80,4 | 80,9 | 82 | 83 | 84,9 | 86 | 88,8 | 89,4 |
| t, с | 0 | 20 | 40 | 60 | 100 | 160 | 200 | 250 | 400 | 500 | 1000 | 3000 |
Рис 4. Экспериментальная (а) и эквивалентная (б) кривые разгона.
По экспериментальной кривой определяем постоянную времени T0=600с и время запаздывания
=100с
По формуле
определяем координаты экспоненты во времени.
Находим среднеквадратическое отклонение экспериментальных данных от характеристики, полученной во время расчетов:















