125886 (690739), страница 3
Текст из файла (страница 3)
Диаметр вала:
dт ≥ (5…6)
= (5…6)
= 35,9…43,1
Принимаем: dт = 42 мм
Диаметр под подшипники:
dбт ≥ dт + 2t = 42 + 2 · 2,8 = 47,6 мм, где t = 2,8 из [1].
Диаметр под подшипники принимаем dбт = 50 мм (ГОСТ 8338-75).
Учитывая отсутствие осевых нагрузок, предварительно выбираем подшипник шариковый радиальный 310 ГОСТ 8338-75 [2].
Его размеры: d = 50 мм, D = 110 мм, b = 27 мм.
Динамическая грузоподъемность подшипника: С = 61,8 кН.
Статическая грузоподъемность Со = 36 кН.
dбп ≥ dбт + 3r = 50 + 3 · 3 = 59 мм; принимаем: dбп = 60 мм.
По имеющимся данным, основываясь на рекомендациях [1] проводим эскизную компоновку редуктора (см. приложение).
-
Расчет тихоходного вала и расчет подшипников для него
Исходные данные для расчета:
Ft2 = 3108 H, Fr2 = 1131 H, a = 180 мм, b = 76 мм, с = 104 мм.
Усилие от муфты: FM = 250
= 250
= 4828 H
Реакции от усилий в зацеплении:
RAx(a + b) – Ft2b = 0; RAx = Ft2b / (a + b) = 3108 · 0,076 / 0,256 = 923 H
RBx = Ft2 - RAx = 3108 – 923 = 2185 H
Mx = RBxb = 2185 · 0,076 = 166 H · м
RAy = Fr2b / (a + b) = 1131 · 0,076 / 0,256 = 336 H
RBy = Fr2 - RAy = 1131 – 336 = 795 H
My = RByb = 795 · 0,076 = 60 H · м
Реакции от усилия муфты:
FM(a + b + c) – RAFм(a + b) = 0;
RAFм = FM(a + b + c) / (a + b) = 4828 · 0,36 / 0,256 = 6789 H
RBFм = RAFм - FM = 6789 – 4828 = 1961 H
RA =
=
= 982 H
RB =
=
= 2325 H
Для расчета подшипников:
RA' = RA + RAFм = 982 + 6789 = 7771 H
RB' = RB + RBFм = 2325 + 1961 = 4286 H
Опасное сечение I – I. Концентрация напряжений в сечении I – I вызвана напрессовкой внутреннего кольца подшипника на вал с натягом.
Материал вала – сталь 45, НВ = 240, σв = 780 МПа, σт = 540 МПа, τт = 290 МПа,
σ-1 = 360 МПа, τ-1 = 200 МПа, ψτ = 0,09, [2].
Расчет вала в сечении I - I на сопротивление усталости.
σа = σu = МAFм / 0,1dт3 = 706 · 103 / 0,1 · 503 = 56,5 МПа
τа = τк /2 = Т3 / 2 · 0,2dт3 = 373 · 103 / 0,4 · 503 = 7,5 МПа
Кσ / Кdσ = 3,8 [2]; Кτ / Кdτ = 2,2 [2];
KFσ = KFτ = 1 [2]; KV = 1 [2].
KσД = (Кσ / Кdσ + 1 / КFσ – 1) · 1 / KV = (3,8 + 1 – 1) · 1 = 3,8
KτД = (Кτ / Кdτ + 1 / КFτ – 1) · 1 / KV = (2,2 + 1 – 1) · 1 = 2,2
σ-1Д = σ-1 / KσД = 360 / 3,8 = 94,7 МПа
τ-1Д = τ -1 / KτД = 200 / 2,2 = 91 МПа
Sσ = σ-1Д / σа = 94,7 / 56,5 = 1,7; Sτ = τ -1Д / τ а = 91 / 7,5 = 12,1
S = Sσ Sτ /
= 1,7 · 12,1 /
= 2,6 > [S] = 2,5
Прочность вала обеспечена.
Расчет подшипника.
Расчет ведем по ГОСТ 18855-82.
Эквивалентная нагрузка:
Рэ = (XVPr1 + YPa1)KбKT,
в которой радиальная нагрузка Pr1 = 7771 H; осевая нагрузка Pa1 = 0 H;
V = 1 - вращается внутреннее кольцо; коэффициент безопасности: Kб = 1,3; КТ = 1 [3].
Рэ = 1,3·7771 = 10102 H < C = 61800 Н
Расчетная долговечность, млн. об:
L = (C/Pэ)3 = (61800/10102)3 = 228 млн. об.
Расчетная долговечность, ч:
Lh = L·106/60n = 228·106/60·99,9 = 38038 ч,
что больше установленных ГОСТ 16162-85. Подшипник выбран верно.
-
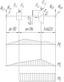
Расчет промежуточного вала и расчет подшипников для него
Исходные данные для расчета:
Ft1 = 3108 H, Fr1 = 1131 H, d = 70 мм, e = 114 мм, f = 60,5 мм.
Ft2 = 1358 H, Fr2 = 188 H, Fa2 = 455 H.
Реакции опор:
в плоскости xz:
RDX = (Ft1d + Fr2(d+e) + Fa2d2/2)/(d+e+f) =(3108·70 + 188·184 + 455·112)/244,5 =
= 1240 Н;
RCX = (Fr2f + Ft1(f+e) - Fa2d2/2)/(d+e+f) =(188·60,5 + 3108·174,5 - 455·112)/244,5 =
= 2056 Н;
Проверка: RDX + RCX - Ft1 – Fr2 = 1240 + 2056 - 3108 – 188 = 0.
в плоскости yz:
RDY = (Fr1d + Ft2(d+e))/(d+e+f) =(1131·70 + 1358·184)/244,5 = 1346 Н;
RCY = (Ft2f + Fr1(f+e))/(d+e+f) =(1358·60,5 + 1131·174,5)/244,5 = 1143 Н;
Проверка: RDY + RCY – Fr1 - Ft2 = 1346 + 1143 – 1131 - 1358 = 0.
Суммарные реакции:
RD =
=
= 1830 H;
RC =
=
= 2352 H;
Опасное сечение – место под колесо цилиндрической передачи.
Материал вала – сталь 45, НВ = 240, σв = 780 МПа, σт = 540 МПа, τт = 290 МПа,
σ-1 = 360 МПа, τ-1 = 200 МПа, ψτ = 0,09, [2].
Найдем значения изгибающих моментов в наиболее опасном сечении:
Му = RDX(e+f) – Fr2e - Fa2d2/2 = 1240 · 0,1745 – 188 · 0,114 – 455 · 0,112= 144 Н·м;
Мх = RDY(e+f) – Ft2e = 1346 · 0,1745 – 1358 · 0,114 = 80 Н·м;
Мсеч =
=
= 165 Н·м.
Расчет вала в опасном сечении на сопротивление усталости.
σа = σu = Мсеч / 0,1dпр3 = 165 · 103 / 0,1 · 403 = 25,8 МПа
τа = τк /2 = Т2 / 2 · 0,2dпр3 = 130,4 · 103 / 0,4 · 403 = 5,1 МПа
Кσ / Кdσ = 3,8 [2]; Кτ / Кdτ = 2,2 [2];
KFσ = KFτ = 1 [2]; KV = 1 [2].
KσД = (Кσ / Кdσ + 1 / КFσ – 1) · 1 / KV = (3,8 + 1 – 1) · 1 = 3,8
KτД = (Кτ / Кdτ + 1 / КFτ – 1) · 1 / KV = (2,2 + 1 – 1) · 1 = 2,2
σ-1Д = σ-1 / KσД = 360 / 3,8 = 94,7 МПа
τ-1Д = τ -1 / KτД = 200 / 2,2 = 91 МПа
Sσ = σ-1Д / σа = 94,7 / 25,8 = 3,7; Sτ = τ -1Д / τ а = 91 / 5,1 = 17,8
S = Sσ Sτ /
= 3,7 · 17,8 /
= 3,65 > [S] = 2,5
Прочность вала обеспечена.
Расчет подшипника.
Расчет ведем по ГОСТ 18855-82.
Эквивалентная нагрузка:
Рэ = (XVPr1 + YPa1)KбKT,
в которой радиальная нагрузка Pr1 = 2352 H; осевая нагрузка Pa1 = Fa2 =455 H;
V = 1 - вращается внутреннее кольцо; коэффициент безопасности: Kб = 1,3; КТ = 1 [3].
Отношение Fa2 / Со = 455 / 25500 = 0,017; этой величине соответствует е = 0,36.
Отношение Рa1 / Pr1 = 455 / 2352 = 0,19 < е; Х = 1; Y = 0.
Рэ = (1·2352 + 0· 455) · 1,3 = 3058 H < С = 38000 Н
Расчетная долговечность, млн. об:
L = (C/Pэ)3 = (38000/3058)3 = 1918 млн. об.
Расчетная долговечность, ч:
Lh = L·106/60n = 1918·106/60·295,1 = 11·104 ч,
что больше установленных ГОСТ 16162-85. Подшипник выбран верно.
-
Расчет быстроходного вала и расчет подшипников для него
Исходные данные для расчета:
Ft1 = 1358 H, Fr1 = 455 H, Fa1 = 188 H, d1 = 92 мм.
g = 88 мм, h = 33 мм, l = 22 мм.
Усилие от муфты: FM = 250
= 250
= 1866 H
Реакции опор:
в плоскости xz:
RЕX = (- Fr1l + Fa1d1/2)/h = (-455·22 + 188·46)/33 = -41 Н;
RFX = Fr1 (l+h) - Fa1d1/2)/h =(455·55 - 188·46)/33 = 496 Н;
Проверка: REX + RFX - Fr1 = -41 + 496 - 455 = 0.
в плоскости yz:
REY = -Ft1l/h = -1358·22/33 = -905 Н;
RFY = Ft1 (l+h)/h = 1358·55/33 = 2263 Н;
Проверка: REY + RFY – Ft1 = -905 + 2263 - 1358 = 0.
Суммарные реакции:
RE =
=
= 906 H;
RF =
=
= 2317 H;
Mx = Fa1d1/2 = 188 · 0,046 = 8,6 H · м
My = Ft1l = 1358 · 0,022 = 30 H · м
Реакции от усилия муфты:
FM g – RFFм h = 0;
RFFм = FM g / h = 1866 · 0,88 / 0,33 = 4976 H
REFм = RFFм + FM = 4976 + 1866 = 6842 H
МЕFм = RFFм h = 4976 · 0,033 = 164 H · м
Для расчета подшипников:
RE' = RE + REFм = 906 + 6842 = 7748 H
RF' = RF + RFFм = 2317 + 4976= 7293 H
Расчет вала в опасном сечении на сопротивление усталости.
σа = σu = Мсеч / 0,1dб3 = 164 · 103 / 0,1 · 353 = 38,3 МПа
τа = τк /2 = Т1 / 2 · 0,2dб3 = 55,7 · 103 / 0,4 · 353 = 3,2 МПа
Кσ / Кdσ = 3,8 [2]; Кτ / Кdτ = 2,2 [2];
KFσ = KFτ = 1 [2]; KV = 1 [2]
KσД = (Кσ / Кdσ + 1 / КFσ – 1) · 1 / KV = (3,8 + 1 – 1) · 1 = 3,8
KτД = (Кτ / Кdτ + 1 / КFτ – 1) · 1 / KV = (2,2 + 1 – 1) · 1 = 2,2
σ-1Д = σ-1 / KσД = 360 / 3,8 = 94,7 МПа
τ-1Д = τ -1 / KτД = 200 / 2,2 = 91 МПа
Sσ = σ-1Д / σа = 94,7 / 38,3 = 2,5; Sτ = τ -1Д / τ а = 91 / 3,2 = 28,4
S = Sσ Sτ /
= 2,5 · 28,4 /
= 2,65 > [S] = 2,5
Прочность вала обеспечена.
Расчет подшипника.
Расчет ведем по ГОСТ 18855-82.
Эквивалентная нагрузка:
Рэ = (XVPr1 + YPa1)KбKT,
в которой радиальная нагрузка Pr1 = 7748 H; осевая нагрузка Pa1 = Fa1 = 188 H;
V = 1 - вращается внутреннее кольцо; коэффициент безопасности: Kб = 1,3; КТ = 1 [3].
Отношение Fa1 / Со = 188 / 32500 = 0,006; этой величине соответствует е = 0,37.
Отношение Рa1 / Pr1 = 188 / 7748 = 0,02 < е; Х = 1; Y = 0.
Рэ = (1·7748 + 0· 188) · 1,3 = 10072 H < С = 48400 Н
Расчетная долговечность, млн. об:
L = (C/Pэ)3 = (48400/10072)3 = 111 млн. об.
Расчетная долговечность, ч:
Lh = L·106/60n = 111·106/60·720 = 2,6·104 ч,
что больше установленных ГОСТ 16162-85. Подшипник выбран верно.
11. Расчет тяговой звездочки
Исходные данные:
Окружное усилие на звездочке Р, кг: 260.
Скорость цепи конвейера V, м/с: 1,5.
Число зубьев звездочки z: 9.
Шаг цепи t, мм: 100.
В соответствии с заданием берем цепь по ГОСТ 588-64. Этот ГОСТ на тяговые пластинчатые цепи. По ГОСТ 588-64 обозначение цепи:
М40-1-100-2 ГОСТ 588-64 – тяговая пластинчатая цепь с разрушающей нагрузкой 40 кН, типа 1, с шагом 100 мм, исполнения 2.
DЦ = 12,5 мм – диаметр элемента зацепления.
Геометрическая характеристика зацепления:
λ = t / DЦ = 100 / 12,5 = 8
Шаг зубьев звездочки:















