125694 (690644), страница 2
Текст из файла (страница 2)
1. з гарячекатаного листового прокату по ГОСТ 19903-74 (як на базовому підприємстві);
2. з штампованої поковки, отриманої у відкритих штампах на КГШП.
Для виявлення кращого варіанту заготовки необхідно визначити розміри заготовки по кожному варіанту і їх масу за формулою: Gз= Vз · γ,
де: Gз - маса заготовки, кг; Vз - об’єм, заготовки, см
;
- питома вага матеріалу, для сталі 45: γ = 0,00785 кг/см
Потім за допомогою коефіцієнту використання матеріалу і вартості виготовлення заготовки виконуємо порівняння і обираємо найкращий варіант.
Варіант № 1.
Заготовка з листового прокату.
Рис.2.1
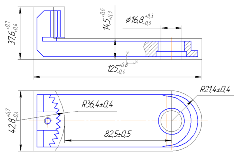
За ГОСТ 19903-74 знаходимо найближчу необхідну товщину листового прокату: 38 мм. Заготовка з листа вирізається газорізкою. При цьому припуск на сторону повинен бути не менше 8 мм. Остаточно розміри заготовки такі:
довжина L = 122 + 8 ∙ 2 = 138 мм
ширина В = 40 + 8 ∙ 2 = 56 мм
Розрахуємо об’єм заготовки:
V
= 38 х 138 х 56 = 293664 мм3 = 293,7 см3
Масса заготовки:
G
V
γ = 293,7 · 0,00785 = 2,3 кг
Коефіцієнт використання матеріалу:
Kвм =
= 0,2
Розраховуємо вартість заготовки з прокату за формулою:
C
де: Cі = 4100 грн - вартість 1 т матеріалу сталі 20Х;
Свідх = 700 грн - вартість 1 т відходів
= 8,14 грн
Варіант №2
Заготовка - штамповка на КГШП.
Рис.2.2
Використавши ГОСТ 7505 - 89 " Поковки стальні штамповані. Допуски, припуски і ковальські напуски " визначаємо припуски на лінійні і діаметральні розміри та допуски на них. Все це заносимо у таблицю:
Таблиця 2.1
За даними цієї таблиці знаходимо об’єм заготовки. Для цього її розбиваємо на прості фігури (Рис.2.3) і розраховуємо їх об’єм, а потім всієї заготовки.
Рис.2.3
V1 = 42,8 ∙ 23,1 ∙ 20,2 = 19971 мм3
V2 = 103,6 ∙ 42,8 ∙ 14,5 = 64294 мм3
V3 =
10426 мм3
V4 =
= 3213 мм3
Vшт = V1 + V2 +V3 - V4 = 19971 + 64294 + 10426 - 3213 = 91478 мм3 = 91,5 см3
Маса заготовки:
Gшт = Vшт · γ = 91,5 · 0,00785 = 0,72 кг
Коефіцієнт використання матеріалу:
Квм =
=
= 0,64
Визначаємо вартість заготовки - штамповки:
Сшт = (
· Gшт · Кп · Кс · Кв · Км · Кт) - (Gшт - Gд)
, с.31
де: Кп = 1,0 - коефіцієнт, що залежить від умов виробництва с.38
; Кс = 0,75 - коефіцієнт, що залежить від групи складності заготовки табл.2.12
; Кв = 1,33 - коефіцієнт, що залежить від маси заготовки табл.2.12
; Км = 1,0 - коефіцієнт, що залежить від матеріалу заготовки с.37
; Кт = 1,0 - коефіцієнт, що залежить від точності заготовки с.37
;
Сшт = (
· 0,72 · 1 · 0,75 · 1,33 · 1 · 1) - (0,72 - 0,46) ·
= 2,76 грн
Отримані дані для зручності зводимо у таблицю.
Таблиця 2.2
| Вид заготовки | Маса деталі, кг | Маса заготовки, кг | Коефіцієнт використання матеріалу | Вартість однієї заготовки, грн | Вартість 1т металу, грн |
| Прокат | 0,46 | 2,3 | 0,23 | 8,18 | 4100 |
| Штамповка | 0,72 | 0,64 | 2,76 |
Виходячи з величини коефіцієнту використання матеріалу, вартості заготовки та типу виробництва визначаємо, що доцільно застосувати заготовку - штамповку, отриману на КГШП. При цьому економія металу з однієї заготовки дорівнює:
Е = G пр - G шт. = 2,3 - 0,72 = 1,58 кг
На всю річну програму:
Ep = E · N =1,58 ·5000 = 7900 кг = 7,9 т
На річну програму у гривнях:
Er = Ep · Cі = 7,9 · 4100 = 32390 грн
2.1.2 Стислий опис способу отримання заготовки
Спочатку від прутка металу із сталі 20Х відрубають необхідну заготовку. Її об’єм дорівнює об’єму готової заготовки з урахуванням окалини і облою. Потім заготовку нагрівають у термічних печах до необхідної температури. Нагріту заготовку розташовують у відкритий штамп і штампують на КГШП. Така штамповка забезпечує виготовлення відносно точних штамповок без зсуву і з підвищеною у порівнянні з молотами продуктивністю. Після штамповки заготовку для зняття залишкових напруг відпалюють.
Для зняття задирків і окалини заготовку галтують або травлять у розчині соляної кислоти.
2.1.3 Вибір загальних припусків і розрахунок розмірів заготовки по таблицям
Припуски і допуски на обробку поковок визначаються по ГОСТ 7505-89 ”Поковки стальні штамповані. Допуски, припуски та ковальські напуски”. За цим ГОСТом розраховуємо всі припуски, крім 2-х: діаметру отвору і товщина деталі 12-0,12. Ці два розміри ми розрахуємо розрахунковим методом. Отримані результати зводимо у таблицю 2.1.
2.1.4.Визначення операційних припусків, розмірів та допусків на один діаметральний та один лінійний розміри розрахунковим методом.
Розрахунок припуску на діаметральний розмір виконуємо для точного отвору Ø20Н9 (+0,052). Деталь виготовлена з сталі 20Х ГОСТ 4543-71. Заготовка - штамповка на КГШП, другого класу точності. Поверхня Ø20 виконана по 9 квалітету точності і має параметр шорсткості 2,5√.
Тому маршрутна технологія обробки цієї поверхні має вид:
1.зенкерування попереднє;
2.розгортання остаточне.
Розрахунок припусків ведеться у порядку зворотньому маршрутній технології. Мінімальний припуск при обробці внутрішніх поверхонь (двосторонній припуск) визначається за формулою:
, стр.175 [2]
де:
- висота нерівностей профілю на попередньому переході табл.12 с.186 і табл.24 с.188 [2]
- глибина дефектного поверхневого шару на попередньому переході - ті ж таблиці.
ΔΣі-1 =
де: Δекс = 0,8 мм - відхилення від концентричності отворів табл.17 с.186
Δжол = 0,5 мм - жолоблення поковок типу дисків і важелів, що отримують на пресах табл.17 с.186
Δ
=
= 0,943 мм = 943 мкм - для заготовки;
= 943 · 0,06 = 57 мкм = 0,057 мм - для зенкерування
= 943 · 0,02 = 19 мкм = 0,019 мм - для розгортання
εί - погрішність установки заготовки на переході, що виконується табл.4.13 с.81
, εί = 60мкм = 0,06 мм - при встановленні у пневматичні лещата попередньо обробленої заготовки.
Вибрані дані заносимо у таблицю.
Таблиця 2.3
| Технологічні переходи обробки поверхні | Елементи припуску | Допуск δ, мкм | |||
| Rz | h | ∆ | ε | ||
| Заготовка | 160 | 200 | 943 | - | 900 |
| Зенкерування | 32 | 50 | 57 | 60 | 300 |
| Розгортання | 5 | 10 | 19 | 60 | 52 |
Розраховуємо мінімальний припуск на механічну обробку:
а) припуск на зенкерування
2Z
= 2 · (160 + 200 +
) = 2610 мкм = 2,61 мм
б) припуск на розгортання
2Z
= 2 · (32 + 50 +
) = 330 мкм = 0,33 мм
Визначаємо розрахункові та граничні розміри:
d
= d
= 20,052 мм
d
= d
= d
- 2Z
= 20,052 - 0,33 = 19,722 мм
d
= d
= d
- 2Z
= 19,722 - 2,61 = 17,112 мм
d
= 20,000 мм
d
= d
- δ
= 19,722 - 0,3 = 19,422 мм
d
= d
- δ
= 17,112 - 0,9 = 16,212 мм
Визначаємо граничні та загальні припуски:
2Z
= 0,33 мм
2Z
= 2,61 мм
2Z
= d
- d
= 20,000 - 19,422 = 0,578 мм
2Z
= d
- d
= 19,422 - 16,212 = 3,21 мм
2Z
= 2Z
+ 2Z
= 0,33 + 2,61 = 2,94 мм
2Z
= 2Z
+ 2Z
= 0,578 + 3,21 = 3,788 мм
Результати всіх розрахунків для зручності зводимо у таблицю.
Таблиця 2.4
| Технологічні переходи обробки поверхні | Розрахун- ковий припуск, 2Zmin, мкм | Розрахунковий розмір dр, мм | Граничний розмір, мм | Граничний розмір припуску, мм | |||||
| dmax | dmin | 2Zmin | 2Zmax | ||||||
| Заготовка | - | 17,112 | 17,112 | 16,212 | - | - | |||
| Зенкерування | 2610 | 19,722 | 19,722 | 19,422 | 2,61 | 3,21 | |||
| Розгортання | 330 | 20,052 | 20,052 | 20,000 | 0,33 | 0,578 | |||
| Разом | 2,94 | 3,788 | |||||||
Розраховуємо припуск на лінійний розмір 12-0,1. Маршрут обробки цього розміру: 1.фрезерування чорнове;
2. фрезерування чистове.
















