125629 (690616), страница 2
Текст из файла (страница 2)
Бункера № 1, 2 и 3 загружаются материалом скребковым транспортером в направлении, указанном на технологической схеме стрелкой. Транспортер оборудован донными шиберами № 1, 2 и 3 с электроприводами. Крайние положения шиберов контролируются конечными выключателями КВ1, КВ2 и КВ3
Все двигатели механизмов оборудованы функциональными бесконтактными блоками.
Уровень материала в бункерах контролируется реле уровня РУ1, РУ2 и РУЗ. Выбор того или иного бункера для его за грузки осуществляется ключами выбора с пульта диспетчера.
При переполнении всех выбранных для загрузки бункеров шиберы автоматически закрываются, диспетчеру подается аварийный сигнал, и, если в течение некоторого времени диспетчер не примет необходимых мер, включается предупредительная звуковая сигнализация, запускается транспортер, подающий материал на склад, и переводится шибер № 4 в положение «На склад».
-
-
Расчётная часть курсового проекта
4.1 Расчёт диаметра отверстия сужающего устройства расходомера
В качестве сужающего устройства примем диафрагму.
4.1.1 Данные для расчета
| Наименование исходных данных | Вариант № 20 |
| Измеряемая среда | Вода |
| Максимальный расход Qном.max, кг/ч | 55000 |
| Средний расход Qном.ср., кг/ч | 35000 |
| Избыточное давление Ри, кПа | 1029 |
| Температура t, °С | 105 |
| Барометрическое давление Рб, кПа | 98,07 |
| Допустимая потеря давления на сужающем устройстве при максимальном расходе Р'пд, кПа | 29,42 |
| Диаметр трубопровода, Д мм | 100 |
| Материал трубопровода | Сталь 20 |
Плотность воды ρ в рабочих условиях (t=105°С и Р=Ри+Рб = 1029+98,07 =1127,07 кПа, где Р- абсолютное давление) определяется по табл. 12 ρ=955,6 кг/м3.
Динамическая вязкость воды μ в рабочих условиях (t=105°С) определяется по табл. 18, и равна μ=26,9*105 Па∙с.
4.1.2. По ГОСТу 18140-84 определяем верхний предел измерения дифманометра Qпр при Qmax= 55000 кг/ч:
А=а*10n,
где а- число из ряда 1; 1,25; 1,6; 2,0; 2,5; 3,2; 4; 5; 6,3; 8;
А- искомая величина;
n – любое целое число или нуль.
При условиях Qпр ≥ Qmax и Qпр - Qmax → 0, выбираем Qпр=55000 кг/ч, т.е Qпр = Qmax
4.1.3 Определим предельный номинальный перепад давления дифманометра ΔРн
Для этого вначале определим допустимую потерю давления PПД при расходе Qпр:
,
где: P’ПД - допустимая потеря давления на сужающем устройстве при максимальном расходе; Qпр - верхний предел измерения дифманометра; Qmax - наибольший измеряемый расход:
PПД = 29,42(55000/55000)2 = 29,42 кПа.
Далее определяем дополнительную величину С2:
где: Qмпр - верхний предел измерения дифманометра для массового расхода; ρ- плотность среды в рабочих условиях; D - внутренний диаметр трубопровода перед сужающим устройством при температуре t.
По вычисленному значению С2, округленному до трёх значащих цифр, и заданной величине PПД по приложениям 32-34 правил находим искомое значение ΔРн и приближенное значение относительной площади сужающего устройства m. Эти значения равны:
ΔРн=40 кПа;
m = 0,4.
4.1.4 Определяем число Рейнольдса и проверяем условие Re > Remin, при выполнении которого расчёт продолжается. Если Re < Remin, то при принятых параметрах расходомера измерение данным методом невозможно.
;
По таблице 21 определим граничное число Рейнольдса для диафрагмы Remin=0,0013
Re > Remin, значит дальнейший расчет по предложенной методике [1] возможен.
4.1.5 Вычисляем с четырьмя значащими цифрами вспомогательную величину mα
где: ΔР- наибольший перепад давления в сужающем устройстве, соответствующий Qmax.
Для мембранных дифманометров ΔР=ΔРН,
;
По таблице 22 находим значения m и α, соответствующие найденному значению mα:
α=0,6550;
m=0,35.
4.1.6 Подсчитываем искомое значение диаметра отверстия сужающего устройства
,
где: Kt - поправочный коэффициент на тепловое расширения материала сужающего устройства, Kt=1+ αt(t-20), при t=800C
Kt=1+1.38*10-5(105-20)=1,0012,
Рассчитаем допуск при
:
Диаметр отверстия сужающего устройства:
4.2 Расчёт измерительной схемы электронного автоматического
потенциометра
4.2.1 Данные для расчета
| Тип термопары по ГОСТ 3044-44 | Обозначение градуировки * | Номер варианта | Предел измерения, | |
| от (tmin) | до (tmax) | |||
| ТХА | ХА | 20 | 200 | 1200 |
* При температуре свободных концов термопары
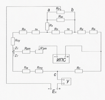
Рис.4. Измерительная схема автоматического потенциометра КСП 4.
На рис. 4. изображена измерительная схема автоматического потенциометра КСП 4, являющейся типовой для измерения ЭДС или напряжений, протекающий через схему ток выбран 5мА: в верхней измерительной ветви
и в нижней вспомогательной ветви
.
4.2.2 По заданным пределам изменения температуры контролируемой среды
и
и типу термопреобразователя выбираем и по её градировочным таблицам определяются значения
и
, соответствующие верхнему и нижнему значениям предела измерения.
Еmax=47,16 мВ,
Emin= 0,13 мВ.
Предел измерения
определяем как разность
.
ЕП=47,16-0,13=47,03 мВ.
4.2.3 Величину сопротивления резистора
определяем из условия равенства падения напряжения на нём от тока I2 и ЭДС нормального элемента
.
;
4.2.4 Величины сопротивления резисторов Rpm, ограничивающего ток в цепи источника питания стабилизированного (ИПС) и переменного R’pm, предназначены для установки величины рабочего тока в измерительной схеме, соответственно равны 750 Ом и 56 Ом.
4.2.5 Находим величину сопротивления резистора RП, определяющего верхний предел измерения или конец шкалы, из условия равенства падения напряжения на приведенном сопротивлении RПР цепи реохорда (резисторы RP, RШ, RП) и предела измерения ЕП,
Эквивалентное (приведенное) сопротивление реохорда
в автоматических приборах является заданной величиной (90, 100 или 300 Ом) и определяется уравнением
,(1).
Выбираем RЭКВ = 300 Ом.
Тогда приведенное сопротивление RПР можно выразить в следующем виде:
, (2)
где:
- коэффициент, учитывающий нерабочие участки реохорда;
- сопротивления нерабочих участков в линейном реохорде.
Из уравнений (1) и (2) получим:
4.2.6 Сопротивление RН определяет нижний предел измерения или начало шкалы и находится, исходя из следующих соображений. При температуре контролируемой среды tmin движок реохорда находится в точке а, т.е. в начале шкалы прибора, и ЭДС термопары Еmin компенсируется падением напряжения Uac в точках а – с измерительной схемы
.
Тогда
.
4.2.7 Сопротивление Ra служит для ограничения тока в измерительной схеме. Поэтому падения напряжения Ubc в точках b – с должно обеспечить компенсацию ЭДС термопары Emax, соответствующую верхнему пределу измерения прибора tmax. Исходя из этого условия, Ra для прибора с линейным реохордом определяется по уравнению
,
где Е0 – ЭДС термопары при средней температуре t = 30ºС. Е0 = 1,2 мВ.
4.2.8 Для автоматической компенсации влияния изменения температуры свободных концов термопары в схему введено сопротивление RM, выполненное из медной проволоки и располагающееся вблизи свободных концов термопары. С изменением температуры свободных концов термопары появляется изменение падения напряжения на RM при протекании тока I2, компенсирующее ту часть ЭДС термопары, которая возникает за счёт изменения температуры свободных концов термопары. Сопротивление RM определяем из выражения:
где:
- средняя чувствительность термопары в интервале изменения температуры свободных концов его 0-50ºС (определяется по градировочным таблицам), мВ/град; RMO- сопротивления RM при температуре t0, α - температурный коэффициент сопротивления меди, равный 4.26 * 10-3 град-1.
4.2.9. Сопротивление медной катушки для средней температуры окружающей среды 30ºС находим по формуле:
4.3 Расчёт измерительной схемы электронного автоматического
моста
4.3.1 Данные для расчета
| Тип терм-метра сопртивления. | Сопротивление термометра при | Обозначения градуировки | Номер варианта | Пределы измерения, 0С | |
| От (tmin) | До (tmax) | ||||
| ТСМ | 53 | Гр.23 | 20 | -50 | 50 |
Рис.5.Измерительная трехпроводная схема автоматического моста КСМ 4.
Начальная температура - t0=20ºС;
Температурный коэффициент сопротивления материала моста (медь) – α=4,26*10-3 град-1;
При расчете моста учесть, что R2=R3.
4.3.2 По заданным пределам изменения температуры контролируемой среды tmin, tmax, по градировочным таблицам данного типа термометра сопротивления определяем величины сопротивлений термометра Rtmax и Rtmin, соответствующие верхнему и нижнему пределам измерения автоматического моста:
,















