125569 (690588), страница 2
Текст из файла (страница 2)
-наработка на отказ соединяющего электропровода;
- наработка на отказ регулятора;
-наработка на отказ соединяющего электропровода;
-наработка на отказ электропневматического преобразователя;
-наработка на отказ МИМ;
-наработка на отказ запорно-регулирующего клапана.
Решение:
Т.к. все элементы системы работают в периоде нормальной эксплуатации, и имеет место простейший поток отказов, наработки элементов и системы подчиняются экспоненциальному распределению. Для экспоненциального распределения справедливы следующие зависимости:
функция ненадежности.
функция надежности.
функция распределения плотности отказов.
функция интенсивности отказов.
время наработки на отказ.
-
Определим интенсивности отказов для каждого элемента контура регулирования:
-
Определим интенсивность отказов всего контура регулирования:
-
Определим время наработки на отказ контура регулирования:
-
Определим вероятность безотказной работы нерезервированной сис-темы в течение 1000 часов:
6. Выбор способа резервирования регулятора
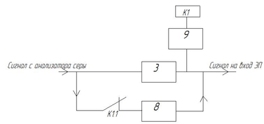
Выбираем «холодное» (ненагруженное) резервирование регулятора, т.е. резервный регулятор не используется пока работает основной регулятор. В случае отказа или сбоя основного регулятора происходит переключение на резервный регулятор.
Такая схема резервирования позволяет максимально увеличить время наработки на отказ, т.к. до отказа основного, резервный регулятор не задействуется в работу.
Схема резервирования изображена ни рисунке 2 приложения.
-
При параллельном соединении время наработки на отказ увеличивается примерно в 1,5 раза (по приближенной формуле при n=2
):
-
Определим интенсивность отказов всего контура регулирования с учетом резервирования:
-
Определим время наработки на отказ контура регулирования:
-
Определим вероятность безотказной работы резервированной системы в течение 1000 часов:
-
Определим увеличение времени наработки на отказ с резервированием по сравнению с нерезервированной системой:
время наработки на отказ системы увеличилось на 2,73%.
Вывод
В ходе курсовой работы было произведено техническое обеспечение автоматической системы регулирования качества стабильного гидрогенизата. Были выбраны средства контроля и регулирования и обоснован их выбор. Был произведен расчет надежности контура регулирования, и предложена схема для резервирования самого ненадежного элемента контура.
Литература
-
Мановян А.К. Технология первичной переработки нефти и природного газа: Учебное пособие для вузов. 2-е изд. -М.: Химия, 2001.-568с.
-
Кулаков М.В. Технологические измерения и приборы для химических производств.-М.:Машиностроение,1983.-424с.
-
Мишин В.М. Переработка природного газа и конденсата.-М.: ACADEMIA,1999.-448с.
-
Постоянный технический регламент. Установка гидроочистки. Фракция НК-350ºС (книга 6, 24-Л-13360/6) от 13.01.1992г.
-
Методические пособие к практическим занятиям по курсу «Диагностика и надежность систем автоматизации» для студентов специальностей 220301 «Автоматизация технологических процессов и производств» –Астрахань.: АГТУ, 2007.- 22 с.
-
Техническое описание регулятора TROVIS 6412.
-
Техническое описание и инструкция по эксплуатации для преобразователей электропневматических ЭП-0000 (МП2.507.245 ТО).
-
Техническое описание и инструкция по эксплуатации для позиционеров пневматических ПП-3.
-
Техническое описание и инструкция по эксплуатации для МИМ 250.
Приложение
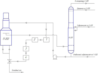
Рисунок 1.
Структурная схема регулирование.
-
Поточный анализатор серы в нефтепродуктах SPECTRO 600T-LP;
-
Регулятор TROVIS 6412;
-
Элетропневматический преобразователь ЭП-0030;
-
Мембранно-исполнительный механизм МИМ 250.
Рисунок 2.
Схема резервирования РО.
-
МИМ основного и резервного РО;
-
Электропневматический преобразователь.
3,8 – основной и резервный регуляторы.
9 – индикатор наличия сигнала на линии.
К1 – реле с нормально закрытыми контактами.















