125502 (690572), страница 2
Текст из файла (страница 2)
Выберем С6 =0.01 мкФ
R6 = 23.8 kОм
Выберем R5 = R6 кОм.
В качестве DA3 примем быстродействующий операционный усилитель
К140УД11
R5,R6 - C2-33H c Rн = 24 кОм
C6 - К77Г с Сн = 0.01 мкФ.
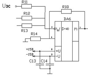
Для реализации не инвертирующих сумматоров и инверторов, необходимо чтобы сопротивления в цепи были равны, как на примере сумматора. (рис. 16).
Рис.16.
Принимаем R11=R12=R13=10kОм
Заключение
В ходе выполнения курсового проекта по дисциплине "Системы управления электроприводом" были получены важные навыки разработки типовых алгоритмов управления промышленными механизмами, выбора структуры системы регулирования, расчета требуемых параметров устройств. Также была проведена работа с разнообразным справочным материалом с целью поиска элементов систем автоматики, необходимых для реализации синтезированной системы управления.
Разработана система управления, реализующая стабилизацию скорости в диапазоне от 0,1н до н. С ошибкой не более 2 процентов.
Список литературы
1. Справочник по электрическим машинам: В 2 т. / Под общ. Ред. И.П. Копылова и Б.К. Клокова. Т.1. - М.: Энегроатомиздат, 1988, - 456 с.
2. Заборщикова А.В., Мельников В.И. "Двигатели постоянного тока для автоматизированного электропривода": Учебное пособие. - СПб: Петербургский гос. ун-т путей сообщ., 1994. - 84 с.
3. Башарин А.В., Новиков В.А., Соколовский Г.Г. "Управление электроприводами": Учебное пособие для вузов. - Л.: Энергоатомиздат. Ленингр. Отд-ние, 1982. - 392 с., ил.
4. Ключев В.И. "Теория электропривода": Учеб. Для вузов. - 2-е изд. Перераб. И доп. - М.: Энегроатомиздат, 2001. - 704 с.: ил.
5. Герман-Галкин С.Г. И др. Цифровые электроприводы с транзисторными преобразователями. - Л.: Энергоатомиздат. Ленинградское отделение, 1986. -246 с.
6. Справочник разработчика и конструктора РЭА. Элементная база: В 2 кн. / Масленников М.Ю., Соболева Е. А и др. - М.: Б.И., 1996. - 157-300с.
7. Бурков А.Т. Электронная техника и преобразователи: Учеб. Для вузов ж. -д. трансп. - М.: Транспорт, 1999. - 464 с.
8. Александров К.К., Кузьмина Е.Г. Электротехнические чертежи и схемы. - М.: Энергоатомиздат, 1990. - 288с.















