219092 (690450), страница 2
Текст из файла (страница 2)
Dз=140 мм, товщина стінки S=11 мм, площа перерізу F=44,56 см2, радіус інерції і=4,58 см.
Нижній пояс. Найбільше стискуюче зусилля Sст в елементах даної групи дорівнює:
Необхідна площа перерізу:
де ϕ – коефіцієнт поздовжнього згину(попередньо береться для поясів 0,7 – 0,8);
m=1 – коефіцієнт умов роботи;
R=210 МПа=21 кН/см2 – розрахунковий опір матеріалу.
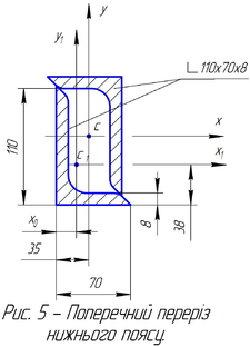
Вибираємо з таблиці сортаменту [4] два нерівнобоких кутника 110х70х8 мм(рис.5), для якого:
А=13,93 см2, imin=1,52 cм, Imin=32,31см4, iх=3,51 см,
Іx=171,54 см4, Iy=54,64 см4, іу=1,98см, xo=1,64 cм, yo=3,61 cм.
Для обраного перерізу проводимо перевірку напружень Ϭ за формулою:
Гнучкість стержня:
де μ – коефіцієнт зведення довжини (для поясів стріли μ=1);
l – геометрична довжинастержня(l=2,5 м), що визначається , як відстань між центрами вузлів;
rmin – мінімальний радіус інерції перерізу:
Обчислимо Іу для всього перерізу:
Гнучкість пояса:
По таблиці коефіцієнтів поздовжнього згину ϕ знайдемо інтерполяцію:
Напруження:
˂
Розкоси бокових і горизонтальних ферм.
Найбільше зусилля буде SВ3=-105,31 кН(стискання).
Необхідна площа перерізу:
Приймаємо: ϕ=0,6; μ=1,0 (для труб), R=21кН/см2.
Тоді:
Із сортаменту [4] вибираємо трубу: Dз=70 мм, S=4 мм,
А=8,29 см2, і=2,36 см.
Усі розкоси і стійки бокової і горизонтальної ферм виготовляємо однаковими.
Перевіримо напруження:
Мінімальний радіус інерції перерізу для трубчастих стержнів обчислимо за наближеною формулою:
Знайдемо погонні жорсткості пояса іп і розкоса ір:
де
Коефіцієнт k1:
˃2.
Відношення:
Значення μ для розкоса знайдемо по табл. 2.2 [2]:
Гнучкість розкоса:
Коефіцієнтів поздовжнього згину ϕ (табл. 2.1, [2]):
Напруження:
˂
Конструювання і розрахунок заданого вузла стріли.
Розрахунок вузлів зводиться до обчислення на міцніть зварних швів, що кріплять елементи решітки до верхнього пояса.
Визначимо необхідний катет шва за формулою:
де Sp – зусилля в привареному режимі;
- коефіцієнт форми шва, що залежить від технологіі зварювання (
при ручному і 1,0 при автоматичному зварюванні);
- розрахунковий опір кутового шва (приймаємо
);
lш- довжина шва, яка при обтиску елементів решітки в площині, перепендикулярній до площини зєднувальних стержнів визначається за формулою:
У нашому випадку d1=140 мм, d2=70 мм. Тоді:
Стержень В3:
Катет шва:
Приймаємо
Стержень В1:
Катет шва:
Мінімальний катет шва становить 3 мм, тому приймаємо
Список використаної літератури:
-
Власов В.В. Будівельна механіка і металеві конструкції: Навч. посібник. – К.:Міістерство освіти і науки України, 1994. – 200с.
-
Власов В.В., Шемет І.О. Методичні вказівки та завдання до курсової роботи з дисципліни «Будівельна механіка і металоконструкції». – К., КДТУБА, 1996. – 28с.
-
Живейнов М.М., Карасев Г.И., Цвой И.Ю. Строительная механика и металлоконструкции строительных и дорожных машин: Учебн. пособие. – М.: Машиностроение, 1988. – 278 с.
-
Справочник по специальным работам «Монтаж стальных и сборных железобетонных конструкций» Под ред. Б.А. Хохлова. – М.: Стройиздат, 1970 – 906 с.
















