125293 (690434), страница 2
Текст из файла (страница 2)
Транспортёр для удаления стружки
Входит в базовую комплектацию.
Инструментальная система
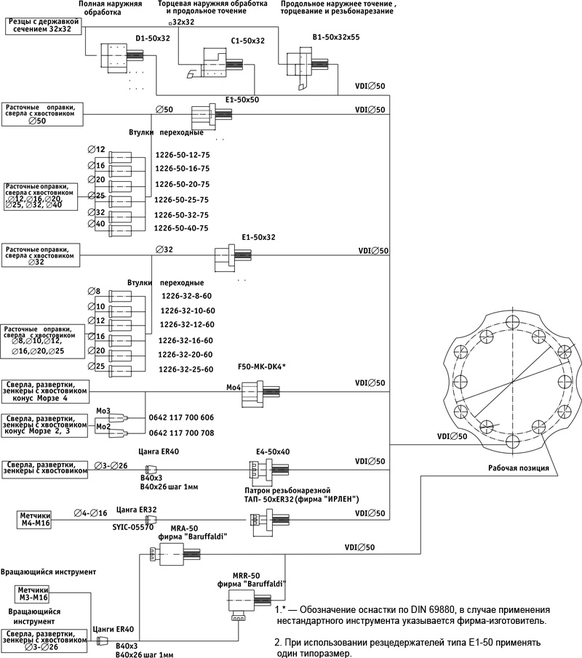
Схема размещения вспомогательного инструмента в 12-позиционной револьверной головке для станков САТ630
1.4 Режимы резания
Точение предварительное
Нарезание резьбы
Зубофрезерная операция
На основании выполненных расчетах. Мы выбираем большую силу которая будет действовать при обработке. Это будет операция точение предварительное Pz=2783Н. На примере точения посмотрим влияния размеров на действующую силу. Дальнейшие расчеты будем производить по предварительное точение.
Рисунок 1 – Влияние размеров заготовки на действующую силу.
-
Теоретическая схема базирования и анализ погрешности базирования
Рисунок 2 – Теоретическая схема базирования
Данная схема базирования лишает заготовку 5 степеней свободы. Поэтому погрешности базирования по осям.
По оси ОХ:
По оси ОУ:
По оси ОZ:
-
Схема и расчет силы закрепления
Рисунок 3 – Схема сил закрепления
Схема сил, действующих на заготовку в процессе обработки, представлена на рис.3.
Составим уравнения.
Mox=n*Fтр1*(D/2) – Pz*(D/2)=0,
Pox=n*Fтр2 – Px=0,
Fтр=f*Q,
где Fтр – сила трения, Н
f – коэффициент трения, f=0,3
Q – сила закрепления, Н
где k – коэффициент запаса;
k0 – гарантированный коэффициент запаса;
k1 – коэффициент учитывающий изменения силы резания;
k2 – коэффициент учитывающий возрастание сил резания при затуплении инструмента;
k3, k4, k5, k6 – коэффициенты учитывающие специфику условий
закрепления и обработки заготовки.
Сила закрепления не будет зависит от параметров заготовки(детали).
-
Расчет и выбор привода
Так как сила закрепления Q=5448Н, то выбираем гидропривод.
Усилие на штоке W=Q=5448Н.
Диаметр штока
Принимаем диаметр штока D=32мм, остальные параметры гидроцилиндра принимаются конструктивно.
5. Расчеты на прочность
В данной работе общие законы расчетов на прочность рассматривают в приложении к конкретным деталям и придают им форму инженерных расчетов.
Кроме обычных видов разрушения (поломок) деталей, наблюдаются случаи разрушения поверхности деталей, которые связанны с контактными напряжениями. Контактные напряжения возникают вместе соприкасания двух деталей: ролика (18) и конуса втулки (16), когда размеры площадки касания малы по сравнению с размерами деталей.
Схема нагружения шарика.
Расчетное условие контактной выносливости шарика (ниже приводятся (без вывода) и объясняются те формулы, которые используются в дальнейшем как исходные для выполнения расчета по контактной выносливости):
где σН – величина контактных напряжений, МПа.
здесь т– коэффициент зависящий от формы тел качения, т=0,1;
Fп – сила прижатия, нормальная к поверхности контакта, Н:
,
где Fш – усилие на штоке, Fш = 2800Н, α =15˚,
;
Eпр – приведенный модуль упругости:
,
где Е1, Е2 – модули упругости. Так как и шарик и втулка стальные, то Е1=Е2=2·105 МПа, следовательно Епр = Е1 = 2·105 МПа;
- приведенный радиус кривизны контактирующих тел, мм:
где R1, R2 – радиусы кривизны в точке контакта, R1=2,5 мм, R2=
.
МПа;
[σН] – допускаемое напряжение, для закаленной стали твердостью 60HRC при начальном контакте в точке [σН] = 2000МПа.
МПа, следовательно контактная выносливость шарика обеспечена.
Закрепление корпуса патрона на станке осуществляется при движении штока вправо, при этом сухарик скользит по конусному, а затем цилиндрическому участку постепенно прижимаясь к корпусу, сухарик при этом испытывает напряжения смятия (размеры площади контакта сопоставимы с размерами контактирующих тел).
Расчетное условие:
где
- напряжение смятия, МПа:
где F - сила прижатия, нормальная к поверхности контакта, Н
,
где Fз – сила закрепления, Fз = 2800Н; α =45˚,
А – площадь сопротивления смятию, мм2
А =
,
где d – диаметр сухаря, d = 4 мм.
А =
мм2.
МПа;
[
] – допустимое напряжение смятия, [
] = 150 МПа.
МПа, сопротивление детали смятию обеспечивается
Болтовое соединение рассчитываем на срез.
Схема к расчету болтового соединения
Условие прочности на срез
,
где F – сила действующая на болт, Н;
d – диаметр болта, мм;
z – количество болтов.
МПа
допускаемое напряжения,
147<160МПа, сопротивление детали срезу обеспечивается
Болтовое соединение рассчитывается на смятие
Условие прочности на смятие
где
- напряжение смятия, МПа
где F – сила действующая на болт, Н;
dб – диаметр болта, мм;
δ – толщина стенки, мм.
[
] – допустимое напряжение смятия, [
] = 150 МПа.
МПа, сопротивление детали смятию обеспечивается.
Эпюра нагружения
Расчет на прочность штифтового соединения.
Схема к расчету штифтового соединения
Расчет на прочность штифтового соединения на срез:
Условие прочности на срез
,
где F – сила действующая на штифт, Н;
dш – диаметр штифта, мм;
z – количество штифтов.
МПа
допускаемое напряжения,
110<160МПа, сопротивление детали срезу обеспечивается
Штифтовое соединение рассчитывается на смятие
Условие прочности на смятие
где
- напряжение смятия, МПа
где F – сила действующая на штифт, Н;
dш – диаметр штифта, мм;
δ – толщина стенки, мм.
[
] – допустимое напряжение смятия, [
] = 150 МПа.
МПа, сопротивление детали смятию обеспечивается.
Эпюра нагружения
Расчет на прочность шлицевого соединения
Схема к расчету шлицевого соединения
Расчет шлицевого соединения на смятие
Условие смятие
Мк=87,67Нмм
где z – число шлицев z=8;
h – высота поверхности контакта
D – наружный диаметр втулки, мм
D – внутренний диаметр отверстия, мм
[
] – допустимое напряжение среза
Ψ – коэффициент, учитывающий неравномерность распределения
нагрузки по шлицам ψ=0,7-0,8
Нмм, сопротивление детали смятия обеспечивается.
На срез не будет считаться, так как действующая сила на шлицы действует равномерно по всей поверхности.
6. Расчет приспособления на точность
Расчет точности станочного приспособления
где δ – допуск на размер, δ=0,52мм
Δ – экономически достижимая точность, Δ=0,052мм
к – коэффициент пропорциональности, к=0,5
εб – погрешность базирования, мм εб=0,62мм
εз – погрешность закрепления, мм
сosα=0, так как угол между формируемым размером и силой зажима 900.
Схема расположения размерной цепи по оси ОХ.
А1=11(-0,43)мм, А2=12(-0,43)мм, А3=6(-0,3)мм, АΔ=32мм
Решаем прямую задачу вероятностным методом
А1, А2, А3 – уменьшающие звенья;
АΔ – увеличивающее звено.
Рассчитаем число единиц допуска
В зависимости от а.с.=50,3 назначаем 10-й квалитет
АΔ=32h10(-0,1)мм
Найдем среднее отклонение звеньев
Принимаем среднее отклонение звеньев А1,А2 ЕСА1=ЕСА2=-0,175мм
Схема расположения размерной цепи по оси OZ
А1=6(-0,3)мм, А2=18(-0,43)мм, А3=6(-0,3)мм, АΔ=30мм
Решаем прямую задачу вероятностным методом
А1, А2, А3 – уменьшающие звенья;
АΔ – увеличивающее звено.
Рассчитаем число единиц допуска
В зависимости от а.с.=111,12 назначаем 12-й квалитет
АΔ=32h12(-0,25)мм
Найдем среднее отклонение звеньев
Принимаем среднее отклонение звеньев А3 ЕСА3=-0,2мм
7. Техническое описание приспособления
Разработанное приспособление используется в серийном производстве для закрепления заготовок, которые обрабатываются на обрабатывающем центре. Приспособление перенастраивается для закрепления деталей типа вал различного диаметра с помощью съемной насадки. Приспособление состоит из цанговой насадки, корпуса, шпинделя, штока, гидроцилиндр и других деталей.
В статическом положении детали взаимодействуют друг с другом в такой последовательности.
Лопастной гидроцилиндр установлен на левом конце шпинделя токарного обрабатывающего центра и вращается вместе с ним. Гидроцилиндр состоит из корпуса (статора) 2 с упором, крышками 5 и 6 и однолопастного ротора 19 с лопастью 7, закрепленного шпонками 25 на гайке 8. Гайка установлена в статоре на конических роликоподшипниках 21 и связана с винтовой втулкой 9, в правый его конец ввинчена тяга 10, которая через промежуточные звенья перемещает цанговую насадку при зажиме и разжиме детали. При подаче масла в одну из полостей статора 2 ротор 19 с лопастью 7 проворачивается до упора и вращает гайку 8, которая перемещает винт с тягой 10 вправо или влево. Винтовая втулка, перемещаясь в шлицевом отверстии крышки 6, не вращается. Масло из резиновых шлангов подается через отверстие в приемную невращающуюся муфту 1, установленную на шарикоподшипниках 22, сидящих на валу, который запрессован в крышку 5. Вал имеет каналы для прохода масла в одну из полостей статора. Гидроагрегат с электродвигателем и насосом включают только во время остановки станка, а сила зажима детали цанговой насадкой сохраняется при обработке детали вследствие самоторможения винтовой пары: гайки и винтовой втулки.
Шпинделю станка передается возвратно-поступательное и вращательное движение. Сухарики 17, которые подпружинены пружиной 23 перемещается по шпинделю и поднимает втулку 15, которая в свою очередь сжимает цанговую насадку 3, соединяющаяся через шлицевое соединение. Происходит зажим детали. Для раскрепления детали из гидроцилиндра высасывается масло из полостей статора, происходит обратное действие винтовой пары, сухарик опускается и опускается втулка. Замена насадки производится при необходимости при раскрепления детали. Подача поршня контролируется датчиком FESTO, который находится на корпусе гидроцилиндра.
Схема работы гидравлического привода.
При перемещения рукоятки 5 в крайнее положение переключается золотник 4 и включается электродвигатель насоса 2. Масло из бака 1 по трубопроводу через лопастной насос 2, работающий от электродвигателя, и трубопроводу 3 под давлением 6,5МПа подается в золотник 4. Из него масло по трубопроводам 7 поступает в правую или левую полость лопастного цилиндра 8. При подаче масла в правую полость цилиндра лопасть с ротором 9 поворачивается до упора 10 и вытесняет масло из левой полости. Масло через левый трубопровод 7, золотник 4 по трубопроводу 14 стекает в бак 1. При переключении рукоятки 5 золотника 4 в другую сторону масло поступает в левую полость цилиндра 8, а из его правой полости и золотника 4 по трубопроводу 14 сливается в бак 1. Масло, которое просочилось из золотника 4 отводится по трубопроводу 13 в бак. Необходимое давление масла в гидросистеме регулируется клапаном 12 и определяется манометром 6.
Список литературы
-
Анурьев В.И. Справочник конструктора-машиностроителя: В 3т. – 8-е изд., перераб. и доп. М.: Машиностроения, 2001.
-
Болотин Х.Л., Костромин Ф.П. Станочные приспособления. Изд. 5-е, перераб. и доп. М., «Машиностроение», 1973, 344с.
-
Антонюк В.Е. Справочник конструктора по расчету и проектированию станочных приспособлений, 1969г.
-
Станочные приспособления: Справочник. В 2-х т./Ред. Совет: Б.Н. Вардашкин (пред.) и др. – М.: Машиностроение,/ Под ред. Б.Н. Вардашкина, В.В. Данилевского., 1984 – 656с., ил.
-
Боженко Л.И. Технология машиностроения. Проектирования технологического приспособления: Учебник. – Львов, 2001. – 296с.,ил.















