125219 (690343), страница 3
Текст из файла (страница 3)
где k = 1.4 - коэффициент режима работы стр.267 [3].
Принимаем муфту МУВП 4000-80-1.1 ГОСТ 21424-75.
6. Предварительный расчёт валов
6.1 Выбор материала и допускаемых напряжений
Для шестерни ранее принят материал - сталь 40Х.
Для тихоходного вала также принимаем сталь 40Х.
Допускаемые напряжения для предварительного расчёта валов принимаем в соответствии с рекомендациями стр.31 [3] принимаем [τ] к = 25 Н/мм2.
Механические характеристики улучшенной стали 40Х принимаем по таблице 12.7 [3]:
Предел прочности σв = 800 МПа.
Предел текучести σТ = 640 МПа.
Допускаемые напряжения при расчёте на статическую прочность при коэффициенте запаса
n=1.5 [τ] = 640/1.5 =426 МПа.
6.2 Предварительный расчёт быстроходного вала
Конструкция быстроходного вала представлена на Рис.6.1.
Диаметр выходного конца вала:
принимаем стандартное значение d = 40 мм.
Для удобства монтажа деталей вал выполняем ступенчатой конструкции. Диаметр вала под подшипник:
dn=d+2tцил = 40 + 2·3,5=47,5 мм
где tцил = 3,5 мм, таблица 3.1 [3].
принимаем стандартное значение dn = 50 мм.
Диаметр буртика подшипника принимаем с учётом фасок на кольцах подшипника:
dбп = dп+3r = 50 + 3·2.5 = 57.5 мм
где r = 2.5 мм таблица 3.1 [3].
Принимаем dбп = 60 мм.
Длина выходного участка вала в соответствии со стр.48 [3]:
lm=1,5d= 1,5·40 = 60 мм
принимаем lm= 60 мм.
Длина участка вала под подшипник в соответствии со стр.48 [3]:
lk=1,4·dn= 1.4·50 = 70 мм
принимаем lk=70 мм.
Остальные размеры вала определяются из предварительной прорисовки редуктора.
6.3 Предварительный расчёт тихоходного вала.
Конструкция тихоходного вала представлена на Рис.6.2.
Диаметр выходного конца вала:
принимаем стандартное значение d = 80 мм.
Для удобства монтажа деталей вал выполняем ступенчатой конструкции. Диаметр вала под подшипник:
dn = d+2·tцил = 80 + 2·5.6 = 91.2 мм
где tцил = 5,6 мм таблица 3.1 [3].
принимаем стандартное значение dn = 95 мм.
Диаметр буртика подшипника принимаем с учётом фасок на кольцах подшипника:
dбп = dп+3r = 95 + 3·4 = 107 мм
где r = 4 мм таблица 3.1 [3].
принимаем dбп = 105 мм.
Диаметр участка вала под колесо:
dk=dбп = 105 мм
Диаметр буртика колеса:
dбк=dк+3f= 105+3·2.5=112.5 мм
где f =2.5 мм таблица 3.1 [3].
принимаем dбк= 115 мм.
Длина выходного участка вала в соответствии со стр.48 [3]:
lм=1.5·d= 1.5·80 = 120 мм
принимаем lм = 120 мм.
Длина участка вала под подшипник в соответствии со стр.48 [3]:
lk=1.4·dn= 1.4·95 = 133 мм
принимаем lk = 140 мм.
Остальные размеры вала определяются из предварительной прорисовки редуктора.
Зазор между поверхностями колёс и внутренними поверхностями стенок корпуса:
принимаем а = 11 мм;
где L= 480 мм - расстояние между внешними поверхностями деталей передач, принято из эскизной компоновки редуктора.
7. Выбор подшипников
7.1 Выбор типа и типоразмера подшипника
Для быстроходного и тихоходного валов принимаем радиально-упорные шариковые однорядные подшипники по ГОСТ 831-75, такой выбор обосновывается тем, что в косозубой цилиндрической передаче возникают кроме радиальной ещё и
значительные осевые нагрузки, а такой тип подшипников обеспечивает нормальную
работу вала при действии на него одновременно радиальных и осевых нагрузок
Предварительно в качестве опор быстроходного вала принимаем подшипник №46210; для тихоходного вала №46219.
7.2 Выбор схемы установки подшипников
Установка вала требует достаточно надёжной осевой фиксации из-за действия осевой нагрузки. Такую фиксацию обеспечивает схема установки подшипника "враспор". При этом торцы внутренних колец подшипника упираются в буртики выполненные на валу, торцы внешних колец упираются и торцы крышек.
Такая схема установки обеспечивает простоту конструкции, небольшое количество деталей узла, простоту регулировки, которая производится набором прокладок.
Для того чтобы избежать защемления вала в опорах в результате температурных деформаций необходимо предусмотреть зазор между торцом внешнего кольца одного из подшипников и крышкой. После установления нормального температурного режима работы вала зазор исчезает. И в соответствии с рекомендациями [3] стр.38 примем для обоих валов зазор 0,5 мм.
7.3 Проверка долговечности подшипников тихоходного вала
7.3.1 Составление расчётной схемы и определение реакций в опорах
Для составления расчетной схемы используем эскизы валов и предварительную прорисовку редуктора.
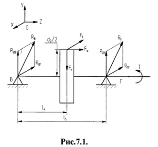
Расчетная схема тихоходного вала представлена на рис.7.1. На тихоходный вал действуют силы в зацеплении. В подшипниковых опорах - В и Г возникают реакции опор. Реакции представлены в виде составляющих на оси координат. Определяем реакции в опорах В и Г. Расчёт ведём отдельно для плоскости ZOX и плоскости YOX.
где l4 =60 мм; l5 = 120 мм - приняты из предварительной прорисовки редуктора.
Из суммы моментов всех сил, действующих на в плоскости YOZ относительно опоры B получим:
Из суммы моментов всех сил действующих в плоскости YOZ относительно опоры Г получим:
Из суммы моментов всех сил действующих в плоскости XOZ относительно опоры В получим:
Из суммы моментов всех сил действующих в плоскости XOZ относительно опоры Г получим:
Суммарные реакции опор:
Как видно наибольшая реакция возникает в опоре Г. По величине этой реакции будем производить проверку долговечности подшипников для тихоходного вала.
7.3.2 Проверка долговечности подшипников
На тихоходный вал принят подшипник №46219. Для данного подшипника динамическая грузоподъёмность С = 98 кН, статическая грузоподъёмность Со = 73 кН. Эквивалентная нагрузка на подшипник:
Рэ= (XVR +YFa) KбKm
где X коэффициент радиальной нагрузки. Определяем по таблице 6.1 [3], для угла контакта 26 градусов, отношения Fa /VR= 3114/1·7835 = 0.4, e=0.68. Так как Fa /VR < e, то X=1, Y=0.92.
V = l - коэффициент учитывающий вращение колец, (стр.103 [3]);
Кб = 1,2 - коэффициент безопасности, принят по таблице 6.3 [3] ;
Кт = 1 - температурный коэффициент, принят по таблице 6.4 [3].
Рэ= (1·1·7835+0.92·3114) ·1.2·1=12840 H
Расчётная долговечность подшипника в часах:
где а23 = 0,7 - коэффициент, характеризующий совместное влияние на ресурс подшипника качества металла колец, тел качения и условий эксплуатации, (стр.105 [3]);
Р = 3 - показатель степени для шариковых подшипников, (стр.105 [3]). Такая долговечность превышает ресурс привода, следовательно, принятый подшипник подходит.
8. Конструирование элементов цилиндрической передачи
Шестерню выполняем как единое целое с валом, размеры этой детали определены ранее.
При мелкосерийном производстве заготовку зубчатого колеса получают свободной ковкой с последующей токарной обработкой. Представленная на рис.8.1 конструкция колеса имеет несложную технологию изготовления, небольшой вес, обеспечивает экономию материала и достаточную несущую способность.
Размеры колеса вычисляем в зависимости от диаметра тихоходного вала под колесо и ширины колеса вычисленных ранее. Расчёт ведём в соответствии с ([3], стр.64).
Диаметр ступицы:
dcm= 1.55dk= 1.55·105 = 162.75 мм
принимаем dcm= 170 мм.
Толщина зубчатого венца:
S = 2.2m + 0.05b2 = 2.2·2 + 0.05·92 = 9 мм
Фаска: f=0.6·m = 0.6·2 = 1.2 мм принимаем в соответствии с табл.4.1 [3] f = 1.2 мм, угол фаски 45°.
Чтобы уменьшить объем точной механической обработки на диске колеса применим выточки.
На диаметр вершин зубьев назначаем поле допуска h11, на диаметр посадочного отверстия назначаем поле допуска Н7, на шпоночный паз поле допуска Js9. Предельные отклонения остальных размеров принимаем: для отверстий HI4, валов h14, остальных ± IT 14/2.
Шероховатость поверхности зубьев Ra1.6, шероховатость посадочной поверхности RaO.80, шероховатость торцовых Рис.8.1. поверхностей колеса Ral6 6, шероховатость остальных поверхностей Ra6.3.
Для того, чтобы ограничить концентрацию контактных давлений на посадочной поверхности колеса назначаем допуск цилиндричности посадочной поверхности колеса 0.12. Для того чтобы создать точную базу для подшипника назначаем допуск перпендикулярности торца колеса 0.04.
9. Расчёт шпонок
Для соединения валов с деталями вращения принимаем шпонки по ГОСТ 23360-78 как наиболее простые по конструкции. Расчёт шпонки сводится к определению напряжения смятия.
Шпонка соединения ведомого шкива и быстроходного вала:
где h = 8мм - высота шпонки; t1 = 5 мм - глубина паза вала; lP=l-b= 50-10 = 40 мм - рабочая длина шпонки; l = 50 мм - длина шпоночного паза; b = 12 мм - ширина шпонки; [σсм] = 140 Н/мм2 - допускаемые напряжения смятия для стальной ступицы.
где d = 80 мм - диаметр выходного конца вала; h=14 мм - высота шпонки; t1 = 9 мм - глубина паза шпонки; lP=l-b = 110-22 = 88 мм - рабочая длина шпонки; l=110 мм - длина шпоночного паза; b=22 мм - ширина шпонки; [σсм] = 140 Н/мм2 - допускаемые напряжения смятия для стальной ступицы.
Шпонка соединения тихоходного вала и колеса:
где d = 105 мм - диаметр участка вала под колесом; h = 14 мм - высота шпонки; t1 = 9 мм - глубина паза; lP=l-b = 80-22 =118 мм - рабочая длина шпонки; l = 80 мм - длина шпоночного паза; b =22 мм - ширина шпонки; [σсм] = 140 Н/мм2 - допускаемые напряжения смятия для стальной ступицы.
Шпонка соединения тихоходного вала и полумуфты:
где h = 14 мм - высота шпонки; t1 = 9 мм - глубина паза вала; lP=l-b =110-22= =88 мм - рабочая длина шпонки; l = 110 мм - длина шпоночного паза; b = 22 мм - ширина шпонки; [σсм] = 140 Н/мм2 - допускаемые напряжения смятия для стальной ступицы.
10. Конструирование шкивов
Конструкцию шкивов ремённой передачи принимаем в соответствии с рис.10.1.Т. к. производство привода крупносерийное шкивы изготавливаем литыми из СЧ-15 ГОСТ 1412-79.
















