125098 (690272), страница 2
Текст из файла (страница 2)
Н/мм2;
Н/мм2.
- базовое число циклов перемены напряжений, соответствующее длительному пределу выносливости.
(3.3)
;
;
- эквивалентное число циклов перемены напряжений. Для ступенчатой нагрузки
, (3.4)
n – частота вращения рассчитываемого колеса, 1/мин;
с - число вхождений в зацепление зуба рассчитываемого колеса за один его оборот;
- максимальный из длительно действующих моментов;
Ti – момент действующий в i-ое время;
ti – время действия i-го момента; ti определяется в долях от суммарного времени
работы передачи согласно графику нагрузки.
, (3.5)
- срок службы передачи, годы;
- коэффициент суточного использования;
- коэффициент годового использования.
,
Для постоянной нагрузки
,
где с=1 – число вхождений в зацепление зуба рассчитываемого за один его оборот.
;
.
, (3.6)
При
для переменной нагрузки принимают
=1. В остальных случаях
2,4.
.
Принимаем
;
.
Принимаем
;
Н/мм2;
Н/мм2.
Н/мм2;
Н/мм2.
В качестве расчетных
для прямозубых цилиндрических колес при наибольшей (20-30НВ) разности твердости поверхности принимается меньшее значение.
Принимаем
МПа.
Определение допускаемых значений напряжений при расчете зубьев на усталостный изгиб.
, (3.7)
где
- предел выносливости зубьев при изгибе, соответствующий эквивалентному числу циклов перемены напряжений, Н/мм2;
SF - коэффициент безопасности.
, (3.8)
- предел выносливости при изгибе, соответствующий базовому числу циклов изменения напряжений, Н/мм2.
-коэффициент долговечности
По 4.2.2. /4.стр.16/ принимаем
, (3.9)
Н/мм2;
Н/мм2.
, (3.10)
Для зубчатых колёс с твёрдостью
и зубчатых колёс со шлифованной переходной поверхностью, независимо от твёрдости mF=6.
При
принимается
.
- базовое число циклов перемены напряжений;
, (3.11)
- эквивалентное число циклов перемены напряжений;
, (3.12)
;
.
.
Принимаем
;
.
Принимаем
;
Н/мм2;
Н/мм2.
Н/мм2;
Н/мм2.
Определение допускаемых предельных напряжений при расчете на контактную и изгибную прочность по максимальным нагрузкам.
(3.13)
- допускаемое предельное напряжение при расчете на контактную прочность,
где
- предел текучести материала при растяжении, Н/мм2.
Н/мм2.
Н/мм2.
- допускаемое напряжение при расчете на изгибную прочность,
где
- предельное значение напряжения, не вызывающее остаточных деформаций или хрупкого излома зуба, Н/мм2;
- коэффициент безопасности.
; (3.14)
/4.стр.19/
Н/мм2;
Н/мм2.
Н/мм2;
Н/мм2.
Определение коэффициентов нагрузки.
Коэффициенты нагрузки находятся по следующим зависимостям:
; (3.15)
, (3.16)
где
,
- коэффициенты, учитывающие неравномерность распределения нагрузки по длине зуба (ширине зубчатого венца) при расчете
по контактным и изгибным напряжениям соответственно;
,
- динамические коэффициенты (учитывают внутреннюю динамику передачи) при расчете по контактным и изгибным напряжениям соответственно.
Коэффициент концентрации нагрузки.
По ГОСТ 21354-75 установлено 7 основных схем расположения элементов передач относительно опор. Для передачи 1-2 принимаем схему 1. Для выбора коэффициентов принимаем параметр
.
Тогда из графиков, ориентируясь по рисунку 5.1. /1.стр.22/ при
и
, определяем значения коэффициентов концентрации нагрузки.
;
.
Динамические коэффициенты.
Значения коэффициентов
и
выбирают в зависимости от окружной скорости в зацеплении, точности изготовления передачи и твердости.
Окружную скорость определяем по формуле 5.4 /1.стр.23/:
, (3.18)
где
- частота вращения шестерни рассчитываемой пары колёс, 1/мин;
- вспомогательный коэффициент;
- момент на колесе рассчитываемой пары, Нм;
- коэффициент ширины зубчатого венца.
По табл.5.1. /1.стр.23/ принимаем
;
По табл.6.4. /1.стр.31/ принимаем
.
м/с;
По табл.5.2 /1.стр.24/ принимаем для передачи 1-2 8-ю степень точности.
Коэффициент
принимаем по табл.5.3 /1.стр.25/,
.
Коэффициент
принимаем по табл.5.4 /1.стр.26/,
.
;
.
Геометрические параметры.
Предварительное значение межосевого расстояния.
Межосевое расстояние определяем по формуле (1.2) /1.стр.4/:
, мм (3.19)
где
- момент крутящий на колесе, Н мм;
- коэффициент нагрузки;
- допускаемое контактное напряжение, Н/мм2;
- передаточное число рассчитываемой передачи;
Принимаем
мм.
Модуль зацепления.
Модуль в зацеплении прямозубых цилиндрических колес определяется из следующего эмпирического соотношения:
, (3.20)
Зависимость (3.20) не является теоретически точной. При её использовании следует руководствоваться следующими соображениями: при твердости поверхности зубьев Н Полученное значение модуля округляем до стандартного. Принимаем Числа зубьев зубчатых колес. Суммарное число зубьев определяем по формуле (6.2) /1.стр.29/: Число зубьев шестерни: Принимаем Число зубьев колеса: Уточняем значение Геометрические размеры передачи. Ширина зубчатого венца колеса: Ширина зубчатого венца шестерни: Диаметры делительных окружностей: Проверим межосевое расстояние: Диаметры окружностей вершин: Диаметры окружностей впадин: Проверочный расчет. Проверочный расчет по контактным напряжениям. В зависимость (3.23) момент 391<442Н/мм2. Проверочный расчет по напряжениям изгиба. Предварительно определим коэффициенты прочности зуба шестерни и колеса по табл.6.4 /1.стр.30/ в зависимости от числа зубьев колес. Принимаем Проверочный расчет по напряжениям изгиба выполняется отдельно для зуба шестерни и колеса. Проверочный расчет по кратковременным перегрузкам. Силы, действующие в зацеплении. Рассчитываемый параметр Обозначение Размерность Численное значение 1. Межосевое расстояние a12 мм 120 2. Число зубьев шестерни Z1 мм 55 3. Число зубьев колеса Z2 мм 247 4. Модуль зацепления m мм 1,25 5. Диаметр делительной окружности шестерни d1 мм 68,75 6. Диаметр делительной окружности колеса d2 мм 308,75 7. Диаметр окружности выступов шестерни da1 мм 71,25 8. Диаметр окружности выступов колеса da2 мм 306,25 9. Диаметр окружности впадин шестерни df1 мм 65,625 10. Диаметр окружности впадин колеса df2 мм 311,875 11. Ширина зубчатого венца шестерни b1 мм 47 12. Ширина зубчатого венца колеса b2 мм 42 13. Степень точности передачи - - 8-я 14. Окружная сила в зацеплении Ft Н 1825,5 15. Радиальная сила в зацеплении Fr Н 664,4 Таблица 3.2 Исходные данные для расчета Исходный параметр и обозначение Численное значение и размерность Источник, применение Вращающий момент на валу ведущей звездочки Т3 Нм 272,98 Мощность, передаваемая ведущей звездочкой Р3 кВт 8,99 Частота вращения ведущей звездочки n3 об/мин 317,8 Передаточное число u34 - 2,8 Срок службы Lh ч 19710 Условия эксплуатации: -угол наклона линии центров звездочек к горизонту ψ -режим работы(число смен) Сом -характер передаваемой нагрузки -предполагаемый способ регулировки натяжения цепи (наличие натяжного устройства) 60 1 Равномерная Натяжное устройство не предусмотрено Число зубьев ведущей звездочки принимаем Число зубьев ведомой звездочки где Фактическое передаточное число Коэффициент эксплуатации Коэффициентом эксплуатации Кэ учитываются условия работы приводной цепи, влияющие на интенсивность изнашивания шарниров и соответственно, срок службы цепи. Его представляют в виде произведения частных коэффициентов: где Скорость цепи где При регулярной капельной смазке Расчетный шаг цепи где приближенно находим шаг цепи принимаем Принимаем Принимаем цепь ПР – 31,75 – 89 ГОСТ 13568-97. Допускаемая частота вращения для цепи с шагом Средняя скорость цепи Предварительное межосевое расстояние Оптимальное межосевое расстояние Минимальное межосевое расстояние где где Число звеньев цепи Уточненное межосевое расстояние Для свободного провисания цепи предусматриваем возможность уменьшения межосевого расстояния на 0,004 т.е. 1581,90,004=6,3мм, следовательно Длина цепи Окружная сила Условие износостойкости шарниров цепи где По таблице 7.18 /6стр.150/ допускаемое давление Проверочный расчет на статическую прочность Статическую прочность цепи на разрыв оценивают по условию: где где q=3,8кг – масса одного метра цепи. Нагрузка на валы цепной передачи где Проектирование звездочек Основные зависимости для расчета параметров профиля зубьев звездочек (ГОСТ 591-69) Таблица 3.3 Основные зависимости для расчета зубьев звездочек Параметр Исходные данные и расчетная формула Шаг цепи Диаметр ролика (втулки) цепи Геометрическая характеристика зацепления Число зубьев звездочки Диаметр делительной окружности Диаметр окружности выступов Коэффициент высоты зуба К К=0,555 Радиус впадин Диаметр окружности впадин Смещение центров Наибольшая хорда Определение размеров зубьев и венцов звездочек в поперечном сечении (ГОСТ 591-69) Таблица 3.4 Определение размеров зубьев и венцов звездочек в поперечном сечении. Параметр Исходные данные и расчетная формула Диаметр ролика (втулки) цепи Высота (ширина) пластины цепи Расстояние между внутренними пластинами цепи Радиус закругления зуба (наименьший) Расстояние от вершины зуба до линии центров дуг закруглений Диаметр обода (наибольший) Радиус закругления Ширина зуба звездочки Смещение центров Наибольшая хорда 4. Ориентировочный расчет валов и выбор подшипников 4.1 Ориентировочный расчет валов Рис. 4.1 Эскиз вала шестерни Размеры отдельных участков вала рассчитываем по формулам (рис.4.1): где значения Для соединения вала электродвигателя и входного вала редуктора принимаем муфту упругую втулочно-пальцевую. Принимаем значение диаметра вала равное стандартному диаметру вала под ступицу полумуфты МУВП 250-38-1.32-11.2-У3 ГОСТ 21424-93. принимаем принимаем принимаем принимаем Рис. 4.2 Эскиз тихоходного вала Размеры отдельных участков вала рассчитываем по формулам (рис.4.1): где значения принимаем принимаем принимаем Принимаем радиальные шариковые однорядные подшипники легкой и средней серии. Так как цилиндрические прямозубые колеса не создают осевых нагрузок. Рис. 4.3 Эскиз подшипника качения Таблица 4.1. Основные параметры подшипников качения Вал 1 7308А 40 90 23 80,9 56,0 2-3 211 55 120 29 71,5 41,5 На валу 1 принимаем стакан [2] Рис. 4.4 Эскиз стакана Внешний диаметр подшипника D=80мм. Толщина стенки δ=8мм, тогда Da= D+2δ=80+2·8=96мм. Толщина фланца δ1=1,2·8=9,6мм. Диаметр болтов d=8мм, количество болтов z=4. Диаметр фланца Dф= Da+4d=96+4·8=128мм Крышки подшипников Рис. 4.5 Эскизы крышек подшипников Вал 1 Внешний диаметр подшипника D=80мм. Толщина стенки δ=6мм. Толщина фланца δ1=1,2·6=7,2мм. Диаметр болтов d=8мм, количество болтов z=4. Диаметр фланца принимаем равным диаметру фланца стакана Dф= 128мм Вал 2 Внешний диаметр подшипника D=100мм. Толщина стенки δ=7мм. Толщина фланца δ1=1,2·7=7,4мм. Диаметр болтов d=10мм, количество болтов z=6. Диаметр фланца Dф= Da+4d=100+4·10=140мм 5. Конструктивные размеры зубчатых колес Диаметр ступицы где d – диаметр посадочного отверстия; m – модуль зацепления; b – ширина зубчатого венца. В данном редукторе шестерня 1 выполняются заодно с валом (вал – шестерня), а колесо 2 выполнено отдельно и напрессовывается на вал. Качество (жесткость, точность и т. д.) вала – шестерни выше, а стоимость изготовления ниже. Заготовки колес получают ковкой в двухсторонних штампах. Шестерня 1. Колесо 2. Рис. 5.1 Эскиз колеса Диаметр ступицы Толщина обода принимаем Длина ступицы Толщина диска принимаем Размеры канавки Звездочка 3 Рис.5.2 Эскиз звездочки Диаметр вала под ступицей Диаметр ступицы Длина ступицы по ГОСТ 12080-66 6. Конструктивные размеры корпуса редуктора Толщина стенки корпуса и крышки редуктора: где принимаем Диаметр винта крепления редуктора к плите (раме) /3/: где Принимаем z=4. Принимаем Для соединения крышки с корпусом используют болты с наружной шестигранной головкой. Диаметр у подшипников соединяющих основание корпуса с крышкой Рисунок 7.1 - Расчетная схема вала Опорные реакции вала. Составляем уравнения моментов и определяем реакции в опорах. Плоскость YOZ: Проверка: Проверка выполняется. Плоскость XOZ: Проверка: Проверка выполняется. Реакции от консольной силы. Консольная сила где Для упругой втулочно- пальцевой муфты где При нормальной точности монтажа Проверка: Схема установки подшипников – врастяжку. Суммарные радиальные реакции опор: Проверка долговечности ранее принятых (см. п. 4.2) подшипников. Эквивалентная динамическая нагрузка для подшипников: где Так как подшипник опоры 2 более нагружен, то расчет ведем по опоре 2. Расчетный скорректированный ресурс подшипника при Что меньше Принимаем подшипник 7308А, Схема установки подшипников – врастяжку. Суммарные радиальные реакции опор: где Принимаем Проверка: Окончательно принимаем: Рассматриваем подшипник опоры 1: Отношение Рассматриваем подшипник опоры 2: Отношение Проверка долговечности ранее принятых (см. п. 4.2) подшипников. Эквивалентная динамическая нагрузка для подшипников: где Так как подшипник опоры 2 более нагружен, то расчет ведем по опоре 2. Расчетный скорректированный ресурс подшипника при Что больше 7.3 Вал тихоходный Исходные параметры: Fr2=664,4H; Ft2=1825,5H; a=53мм; b=53мм; с=82мм; n23=317,8об/мин; tΣ=19710ч; Fвy=Fв·cosψ=2420·cos60=1210Н; Fвz=Fв·sinψ=2420·sin60=2096Н . Рис. 7.4 - Расчетная схема вала Опорные реакции вала. Составляем уравнения моментов и определяем реакции в опорах. Плоскость YOX: Проверка: Проверка выполняется. Плоскость XOZ: Проверка: Проверка выполняется. Схема установки подшипников – враспор. Суммарные радиальные реакции опор: Проверка долговечности ранее принятых (см. п. 4.2.) подшипников 211: Эквивалентная динамическая нагрузка для подшипников: где Так как подшипник опоры 6 более нагружен, то расчет ведем по опоре 2.Расчетный скорректированный ресурс подшипника при Что меньше Принимаем подшипники 311. Что больше 8. Проверка прочности шпоночных соединений Расчет проводим по напряжениям смятия: где Размеры Длину шпонки принимаем на 8-10 мм меньше длины ступицы колеса. Проверяем шпонку, передающую крутящий момент от муфты на вал 1: Принимаем шпонку Проверяем шпонку, передающую крутящий момент от колеса 2 на выходной вал: Принимаем шпонку Проверяем шпонку, передающую крутящий момент от вала 2 на звездочку: Принимаем шпонку 9. Уточненный расчет валов Материал валов: Ст 45, Опасное сечение вала: сечение А-А (под подшипником опоры 1). Исходные данные: Источник концентрации напряжений: посадка подшипника с натягом. Расчет на статическую прочность. В расчете определяем нормальные где - суммарный изгибающий момент, Нм; - крутящий момент, Нм; - осевая сила, Н; Частные коэффициенты запаса прочности по нормальным и касательным напряжениям (пределы текучести Расчет на сопротивление усталости где Напряжения в опасных сечениях вычисляем по формулам: Пределы выносливости вала в рассматриваемом сечении: где где где 9.2 Вал тихоходный Рис. 9.2 Расчетная схема вала Опасное сечение вала: сечение Б-Б (под подшипником опоры 2). Исходные данные: Источник концентрации напряжений: посадка подшипника с натягом. Расчет на статическую прочность. В расчете определяем нормальные где - суммарный изгибающий момент, Нм; крутящий момент, Нм; - осевая сила, Н; Частные коэффициенты запаса прочности по нормальным и касательным напряжениям (пределы текучести - общий коэффициент запаса прочности; Расчет на сопротивление усталости где Напряжения в опасных сечениях вычисляем по формулам: Пределы выносливости вала в рассматриваемом сечении: где где где 10. Выбор соединительных муфт МУВП 250-38-1.32-11.2-У3 ГОСТ 21424-93 Тип муфты d l D L упругая втулочно-пальцевая 38 58 140 121 32 58 Зацепления смазываются окунанием зубчатых колес в масло, заливаемое внутрь корпуса, до погружения колеса передачи. По /2.стр.200/ выбираем вязкость 28 мм2/с при скорости V=3,7м/с По /2.стр.200/ принимаем масло И-Г-А-32. Посадки элементов передач на валы - Шейки валов под подшипник выполняем с отклонением Отклонения отверстий под подшипниковые крышки Посадки муфт на валы редуктора - ЗАКЛЮЧЕНИЕ При работе над курсовым проектом были закреплены знания методик расчета типовых деталей машин общего назначения, получены навыки принятия решений при компоновке редуктора и конструировании его деталей. Был выбран электродвигатель. При разбивке передаточного отношения редуктора были учтены рекомендации /1/.Передаточные числа отдельных передач приняты согласно ГОСТ 2885-76 и 12289-76. Проектный расчет зубчатых передач выполнен по критерию контактной прочности активной поверхности зубьев. После определения размеров передач приведены проверочные расчеты по критерию контактной и изгибной выносливости, а также при действии пиковых нагрузок. Все условия прочности выполняются. При компоновке механизма проработан вопрос оптимального размещения зубчатых передач в корпусе редуктора, определены схемы установки опор валов, способы осевой фиксации зубчатых колес, подшипников на валах. Были определены способ изготовления и размеры элементов корпуса редуктора. Выбранные подшипники проверены на пригодность по их долговечности из расчета по динамической грузоподъемности. Шпоночные соединения проверены на прочность по напряжениям смятия. Определены опасные сечения валов по действующим нагрузкам, наличию и форме концентраторов напряжений. Проведен расчет на усталостную прочность (выносливость) для наиболее опасных сечений валов. Решены вопросы смазки передач редуктора и подшипников. Для соединения вала редуктора с валом тяговой звездочки выбрана муфта с упругими элементами, компенсирующие погрешности монтажа агрегатов. Полученная конструкция привода в полной мере отвечает современным требованиям, предъявляемым к механизмам данного типа. 1. Расчёт зубчатых передач: Методические указания по курсовому проектированию для студентов / Составил А. В. Фейгин. – Хабаровск: издательство ХГТУ, 1985. – 36с. 2. Дунаев П. Ф., Леликов О. П. Конструирование узлов и деталей машин. – М.: Высшая школа, 2003 – 496с., ил. 3. Чернавский С.А. и др. Курсовое проектирование деталей машин: Учеб. пособие для учащихся машиностроительных специальностей техникумов. – 2-е изд., перераб. и доп. – М.: Машиностроение, 1988. – 416 с.: ил.
.
.
, (3.21)
,
;
.
.
.
мм.
мм.
мм;
мм.
мм.
мм;
мм.
мм;
мм.
, (3.22)
подставляется в Н м, все линейные величины в мм.
,
.
, (3.23)
Н/мм2;
Н/мм2
, (3.24)
, (3.25)
,
,
.
- окружная сила, (3.28)
- радиальная сила, (3.29)
Н;
Н.
Таблица 3.1 Результаты расчета для передачи 1-2
3.2 Расчет цепной передачи 3-4
(3.30)
,
.
(3.31)
- предельное допустимое увеличение шага по износу шарниров
=3% при Lh
ч.
.
.
, (3.32)
- коэффициент динамической нагрузки, отражающий влияние характера передаваемой нагрузки на износ шарниров, принимаем для спокойной нагрузки
=1;
- коэффициент влияния длины цепи или межосевого расстояния,
=1 (так как следует принять
),
- учитывает влияние наклона цепи, при наклоне 60 градусов принимают
;
- принимают в зависимости от способа регулирования натяжения цепи: при нерегулируемом межосевом расстоянии
=1,25;
- отражает влияние температуры окружающей среды, в которой работает цепная передача, при температуре менее 1500С принимаем
,
- учитывает режим работы передачи или число смен, при односменной работе
,
- коэффициент, учитывающий влияние характера смазывания цепи.
, (3.33)
- числовой коэффициент, выбираемый по частоте вращения ведущей звездочки, при n3=317,8 об/мин с=1,6.
м/с.
=1.
.
, (3.34)
- допускаемое давление в шарнирах цепи, Н/мм2, m – число рядов цепи, принимаем m=1.
мм,
18,9 Н/мм2
мм.
мм.
мм равна
, условие
выполняется т.к.
.
мм.
, (3.35)
мм,
мм,
= 0,555 при
мм.
.
.
мм.
.
; (3.36)
- проекция опорной поверхности шарнира.
, условие
выполняется.
, (3.37)
- условный коэффициент запаса прочности,
- разрушающая нагрузка проверяемой цепи;
- максимальное натяжение наиболее нагруженной ветви цепи.
, (3.38)
- натяжение ветви от действия силы тяжести;
- натяжение от действия центробежных сил.
,
- коэффициент, учитывающий провисание цепи, в зависимости от угла наклона линии центров звездочек,
Н.
Н.
- нормативный коэффициент запаса прочности,
.
Н,
- коэффициент, учитывающий расположение передачи в пространстве, при угле ψ=600.
,
мм
мм
мм
мм
мм
мм
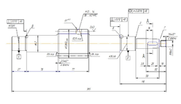
4.1.1 Расчет быстроходного (входного) вала редуктора (1).
; (4.1)
; (4.2)
. (4.3)
- вращающий момент на быстроходном валу;
- радиус скруглений подшипника;
- высота заплечника цилиндрического конца вала;
,
принимаем /2.стр.46 /
.
мм.
=2,5мм;
=3,5мм.
мм.
,
.
4.1.2 Расчет вала редуктора (2-3)
; (4.1)
; (4.2)
(4.3)
(4.4)
- вращающий момент на валу 2-3;
- радиус скруглений подшипника;
- высота заплечника цилиндрического конца вала; f – размер фаски колеса.
,
,f принимаем /2.стр.46 /
.
=3мм;
=4мм.
мм.
.
мм,
.
4.2 Выбор подшипников
Подшипник
d
D
B
Сr,кН
C0r,кН
, длину ступицы
, толщину обода S и толщину диска С принимаем по формуле:
;
;
;
;
мм, /2.стр.64/.
мм;
мм;
мм;
мм.
мм
мм
мм
мм.
мм
мм;
мм;
мм;
мм;
мм,
мм
мм,
мм.
мм,
мм;
мм;
мм
мм
мм;
- вращающий момент на (выходном) тихоходном валу, Нм,
мм.
,
– межосевое расстояние тихоходной передачи редуктора. Число z винтов принимают в зависимости от межосевого расстояния
(мм) тихоходной ступени: z=4 при
мм.
мм;
мм.
(мм) винтов крепления крышки:
; (6.1)
(6.2)
мм; принимаем
мм.
мм; принимаем
мм.
7. Проверка долговечности подшипников
7.1 Пространственная схема механизма (см п.3.14) 7.2 Вал быстроходный
Исходные параметры: Fr1= Fr2=861,5 H; Ft1=Fa2=410H; a=133,52мм; b=133,52мм; с=87мм.
;
;
Н.
Н.
,
,
.
;
;
Н.
;
;
Н .
,
,
.
,
- радиальная жесткость муфты при радиальном смещении валов, Н/мм;
- радиальное смещение валов, мм.
,
- номинальный вращающий момент муфты по каталогу.
Н/мм.
=0,3…0,7мм, принимаем
=0,3мм.
Н.
;
;
Н.
;
;
Н .
,
,
.
Н;
Н;
,
- коэффициент вращения, при вращении внутреннего кольца подшипника V=1,
- коэффициент безопасности, принимаем
;
- коэффициент температурного режима, при температуре менее 1000С
.
Н;
Н.
(вероятность безотказной работы 90%, табл. 7.7 /1.стр.119/),
(обычные условия применения, /1стр.119/).
ч.
, следовательно, подшипники не подходят.
.
Н;
Н;
Н;
Н;
и
- осевые составляющие от действия радиальных сил.
, тогда из условия равновесия вала:
Н.
:
, условие выполняется.
Н;
Н.
, что больше
. Окончательно принимаем Х=0,4; Y=1,7.
, что меньше
. Окончательно принимаем Х=1; Y=0.
,
,
- коэффициент вращения, при вращении внутреннего кольца подшипника V=1,
- коэффициент безопасности, принимаем
;
- коэффициент температурного режима, при температуре менее 1000С
.
Н;
Н.
(вероятность безотказной работы 90%, табл. 7.7 /1.стр.119/),
(обычные условия применения, /1стр.119/).
ч.
, следовательно, подшипники подходят.
;
;
Н.
;
Н.
.
.
.
.
;
Н.
;
;
Н.
.
.
.
Н;
Н.
Н;
Н.
- коэффициент безопасности
по табл. 7.6 /3. стр. 118/;
- температурный коэффициент, принимаем в зависимости от рабочей температуры ( для
).
(вероятность безотказной работы 90%, табл. 7.7 /3.стр.119/),
(обычные условия применения, /3стр.119/),
(шариковый подшипник).
ч.
, следовательно, подшипники не подходят.
.
ч.
, следовательно, подшипники подходят.
, (8.1)
Н/мм2
- вращающий момент, Н мм;
- диаметр вала, мм;
- глубина врезания шпонки в паз вала, мм;
- высота шпонки, мм;
- длина шпонки, мм;
- ширина шпонки, мм.
,
,
принимаем по табл.24.29 /3.стр.432/.
ГОСТ 23360-78
.
ГОСТ 23360-78
ГОСТ 23360-78
МПа,
МПа,
МПа,
МПа,
МПа.
Н∙м- момент кручения на валу,
Н∙м – изгибающий момент.
и касательные
напряжения в рассматриваемом сечении вала при действии максимальных нагрузок:
; (9.1)
, (9.2)
и
- моменты сопротивления сечения вала при расчете на изгиб и кручение, мм3;
- площадь поперечного сечения, мм2.
мм3;
мм3;
Нм;
Нм;
Н/мм2;
Н/мм2;
и
материала):
;
;
- общий коэффициент запаса прочности;
.
- коэффициент запаса прочности,
и
- коэффициенты запаса по нормальным и касательным напряжениям.
; (9.3)
, (9.4)
Н/мм2;
Н/мм2;
; (9.5)
, (9.6)
и
- пределы выносливости гладких образцов при симметричном цикле изгиба и кручения (табл.10.2 /2.стр.185/);
и
- коэффициенты снижения предела выносливости.
; (9.7)
, (9.8)
и
- эффективные коэффициенты концентрации напряжений /2/;
и
- коэффициенты влияния абсолютных размеров поперечного сечения/2/;
и
- коэффициенты влияния качества поверхности /2/;
- коэффициент влияния поверхностного упрочнения /2/.
,
- для посадки с натягом,
,
- т.к. вид механической обработки: шлифование,
- нет поверхностного упрочнения.
;
;
Н/мм2;
Н/мм2;
;
; (9.9)
- коэффициент чувствительности к асимметрии цикла напряжений в рассматриваемом сечении;
- коэффициент чувствительности материала к асимметрии цикла напряжений /2/;
- среднее напряжение цикла
.
.
.
Н∙м- момент кручения на валу,
Н∙м – изгибающий момент.
и касательные
напряжения в рассматриваемом сечении вала при действии максимальных нагрузок:
; (9.10)
, (9.11)
-
и
- моменты сопротивления сечения вала при расчете на изгиб и кручение, мм3;
- площадь поперечного сечения, мм2.
мм3;
мм3;
Нм;
Нм;
Н/мм2;
Н/мм2;
и
материала):
;
;
.
- коэффициент запаса прочности,
и
- коэффициенты запаса по нормальным и касательным напряжениям.
; (9.12)
, (9.13)
Н/мм2;
Н/мм2;
; (9.14)
, (9.15)
и
- пределы выносливости гладких образцов при симметричном цикле изгиба и кручения (табл.10.2 /2.стр.185/);
и
- коэффициенты снижения предела выносливости.
; (9.16)
, (9.17)
и
- эффективные коэффициенты концентрации напряжений /2/;
и
- коэффициенты влияния абсолютных размеров поперечного сечения/2/;
и
- коэффициенты влияния качества поверхности /2/;
- коэффициент влияния поверхностного упрочнения /2/.
,
- для посадки с натягом,
,
- т.к. вид механической обработки: шлифование,
- нет поверхностного упрочнения.
;
;
Н/мм2;
Н/мм2;
;
; (9.18)
- коэффициент чувствительности к асимметрии цикла напряжений в рассматриваемом сечении;
- коэффициент чувствительности материала к асимметрии цикла напряжений /2/;
- среднее напряжение цикла
.
.
.
Принимаем муфту упругую втулочно-пальцевую:
Таблица 10 - Основные размеры муфты, мм.
11. Выбор смазки
12. Выбор посадок деталей редуктора
, что по СТ СЭВ 144-75
.
и стакан
.
.
13. Сборка и регулировка
Сборку производим в таком порядке: на валы насаживаем зубчатое колесо, упорную втулку и подшипники. Валы устанавливаем в основание корпуса, устанавливаем крышки подшипников. Смазываем поверхность соединения крышки и основания корпуса уплотнительной пастой типа Герметик. Устанавливаем крышку корпуса, закручиваем болты, сливную пробку, маслоуказатель, заливаем масло, устанавливаем крышку смотрового окна и затягиваем болты крышки смотрового болта. Производим регулировку подшипников, на валу 1 с помощью гайки, на валу 2-3 с помощью регулировочных прокладок.
СПИСОК ИСПОЛЬЗОВАННЫХ ИСТОЧНИКОВ















