125079 (690263), страница 3
Текст из файла (страница 3)
Библиотечные элементы выступают при этом как "кубики" конструктора, из которых просто строится АСУТП любого объекта указанного типа. При этом модели образуют типовую иерархию: модели функциональных узлов управляют терминальными моделями, модели функциональных групп ‑ моделями функциональных узлов и т.п. Модель энергоблока управляет моделями котельной установки, турбинной установки (включая генератор) и моделями установок общеблочного оборудования.
Объектный способ построения библиотеки обеспечивает максимальную универсальность элементов ‑ "кубиков". В конкретных схемах управления и регулирования может потребоваться модификация типовых алгоритмов. Это легко может быть выполнено с помощью системы технологического программирования, входящей в ИИУС "САРГОН".
В комплект поставки библиотека включается по специальному заказу.
Система сквозного проектирования «НАВТ»
Система сквозного проектирования "НАВТ" является высокоэффективной автоматизированной системой проектирования АСУТП энергетических объектов уровня установки, блока, цеха и станции (производства) в целом.
Текущая версия 5.0 системы включает:
непроцедурный язык проектирования и программирования "НАВТ" (см. );
интегрированную среду разработки проектов;
компилятор языка "НАВТ".
Интегрированная среда разработки проектов "TkAconf" обеспечивает удобство проектирования АСУТП на языке "НАВТ" путем реализации дружественного интерфейса, заложенного в структуре языка, к проектировщикам различного профиля,.
Компилятор языка "НАВТ" обеспечивает автоматизацию процесса проектирования АСУТП в системе сквозного проектирования:
контроль непротиворечивости и целостности информации о проекте;
автоматизацию многих этапов проектирования и автогенерацию промежуточных и выходных форм;
автоматическое отслеживание изменений, вносимых в элементы, во всех описаниях проекта.
В комплект поставки система сквозного проектирования включается по специальному заказу.
Система отладки и моделирования «Abtester»
Система комплексной отладки и моделирования «Abtester» предназначена для тестирования как отдельных программ, разрабатываемых на непроцедурном языке «НАВТ», так и подсистем АСУТП в целом, включающих десятки программных модулей и сотни тестируемых моделей.
При отладке программного модуля система обеспечивает возможность задавать произвольные комбинации входных значений, отслеживать выполнение программы как по шагам алгоритма, так и по программным циклам. Отлаживается взаимодействие с исполняющей системой.
При тестировании подсистемы АСУТП проверяется совместная работа конфигурационно-связанных моделей, реализуемых различными программными модулями. Система обеспечивает удобные возможности переключения между алгоритмически связанными моделями, единство шагов исполнения алгоритмов с различной степенью детализации (например: шаг пуска энергоблока - шаг пуска турбины - шаг включения ПНД - шаг открытия задвижки).
Адекватность работы тестируемой системы ее работе в режиме реального времени обеспечивается использованием в Abtester общих с ТКА механизмов передачи и исполнения команд (СПИК) и информационного обмена между моделями.
«Abtester» представляет собой самостоятельно исполняемое 32-разрядное Windows приложение.
Система информационного тестирования "ИнфАтест"
Система информационного тестирования включает в себя набор тестов, контролирующих правильность передачи и обработки информации в АСУТП. Система позволяет обнаруживать различные виды ошибок и отслеживать изменения в обработке данных, происходящих при изменении конфигурации программного обеспечения. "ИнфАтест" особенно эффективен в АСУТП масштаба ТЭС, включающей сотни вычислительных узлов.
Система содержит следующие компоненты:
Автоматические тесты:
правильности функционирования первичных терминальных моделей;
правильности передачи информации вторичным моделям;
правильности функциональных преобразований аналоговых параметров, правильности записи данных в аварийную базу и формирование сводки данных по всем переменным вычислительного узла;
правильности преобразований на границах и за границами диапазона шкалы масштабирования аналогового параметра;
формирование расширенной сводки данных по тестируемому узлу с информацией о мнемосхемах;
сравнение значений переменных по одному и тому же узлу или мнемосхеме в новой и работающей на объекте версиях ТКА;
оценка зависимости величины потерь в передаваемых данных от настроек системы ввод/вывод.
Автоматическая имитация входных числовых данных:
Имитация статических данных;
Имитация динамических данных;
Создание искусственных конфигурационных файлов.
Просмотр и редактирование массивов данных, хранящихся в двоичных файлах.
Автоматическое изменение путей в конфигурационных файлах.
Комплекс аппаратного обеспечения АСУ ТП
В состав системы включены:
5 насосов;
Станция управления АСУР;
Центральный диспетчерский пункт;
Частотный преобразователь Micromaster 430 фирмы Siemins - коммутируется с одним из основных насосов;
программируемый логический микроконтроллер DeCont-182 фирмы ДЕП– собирает информацию с датчиков и управляет технологическим оборудованием и регулирует давление;
панель PanelView 550 фирмы Allen-Bradley – отображает текущие параметры системы, аварийные сообщения, предысторию событий, отчет по моточасам, осуществляет ввод команд оператора.
Режимы работы автоматизированной системы
Предусмотрено два режима работы насосов – диспетчерский и автоматический.
В диспетчерском режиме управление насосами сохранено от существующих контакторов и кнопок управления. В автоматическом режиме управление работой насосов и задвижек осуществляет микроконтроллер.
Регулирование давления воды в коллекторе в автоматическом режиме осуществляется одним из основных насосов. В зависимости от изменения сигнала с аналогового датчика, ЧРП меняет частоту вращения электродвигателя насоса. После раскрутки основного насоса до максимальных оборотов и при дальнейшем снижении давления, система через мягкий пускатель обеспечивает плавный, при минимальных пусковых токах и гидродинамических нагрузках, пуск дополнительного насоса. При этом, после включения дополнительного насоса, точная регулировка давления осуществляется основным насосом. При увеличении давления вследствии уменьшения разбора воды система производит отключение дополнительного насоса и понижает частоту вращения двигателя основного насоса до минимальных оборотов. Уставка давления в коллекторе изменяется автоматически в зависимости от времени суток. Определено три вида уставок: ночная, дневная, вечерняя. Кроме того, система поддерживает разные уставки давления в выходные и рабочие дни и осуществляет плавный переход с одной уставки на другую.
При неисправности насосов или задвижек, при максимальном или минимальном давлении на выкиде система автоматически останавливает аварийный насос, запускает резервный и продолжает работу на оставшемся исправном оборудовании до вмешательства оператора. Через панель PanelView оператор может изменять:
режим работы системы – автоматический/штатный;
готовность к пуску насосов – готов/не готов;
установки давления воды в коллекторе.
Внедрение АСУ в систему водоотведения позволяет:
-полностью автоматизировать работу объектов;
-уменьшить потребление
-электроэнергии;
-уменьшить потери, связанные с авариями;
-быстро реагировать на
-резкие изменения водопотребления;
-уменьшить расходы на обслуживание и поиск неисправностей;
-обеспечить дистанционную охрану объекта;
-обеспечить контроль давления;
-вести учет воды и электроэнергии;
-проводить анализ статистических данных.
Моделирование контура стабилизации
На выходном коллекторе системы необходимо регулировать выходное давление .Оно не должно превышать и падать , в следствии неравномерного расхода воды во времени ,ниже заданной величины.
Поэтому необходимо рассмотреть контур регулирования скорости двигателя в зависимости от выходного давления. Спроектированная система автоматической стабилизации давления может быть представлена структурной схемой изображенной на следующем рисунке:
Рис. 1 Структурная схема.
iзад –сигнал задания давления;
P –давление в трубопроводе;
iдд –сигнал обратной связи с датчика давления;
i – отклонение текущего значения от заданного;
uk – сигнал управления по напряжению на преобразователь частоты;
Kпч-д – коэффициент передачи преобразователя частоты-двигателя;
Tм – постоянная времени преобразователя частоты-двигателя;
– скорость двигателя насоса;
Kн – коэффициент передачи насоса;
Tн – постоянная времени насоса;
Kдд – коэффициент передачи датчика давления.
KВ – коэффициент передачи возмущающего воздействия.
Каждый элемент системы представляет собой апериодическое звено.
Рассмотрим каждое звено отдельно:
Преобразователь частоты-двигатель:
=0.01 - ввиду большой скорости срабатывания
Насос. Преобразует циклическую частоту двигателя в давление
=1 – время разгона насоса
Датчик давления. Преобразует давление в токовый сигнал.
Возмущающее воздействие.
Рассчитав перечисленные выше параметры звеньев структурной схемы, проведем моделирование в специализированном программном пакете визуального моделирования MatLab Simulink.
Рис. .Моделирование системы управления без регулятора и возмущающих воздействий в среде Simulink.
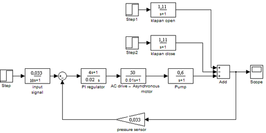
Далее проведём моделирование с внешним возмущающим воздействием при помощи открытия отсечного клапана.
Рис. Моделирование системы управления c возмущающим воздействием в среде Simulink
В момент открытия клапана происходит резкое падение давления, а затем система выходит на новое устойчивое состояние с меньшим значением давления.
Последним этапом является моделирование системы управления с регулятором давления, который должен компенсировать возмущающее воздействие.
Вычисление ПИ- регулятора
Объединяет два регулятора П и И, , обладает наилучшими свойствами, а именно: за счет П - составляющей улучшается показательные качества в переходном процессе, а за счет И - составляющей уменьшается ошибка регулирования т.е. улучшается точность.
В качестве критерия качества регулирования принимаем желаемую передаточную функцию разомкнутого контура. Для рассматриваемой системы регулирования целесообразно применять настройки контура регулирования на технический оптимум. Желаемую передаточную функцию разомкнутого контура в этом случае записывают в виде:
Передаточная функция оптимального регулятора определяется в виде:
где Wоу (p) – передаточная функция объекта регулирования, Wос (p) – передаточная функция звена обратной связи, Wр.жел (p) – желаемая передаточная функция разомкнутого контура.
В результате синтеза была получена передаточная функция ПИ-регулятора. В общем виде передаточная функция ПИ-регулятора выглядит следующим образом:
,
где KП – коэффициент пропорциональной части, КИ – коэффициент интегрирующей части, которые необходимо вычислить для построения регулятора в реальной системе регулирования давления.
Промоделируем систему с ПИ регулятором и возмущающими воздействиями.















