124831 (690174), страница 4
Текст из файла (страница 4)
Iр для напряжения 10 кВ = 1371 А.
U = 10 кВ Iном = 40 А
Iуд = 25кА Iоткл = 10 кА
Sоткл = 170 мВА
Цена: 2500000 тенге
Разъединители на напряжение 10 кВ выбрали марки РВ- 10/400
Iтермич = 10 кА
Цена: 16000тенге
Выбор короткозамыкателей КЗ – 110М.
| Параметры | Каталожная | Расчётная | условия для |
| величина | величина | выбора и | |
| аппарата | установки | проверки | |
| Номинальное | 110 | 110 | Uном.а≥Uном.у |
| напряжение, кВ | |||
| Номинальный | 31 | 3,2 | Iном.откл≥Iр |
| ток, кА | |||
| Динамическая стойкость, кА | 12.5 | 6.3 | Iтерм ≥ Iy |
Выбор масляных выключателей МКП – 110Б – 2/5.
| Параметры | Каталожная | Расчётная | условия для | |
| величина | величина | выбора и | ||
| аппарата | установки | проверки | ||
| Номинальное | 110 | 110 | Uном.а≥Uном.у | |
| напряжение, кВ | ||||
| Номинальный | 25 | 3,2 | Iном.откл≥Iр | |
| ток, кА | ||||
| Номинальное | 3800 | 3800 | Sоткл.ном≥Sр | |
| Sоткл, МВА | ||||
| Динамическая стойкость, кА | 10 | 6,3 | Iтерм ≥ Iy | |
Выбор разъединителей РЛНД – 110М/600
| Параметры | Каталожная | Расчётная | условия для | |||
| величина | величина | выбора и | ||||
| аппарата | установки | проверки | ||||
| Номинальное | 110 | 110 | Uном.а≥Uном.у | |||
| напряжение, кВ | ||||||
| Номинальный | 40 | 3,2 | Iном.откл≥Iр | |||
| ток, кА | ||||||
| Динамическая стойкость, кА | 12 | 6.3 | Iтерм ≥ Iy | |||
Суммарные капитальные затраты.
К включают в себя стоимость выключателей, разъединителей и другого оборудования, установленного в камерах выключателей К, короткозамыкателей К, линии К и трансформаторов К.
КΣ = Кмв 110 + Котдел + Кк.з. + Кр + Кл + Ктр + Кмв10 + Краъед
КΣ = 46229000 тенге
Эксплуатационные расходы
ΔРл = Δр * I’р2 * 2*ℓ
ΔРл = 1.3*3552.16*2*3 = 27.7 кВт / А*км
где Δр – удельные потери Вт / А*км
Потери в трансформаторах.
ΔQх.х = (Iх.х /100)* Sном.т = (1,5/100)*2500=37,5 кВар
ΔQк.з. = (Uк /100)* Sном.т = (10.5 / 100)*2500 = 262,5кВар
Приведенные потери активной мощности при К.З.
ΔР’м = Δрм + Кэк * ΔQк.з = 1,3+0,06*262,5 = 158,8кВт
где Кэк = 0.06 кВт/кВар
Приведенные потери активной мощности при Х.Х.
ΔРх.х = Δрх.х. + Кэк * ΔQх.х = 37,5+0.06*5,5 = 12,3 кВт
Полные потери в трансформаторах
ΔРт = 2*( ΔРх.х + Кз * ΔР’м) = 2*(12,3+0.6*158,8)=215,1 кВт
Полные потери в линии и в трансформаторах
ΔР = ΔРл + ΔРт = 412,6 + 215,1 = 627,7 кВт
Стоимость потерь
Сп = С* ΔР*Тмакс = 3,25*5300*627,7 = 10812132
Стоимость амортизационных отчислений.
Са = РаΣ * КΣ = 0.055*49584000 = 27271200тенге
Суммарные годовые эксплуатационные расходы
Сгод = Сп + Са = 10812132+27271200 = 38083332тенге
Суммарные затраты.
З = Сгод + 0.15* КΣ = 38083332+0.15*49584000 = 45520932 тенге
Потери электрической энергии.
ΔW = ΔР * Tгод = 627,7*5300 = 3326810 кВт
Расход цветного металла (алюминия).
G = g * 2l = 0.86 * (2 * 6,2) = 10,6 Т.
II вариант электроснабжения.
При расчете второго варианта электроснабжения цена оборудование указано в первом варианте.
Суммарные капитальные затраты.
КΣ = Кмв 110 + Котдел + Кк.з. + Кр + Кл + Ктр + Кмв10 + Краъед
КΣ = 9750000+750000+210000+64000+5140000+100000+23650000+9920000=49584000 тенге
Стоимость амортизационных отчислений.
Са = РаΣ * КΣ = 0.055*72740000 = 4000700 тенге
Суммарные годовые эксплуатационные расходы
Сгод = Сп + Са = 1607760+4000700 = 5608460 тенге
Суммарные затраты.
З = Сгод + 0.15* КΣ = 5608460+0.15*72740000 = 16519460 тенге
Сводная таблица выбора варианта электроснабжения.
| Вариант электроснабжения | Капитальные затраты | Масса цв.металла | Суммарные затраты | Потери эл.энергии | Экспл. расходы |
| 1 | 46229000 | 10,6 | 16519460 | 21.5 | 3808332 |
| 2 | 49584000 | 10,6 | 45520932 | 21.5 | 5608460 |
Просчитав все затраты на сооружение наших схем более экономичным получается I вариант схемы электроснабжения. По первому варианту производим расчет токов короткого замыкания.
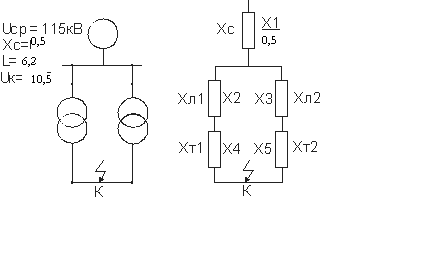
Расчет тока короткого замыкания.
Сопротивление линии:
X2 = X3 = Xл = X0 * L * (Sб / U2ср);
X2 = X3 = Xл = 0.4 * 6.2 * (700 / 1152 ) = 0.13 Ом.
Сопротивление трансформатора:
X4 = X5 = Xт = (Uк / 100) * (Sб / Sном.т.);
X4 = X5 = Xт = (10.5 / 100) * ( 700 / 2.5) = 29.4Ом.
Результирующее сопротивление:
Xрез = X1 + ((X4 + X4) / 2);
Xрез = 0,5 + ((0.13 + 29.4) / 2) = 15.26 Ом.
Базисный ток системы:
Iб = Sб / (√3 * 10.5);
Iб = 700 / (1,73 * 10,5) = 38.5 кА.
Ток короткого замыкания в точке К:
Iкз = Iб / Xрез;
Iкз = 38.5 / 15.26 = 2.5 кА.
Ударный ток короткого замыкания в точке К:
Iу = 2,55 * Iкз;
Iу = 2,55 * 2.5 = 6.3 кА.
Мощность трёхфазного короткого замыкания:
Sк.з. = Sб / Xрез;
Sк.з. = 700 / 15.26 = 45.8 МВА
Вывод: я выбрал схему внешнего электроснабжения предприятия на основе технико-экономических расчётов. Для этого я определил расчётные нагрузки предприятия, построил картограмму нагрузок, произвёл расчёт схемы внешнего электроснабжения.
Список литературы.
-
Б. Ю. Липкин «Электроснабжение промышленных предприятий и установок». Москва «Высшая школа» 1990г.
2. Фёдоров «Электроснабжение промышленных предприятий» Москва 1973 г.
3 Дьяков «Справочник по электрооборудованию».
4. Фёдоров А.А., Старкова А.Е. Учебное пособие для курсового и дипломного проектирования по электроснабжению промышленных предприятий: Учеб. пособие для вузов. – М.: Энергоатомиздат, 1987.
5. Князевский Б.А., Липкин Б.Ю. Электроснабжение промышленных предприятий: Учеб. пособие для вузов. – 3-е изд., перераб. и доп. – М.: Высшая школа, 1986.
6. Зюзин А.Ф., Поконов Н.З., Антонов М.В. Монтаж, эксплуатация и ремонт электрооборудования промышленных предприятий и установок: Учеб. для учащихся электротехнических спец. Техникумов. – 3-е изд., перераб. и доп. – М.: высшая школа, 1986.
29















