124818 (690166), страница 2
Текст из файла (страница 2)
Интегрированный сервопривод СПШ объединяет в одном компактном корпусе все необходимое для обеспечения управления движением ротора шагового двигателя в различных режимах работы.
Гибкая система настройки и встроенный контроллер позволяют использовать разработанные «Сервотехникой» сервоприводы в различных областях, а благодаря стандартным фланцам NEMA и компактным размерам СПШ может быть использован и при модернизации оборудования.
Конструктивно сервопривод СПШ можно разделить на следующие основные блоки:
- гибридный шаговый двигатель с габаритами NEMA 23 и 34;
- преобразователь частоты на основе высокопроизводительного DSP процессора;
- блок управления (сервоконтроллер и программируемый логический контроллер в одном корпусе);
- датчик позиции вала мотора.
Преимущества сервопривода СПШ:
- бесшаговое (векторное) управление на основе адаптированного для шаговых двигателей алгоритма;
- высокие динамические показатели за счет использования замкнутых контуров регулирования токов в обмотках двигателя;
- использование замкнутых контуров скорости;
- низкая вибрация за счет динамически регулируемого усилия;
- продуманная конструкция и простой монтаж;
- компактные размеры и небольшая масса.
Особенности сервопривода:
- реализованы режимы управления угловой позицией, скоростью, моментом;
- в базовой прошивке доступен режим плавного разгона/торможения с исключением двух диапазонов резонансных частот;
- точность позиционирования от 6 угловых минут до 8 угловых секунд;
- встроенный программируемый логический контроллер, дающий пользователю возможность создавать программы движения привода без применения внешних контроллеров;
- возможен режим синхронизации работы группы приводов (до 128 приводов на базе промышленной шины CAN);
- реализован режим работы «master-slave»
- наличие интерфейса Step/Dir для задания позиции вала двигателя;
- аналоговый интерфейс ±10 В для задания скорости двигателя;
- блок управления имеет 2 цифровых выхода, 4 электрически развязанных цифровых входа;
- привод имеет встроенную защиту от короткого замыкания, перегрева, повышенного и пониженного напряжения;
- настройка системы управления СПШ может осуществляться по более чем 50 параметрам, что позволяет оптимизировать рабочие характеристики привода для решения каждой конкретной задачи;
- в сервоприводе реализован режим осциллографа, позволяющий с высоким разрешением анализировать качество переходных процессов в приводе.
Данный электропривод может работать в динамическом режиме, при этом управляющий сигнал от контроллера верхнего уровня передается через цифровой интерфейс в режиме реального времени. Динамический режим используется в системах, требующих контурного управления (например, в манипуляторах со сложной кинематикой и координатных столах для точного позиционирования).
Проверка выбранного двигателя по нагреву.
Пусть нагрузочная диаграмма двигателя имеет циклический характер, а момент в каждом цикле не остается неизменным, т.е. двигатель работает с переменной нагрузкой (режимы S6, S7 или S8).
Рассмотрим «далекий» цикл, в котором тепловые процессы в двигателе установились, т.е. температуры перегрева в начале и в конце цикла равны, а в течение цикла t изменяется около среднего уровня tср. Равенство температур перегрева в начале и конце цикла свидетельствует о том, что количество тепла, запасенное в двигателе к началу цикла, не отличается от количества тепла, запасенного в двигателе в конце цикла, т.е. тепло в двигателе не запасается.
В соответствии с документацией, представленной заводом-изготовителем КПД электропривода при моменте нагрузки Мн=0,2 Нм, равен:
;
Номинальные потери двигателя:
;
Тепловые потери:
;
Потери в меди для номинального режима:
;
Механические потери принимаем равными 10% от номинальных:
;
Для электропривода СПШ-10 потери в стали отсутствуют, так как вращающиеся части не содержат ферромагнитных материалов
;
Двигатель выбран правильно, если в процессе его эксплуатации соблюдается условие:
,
где
- допустимое превышение температуры для изоляции двигателя, которое определяется классом нагревостойкости изоляции.
;
Коэффициент теплоотдачи:
Вт/°С;
Тогда:
°С;
Для выбранного двигателя предельная температура:
°С, допустимое превышение температуры для изоляции двигателя:
°С≥
.
Как видно из расчётов, предельное превышение температуры двигателя за время работы ниже допустимого, значит двигатель не будет перегреваться.
4. Моделирование режимов работы электропривода и процессов управления
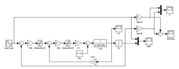
В качестве системы управления используется трёхконтурная система подчинённого регулирования с контурами тока, скорости, положения. Структурная схема представлена на рис.
Расчёт параметров структурной схемы
Вследствие малого значения постоянной времени контура тока, будем считать его безъинерционным звеном с коэффициентом передачи, равным:
;
Рис.3. Блок-схема рассматриваемой системы.
Контур скорости:
- коэффициент обратной связи по скорости;
Настроим контур скорости на технический оптимум:
Регулятор скорости представляет собой П-регулятор.
Контур положения:
Настроим контур положения на технический оптимум:
Регулятор положения представляет собой П-регулятор.
В соответствии с техническим заданием моделируемая система должна отрабатывать гармоническое задание с частотой 0…2 Гц с ошибкой позиционирования не более 1 мм
При f=1 Гц Ω = 2·π·f = 2·3,14·1=6,28 рад/с
Амплитуду задания выбираем опытным путём, для получения линейной скорости движения руки манипулятора не более 0,5 м/с. Была выбрана амплитуда, равная 24,5 рад.
Рис.4 Модель исследуемой системы в среде MatLab.
Результаты моделирования:
Рис.5. Зависимость
и
от времени t.
Рис.6. Зависимость угловой скорости ω электродвигателя от времени t.
Рис.7. Зависимость момента М электродвигателя от времени t.
Рис.8 Зависимость линейного перемещения L руки манипулятора от времени t.
Рис.9 Зависимость ошибки позиционирования от времени.
Таким образом, из результатов моделирования видно, что при отработке гармонического задания с частотой 2 Гц ошибка слежения ∆L=0,88 мм < 1 мм, что соответствует заданным требованиям.
5. Разработка электрической схемы
Согласно принципиальной электрической схеме в состав электропривода выдвижения руки манипулятора входят:
- интегрированные сервопривод СПШ20-23017;
- переключатель TR26-21C-11D1 (220В, 16А);
- разработанный блок питания.
Блок питания служит для обеспечения интегрированного сервопривода СПШ20-23017 стабилизированным силовым напряжением 80 В и стабилизированным напряжением цепи управления 15В. В его состав входят два преобразователя постоянного фирмы «Александер-Электрик»: DC/DC преобразователь МДМ10-Вт с выходным напряжение 15 В и DC/DC преобразователь MR100 с выходным напряжением 80 В. Также источник питания снащён ключом сброса энергии.
В режиме собственно двигателя, когда мощность источника питания расходуется на создание вращательного момента и в генераторном режиме, когда внешний вращательный момент наводит ЭДС на статорные обмотки и привод превращается в генератор постоянного тока. Переход в генераторный режим происходит всякий раз, когда контроллер сервопривода включает торможение, а инерция ротора и нагрузки заставляет его вращаться дальше. В результате чего накопительные конденсаторы начинают запасать электроэнергию. Кроме повышения КПД, наличие обратного тока направленного от привода в накопительные конденсаторы даёт возможность осуществлять торможение без рассеивания дополнительного тепла в обмотках и «тормозных» резисторах. Блок питания модели комплектуется тремя накопительными конденсаторами суммарной ёмкостью 3000 мкФ на 160 Вольт с максимальным током пульсаций 7.5 Ампер. Ресурс конденсаторов составляет 2000 часов при температуре 105°С.
В задачах требующих резких режимов торможениях сервоприводов и/или в условиях инерционной нагрузки возникают излишки энергии, которые могут превышать возможности накопительных конденсаторов, Для таких применений в состав блока питания включены специальные мощные «тормозные» резисторы и соответствующая схема управления. С помощью этой схемы излишки энергии преобразуются в тепло, которое рассеивается в «тормозных» резисторах. Схема управления «тормозными» резисторами состоит из компаратора «ОУ» и силового ключа на полевом транзисторе. Компаратор сравнивает напряжение пропорциональное силовому (делитель R1, R2) с предустановленным при настройке стабилизированным напряжением, поступающим с потенциометра RP1. Если значение силового напряжения превышает предустановленную величину, компаратор открывает силовой ключ и часть тока заряда накопительных конденсаторов перенаправляется на четыре мощных резистора (R3..R6), облегчая, тем самым, режим работы накопительных конденсаторов.
Отключение установки от питающего напряжения производится выключателем TR26-21C-11D1(220 В,16А).















