124740 (690134), страница 2
Текст из файла (страница 2)
Количество пусковых ступеней найдем как
Так как выходим на естественную характеристику, то
больше
Получены следующие расчетные значения:
количество пусковых ступеней — 1, суммарное время разгона
сопротивление первой пусковой ступени
Сопротивление первой пусковой секции
Рисунок 2.2 — Статическая пусковая диаграмма
2.4.2 Определение плавности регулирования скорости при использовании пусковых сопротивлений в качестве регулировочных
2.4.3 Разработка силовой электрической схемы электропривода с учетом технологических условий работы механизма
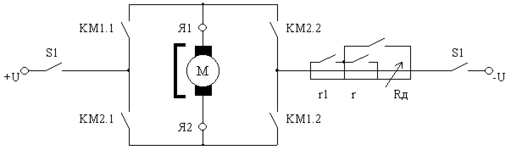
Рисунок 2.5 — Силовая схема электропривода
Силовая схема содержит высокомоментный двигатель постоянного тока, рубильники (S1), реверсивный мост и пусковые ступени с реостатом для регулирования скорости (Rд).
2.5 Расчет и построение механических характеристик электропривода в тормозных режимах
2.5.1 Расчет и построение механической характеристики привода при силовом спуске пустой крюковой подвески в режиме рекуперативного торможения, определение величины сопротивления секции противовключения
Для рекуперативного торможения найдем тормозной момент:
ЕДС, генерируемая приводом:
Ток противовключения :
Сопротивление противовключения:
Рисунок2.4-Рекуперативное торможение
2.5.2 Расчет и построение механической характеристики при реверсе по току якоря, определение величины сопротивления секции противовключения
Сопротивление секции противовключения найдем как
Точки для построения характеристики:
и
Точки для построения реверсивной характеристики:
и
Рисунок 2.6 — Тормозные характеристики
2.6 Выводы
При рассмотрении работы электродвигателя, приводящего в действие производственный механизм, необходимо, прежде всего, выявить соответствие механических характеристик двигателя характеристике производственного механизма. Поэтому для правильного проектирования и экономичной эксплуатации электропривода необходимо изучать эти характеристики.
3 Электромеханические переходные процессы в электроприводе
3.1 Расчет и построение графиков переходных процессов
и
при разгоне привода от нулевой начальной скорости до рабочей
Так как процесс разгона двигателя происходит ступенчато (одна ступень), то имеем два переходных процесса. Для построения графиков переходных процессов найдем постоянные времени переходных процессов:
Тогда время переходных процессов найдем как:
График переходного процесса по скорости будет комбинацией графиков переходных процессов, происходящих при разгоне до скорости, на которой шунтируется пусковая секция и при разгоне до необходимой скорости:
Рисунок 3.1 — Переходный процесс
График переходного процесса по току будет комбинацией графиков переходных процессов, происходящих при разгоне до скорости, на которой шунтируется пусковая секция и при разгоне до необходимой скорости:
Рисунок 3.2 — Переходный процесс
3.2 Расчет и построение графиков переходных процессов
и
при переводе привода из положения «Вперед» в положение «Назад» для получения максимальной скорости возврата каретки
Перевод привода из положения «Вперед» в положение «Назад» осуществим поэтапно. Сначала затормозим двигатель противовключением, после чего осуществим его разгон в противоположную сторону до скорости
, а затем — до скорости
Разгон до каждой из скоростей будем осуществлять ступенчато, как показано в п.2.4, так как конечные скорости пропорциональны.
Переходный процесс при торможении противовключением.
Постоянная времени переходного процесса:
Время переходного процесса:
Переходный процесс по скорости будет описываться уравнением
Переходный процесс по току будет описываться уравнением
Переходные процессы при разгоне до скорости
.
По скорости:
По току:
Переходные процессы при разгоне до скорости
.
По скорости:
По току:
График переходного процесса по скорости получим комбинацией графиков переходных процессов на каждом участке.
Рисунок 3.3 — Переходный процесс
Рисунок 3.4 — Переходный процесс
3.3 Расчет и построение графиков переходных процессов
и
при сбросе и набросе наибольшей нагрузки, определение пути на этом переходе с учетом электромеханических процессов, оценка ошибки позиционирования
Постоянную времени переходных процессов определим как
Время переходного процесса определим
Переходные процессы по скорости:
Переходные процессы по току:
Рисунок 3.5 — Переходный процесс
Рисунок 3.6 — Переходный процесс
Путь при переходном процессе найдем из следующих соотношений:
где
— число оборотов рабочего органа.
где
— число оборотов двигателя.
где
— угол поворота ротора двигателя за время переходного процесса.
Тогда
Следовательно,
3.4 Выводы
Изучение переходных режимов электропривода имеет большое практическое значение. Результаты их расчетов позволяют правильно определить мощность электродвигателей и аппаратуры, рассчитать систему управления и оценить влияние работы электропривода на производительность и качество работы производственных механизмов.
4 Разработка принципиальной электрической схемы электропривода
Согласно заданию на проектирование, разрабатываем электрическую схему электропривода с использованием бесконтактных элементов.
Силовая часть схемы включает в себя цепи пуска высокомоментного ДПТ в функции ЭДС, его реверса, торможения противовключением и динамического торможения в функции тока.
В работе электропривода можно выделить следующие логические функции и условия, согласно которым осуществляется работа привода.
Логические функции.
— если «1», то двигатель работает в режиме «вперед»;
— если «1», то двигатель работает в режиме «назад»;
— если «0», то включается первая рабочая скорость;
— если «0», то включается вторая рабочая скорость;
— если «1», то двигатель работает в режиме динамического торможения;
— если «1», то осуществлен пуск двигателя в функции ЭДС;
— если «0», то двигатель работает в режиме торможения противовключением.
Логические условия.
— если «1», то нажата кнопка SB1 («стоп»), иначе — кнопка SB1 отпущена;
— если «1», то нажата кнопка SB2 («пуск вперед»), иначе — кнопка SB2 отпущена;
— если «1», то нажата кнопка SB3 («пуск назад»), иначе — кнопка SB3 отпущена;
— если «1», то нажата кнопка SB4 («включение первой рабочей скорости»), иначе — кнопка SB4 отпущена;
— если «1», то нажата кнопка SB5 («возврат на номинальную скорость»), иначе — кнопка SB4 отпущена;
— если «1», то нажата кнопка SB6 («включение второй рабочей скорости»), иначе — кнопка SB6 отпущена;
— если «1», то нажата кнопка SB7 («возврат на первую рабочую скорость»), иначе — кнопка SB7 отпущена;
,
— если «1», то в цепи якоря короткое замыкание, иначе — номинальный режим;
— если «1», то в цепи якоря перегрузка по току, иначе — номинальный режим;
— если «1», то в цепи якоря есть ток, иначе — тока нет;
— если «1», то в напряжение на якоре достигло порогового значения, при котором необходимо отключить пусковое сопротивление, иначе — напряжение меньше необходимого;
— если «1», то необходимо включить секцию противовключения для предотвращения броска тока, иначе такой необходимости нет;
— если «1», то закончилась временная выдержка, в течение которой МТЗ может считаться не сработавшей, иначе — МТЗ сработала.
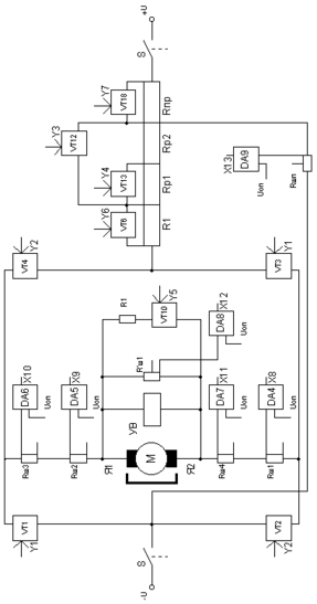
Рисунок 4.1 — Функциональная схема силовой части привода
Работа схемы.
Силовая схема электропривода состоит из высокомоментного ДПТ (М), реверсивного транзисторного мостового коммутатора (VT1..VT4), бесконтактных переключателей (VT6, VT10, VT12, VT13 и VT18), бесконтактных датчиков тока (Rш1..Rш4) и напряжения (R’ш1 и Rшп), а также компараторов тока и напряжения (DA4..DA9).
Исходное состояние — двигатель выключен.
Для пуска двигателя вперед, необходимо нажать кнопку SB2. При этом если не нажата кнопка «стоп» (SB1), есть напряжение на блоке питания схемы, не сработали реле короткого замыкания (Rш1 и Rш2) и не сработала максимальная токовая защита (Rш3) и временная задержка для того, чтобы схема не отключилась при кратковременном набросе тока, то двигатель начинает работать в режиме «вперед». Таким образом, можно записать следующее выражение:
Для пуска двигателя назад, необходимо нажать кнопку SB3. При этом если не нажата кнопка «стоп» (SB1), есть напряжение на блоке питания схемы, не сработали реле короткого замыкания (Rш1 и Rш2) и не сработала максимальная токовая защита (Rш3) и временная задержка для того, чтобы схема не отключилась при кратковременном набросе тока, то двигатель начинает работать в режиме «назад». Таким образом, можно записать следующее выражение:
Пуск в функции ЭДС осуществляется автоматически при включении двигателя вперед или назад и достижении напряжением якоря порогового значения, а так же при условии того, что в данный момент не производится торможение противовключением. Таким образом, можно записать следующее выражение:
Включение первой рабочей скорости (выключение переключателя VT12, поэтому
для включения скорости) осуществляется, если нажата кнопка SB4 и не нажата кнопка SB5, и закончился пуск в функции ЭДС. Выражение для включения первой рабочей скорости:
Для реализации этой функции применим триггер RS-типа.
















