124573 (690073), страница 4
Текст из файла (страница 4)
Потери тепла в окружающую среду в долях от Qн: 0,06
Температура дымовых газов, покидающих конвекционную камеру печи, Тух: 623 К
Энтальпия уходящих дымовых газов, qух: 8582,51 кДж/кг
Потери тепла с уходящими дымовыми газами в долях от Qн: 0, 19426
КПД печи: 0,74574
Массовая доля отгона сырья на выходе из печи, еп: 0,63
Температура сырья на выходе из печи, Твых: 573 К
Температура сырья на входе в печь, Твых: 433 К
Относительная плотность сырья (ρ20): 0,9189
Относительная плотность сырья (ρ15): 0,92271
qж = (4,187/(ρ20^1/2)) *(0.403*t + 0.000405*t^2), кДж/кг
qп = (129,58 + 0,134*Т + 0,00059*Т^2) *(4 - ρ15) – 308,99), кДж/кг
энтальпия паровой фазы сырья, qп: 922,161 кДж/кг
энтальпия жидкой фазы сырья, qж: 685,863 кДж/кг
энтальпия сырья на входе в печь, qвх: 326,25 кДж/кг
производительность печи по сырью, Gон: 139726 кг/ч
полезное тепло печи, Qпол: 7,1Е + 07 кДж/ч; или Q’пол: 19735,6 кВт
полная тепловая нагрузка печи, Qm: 9,5Е + 07; или Q’m: 26464,5 кВт
часовой расход топлива, В: 2156,45 кг/ч; или В’: 2683,58 м^3/ч
Поверхность нагрева радиантных труб и размеры камеры радиации:
температура дымовых газов на выходе из камеры радиации, Тп: 1023 К
по графику Q – T находим qТп: 18151,6 кДж/кг
потеря тепла в топке: 0,04
коэффициент эффективности,
кпд топки: 0,96
количество тепла переданного сырью в камере радиации, Qр: 5,2Е + 07 кДж/ч
или Q’р: 14532,9 кВт
теплонапряжение радиантных труб qр: 35 кВт/м^2
поверхность нагрева радиантных труб Нр: 415,225 м^2
Выбираем трубчатую печь типа ВС
ВЫВОДЫ
В ходе курсового проектирования по курсу «Технология получения масел и парафинов» была рассмотрена установка селективной очистки масляных дистиллятов фенолом фракции > 490С Величаевской нефти производительностью 430 тыс. тонн в год. Произведен технологический расчет следующих аппаратов:
- экстракционная колонна, количество тарелок 20; диаметр 4,7м;
общая высота 21,42 м
- сушильная колонна, количество тарелок 24; диаметр 4м;
общая высота 12,14 м
- теплообменник, поверхность теплообмена 693 м^2;
число ходов по трубам 4; диаметр труб 20 мм
- трубчатая печь, расход топлива 2683,58 м^3/ч;
производительность 139726 кг/ч
ЛИТЕРАТУРА
-
Черножуков Н.И. Технология переработки нефти и газа. Ч-3, И-6. Под редакцией Н.А. Гуреева, Б.И. Бондаренко. – М: Химия, 1978г.
-
Казакова Л.П. Крейн С.Э. Физико–химические основы производства нефтяных масел. - М: Химия, 1978г.
-
Сарданашвили А.Г. Львов А.И. Примеры и задачи по технологии переработки нефти и газа. И-2. Пер. и доп. - М: Химия, 1980г.
-
Нефти СССР. Справочник – М: Химия.
-
Справочник нефтепереработчика. Под редакцией Г.А. Ластовкин, Г.А. Радченко, М.Г. Рудина. – Л: Химия, 1986г
-
Кузнецов А.А. Кагерманов С.М. Судаков Е.Н. Расчеты процессов и аппаратов нефтеперерабатывающей промышленности. – М: Химия, 1974г.
Приложение
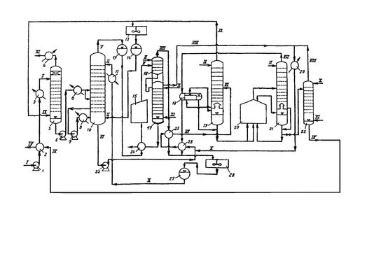
Технологическая схема типовой установки селективной очистки масляного сырья фенолом.
Фракция нефти более 490 С насосом 1 прокачивается через теплообменники 2, где нагревается горячим экстрактом до температуры около 90 С, и паровой подогреватель 3 и с температурой 110 – 115 С подается на верхнюю тарелку абсорбера 5. Подача сырья регулируется в зависимости от уровня жидкости в абсорбере регулятором расхода, клапан которого установлен на выходе насоса 1. Вниз абсорбера поступают пары азеотропной смеси. Сырье стекает по тарелкам абсорбера и, встречаясь с поднимающимися навстречу сырью парами, поглощает фенол. Пары воды сверху абсорбера выводятся в конденсатор-холодильник 4, конденсат собирается в приемнике, откуда направляется на производство перегретого водяного пара.
Сырье с абсорбированным в нем фенолом забирается снизу абсорбера насосом 6, охлаждается в холодильнике 8 до требуемой температуры и вводится в среднюю часть Экстракционной колонны 10. Наверх этой колонны из приемника 27 подается фенол предварительно нагретый в паровом подогревателе 11. Для снижения растворяющей способности фенола в нижнюю часть колонны 10 из емкости 14 предусмотрена подача фенольной воды.
Для равномерного распределения потоков по сечению колонны жидкости вводят в колонну через маточники. Температура растворов в верхней и средней частях колонны регулируется нагревом сырья и фенола. Необходимая температура низа колонны регулируется, главным образом, циркуляцией части экстрактного раствора насосом 7 через холодильники 9. В экстракционной колонне образуется два слоя: рафинатный и экстрактный. Независимо от качества очищаемого сырья уровень раздела фаз поддерживается в колонне при помощи дифманометрического или электрического уровнемера немного выше распределителя сырья.
Рафинатный раствор, содержащий до 20% фенола, сверху колонны 10 поступает в промежуточный приемник 12, откуда направляется в секцию регенерации растворителя. Экстрактный раствор, содержащий фенол, экстракт и практически всю вводимую в колонну воду, поступает снизу колонны 10 на прием насоса 23, при помощи которого он подается в секцию регенерации растворителя.
Ренегерация растворителя из рафинатного раствора.
Рафинатный раствор из приемника 12 через теплообменники 24, где нагревается отходящим с установки рафинатом, поступает в змеевики трубчатой печи 15. С температурой 260-290 С парожидкостная смесь поступает в среднюю часть испарительной рафинатной колонны 16. Из нее основная масса фенола уходит в виде паров. Для предотвращения уноса рафината с парами фенола и более четкого отделения от рафината колонна оборудована колпачковыми тарелками (6-7штук). В качестве орошения в колонну 16 подается фенол. Давление в колонне 16 составляет 0,13-0,16 МПа (1,3-1,6 кгс/см ). Пары фенола сверху этой колонны конденсируются и охлаждаются в теплообменнике 25 и воздушном холодильнике 28; конденсат поступает в приемник безводного фенола 27.
Раствор рафината с небольшим содержанием фенола (2-3%) перетекает в отпарную колонну 17, где остатки фенола отгоняются острым паром, подаваемым вниз колонны. Пары воды и фенола сверху колонны 17 поступают в конденсатор 29, конденсат вместе с экстрактным раствором направляется в сушильную камеру 17 откачивается через теплообменник 24 и концевой холодильник в резервуарный парк.
Ренегерация растворителя из экстракционного раствора.
Экстрактный раствор отводится насосом 23 из колонны 10, прокачивается через теплообменник 26, обогреваемый конденсатом паров фенола из колонны 21, теплообменник 25, где нагрев осуществляется теплом конденсации паров фенола из колонны 16, и с температурой 120-130 С поступает в сушильную камеру 19. В этой колонне экстрактный раствор обезвоживается: разделяется на пары азеотропной смеси фенола и воды и остаток, состоящий из экстракта с основной массой фенола.
Часть паров азеотропной смеси сверху колонны 19 направляется в абсорбер 5, другая часть паров поступает в воздушный конденсатор-холодильник 13, где они конденсируются и в виде фенольной воды собираются в преемнике 14. Раствор экстракта собирается на полуглухой тарелке внутри колонны 19 и отсюда самотеком перетекает в кипятильник 18 возвращаются в колонну 19 под полуглухую тарелку; экстрактный раствор снизу кипятильника присоединяется к экстрактному раствору, выводимому из нижней части колонны 19. Снизу колонны 19 обезвоженный экстрактный раствор прокачивается через часть змеевиков печи 20, где нагревается до 250-280 С, и поступает в испарительную экстрактную колонну 21. При необходимости часть раствора из печи 20 возвращается в колонну 19.
В колонне 21, работающей под давлением 0,2-0,3 МПа, выделяется почти весь фенол, пары которого конденсируются в кипятильнике 18, охлаждаются в теплообменнике 26 и холодильнике 28, откуда фенол поступает в приемник сухого фенола 27. Дополнительное количество тепла в колонну 21 вводится раствором экстракта, циркулирующим с полуглухой тарелки, и снизу колонны через печь 20. Горячий поток поступает под полуглухую тарелку с температурой 330-340 С. В качестве орошения наверх колонны подается фенол.
Экстрактный раствор снизу колонны 21 поступает в отпарную колонну 22. Для отгона остатков фенола вниз колонны подается острый пар; в качестве орошения наверх колонны вводится фенольная вода. Пары фенола и воды, выходящие сверху колонны 22, конденсируются в конденсаторе-холодильнике 29; конденсат направляется в сушильную колонну 19. Снизу колонны 22 экстракт откачивается через сырьевой теплообменник 2 и концевой холодильник в резервуарный парк.















