124225 (689925), страница 2
Текст из файла (страница 2)
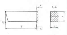
где l – вылет резца, принимается равным 40 мм;
[σи] – допускаемое напряжение материала державки на изгиб. Для стали 40 [σи] = 230 МПа.
Рисунок 6.1
Размеры сечения выбирать из стандартного ряда: 4; 5; 6; 8; 10; 12; 16; 20; 25; 32; 40; 50; 63; 80 мм, принимая ближайшую большую величину.
Принимаю b = 8 мм
Определить высоту поперечного сечения державки
h = 1,6 · b =12,8 мм.
Принимаю h = 12,8 мм.
7. Определение основного времени
Основное время при резьбонарезании – это время от начала непосредственного резания до его окончания с учетом количества проходов резца по поверхности образуемой резьбы. Это время является исходным для технического нормирования технологической операции и определяется по формуле
0,6191*5=0,095 мин
где l1 = y + Δ = 4P = 6 мм
y – врезание;
l – длина обрабатываемой поверхности;
Δ – перебег резца (см. рисунок 4.1);
i – количество проходов.
Заключение
Задание на курсовую работу выполнено в полном объеме. Определен ряд параметров технологической операции – чернового и чистового резьбонарезания резьбовым резцом. Эти параметры необходимы для оформления операционной технологической карты.
Результаты курсовой работы приведены в таблице 8.1.
Таблица 8.1 - Результаты курсовой работы
| Параметр | Обозначение | Единица измерения | Величина |
| 1 Станок | токарно-винторезный 16К20 | ||
| - мощность станка | Nст | кВт | 8,3 |
| - кпд | η | - | 0,75 |
| 2 Инструмент | токарный резьбовой резец с пластинкой из твердого сплава Т15К6 | ||
| - высота державки | h | мм | 12,8 |
| 3 Геометрия резца | - | - | - |
| - передний угол | γ | град | 0 |
| - главный задний угол | α | град | 8 |
| - главный угол в плане | φ | град | 60 |
| 3 Заготовка | - | - | - |
| - материал | Сталь 40 ГОСТ 4543-71 | ||
| - предел прочности | σв | МПа | 610 |
| - состояние обрабатываемой поверхности | без корки | ||
| - размеры обработанной поверхности | метрическая резьба диаметром М 30, длиной 40 мм | ||
| 4 Вид обработки | черновое и чистовое резьбонарезание | ||
| 5 Режим резания | - | - | - |
| - глубина резания | t | мм | 0,92 |
| - подача | SOст | мм/об | 1,5 |
| - частота вращения заготовки | nст | мин-1 | 1600 |
| - действительная скорость резания | Vд | м/мин | 150,72 |
| 6 Мощность резания | Nрез | кВт | 1,6 |
| 7 Основное время | То | мин | 0,095 |
Список используемых источников
-
Справочник технолога-машиностроителя. В 2-х т. Т. 2 / Под ред. А.Г. Косиловой и Р.К. Мещерякова. – 4-е изд., перераб. и доп. – М.: Машиностроение, 1986.
-
Общемашиностроительные нормативы режимов резания для технического нормирования работ на металлорежущих станках, ч. 1. – М.: Машиностроение, 1967.
-
Нефедов Н.А., Осипов К.А. Сборник задач и примеров по резанию металлов и режущему инструменту: Учеб. пособие для техникумов по предмету «Основы учения о резании металлов и режущий инструмент». – 5-е изд., перераб. и доп. – М.: Машиностроение, 1990.
Приложение
Образец чертежа резьбового резца
1
















