124195 (689905), страница 3
Текст из файла (страница 3)
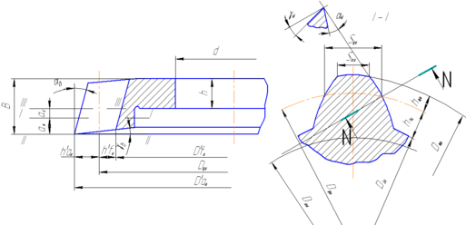
За длину передней направляющей принимается расстояние от конца переходного конусу к первому режущему зубцу, включая ширину первой впадины между зубцами (l4, рис. 1).
Длина передней направляющей выбирается в зависимости от отношения длины втулки, которая протягивается L, к ее диаметру D
при L/D1,5 lпн = L;
при L/D>1,5 lпн = 0,75L, но длина ее не должна быть меньше 40 мм.
Форма и диаметр передней направляющей принимается равным диаметру отверстия к протягиванию Dпн = D0 с допуском по 7.
L/D=100/82=1,221,5
lпн = 100
Шейка и переходный конус
Эти элементы предназначены для соединения хвостовика протяжки с ее рабочей частью. Длина переходной шейки должна обеспечить возможность присоединения протяжки к патрону протяжного станка.
Переходный конус выполняется для обеспечения легкого ввода направляющей протяжки в обрабатываемую втулку. Длина переходного конуса l3 = 10–20 мм, в зависимости от диаметра
Минимальная длина шейки определяется в зависимости от типа станка и длины обрабатываемой детали.
lш = lст – lпк – lпн= 190+100 – 20 – 100=170, мм,
где Lст – минимальный размер от торца хвостовика протяжки к первому режущему зубцу (см. табл. 8),
l3 – длина переходного конуса, мм,
l4 – длина передней направляющей, мм.
Рассчитанную длину увеличивают на 5–30 мм для более свободного оперирования с хвостовиком.
Диаметр переходной шейки принимается меньшим чем диаметр хвостовика на 0,3–1 мм с допуском по h14. Шейка обрабатывается с чистотой поверхности Ra3,2 и используется для маркирования протяжки и сваривания.
Задняя направляющая
Задняя направляющая предназначенная для того, чтобы исключить возможность перекоса обработанной детали в момент выхода из нее последнего зубца протяжки и повреждения обработанной поверхности.
Форма и диаметр задней направляющей Dзн принимается равным номинальному диаметру обрабатываемого отверстия с допуском по 7.
Длина задней направляющей зависит от длины обрабатываемой втулки и выбирается с табл. 9.
Таблица 9. – Длина задней направляющей, мм
| Длина обрабатываемой втулки, L | 70–100 |
| Длина задней направляющей, lзн | 50–65 |
Общая длина протяжки
Общая длина протяжки рассчитывается как сумма длин всех составных частей протяжки
L= l1+ l2+ l3+ l4+ lф+lш+lкр+ lзн =90+170+20+100+133+821+60=1394, мм.
Длина протяжки не должна превышать величины, которая допускается технологическими возможностями ее изготовления (см. табл. 10), и параметрами станка (см. табл. 8).
Таблица 10. – Предельные длины протяжек, обрабатываемых в центрах, мм
| Диаметр протяжки | более 70 |
| Допустимая длина протяжки | 2000 |
Если длина протяжки выходит большей, чем табличные значения, то необходимо ее пересчитать, уменьшая при этом шаг зубьев, или применить вместо одной протяжки комплект из двух протяжек, поделив количество зубцов приблизительно пополам.
2. Проектирование долбяка
2.1 Исходные данные для проектирования долбяка
Модуль колеса m=5,5 мм
Профильный угол α=20º
Число зубев
Шестерни Z1=28
Колеса Z2=80
Степень точности нарезаемых колес 7-D
Угол наклона зубьев на делительной окружности β=0
Материал детали сталь 35
2.2 Дополнительные данные, необходимые для расчета долбяка
Диаметры делительных окружностей
dd1=m∙z1; dd2=m∙z2;
dd1=5,5∙28=154 мм;
dd2=5,5∙80=440 мм.
Диаметры основных окружностей колес
do1 = dd1 · cosα; do2 = dd2 · cosα;
do1 = 154 · cos 20 = 144,713 мм;
do2 = 440 · cos 20 = 413,465 мм.
Диаметры окружностей вершин колес
dа1 = d1 + 2 · ha* · m = 154 + 2 · 1,0 · 5,5 = 165 мм;
dа2 = d2 + 2 · ha* · m = 440 + 2 · 1,0 · 5,5 = 451 мм.
Диаметры окружностей впадин колес
df1 = m(z1 – 2·ha* -2·c*)=5,5 (28–2·1 -2·0,25)=140,25 мм
df2 = m(z2 – 2·ha* -2·c*)=5,5 (80–2·1 -2·0,25)=426,25 мм
Межцентровое расстояние
А1,2=0,5 (dd1 + dd2);
А1,2=0,5 (154 + 440)=297 мм
Действительный угол зацепления в передаче
Отсюда α1,2=20º
Высота головки зуба
ha1,2=m=5,5 мм
Высота ножки зуба
hf1,2=1,25m=1,25·5,5=6,88 мм
Толщина зуба по делительной окружности
мм
2.3 Определение геометрических параметров долбяка
Передний угол вершины долбяка принимаем γв = 5° как для чернового класса точности А
Профильный угол долбяка
Где к – профильный угол обрабатываемого колеса;
в та в- задний и передний углы при вершине долбяка соответственно.
Задний угол назначают из условия обеспечения достаточного бокового заднего угла в плоскости N-N.
Необходимо проверить выполненные условия:
Условие выполняется.
2.4 Определение размеров долбяка в выходном сечении.
Толщина зуба долбяка по делительной окружности по нормали.
, мм,
Где – боковой зазор в передаче
Высота зуба долбяка.
hи = 2,5m, мм;
haи = hfи = 1,25m, мм.
hи = 2,5*5,5=13,75 мм;
haи = hfи = 1,25*5,5=6,8, мм.
Число зубьев долбяка.
Где d’ди – номинальный диаметр делительной окружности, принимаем Ø100 мм [4 ст. 32 таб. 2]
Округляем значения до целого числа 18 и уточняем делительный диаметр
мм
Теоретический диаметр основной окружности
мм
Диаметр вершин долбяка.
, мм.
мм
Диаметр впадин долбяка.
, мм.
мм.
Боковой задний угол в плоскости, соответствующей оси долбяка.
где – н номинальный задний угол принимается равным (2,5–3).
Угол давления на вершины зуба.
Толщина зуба при вершине.
, мм.
, мм.
2.5 Определение исходных расстояний долбяка
Определение позитивного исходного расстояния долбяка.
Минимальная толщина зуба долбяка по окружности выступов определяется по формуле
Samin =к*m, мм,
где к – коэффициент, который зависит от модуля
Samin =0,22*5,5=1,21 мм
Действительная толщина зуба нового долбяка
, мм
где -коэффициент смещения определяется по графикам, приведенным на рис. 4.2 в зависимости от числа зубьев долбяка и коэффициента к в формуле толщины зуба.
мм
Проверка выполнения условия SaиSamin
Избранное значение коэффициента смещения необходимо проверить на отсутствие интерференции с переходными кривыми. Для этого должны быть соблюдены следующие неравенства:
Первое условие отсутствия переходной кривой на зубцах шестірні
ρ1 – ρи1 ≥0,
где, мм – наибольший радиус кривизны профиля зуба
мм
мм – наибольший радиус кривизны профиля зуба долбяка при нарезании шестірні
мм
.
мм
ρ2 – ρи2 ≥0,
де
, мм
мм
, мм
мм
, мм.
мм
Позитивное исходное расстояние на передней поверхности нового долбяка от исходного пересечения определяется по формуле
, мм.
Определение негативного исходного расстояния долбяка.
Негативное исходное расстояние долбяка (пересечение III–III на рис. 4.1) определяет размеры долбяка после всех. Толщина долбяка, что осталась, ограничивается: 1) прочностью зубцов долбяка; 2) срезкой кромок зубцов у колес, которые нарежутся, прямолинейным участком ножки зубца долбяка; 3) подрезает зубцы колес, которые нарежутся.
Допустимая величина среза кромки колеса ∆R зависит от условий работы передачи, степени точности, и назначается конструктором. Если срезка покромки не допускается, то ∆R=0.
Минимальный коэффициент смещения ξmin, при котором высота среза кромки колеса будет равняется допустимой величине ∆R, определяется по формуле
,
где
.
Рассчитанное значение ξmin проверяют на отсутствие подрезает зуб колеса.
Подрезает исключается, если выполняется условие
.
Если в результате проверки будет установлено наличие подрезающего, то нужно увеличить коэффициент смещения ξmin.
Максимальное негативное исходное расстояние предельно сточенного долбяка ас определяется по формуле
, мм.
2.6 Определение высоты долбяка
Максимально возможная величина стачивания долбяка вдоль его оси.
, мм.
Висота долбяка.
Если рассчитана величина возможного утачивания долбяка н меньше максимально допустимой высоты рабочей части долбяка ви-визн (определяется по таблицы 4, дод. 2), то
Ви-Визн=20–6,5=13,5
Bи=Н +Визн, мм,
где визн – минимальная толщина долбяка за условием прочности, выбирается по табличку. 4, дод. 2.
Если рассчитаная величина возможного утачивания долбяка н превышает максимально допустимую по технологическим возможностям шлифования высоту долбяка ви (определяется по таблицы 4, доп. 2), то как окончательную высоту долбяка принимается величина ви, выбранную из таблицы. В этом случае возможно несколько случаев расположения исходного пересечения долбяка.
Рисунок 4.3 – Варианты расположения исходного пересечения долбяка: а и б – симметричное расположение исходных расстояний; в-с полным использованием позитивного исходного расстояния; г – с полным использованием негативного расстояния
Позитивное исходное расстояние долбяка принимается ровным рассчитанному значение ан, если НВи (рис. 4.3, а), де Ви – максимально допустимая рабочая высота долбяка по технологическим возможностям его шлифования (определяется по таблице 4, дод. 2).
-
Позитивное исходное расстояние ан=ас = 0,5Ви (рис. 4.3, б), если ан0,5Ви, і ас0,5Ви, де Ви – максимально допустимая рабочая высота долбяка по технологическим возможностям его шлифования (определяется по таблицы 4, дод. 2).
ан=ас = 0,5Ви
ан=ас = 0,5∙20=10 мм
-
Позитивное исходное расстояние принимается ровным рассчитанному значение ан, ас =Ви-ан, если ан0,5Ви, і ас0,5Ви(рис. 4.3, в).
-
Позитивное исходное расстояние ан=Ви-ас, если ас0,5Ви і ан0,5Ви, (рис. 4.3, в).
2.7 Определение размеров долбяка по передней поверхности
Внешний диаметр нового долбяка
, мм,















