124159 (689875), страница 2
Текст из файла (страница 2)
ω3=16.8 рад/с
Передача нереверсивная.
Расположение колес относительно опор симметричное.
3.2 Расчет параметров зубчатой передачи
Выбираем материал для шестерни и колеса по табл.3.3 [1,c.34]:
шестерня – сталь 40Х, термообработка – улучшение 270НВ,
колесо - сталь 40Х, термообработка – улучшение 250НВ.
Определяем допускаемое контактное напряжение по формуле (3.9) [1,c.33]:
(3.1)
где σHlimb – предел контактной выносливости при базовом числе циклов;
КHL – коэффициент долговечности;
[SH] – коэффициент безопасности;
по [1,c.33]: КHL =1; [SH] =1,1.
Определяем σHlimb по табл.3.2 [1,c.34]:
σHlimb =2НВ+70; (3.2)
σHlimb1 =2270+70; σHlimb1 =610МПа;
σHlimb2 =2250+70; σHlimb1 =570МПа.
Сделав подстановку в формулу (3.1) получим
;
МПа;
;
МПа.
Определяем допускаемое расчетное напряжение по формуле (3.10) [1,c.35]:
(3.3)
;
МПа.
Определяем межосевое расстояние передачи по формуле (3.7) [1,c.32]:
(3.4)
где Ка – числовой коэффициент;
КHβ – коэффициент, учитывающий неравномерность распределения нагрузки по ширине венца;
- коэффициент ширины;
Т2 – вращающий момент на колесе (по схеме привода Т2=Т3)
Выбираем коэффициенты:
Ка =43 [1,c.32];
КHβ =1,1 [1,c.32,табл.3.1];
=0,315 назначаем по ГОСТ2185-66 с учетом рекомендаций [1,c.36];
Т2=Т3=218,69Нм.
Подставив значения в формулу (3.4) получим:
;
мм;
Принимаем окончательно по ГОСТ2185-66 [1,c.36]
мм.
Определяем модуль [1,c.36]:
(3.5)
;
;
Принимаем по ГОСТ9563-60 модуль mn=2,0мм [1,c.36]
Определяем суммарное число зубьев по формуле (3.12) [1,c.36]:
(3.6)
Принимаем предварительно β=12º (β=8º…12º), тогда cosβ=0,978
;
;
Принимаем
зуба.
Определяем число зубьев шестерни и колеса по формулам (3.13) [1,c.37]:
;
;
;
;
;
;
.
Уточняем фактическое передаточное число
;
;
Определяем отклонение передаточного числа от номинального
;
.
Допускается ∆U=±3%
Уточняем угол наклона зубьев по формуле (3.16) [1,c.37]:
(3.7)
;
;
.
Определяем делительные диаметры шестерни и колеса по формуле (3.17) [1,c.37]:
(3.8)
;
мм;
;
мм.
Проверяем межосевое расстояние
(3.9)
;
мм.
Определяем остальные геометрические параметры шестерни и колеса
;
;
;
;
(3.10)
;
(3.11)
мм;
;
мм;
;
мм;
;
мм;
;
мм;
;
мм;
;
мм
;
мм;
;
мм;
;
мм.
Проверяем соблюдение условия (т.к. Ψba<0,4)
;
;
;
0,315>0,223
Значит, условие выполняется.
Определяем окружные скорости колес
;
м/с;
;
;
м/с;
м/с.
Назначаем точность изготовления зубчатых колес – 8В [1,c.32].
Определяем фактическое контактное напряжение по формуле (3.6) [1,c.31]
(3.12)
где КН – коэффициент нагрузки:
КН =КНά КНβ КН;
КНά – коэффициент, учитывающий неравномерность распределения нагрузки между зубьями;
КНβ - коэффициент, учитывающий неравномерность распределения нагрузки по ширине;
КН - коэффициент, учитывающий динамическую нагрузку в зацеплении.
Уточняем коэффициент нагрузки
КНά =1,09; [1,c.39, табл.3.4]
КН =1; [1,c.40, табл.3.6]
;
;
,
тогда КНβ =1,2; [1,c.39, табл.3.7]
КН =1,091,21; КН =1,308.
Сделав подстановку в формулу (3.12) получим
;
МПа.
Определяем ∆σН
;
;
недогрузки,
что допускается.
Определяем силы в зацеплении
- окружная
; (3.13)
;
Н;
- радиальная
; (3.14)
;
Н;
- осевую
; (3.15)
;
Н.
Практика показывает, что у зубчатых колес с НВ<350 выносливость на изгиб обеспечивается с большим запасом, поэтому проверочный расчет на выносливость при изгибе не выполняем.
Все вычисленные параметры заносим в табл.2.
Таблица 2
Параметры закрытой зубчатой передачи
| Параметр | Шестерня | Колесо |
| mn,мм | 2 | |
| βº | 10º16’ | |
| ha,мм | 2 | |
| ht,мм | 2,5 | |
| h,мм | 4,5 | |
| с, мм | 0,5 | |
| d,мм | 63 | 187 |
| dа,мм | 67 | 191 |
| df,мм | 58 | 182 |
| b, мм | 44 | 40 |
| аW,мм | 125 | |
| v, м/с | 1,59 | 1,58 |
| Ft, Н | 2431 | |
| Fr, Н | 899,3 | |
| Fа, Н | 163,7 | |
4 Расчет тихоходного вала редуктора
4.1 Исходные данные
Исходные данные выбираем из табл.1 и табл.2 с округлением до целых чисел:
Н;
Н;
Н.
;
Н;
Т3=219Н;
d=187мм;
b=40мм.
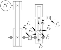
По кинематическое схеме привода составляем схему усилий, действующих на валы редуктора. Для этого мысленно расцепим шестерню и колесо редуктора. По закону равенства действия и противодействия :
Fa1= Fa2= Fa;
Ft1= Ft2= Ft;
Fr1= Fr2= Fr.
Схема усилий приведена на рис.3.
Рис.3 Схема усилий, действующих на валы редуктора
4.2 Выбор материала вала
Назначаем материал вала. Принимаем сталь 45 с пределом прочности σв = 700МПа
[1,c.34, табл.3.3].
Определяем пределы выносливости материала вала при симметричном цикле изгиба и кручения
[1,c.162]
[1,c.164]
;
МПа;
;
.
4.3 Определение диаметров вала
Определяем диаметр выходного конца вала под полумуфтой из расчёта на чистое кручение
(4.1)
где [τк]=(20…40)Мпа [1,c.161]
Принимаем [τк]=30Мпа.
;
мм.
Согласовываем dв с диаметром муфты упругой втулочной пальцевой МУВП, для этого определяем расчетный момент, передаваемый муфтой
Тр3=Т3К (4.2)
где К – коэффициент, учитывающий условия эксплуатации привода.
К=1,3…1,5 [1,c.272, табл.11.3]
Принимаем К=1,5
Подставляя в формулу (4.2) находим:
Тр3=2191,5;
Тр3=328,5Нм.
Необходимо соблюдать условие
Тр3<[T] (4.3)
где [Т] – допускаемый момент, передаваемый муфтой.
В нашем случае необходимо принять [Т] 500Ни [1,c.277, табл.11.5]
Тогда принимаем окончательно
dм2=40мм;
lм2=82мм. (Длина полумуфты) Тип 1, исполнение 2.
Проверяем возможность соединения валов стандартной муфтой
;
;
мм.
Так как
соединение валов стандартной муфтой возможно.
Принимаем окончательно с учетом стандартного ряда размеров Rа40:
мм.
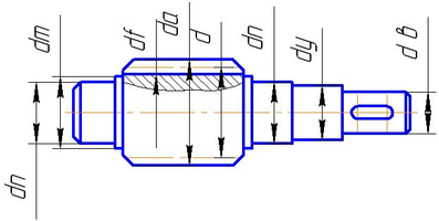
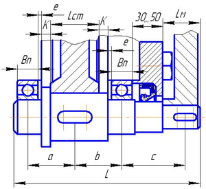
Намечаем приближенную конструкцию ведомого вала редуктора (рис.4), увеличивая диаметр ступеней вала на 5…6мм, под уплотнение допускается на 2…4мм и под буртик на 10мм.
Рис.4 Приближенная конструкция ведомого вала
мм;
мм – диаметр под уплотнение;
мм – диаметр под подшипник;
мм – диаметр под колесо.
4.4 Эскизная компоновка ведомого вала
Назначаем предварительно подшипники шариковые радиальные однорядные средней серии по
мм подшипник №308, у которого Dп=90мм; Вп=23мм [1,c.394, табл.П3].
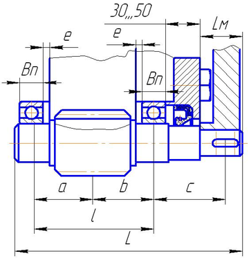
Выполняем эскизную компоновку вала редуктора. Необходимо определить длину вала L и расстояния от середины подшипников до точек приложения нагрузок a, b и с (рис.5).
Рис.5 Эскизная компоновка ведомого вала
е=(8…12)мм – расстояние от торца подшипника до внутренней стенки корпуса редуктора;
К=(10-15)мм – расстояние от внутренней стенки корпуса до торца зубчатого колеса.
Принимаем
lст=b+10мм – длина ступицы колеса:
lст=40+10=50мм;
(30…50)мм - расстояние от торца подшипника до торца полумуфты.
Принимаем 40мм.
Определяем размеры а, b, с и L.
а=b=Вп/2+е+К+lст/2;
а=b=23/2+10+11+50/2;
а=b=57,5мм
Принимаем а=b=58мм.
с= Вп/2+40+lм/2;
с=23/2+40+82/2;
с=93,5мм
Принимаем с=94мм.
L=Вп/2+a+b+c+ lм/2;
L=23/2+58+58+94+82/2;
L=262,5мм;
Принимаем L=280мм.
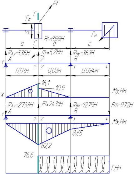
4.5 Расчет ведомого вала на изгиб с кручением.
Заменяем вал балкой на опорах в местах подшипников.
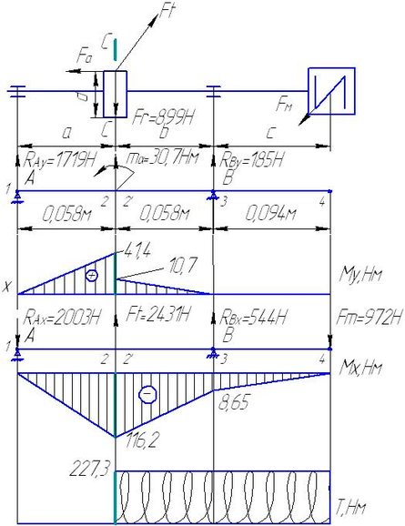
Рассматриваем вертикальную плоскость (ось у)
Изгибающий момент от осевой силы Fа будет:
mа=[Fad/2]:
mа=164·18710-3/2;
mа=30,7Нм.
Определяем реакции в подшипниках в вертикальной плоскости.
1mАу=0
-RBy·(a+b)+Fr·a- mа=0
RBy=(Fr·а- mа)/ (a+b);
RBy= (899·0,058-30,7)/ 0,116;
RBy==184,8Н
Принимаем RBy=185Н
2mВу=0
RАy·(a+b)-Fr·b- mа=0
RАy==(Fr·b+ mа)/ (a+b);
RАy =(899·0,058+30,7)/ 0,116;
RАy =714,15Н
Принимаем RАy=714Н
Проверка:
FКу=0
RАy- Fr+ RBy=714-899+185=0
Назначаем характерные точки 1,2,2’,3 и 4 и определяем в них изгибающие моменты:
М1у=0;
М2у= RАy·а;
М2у=714·0,058;
М2у =41,4Нм;
М2’у= М2у- mа(слева);
М2’у=41,4-30,7;
М2’у =10,7Нм;
М3у=0;
М4у=0;
Строим эпюру изгибающих моментов Му, Нм (рис.6)
Рассматриваем горизонтальную плоскость (ось х)
1mАх=0;
Рис.6 Эпюры изгибающих и крутящих моментов ведомого вала.
FМ·(a+b+с)-RВх·(a+b)- Ft·a=0;
972·(0,058+0,058+0,094)-RВх·(0,058+0,058)-2431·0,058=0;
RВх=(204.12-141)/0,116;
RВх=544,13Н
RВх544Н
2mВх=0;
-RАх·(a+b)+Ft·b+Fм·с= 0;
RАх=(24310,058+9720,094)/0,116;
RАх=2003,15Н
RАх2003Н
Проверка
mКх=0;
-RАх+ Ft- Fм+RВх=-2003+2431-972+544=0
Назначаем характерные точки 1,2,2’,3 и 4 и определяем в них изгибающие моменты:
М1х=0;
М2х= -RАх·а;
М2х=-2003·0,058:
М2х=-116,2Нм;
М3х=- Fм ·с;
М3х=-972·0,094;
М3х=-8,65Нм
М4х=0;
Строим эпюру изгибающих моментов Мх.
Крутящий момент
ТI-I=0;
ТII-II=T1=Ft·d/2;
ТII-II=243118710-3/2;
ТII-II=227,3Нм
5 Расчет быстроходного вала редуктора
5.1 Исходные данные
Исходные данные выбираем из табл.1 и табл.2 с округлением до целых чисел:
Н;
Н;
Н.
;
Н;
Т3=212,2Н;
d=63мм;
b=44мм.
Схема усилий, действующих на валы редуктора приведена на рис.3.
5.2 Выбор материала вала
Назначаем материал вала. Принимаем сталь 45 с пределом прочности σв = 700МПа
[1,c.34, табл.3.3].
Определяем пределы выносливости материала вала при симметричном цикле изгиба и кручения
[1,c.162]
[1,c.164]
;
МПа;
;
.
5.3 Определение диаметров вала
Определяем диаметр выходного конца вала под полумуфтой из расчёта на чистое кручение по формуле (4.1):
;
мм.
Согласовываем dв с диаметром муфты упругой втулочной пальцевой МУВП, для этого определяем расчетный момент, передаваемый муфтой по формуле (4.2):
Тр3=Т3К
где К – коэффициент, учитывающий условия эксплуатации привода.
К=1,3…1,5 [1,c.272, табл.11.3]
Принимаем К=1,5
Подставляя в формулу (4.2) находим:
Тр3=2191,5;
Тр3=328,5Нм.
Необходимо соблюдать условие (4.3)
Тр3<[T]
где [Т] – допускаемый момент, передаваемый муфтой.
В нашем случае необходимо принять [Т] 500Ни [1,c.277, табл.11.5]
Тогда принимаем окончательно
dм2=40мм;
lм2=82мм. (Длина полумуфты) Тип 1, исполнение 2.
Проверяем возможность соединения валов стандартной муфтой
;
;
мм.
Так как
соединение валов стандартной муфтой возможно.
Принимаем окончательно с учетом стандартного ряда размеров Rа40:
мм.
Намечаем приближенную конструкцию ведомого вала редуктора (рис.7), увеличивая диаметр ступеней вала на 5…6мм, под уплотнение допускается на 2…4мм.
Рис.7 Приближенная конструкция ведущего вала
мм;
мм – диаметр под уплотнение;
мм – диаметр под подшипник;
мм – диаметр под колесо.
5.4 Определение возможности изготовления вала-шестерни
Определяем размер х (рис.8)
(5.1)
Рис.8 Схема для определения размера х
По ГОСТ23360-78 для диаметра 45мм предварительно выбираем шпонку сечением bh=149мм. Подставив в формулу (5.1) значения получим
;
мм,
так как размер получился отрицательный, значит изготовление вала и шестерни отдельно невозможно. Определяем размеры вала-шестерни (рис.9).
Рис.9 Приближенная конструкция вала-шестерни
мм;
мм – диаметр под уплотнение;
мм – диаметр под подшипник;
мм – диаметр технологического перехода;
мм – диаметр впадин зубьев;
мм – диаметр вершин зубьев;
мм – делительный диаметр.
5.5 Эскизная компоновка вала-шестерни
Назначаем предварительно подшипники шариковые радиальные однорядные средней серии по
мм подшипник №308, у которого Dп=90мм; Вп=23мм [1,c.394, табл.П3].
Выполняем эскизную компоновку вала редуктора. Необходимо определить длину вала L и расстояния от середины подшипников до точек приложения нагрузок a, b и с (рис.10).
l=(0,8…1)dа – расстояние между серединами подшипников;
l=(0,8…1)67; принимаем l=60мм;
а=b=l/2;
а=b=30мм;
(30…50)мм - расстояние от торца подшипника до торца полумуфты.
Принимаем 40мм.
с= Вп/2+40+lм/2;
с=23/2+40+82/2;
с=93,5мм
Принимаем с=94мм.
L=Вп/2+a+b+c+ lм/2;
L=23/2+30+30+94+82/2;
L=206,5мм;
Принимаем L=210мм.
Рис.10 Эскизная компоновка вала-шестерни
5.6 Расчет вала-шестерни на изгиб с кручением.
Заменяем вал балкой на опорах в местах подшипников.
Рассматриваем вертикальную плоскость (ось у)
Изгибающий момент от осевой силы Fа будет:
mа=[Fad/2]:
mа=164·6310-3/2;
mа=5,2Нм.
Определяем реакции в подшипниках в вертикальной плоскости.
1mАу=0
-RBy·(a+b)+Fr·a- mа=0
RBy=(Fr·а- mа)/ (a+b);
RBy= (899·0,03-5,2)/ 0,06;
RBy==362,8Н
Принимаем RBy=363Н
2mВу=0
RАy·(a+b)-Fr·b- mа=0
RАy==(Fr·b+ mа)/ (a+b);
RАy =(899·0,03+5,2)/ 0,06;
RАy =536,16Н
Принимаем RАy=536Н
Проверка:
FКу=0
RАy- Fr+ RBy=536-899+363=0
Назначаем характерные точки 1,2,2’,3 и 4 и определяем в них изгибающие моменты:
М1у=0;
М2у= RАy·а;
М2у=536·0,03;
М2у =16,1Нм;
М2’у= М2у- mа(слева);
М2’у=16,1-5,2;
М2’у =10,9Нм;
М3у=0;
М4у=0;
Строим эпюру изгибающих моментов Му, Нм (рис.11)
Рассматриваем горизонтальную плоскость (ось х)
1mАх=0;
FМ·(a+b+с)-RВх·(a+b)- Ft·a=0;
972·(0,03+0,03+0,094)-RВх·(0,03+0,03)-2431·0,03=0;
RВх=(149,7-72,9)/0,06;
RВх=1279,3Н
RВх1279Н
2mВх=0;
-RАх·(a+b)+Ft·b+Fм·с= 0;
RАх=(24310,03+9720,094)/0,06;
RАх=2738,3Н
RАх2738Н
Проверка
mКх=0;
-RАх+ Ft- Fм+RВх=-2738+2431-972+1279=0
Назначаем характерные точки 1,2,2ё’,3 и 4 и определяем в них изгибающие моменты:
М1х=0;
М2х= -RАх·а;
М2х=-2738·0,03:
Рис.11 Эпюры изгибающих и крутящих моментов вала-шестерни
М2х=-82,2Нм;
М3х=- Fм ·с; М3х=-972·0,094; М3х=-8,65Нм
М4х=0;
Строим эпюру изгибающих моментов Мх.
Крутящий момент
ТI-I=0;
ТII-II=T1=Ft·d/2; ТII-II=24316310-3/2; ТII-II=76,6Нм
6 Подбор подшипников быстроходного вала
Исходные данные
n2=nII=481,5мин-1;
dп2=40мм;
RАy=536Н;
RАх=2738Н;
RBy=363Н;
RВх=1279Н;
Н.
Определяем радиальные нагрузки, действующие на подшипники
;
;
Здесь подшипник 2 – это опора А в сторону которой действует осевая сила Fа (см. рис.11).
;
;
Назначаем тип подшипника, определив отношение осевой силы к радиальной силе того подшипника, который ее воспринимает (здесь подшипник 2)
;
;
Так как соотношение меньше 0,35, то назначаем шариковый радиальный однорядный подшипник легкой серии по dп2=40мм [1,c.217, табл.9.22].
Подшипник № 208, у которого:
Dn1=80мм;
Вn1=18мм;
С0=17,8кН – статическая грузоподъемность;
С=32кН – динамическая грузоподъемность. [1,c.393, табл.П3].
Определяем коэффициент осевого нагружения по отношению
.
;
;
При
е=0,19 [1,c.212, табл.9.18].
Так как меньших значений отношения
нет ориентировочно считаем е=0,15
Проверяем выполнение неравенства
;
где V – коэффициент вращения, при вращении внутреннего кольца V=1.
.
Определяем номинальную долговечность подшипников в часах
[1,c.211]; (6.1)
Fэ=VFr2KKτ; [1,c.212];
где K - коэффициент безопасности;
K =1,3…1,5 [1,c.214, табл.9.19];
принимаем K =1,5;
Kτ – температурный коэффициент;
Kτ =1 (до 100ºС) [1,c.214, табл.9.20];
Fэ=127901,51; Fэ=4185Н=4,185кН.
Подставляем в формулу (6.1):
;
ч.
По условию срок службы редуктора – 4 года в две смены. Исходя из того, что в году 260 рабочих дней имеем:
Lзад=260824; Lзад=16640ч:
Lзад>Lh.
Необходимо выбрать подшипник средней серии по dп2=40мм [1,c.217, табл.9.22].
Подшипник № 308, у которого:
Dn1=90мм;
Вn1=23мм;
С0=22,4кН – статическая грузоподъемность;
С=41кН – динамическая грузоподъемность.
Подставляем в формулу (6.1):
;
ч.
Сейчас условие Lзад
7 Подбор подшипников тихоходного вала
Исходные данные
n3=nIII=160,5мин-1;
dп3=40мм;
RАy=714Н;
RАх=2003Н;
RBy=185Н;
RВх=544Н;
Н.
Определяем радиальные нагрузки, действующие на подшипники
;
;
Здесь подшипник 2 – это опора А в сторону которой действует осевая сила Fа (см. рис.6).
;
;
Назначаем тип подшипника, определив отношение осевой силы к радиальной силе того подшипника, который ее воспринимает (здесь подшипник 2)
;
;
Так как соотношение меньше 0,35, то назначаем шариковый радиальный однорядный подшипник легкой серии по dп3=40мм [1,c.217, табл.9.22].
Подшипник № 208, у которого:
Dn2=80мм;
Вn2=18мм;
С0=17,8кН – статическая грузоподъемность;
С=32кН – динамическая грузоподъемность. [1,c.393, табл.П3].
Определяем коэффициент осевого нагружения по отношению
.
;
;
При
е=0,19 [1,c.212, табл.9.18].
Так как меньших значений отношения
нет ориентировочно считаем е=0,15
Проверяем выполнение неравенства
;
где V – коэффициент вращения, при вращении внутреннего кольца V=1.
.
Определяем номинальную долговечность подшипников в часах
[1,c.211]; (6.1)
Fэ=VFr2KKτ; [1,c.212];
где K - коэффициент безопасности;
K =1,3…1,5 [1,c.214, табл.9.19];
принимаем K =1,5;
Kτ – температурный коэффициент;
Kτ =1 (до 100ºС) [1,c.214, табл.9.20];
Fэ=121261,51; Fэ=3189Н=3,189кН.
Подставляем в формулу (6.1):
;
ч.
Условие Lзад
8 Подбор и проверочный расчет шпонки быстроходного вала
Выбор и проверочный расчет шпоночных соединений проводим по [4].
Рис.12 Сечение вала по шпонке
Для выходного конца быстроходного вала при d=34 мм подбираем призматическую шпонку со скругленными торцами bxh=10x8 мм2 при t=5мм (рис.12).
При длине ступицы муфты lМ=82 мм выбираем длину шпонки l=70мм.
М
атериал шпонки – сталь 45 нормализованная. Напряжения смятия и
условия прочности определяем по формуле:
где Т – передаваемый момент, Нмм; ТII=76,7Н
lр – рабочая длина шпонки, при скругленных концах lр=l-b,мм;
[]см – допускаемое напряжение смятия.
С учетом того, что на выходном конце быстроходного вала устанавливается полумуфта из ст.3 ([]см=110…190 Н/мм2) вычисляем:
У
словие выполняется.
9 Подбор и проверочный расчет шпонок тихоходного вала
Для выходного конца тихоходного вала при d=34 мм подбираем призматическую шпонку со скругленными торцами bxh=10x8 мм2 при t=5мм. ТII=218,7Н
При длине ступицы муфты lМ=82 мм выбираем длину шпонки l=70мм.
С учетом того, что на выходном конце быстроходного вала устанавливается полумуфта из ст.3 ([]см=110…190 Н/мм2) и ТIII=218,7Н вычисляем:
Условие выполняется.
Для соединения тихоходного вала со ступицей зубчатого колеса при d=45 мм подбираем призматическую шпонку со скругленными торцами bxh=14x9 мм2 при t=5,5мм. При lст=50 мм выбираем длину шпонки l=40мм.
Материал шпонки – сталь 45 нормализованная. Проверяем напряжения смятия и условия прочности с учетом материала ступицы чугуна СЧ20 ([]см=70…100 МПа) и ТIII=218,7Н:
У
словие выполняется.
Выбранные данные сведены в табл.3.
Таблица 3
Параметры шпонок и шпоночных соединений
| Параметр | Вал-шестерня - полумуфта | Вал-полумуфта | Вал-колесо |
| Ширина шпонки b,мм | 10 | 10 | 14 |
| Высота шпонки h,мм | 8 | 8 | 9 |
| Длина шпонки l,мм | 70 | 70 | 40 |
| Глубина паза на валу t,мм | 5 | 5 | 5,5 |
| Глубина паза во втулке t1,мм | 3,3 | 3,3 | 3,8 |
10 Выбор системы и вида смазки.
Скорость скольжения в зацеплении VS = 1.59 м/с. Контактные напряжения Н = 482,7 Н/мм2. По таблице 10.29 из [3] выбираем масло И-Т-Д-680.
Используем картерную систему смазывания. В корпус редуктора заливаем масло так, чтобы венец зубчатого колеса был в него погружен на глубину hм (рис.12):
Рис.13 Схема определения уровня масла в редукторе
hм max 0.25d2 = 0.25183 = 46мм;
hм min = 2m = 22 = 4мм.
При вращении колеса масло будет увлекаться его зубьями, разбрызгиваться, попадать на внутренние стенки корпуса, откуда стекать в нижнюю его часть. Внутри корпуса образуется взвесь частиц масла в воздухе, которым покрываются поверхности расположенных внутри корпуса деталей, в том числе и подшипники.
Объем масляной ванны
V = 0.65PII = 0.653,866 = 2.5 л.
Контроль уровня масла производится пробками уровня, которые ставятся попарно в зоне верхнего и нижнего уровней смазки. Для слива масла предусмотрена сливная пробка. Заливка масла в редуктор производится через съемную крышку.
И для вала-шестерни, и для зубчатого колеса выберем манжетные уплотнения по ГОСТ 8752-79. Установим их рабочей кромкой внутрь корпуса так, чтобы обеспечить к ней хороший доступ масла.
11 Сборка редуктора
Для редуктора принимаем горизонтальную конструкцию разъемного корпуса, изготовленного литьем из серого чугуна СЧ15. Устанавливаем зубчатую пару с подшипниками. Для предотвращения задевания поверхностей вращающихся колес за внутренние стенки корпуса внутренний контур стенок провести с зазором х=8…10мм [3]; такой же зазор предусмотреть между подшипниками и контуром стенок. Расстояние между дном корпуса и поверхностью колес принимаем у4х; у(32…40)мм
Для малонагруженных редукторов (Т2500Нм) определяем толщины стенок крышки и основания корпуса
;
мм, принимаем
мм.
Для крепления крышек подшипников в корпусе и крышке предусматриваем фланцы. Крышки торцовые для подшипников выбираем по табл.143 (глухие) и 144 (с отверстием для манжетного уплотнения) [2, т.2, с.255].
Для быстроходного вала:
крышка торцовая глухая типа 2 исполнения 2 диаметром D=90мм ГОСТ18511-73;
крышка торцовая с отверстием для манжетного уплотнения типа 1 исполнения 2 диаметром D=90мм ГОСТ18512-73.
Для тихоходного вала:
крышка торцовая глухая типа 2 исполнения 2 диаметром D=80мм ГОСТ18511-73;
крышка торцовая с отверстием для манжетного уплотнения типа 1 исполнения 2 диаметром D=80мм ГОСТ18512-73.
Прорисовываем корпус и крышку редуктора с учетом рекомендаций [3.с.219].
Устанавливаем верхнюю крышку на винты и закручиваем пробки.
Список использованной литературы
-
С.А. Чернавский и др. «Курсовое проектирование деталей машин» М. 1987г.
-
Анурьев В.И. Справочник конструктора-машиностроителя: В 3 т. -8-е изд. перераб. и доп. Под ред. И.Н. Жестковой. – М.: Машиностроение, 1999
-
Шейнблит А.Е. Курсовое проектирование деталей машин: Учеб. пособие. – М.: Высш. шк., 1991
-
Чернин И.М. и др. Расчеты деталей машин. – Мн.: Выш. школа, 1978















