124112 (689834), страница 2
Текст из файла (страница 2)
1.
2.
4.
5.
Приведение скорости рабочего органа к валу двигателя сведено в таблице 4
Таблица 4 – Скорость рабочего органа и вала двигателя i-того участка
| i | 1 | 2 | 3 | 4 | 5 | 6 |
| t, c | 10 | 100 | 5 | 5 | 50 | 5 |
| V, м/c | 0.5 | 0.05 | 0 | -1 | -0.1 | 0 |
| ω, рад/с | 78,125 | 7,8125 | 0 | -156,25 | -15,625 | 0 |
| n, об/мин | 746,4 | 74,64 | 0 | -1492,8 | -149,2 | 0 |
Рисунок 2 – Приведение многомассовой системы к одномассовой при вращательном движении ЭД – электродвигатель; ПМ – передаточный механизм; ИМ – исполнительный механизм;
Момент механизма:
1.
2.
4.
5.
Момент сопротивления приведённый к валу двигателя [1 стр. 30 (1,79) 3]
(3)
1.
2.
4.
5.
Мощность на каждом участке [1. стр. 9., (1,1)]:
(4)
1.
2.
4.
5.
Приведение момента к валу двигателя сведено в таблицу 5.
Таблица 5
| i | 1 | 2 | 3 | 4 | 5 | 6 |
| t, c | 10 | 100 | 5 | 5 | 50 | 5 |
| F, кН | -50 | -40 | - | -55 | -45 | - |
| Мпр, Н·м | -410,25 | -328,2 | - | -451,2 | -369,23 | - |
| Рпр, кВт | 32 | 2,6 | - | 70,5 | 5,8 | - |
3. Предварительный выбор мощности электродвигателя и его параметров
Выбор электродвигателя производится из условий эксплуатации и требований, предъявляемых к системе. В крановых приводах используются асинхронные двигатели переменного тока серии 4А. Электродвигатели серии 4А применяют для привода механизмов подъёма и передвижения электрических талей. В связи с тяжёлыми условиями эксплуатации применяют двигатели со степенью защиты IP44.
Та как в данном электроприводе нагрузка на валу двигателя меняется в достаточно широких пределах, произведём выбор электродвигателя по эквивалентному моменту [3. стр. 189 (5,22а; 5,22б)]:
(5)
Исходя из условия, что
Так как выбранный таким образом двигатель P=55кВт подходит по моменту, но не подходит по условиям нагрева.
Выбираем двигатель [4, стр. 29. таб. 2,1] серии 4А200М4У3 со следующими параметрами:
-
номинальная мощность
-
номинальный момент
-
номинальная частота вращения
-
номинальный ток двигателя
-
число пар полюсов
-
номинальная величина скольжения
-
номинальное напряжение сети
-
коэффициент полезного действия
-
коэффициент активной мощности
-
перегрузочная способность
-
кратность пускового момента
-
кратность пускового тока
-
момент инерции ротора:
– исполнение двигателя: IP44
– класс изоляции: F
C учётом передачи барабан – редуктор JΣ=0.481
Определим номинальный момент двигателя:
(6)
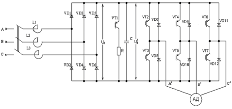
4. Разработка схемы и выбор силовой цепи
В качестве системы ПЧИ-АД выберем [3] систему: неуправляемый выпрямитель – автономный инвертор напряжения – асинхронный двигатель (НВ-АИН-АД).
Рисунок 6 – Схема принципиальная ПЧИ-АД
Выбираем в качестве выпрямителя три диодных модуля RM100CA/C1A-XXF с параметрами:
– средний ток в открытом состоянии 100А;
– импульс обратного напряжения 600 В.
Выбор силового модуля на IGBT транзисторах осуществим исходя из условия:
В качестве IGBT модуля используем CM300HA-12Hс параметрами: I=300А, U= 600В.
Расчет параметров емкостного фильтра выполним на основе рекомендаций, изложенных в справочнике.
Емкость конденсатора С определим по формуле:
(7)
где
=2;
q-коэффициент пульсаций выпрямленного напряжения (для трехфазного неуправляемого выпрямителя q=0.1);
В качестве
принимаем
Таким образом:
Рабочее напряжение конденсатора определяется как:
Значение емкости, выберем с некоторым запасом, чтобы пропустить значительные токи, возникающие при гашении инвертора.
Исходя из вышеизложенных соображений, выберем необходимый конденсатор К50–12:
– номинальная ёмкость
– номинальное напряжение
На основании литературных источников известно, что в общем случае рекуперативное торможение эффективно при мощности двигателя больше 30 кВт.
При меньшей мощности используется резистивное торможение, где энергия торможения, превышающая потери энергии в двигателе и инверторе, рассеивается в тормозном сопротивлении, включаемом через коммутируемый транзистор на шины промежуточного звена постоянного тока.
С помощью управления тормозным транзистором VT поддерживается заданный уровень напряжения в звене постоянного тока.
При торможении кинетическая энергия, освобождаемая инерционными массами электропривода при снижении скорости, рассеивается в виде потерь в АД, АИН и тормозном сопротивлении Rт:
(8)
где J, ω – момент инерции электропривода и угловая скорость АД,
Iт – ток в тормозном сопротивлении Rт,
,
– потери мощности в АД и АИН.
Выполним расчет величины тормозного сопротивления без учета потерь мощности в АД и АИН, считая, что вся запасенная кинетическая энергия выделяется в виде тепла на сопротивлении Rт.
Величину тормозного тока Iт определим из соотношения:
(9)
Интегрируя левую часть уравнения (8), получим:
Интегрируя правую часть уравнения (8) с учетом (9), получим:
(10)
Подставим уравнения (8) и (10) в уравнение (8):
Аппараты защиты.
Защита необходима для ликвидации аварийных ситуаций (коротких замыканий, перегрузок) недопустимых с точки зрения нормальной работы вентилей и двигателя.
Выбор автоматического выключателя для цепи переменного тока (перед выпрямителем):
По справочнику [7] выбираем автомат А3110 со следующими параметрами:
– номинальный ток
– ток установки расцепителя
– номинальное напряжение
Для защиты полупроводниковых приборов используют быстродействующие предохранители, выбираем их из следующих условий:
. Так как
диода больше чем ток
, то целесообразно записать:
.
По справочнику [7] выбираем предохранители ПР-2–60:
-
предельный ток
-
номинальный ток
5. Расчет статических характеристик электропривода
Пересчитаем параметры обмоток асинхронного двигателя из относительных единиц в абсолютные:
Электрическая мощность, забираемая из сети в номинальном режиме:
(11)
Номинальный ток одной фазы:
(12)
Полное сопротивление одной фазы:
(13)
Умножим на Zн все параметры схемы замещения:
Для расчета статических механических характеристик воспользуемся уточненной формулой Клосса:
Закон управления будет заключаться в том, чтобы критический момент оставался постоянным Мк=599Н*м
Параметры рабочих режимов сведены в таблицу 6
Таблица 6
| i | 1 | 2 | 3 | 4 | 5 | 6 |
| ω, рад/с | 78,125 | 7,8125 | 0 | -156,25 | -15,625 | 0 |
| Мпр, Н·м | -410,25 | -328,2 | - | -451,2 | -369,23 | - |
Будем считать, что для формирования необходимых нам статических характеристик система управления электроприводом реализует закон управления
,
При этом можно записать:
В двигательном режиме двигатель работает при скоростях
и
.
Рассчитаем механические характеристики на участках:
1) при 1=78,125 с-1
Напряжение на выходе преобразователя:
Частота тока на выходе преобразователя:
;
;
2) при 2=7,8125 с-1















