124063 (689790), страница 2
Текст из файла (страница 2)
1 Фрезеровать торцы
2 Засверлить центровые отверстия
015 Термическая
Нормализовать 30…..34 HRC
020 Токарная
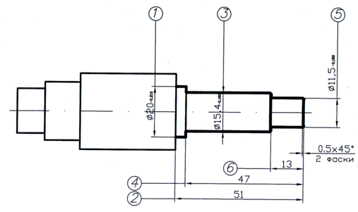
1 Точить поверхность 1 выдерживая размер 2.
2 Точить поверхность 3 выдерживая размер 4.
3 Точить поверхность 5 выдерживая размер 6.
4. Точить 2 фаски 0,5 х450
025 Токарная
1 Точить поверхность 1
2 Точить поверхность 2 выдерживая размер 3 и два угла 450
3 Точить поверхность 4 выдерживая размер 5
4 Точить 2 канавки 1,4 мм, выдерживая размер по чертежу
5 Точить фаску 0,5х450
6 Нарезать червяк с припуском 0,3 мм на размер под шлифовку
030 Шпоночно-фрезерная
1 Фрезеровать шпоночный паз.
035 Термическая
Установка ТВЧ
Закалить червяк 40…45 HRC
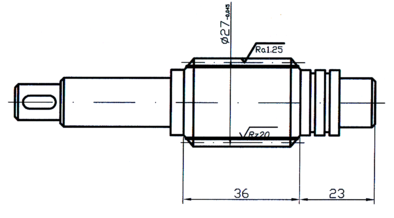
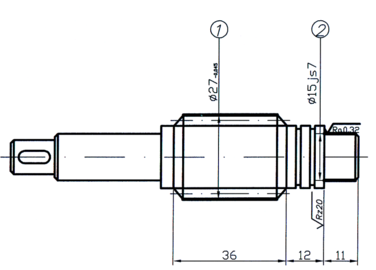
040 Кругло-шлифовальная
1 Шлифовать поверхность 1 выдерживая размер 1.
-
Шлифовать поверхность 2 выдерживая размер 2.
045 Кругло-шлифовальная
Шлифовать ф15к7,ф15h9,ф11js7.
050 Зубошлифовальная
-
Шлифовать червяк.
055 Полировальная.
060 Гальвоническая.
Покрытие хим. окр.
065 Контрольная.
6. Выбор оборудования, приспособлений, режущего и мерительного инструмента
005 Заготовительная
Штамп
010 Фрезерно-центровальная
Фрезерно-центровальная полуавтомат МР-71
Приспособление призматического тисочного типа с электромеханическим приводом.
Фрезы торцевые ГОСТ 1062-69
Сверло центровочное ГОСТ 6694-63
Скоба
Пробка
015 Токарная
Станок токарный 16К20Ф3
Патрон токарный самоцентрирующийся трехкулачковый с пневмоприводом ГОСТ 16682-71
Центр
Резец проходной ГОСТ21151-75
Скоба
020 Токарная
Станок токарный 16К20Ф3
Патрон токарный самоцентрирующийся трехкулачковый с пневмоприводом ГОСТ 16682-75
Центр
Резец проходной ГОСТ 21151-75
Резец для нарезания червяка
Резец канавочный (отрезной) ГОСТ 673-61
Угломер
Шаблон
Скоба
030 Шпоночно-фрезерная
Станок 692 М
Тиски механические
Патрон механические ГОСТ 16682-71
Фреза концевая 4 1А ГОСТ 8237-74
Шаблон
Скоба
035 Термическая
Печь
040 Кругло-шлифовальная
Станок 3М150
Приспособления: поводковая планшайба ГОСТ 2572-72, центр ГОСТ 8742-75, хомутик ГОСТ 578-70.
Эталоны шероховатости
045 Кругло-шлифовальная
Станок 3М150
Приспособления: поводковая планшайба ГОСТ 2572-72, центр ГОСТ 8742-75, хомутик ГОСТ 578-70.
Круг абразивный ГОСТ 2424-67, Э16СМ2К
Эталоны шероховатости
050 Зубошлифовальная
Станок резьбошлифовальный 5822
Приспособления: поводковая планшайба ГОСТ 2572-72, центр ГОСТ 8742-75, хомутик
Эталоны шероховатости
055 Полировальная
Станок токарный 16К20
Патрон токарный самоцентрирующееся трёхкулачковый с пневмоприводом ГОСТ 16682-71
Центр
Войлочной круг
Эталоны шероховатости
060 Гальваническая
Ванна
065 Контрольная.
7. Технические характеристики оборудования
Станок 16К20Ф3
Наибольший диаметр, устанавливаемый над станиной 400мм.,
над суппортом 250мм.;
Расстояние между центрами 1000мм.
Частота вращения шпинделя 12,5…2000мин-1
Пределы подач:
продольных 6-1200мм/мин
поперечных 3-600мм/мин
Дискретность перемещения6
продольного 0,01мм.
поперечного 0,005 мм.
Шпоночно-фрезерный вертикальный станок 692Р-I
Рабочая поверхность стола-250x1000мм.
Наибольшее перемещение стола (продольное x вертикальное)700x400мм.
Ширинафрезеруемого паза 4-25 мм.
Частотавращения шпинделя 400-4000 об/мин
Мощнсть электродвигателя главного движения 3,3кВт.
Габаиты 1505x1800мм.
Вертикально сверлильный станок 2Н118
Размер рабочей поверхности стола (ширина x длина) 360x320мм.
Наибольший диаметр сверления в стали 18мм.
Расстояние от торца шпинделя до поверхности стола 0-650мм.
Наибольшее вертикальное перемещение стола 350мм.
Наибольшее усилие подачи 560кгс.
Крутящий момент на шпинделе 880кгсм
Конус Морзе отверстия шпинделя №2
ход шпинделя 150мм.
Число ступеней оборотов шпинделя в минуту 9
Пределы оборотов шпинделя 180-2800
Число ступеней подач шпинделя 6
Пределы подач шпинделя 0,1
0,14
0,2
0,28
0,4
0,56
Мощность электродвигателей кВт.:
Привод главного движения 1,5
Привод насоса охлаждения 0,125
Габариты 870x590x2080мм.
Вес станка 450кг.
Кругло-шлифовальный универсальный станок 3У10МАФ10
Наибольший диаметр устанавливаемого изделия 280мм.
Наибольшая длина устанавливаемого изделия 100мм.
Наибольший наружный диаметр шлифования 280мм.
Бесступенчатое регулирование частоты вращения изделия 30-750 об/мин
РТК
Занимаемая площадь 27м2
Наибольший диаметр обрабатываемой детали 400мм.
Частота вращения шпинделя 25…3150 мин-1
Подача
продольна 0,01..20мм/об
поперечная 0,005…10мм/об
Наибольшая длина обрабатываемой детали 750; 1000; 1500мм
Диаметр загружаемых деталей
наружный 50..250мм
внутренний 38..268мм
Наибольшая масса обрабатываемой детали 20кг
Наибольшая суммарная потребляемая мощность 37кВт
8. Выбор и обоснование РТК на токарную операцию
При серийном производстве деталей типа валов, дисков, фланцев, гильз, втулок и т.п. в настоящее время широко используют роботизированные комплексы (РТК). РТК для механообработки заготовок типа тел вращения могут иметь различные компоновочные схемы в зависимости от выполняемых ими технологических задач.
Наибольшее применение в машиностроении получили РТК, состоящие из автоматизированных станков, оснащенных накопительными устройствами для заготовок и деталей, системой программного управления и обслуживаемых ПР. В первую очередь такие РТК предназначаются для серийного изготовления деталей мелких и средних размеров с небольшим временем обработки.
Исходя из размеров заготовки, массы заготовки, времени обработки, производительности РТК производим выбор РТК [5]. По всем выше перечисленным характеристикам выбираем РТК на базе ст. 16К20Ф3
РТК предназначен для токарной обработки наружных и внутренних цилиндрических, конических, сферических и торцевых поверхностей деталей типа тел вращения со ступенчатым и криволинейным профиле, а также нарезания резьб в автоматическом режиме.
В состав РТК входят: токарный патронно-центровой станок с ЧПУ мод. 16К20Ф3; встроенный в станок ПР мод. М10П62.01 или ПР напольного типа мод. М20П40.01; тактовый стол типа СТ220, на платформы которого устанавливаются в ориентированном виде заготовки; инструментальный магазин барабанного типа с набором сменных режущих блоков, автоматически устанавливаемых в револьверной головке станка при помощи ПР; устройства ЧПУ станка различного типа с возможностью оперативной подготовки и редактирования управляющих программ и ПР типа «Контур», объединенных в единую систему управления РТК; тара для стружки, отводимой конвейером из рабочей зоны станка. При работе данного РТК в составе ГПС он дополнительно оснащается устройствами для активного контроля обрабатываемого изделия при помощи измерительной щуповой головки, установленной на инструментальном диске револьверного суппорта станка, а также устройствами для измерения и контроля инструментов с их автоматической заменой при износе и поломке.
9. Расчет режимов резания. Определение штучного времени
010 Фрезерно-центровальная
1 Фрезеровать торцы
l=18 мм.
t=1,5мм.
S=0,25мм/зуб.
U=249 м/мин
n=990 об/мин.
Sm=1040 мм/мин
2 Засверлить центровые отверстия
l=8.9 мм .
S= 0,04 мм/об
U= 32 м/мин [8, стр268, т.66]
n=800 об/мин
020 Токарная
1 Точить поверхность1 выдерживая размер 2.
l= 4 мм.
t=
S=0,3×0,45=0,13мм/об
V=264×0,454=118 м/мин
2 Точить поверхность 3 выдерживая размер 4.
l= 34 мм
t=
S=0,3×0,45=0,13мм/об
V=280×0,45=126 м/мин
3 Точить поверхность 5 выдерживая размер 6.
l= 13 мм
t=
S=0,3×0,45=0,13мм/об
V=280×0,45=126 м/мин
025 Токарная
1. Точить поверхность 1.
l= 36 мм
t=
S=0,3×0,45=0,13мм/об
V=264×0,45=118 м/мин
2 Точить поверхность 2 выдерживая размер 3 и два угла 45°.
l= 12 мм
t=
S=0,3×0,45=0,13мм/об
V=264×0,45=118 м/мин
3. Точить поверхность 4 выдерживая размер 5
l= 11 мм
t=
S=0,3×0,45=0,13мм/об
V=280×0,45=126 м/мин
Точить две канавки 1,4мм.
l= 0,7 мм
t=0,7 мм
S=0,06×0,45=0,06мм/об
V=304×0,45×0,5×0,81=55 м/мин
,
Точить фаску 0,5 × 45°
l=0,5 мм.
t=0,5мм.
S=0,13мм/об.
U=126мм/об=110м/мин
n=2000 об/мин
=0,02 мин
Нарезать червяк с припуском 0,3мм на размер под шлифовку.
l= 36 мм
t=0,57мм.
S=0,41мм/об.
U=25 м/мин
030 Шпоночно-фрезерная
Фрезеровать шпоночный паз
l= 10 мм
=0,2мм.
=22,3м/мин.
n=1180 об/мин
S= 472 мм/мин
040 Круглошлифовальный
1 Шлифовать ф15 j s 7
l= 11 мм
=0,4 мм.
=200 об/мин
=2000 мм/мин
=0.013 мм/ход
2 Шлифовать ф27
l= 96 мм
=0,4 мм.
=200 об/мин
=2000 мм/мин
=0.013 мм/ход
045 Круглошлифовальный
Шлифовать ф 15 к 7,ф 15 h 9,ф 11 js 7
l= 47 мм =
+
,
=15,5 мм,
=33,5
=0,4 мм.
=200 об/мин
=2000 мм/мин
=0.013 мм/ход
050 Зубошлифовальная
Шлифовать червяк.
l= 96 мм
















