124037 (689772), страница 2
Текст из файла (страница 2)
5. Расчет и проектирование транспортера-накопителя и разработка наладок размещения на нем заготовок
На основе конструктивных параметров обрабатываемых деталей, технологического процесса их обработки и выбранного станка с ЧПУ выбираем модель и типа размер тактового транспортера-накопителя.
Тактовый транспортер-накопитель предназначен для хранения запасов заготовок и подачи их в зону захвата загрузочным устройством. На транспортере-накопителе расположены перемещаемые пластины-тележки для размещения заготовок и обработанных деталей в приспособлениях.
Так как самая тяжелая заготовка имеет массу 3,3 кг, выбираем модель тактового транспортера-накопителя СТ 150.
Основные характеристики тактового транспортера-накопителя СТ 150:
габаритные размеры транспортера L*B*H: 2250*650*800 мм;
грузоподъемность одной пластины: 10 кг;
размеры пластин А*Б: 150*225 мм;
размеры пластин l*b: 150*150 мм.
- число пластин 24
Во время смены детали на транспортере-накопителе пластины неподвижны и точность позиционирования определена точностью шагового перемещения пластины.
Разработаем базирующие и установочные регулируемые и нерегулируемые элементы на пластине для размещения и базирования заготовок и деталей. Базирующие и установочные элементы являются элементами установочного приспособления и крепятся на пластине. Базирующие и установочные элементы должны обеспечивать размещение на них обработанных деталей и их заготовок с возможностью предварительной регулировки и переналадки.
Чертеж транспортера накопителя представлен на листе А1.
6. Выбор промышленного робота для использования в РТК токарной обработки
Автоматизация загрузки и смены обрабатываемых деталей осуществляется с помощью промышленного робота модели «Универсал-60.01».
Основное назначение – для разгрузки-загрузки основного и вспомогательного технологического оборудования.
Технические характеристики промышленного робота:
Номинальная грузоподъемность, кг 60
Число степеней подвижности 6
Число рук/захватов на руку 1/1
Тип привода Электрогидравлический
Устройство управления Позиционное ПУР-2М
Число программируемых координат 6
Средство программирования перемещений Обучение
Погрешность позиционирования, мм ±3
Максимальный радиус обслуживания R, мм 2044
Масса, кг 2340
Линейное перемещение, мм
х (со скоростью 0,4 м/с) 1000
у (со скоростью 0,08 м/с) 400
Угловые перемещения, º:
φ (со скоростью 45º/с) 340
θ (со скоростью 10º/с) 40
α (со скоростью 90º/с) 360
β (со скоростью 70º/с) 190
Страна изготовитель СССР
7. Расчет захватного устройства и разработка конструкции его размещения на руке промышленного робота
Расчет реакции в губках
Расчет производится для самой тяжелой детали, т.е. для «Хвостовика» (766.36.70.15). Диапазон размеров деталей (заготовок) захватываемых губками: d=40…60 мм. Определяем точки приложения реакций в губках для детали.
Масса заготовки: m=3.3 кг; вес заготовки:
P=m*g,
где g - ускорение свободного падения, м/
Тогда: Р=3,3*9,8=32,3Н
Расчетная нагрузка с учетом коэффициента запаса k=3:
Q=k*P=3*32,3=96,9Н
Реакции в губках:
где l=80мм – расстояние между губками; с=40 мм – расстояние до центра масс детали.
Подставляем значения, получаем:
Определение сил воздействия губок на деталь.
Составляем схемы сил рис. 4.1, действующих на деталь, и определяем силы зажима:
где
- реакция на губках захватного устройства,
- коэффициент трения.
Подставляем значения, получаем:
На первой паре губок:
На второй паре губок:
рис. 4.1 Действие сил
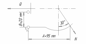
Определение конструктивных параметров привода и захватного устройства в целом
Рассчитаем усилие, которое должен развивать силовой привод для надежного закрепления детали, согласно схемы изображенной на рис. 4.2
рис. 4.2 Кинематическая схема зажимного устройства
Вычислим требуемое усилие по формуле:
где n – число пар губок в захватном устройстве n=2;
N – наибольшая нормальная сила необходимая для удержания заготовки N=
А и В – плечи захватного механизма А=95 мм, В=20 мм.
В качестве привода принимаем пневмоцилиндр одностороннего действия с рабочим давлением р=0,4 МПа.
Диаметр поршня цилиндра:
где
- давление сжатого воздуха, МПа.
Тогда:
Принимаем стандартное значение (с запасом): D=35 мм.
Компонуем захватное устройство и пневмоцилиндр, конструктивно определяем ход поршня и другие параметры.
Диаметр штока принимаем конструктивно D=15 мм.
Чертеж захватного устройства представлен на листе А1.
8. Компонование средств автоматизации загрузки и транспортной системы совместно с используемым токарным оборудованием
На основании предыдущих расчетов подготавливаем общий вид РТК. Для этого определяем взаимно-координатное расположение средств автоматизации загрузки в робототехническом комплексе.
Разрабатываются схемы компоновки в 2-х видах (сверху и сбоку), где показывается траектория движения захватного устройства относительно исходного положения. В исходном положении показываются опорные точки станка, промышленного робота, транспортера-накопителя и захватного устройства. Так как применяется один и тот же РТК, то разрабатываем одну схему, например для детали «хвостовик» (766.36.70.15).
На схеме принимаем следующие обозначения:
Ост – ноль станка;
Опр – ноль промышленного робота;
Озу – ноль захватного устройства.
Отр – ноль транспортера-накопителя;
Чертеж схемы движения захватного устройства представлена на листе А2.
9. Разработка циклограммы работы оборудования, входящего в РТК
Разрабатываем циклограмму последовательности выполнения перемещений захватным устройством в процессе загрузки, разгрузки и транспортирования деталей в аналитическом виде.
Для этого задаем начальное положение механизмов:
деталь обработана, но не снята.
Для описания формулы циклограммы принимаем следующие обозначения интервалов затрат времени на выполнение движения узлами РТК:
- поворот руки промышленного робота ПР с захватным устройством ЗУ на угол
вниз
- выдвижение руки с ЗУ вперед;
- захват детали ЗУ;
- разжим кулачков патрона;
- отвод заднего центра;
- ПР перемещается вправо (вынимается деталь из патрона);
- рука ПР с ЗУ поднимается на угол
вверх;
- поворот руки ПР с ЗУ в горизонтальной плоскости на угол 90º вправо;
- рука ПР с ЗУ опускается на угол
вниз;
- разжим ЗУ;
- отвод руки с ЗУ назад;
- подвод тележки транспортера-накопителя с заготовкой и отвод тележки транспортера накопителя с обработанной деталью;
Деталь не обработана.
- выдвижение руки с ЗУ вперед;
- захват заготовки ЗУ;
- рука ПР с ЗУ поднимается на угол
вверх;
- поворот руки ПР с ЗУ в горизонтальной плоскости на угол 90º влево;
- рука ПР с ЗУ опускается на угол
вниз;
- ПР перемещается влево (вставляется деталь в патрон);
- зажим кулачков патрона;
- подвод заднего центра;
- разжим ЗУ;
- отвод руки с ЗУ назад;
- рука ПР с ЗУ поднимается на угол
вверх;
- обработка заготовки в положение установа 1;
- рука ПР с ЗУ опускается на угол
вниз;
- выдвижение руки с ЗУ вперед;
- захват обработанной детали;
- разжим кулачков патрона;
- отвод заднего центра;
- ПР перемещается вправо (вынимается полудеталь из патрона);
- ЗУ поворачивается вокруг своей оси на угол 180º;
- ПР перемещается влево (вставляется деталь в патрон);
- зажим кулачков патрона;
- подвод заднего центра;
- разжим ЗУ;
- отвод руки с ЗУ назад;
- рука ПР с ЗУ поднимается на угол
вверх;
- обработка заготовки в положении установа 2.
Формула циклограммы в аналитическом виде:
Fц=
Заключение
В данной курсовой работе было выполнено следующее:
подобраны элементы РТК для обработки трех деталей типа вал в условиях средне серийного производства;
спроектировано захватное устройство;
разработаны наладки захватного устройства при установке деталей на станке с ЧПУ и на транспорте-накопителе;
разработаны чертежи общего вида РТК и составлена циклограмма обработки деталей.
Литература
-
Горбацевич А.Ф. и др. Курсовое проектирование по технологии машиностроения. Минск: Высш. Школа, 1975, 288с.
-
Справочник технолога-машиностроителя. В 2-х т. Т.1/Под ред. А.Г. Косиловой и Р.К. Мещерякова. – 4-е изд., перераб. И доп. – М.: Машиностроение, 1985. 656 с. ил.
-
Средства автоматизации загрузки и разгрузки деталей РТК для токарной обработки: метод. Указания/сост. Царев А.М. – Тольятти: ТолПИ, 1991.















