124016 (689755), страница 2
Текст из файла (страница 2)
влажностью и температурой
Она легко аппроксимируется с помощью комбинации двух выражений:
-
Прямая наилучшего соответствия при 25 °C (жирная линия на диаграмме), описывается выражением Uвых = Uпит(0,0062 · (%RH25) + 0,16). Из этого уравнения определяется процент RH25 при температуре 25 °C.
-
Далее производится температурная коррекция и вычисляется истинное значение RH: RHистинная = (%RH25) · (1,0546 - 0,00216T), где T измеряется в °C.
Выражения выше соответствуют характеристикам реальных датчиков со следующими отклонениями:
– для
– для
– для
Рис.7. Характеристики преобразования датчика влажности Honeywell
при различных температурах
Модели HIH-3602-L и HIH-3602-L-CP выполнены в корпусе TO-39 со щелевым отверстием. Они предлагают оптимальное соотношение цена/надежность. Эти датчики нашли широкое применение в метеорологическом оборудовании и системах климат-контроля.
2.2. Датчик расхода воды на распыление
Рис.8. Внешний вид датчика.
Датчик ДРК-4 предназначен для измерения расхода и объема воды в трубопроводах и имеет следующие технические характеристики:
1) Измеряемая среда – вода с параметрами:
– температура от 1 до 150°С;
– давление до 2,5 МПа;
– вязкость до 2·106 м2/с
2) Диаметр трубопровода Dу 80...4000 мм
3) Динамический диапазон 1:100
4) Пределы измерений 2,7...452 400 м3/ч
5) Выходные сигналы: токоимпульсный (ТИ); унифицированный токовый 0…5, 4…20 мА ;
6) Предел допускаемой относительной погрешности измерений объема и расхода по импульсному сигналу и индикатору:
±1,5% при скоростях потока 0,5...5 м/с;
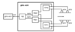
±2,0% при скоростях 0,1≤V<0,5; 5 7) Предел допускаемой относительной погрешности измерения времени наработки ±0,1%; 8) 1 или 2 канала измерения расхода; 9) Формирование почасового архива значений объема и расхода; 10) Самодиагностика. Рис.9. Блок-схема датчика. Принцип действия датчиков ДРК-4 основан на корреляционной дискриминации времени прохождения случайными, например, турбулентными флуктуациями расстояния между двумя парами ультразвуковых акустических преобразователей АП1-АП4, АП2-АП3. Это время транспортного запаздывания и является мерой расхода контролируемой среды, движущейся по трубопроводу. Во время работы акустические преобразователи (АП1-АП4), возбуждаемые генераторами ультразвуковой частоты (ГУЧ1 и ГУЧ2), излучают ультразвуковые колебания. Эти колебания, пройдя через поток жидкости, порождают вторичные электрические колебания на АП. Из-за взаимодействия встречных ультразвуковых лучей с неоднородностями потока, обусловленными, например, турбулентностью этого потока, электрические колебания на АП оказываются модулированными. Эти колебания поступают на фазовые детекторы (ФД1 и ФД2) и далее на корреляционный дискриминатор (КД), управляемый микропроцессором. В результате корреляционной обработки определяется время транспортного запаздывания, по которому микропроцессор производит вычисление периода выходных импульсов и их формирование. Далее КД определяет объем нарастающим итогом, мгновенный расход, время наработки и выводит информацию на индикатор. Выходные импульсы преобразователя ДРК-4ЭП могут передаваться для дополнительной обработки на тепловычислитель, счетчик-интегратор либо оконечный преобразователь ДРК-4ОП, который формирует унифицированный токовый выходной сигнал 0…5, 4…20 мА, пропорциональный мгновенному расходу. Конструктивно датчик ДРК-4 состоит из комплекта первичных преобразователей ДРК$4ПП, электронного преобразователя ДРК-4ЭПХХ и оконечного преобразователя ДРК-4ОП. Комплект первичных преобразователей состоит из 4-х акустических преобразователей ДРК-4АП с соединительными кабелями длиной 3 м и 4-х штуцеров для монтажа их на трубопроводе. Контроллер блока индикации суммирует входные импульсы, вычисляет накопленный объем нарастающим итогом и мгновенный расход, выводит эту информацию на индикатор, формирует двоичный код, характеризующий мгновенный расход, который вводится в ЦАП, формирует архив. Основные преимущества: отсутствие сопротивления потоку и потерь давления; возможность монтажа первичных преобразователей на трубопроводе при любой ориентации относительно его оси; коррекция показаний с учетом неточности монтажа первичных преобразователей; сохранение информации при отключении питания в течение 10 лет; беспроливной, имитационный метод поверки; межповерочный интервал - 4 года. 2.3. Исполнительный механизм В качестве исполнительного механизма синтезируемой системы используется миниспринклер 4191 компании JHi I.S., который специально разработан для поддержания постоянной влажности, уменьшения высоких температур в жарком климате за счет испарения и для орошения растений в специальных условиях.Миниспринклер обеспечивает туманообразование с очень мелким размером капелек - приблизительно от 50 до 250 микрон при давлении 3.0 Атм. Уникальная конструкция исключает образование крупных капель и капание на растения при размещении спринклеров сверху. Миниспринклер работает в широком диапазоне давления воды. Поднимая давление и используя спринклеры с меньшим расходом воды, можно получить минимальный размер капель. Минимальное давление, при котором закрывается предохранительный клапан, равно приблизительно 2.5 Атм. Миниспринклеры могут устанавливаться как на стойках, так и подвешиваться в случае верхней разводки воды. Рис.10. Внешний вид и работа миниспринклера в режиме туманообразования. Материал Полиацетат Расход воды 12,20,35,50,70,90,160,180 литров в час Рабочее давление 1,0…4,0 атм. Диаметр орошения 2,0…4,0 м Угол раскрытия факела воды Круговой, примерно 310° Направление распыления Горизонтальное/вертикальное Размер капель крон при давлении 3,0 атм. 3. РАСЧЁТ ПОГРЕШНОСТЕЙ 3.1. Разрядности АЦП и ЦАП Рассчитываем допустимое значение погрешности вычисления управляющего воздействия при значении коэффициента точности управляющего кода Рассчитываем разрядность АЦП: Таким образом, АЦП должен иметь не менее 8-ми разрядов. Находим коэффициент пересчета АЦП: Определяем величину младшего разряда АЦП: Вычисляем разрядность ЦАП: Получили, что ЦАП должен иметь не менее 8-ми разрядов. Находим коэффициент пересчета ЦАП: Таким образом, коэффициент пересчета от входа АЦП до выхода ЦАП: 3.2. Трансформированная погрешность Рассчитываем трансформированную погрешность, которая обусловлена трансформацией погрешностей входных переменных, по которым определяется управление для ПИ закона. Для этого используем ряд конечных разностей и расчётную формулу трансформированной погрешности Если вычисление интеграла было выполнено по формуле трапеций, то погрешность определяется как: Получили величину трансформированной погрешности, которая в два раза превосходит допустимую. Для её уменьшения введём экспоненциальное сглаживание с коэффициентом ослабления 3.3. Инструментальная погрешность Для оценки инструментальной погрешности выбираем разрядность АЛУ микроконтроллера на 4 разряда больше, чем в АЦП, и рассчитываем величину младшего разряда. Теперь для оценки инструментальной погрешности, которая обусловлена ограниченной длиной разрядной сетки вычислителя, необходимо подсчитать количество округлений в алгоритмах проверки на достоверность, сглаживание и ПИ-закона управления: Полная инструментальная погрешность определяется как где дисперсия единичного округления в АЛУ с учётом равномерного закона распределения определяется в виде: Итак, имеем: Находим методические погрешности интегрирования и дифференцирования на интервале Среднеквадратическое значение ошибки управляющего воздействия составляет: Из выполненных расчётов видно, что обеспечить заданную допустимую погрешность вычислений ПЕРВИЧНАЯ ОБРАБОТКА При измерении технологических параметров информация от датчиков поступает в аппаратуру ввода/вывода в виде унифицированных сигналов (0-10В или 4-20 мА), т.е. реальной физической величине соответствует напряжение или сила тока. В устройствах связи с объектом эти сигналы преобразуются в двоичные коды длиной от 8 до 16 разрядов. Чтобы провести анализ получаемой информации, необходимо преобразовать коды АЦП в масштаб реальных физических величин: % RH, м3/час. К тому же датчики могут иметь статические ошибки, нелинейные характеристики или зашумленный выходной сигнал. Для получения корректных значений результатов мониторинга из двоичных кодов применяют алгоритмы первичной обработки такие, как нормализация, пересчет в технические единицы, проверка на достоверность, сглаживание, проверка на технологические границы. В данной работе исследуются такие алгоритмы первичной обработки, как - проверка на достоверность, - сглаживание. Проверка на достоверность. Благодаря её выполнению, обнаруживаются и устраняются импульсные помехи, выявляется обрыв или короткое замыкание в канале связи и формируется сообщение о нарушениях оператору-технологу. В данной работе в качестве измерительной погрешности учитывается только погрешность датчика. Если выбран датчик с погрешностью Это выражение следует из нормального закона распределения погрешностей измерения, в соответствии с которым максимальное значение случайного сигнала ymax = 3σy (σy – среднеквадратическое значение). При этом условие проверки на достоверность имеет вид: Проверка сигналов на достоверность заключается в следующем: если условие не выполняется, то содержимое счетчика нарушений увеличивается на 1, неверное значение показаний датчика заменяется последним достоверным, и проверяется следующее показание датчика. При этом осуществляется переход к меньшему шагу опроса датчика: Сглаживание. Обычно по ходу технологических процессов возникают помехи с частотами, близкими или равными частотам полезного сигнала. Примером такой помехи могут быть погрешности измерения. Устранить их аппаратными фильтрами не удается, но можно ослабить, и весьма существенно, программным путем, реализуя алгоритм скользящего или экспоненциального сглаживания. Алгоритм скользящего среднего или скользящего окна имеет вид: Mi – параметр сглаживания, величина которого определяет количество отсчетов Принцип скользящего: для вычисления очередного сглаженного значения записанная в Мi ячейках памяти информация сдвигается влево, и в освободившуюся ячейку заносится новый отсчет датчика. После чего выполняются процедуры суммирования Мi отсчетов и умножения на коэффициент Величина параметра сглаживания где Значение параметра сглаживания для i–го датчика: Экспоненциальное сглаживание. Его алгоритм имеет вид: при начальном значении Величина параметра определяет длительность переходных процессов и качество сглаживания. Чем меньше , тем лучше сглаживание, но тем большее время потребуется для получения сглаженного значения Выражение расчёта параметра Первое сглаженное значение будет получено с заданной точностью Это время будет возрастать с увеличением точности вычислений δ. Достоинством алгоритма экспоненциального сглаживания, по сравнению со скользящим окном, является малый объем памяти, хотя он значительно дольше входит в установившийся режим. Рис.14 .Результаты работы алгоритмов проверки на достоверность, сглаживания скользящим средним с коэффициентом ослабления помех экспоненциального сглаживания со степенью приближения δ = 10-5 для сигнала с датчика влажности. ВЫБОР БАЗОВОГО КОМПЛЕКСА 5.1. Микроконтроллер ADuC7020 - микроконтроллер фирмы Analog Devices для прецизионной обработки аналоговых сигналов, содержащий в своем кристалле полнофункциональную 12-разрядную систему сбора и обработки данных на основе ядра микроконтроллера ARM7TDMI и 12-разрядного АЦП с частотой преобразования 1 МГц. По аналогии с другими интегральными преобразователями данных микроконтроллер характеризуется сочетанием на одном кристалле прецизионного аналогово-цифрового и цифро-аналогового преобразования и флэш-микроконтроллера. Рис.11. Функциональная схема микроконтроллера (ИОН – источник опорного напряжения, ПЛМ – программируемая логическая матрица, УАПП – устройство асинхронной приемо-передачи, ОЗУ – оперативное запоминающее устройство, MIPS – млн. операций в сек.) Отличительные особенности: 12-разр. АЦП с 5 мультиплексированными входами, частота преобразований АЦП 1 МГц Четыре 12-разр. ЦАП с выходами по напряжению с полным размахом (Rail-to-Rail) Прецизионный источник опорного напряжения (2,5В±10 мВ) Ядро микроконтроллера ARM7TDMI с производительностью 45 млн. операций в сек. 62 кбайт внутрисхемно перепрограммируемой флэш-памяти программ/данных 8 кбайт статического ОЗУ Последовательные порты: УАПП, SPI и два I2C Компаратор, матрица программируемой логики (PLA), супервизор питания (PSM), сброс при подаче питания (POR), гибкое конфигурирование блока синхронизации, гибкие режимы уменьшения энергопотребления Внутрисистемное последовательное программирование Внутрисистемная JTAG-эмуляция 14 линий универсального ввода-вывода Устройство тактируется от встроенного генератора с синтезатором частоты с ФАПЧ (PLL), который генерирует тактовые импульсы с частотой до 45 МГц. Этот тактовый сигнал проходит через программируемый делитель частоты, с выхода которого тактовая частота поступает на ядро процессора. В микросхеме применено микропроцессорное ядро ARM7TDMI, 16/32-разрядный RISC процессор, обеспечивающий пиковую производительность до 45 миллионов операций в секунду (MIPS). На кристалле имеется 62 kB энергонезависимой флэш/ЕЕ памяти, а также 8 kB статического ОЗУ (SRAM). Для ядра ARM7TDMI вся память и регистры доступны в одном линейном пространстве памяти. Встроенное программное обеспечение поддерживает внутрисхемную последовательную загрузку через порты последовательных интерфейсов UART и JTAG, при этом через интерфейс JTAG можно осуществлять эмуляцию. Данные микроконтроллеры работают при напряжении питания 2,7 … 3,6 В и их параметры нормированы для индустриального температурного диапазона -40°C... 125°C. При работе на частоте 45 МГц рассеиваемая мощность составляет 150 мВт. 4.2. Аналого-цифровой преобразователь Аналого-цифровой преобразователь, входящий в состав ADuC7020 – это быстродействующий, многоканальный 12-разрядный АЦП. Он работает при напряжении питания 2.7...3.6 В и обеспечивает производительность до 1 миллиона отсчетов в секунду (1 MSPS) при тактовой частоте 45 МГц. В блок АЦП входят многоканальный мультиплексор, дифференциальное устройство выборки-хранения, встроенный источник опорного напряжения (ИОН) и собственно АЦП. Преобразователь представляет собой 12-разрядный АЦП последовательного приближения на основе двух ЦАП на переключаемых конденсаторах. АЦП может работать в одном из трех различных режимов, в зависимости от заданной конфигурации: • полностью дифференциальный режим – для слабых дифференциальных сигналов; • однополярный режим – для любых однополярных сигналов • псевдодифференциальный режим – для любых однополярных сигналов, но при этом обеспечивается преимущество – подавление синфазного сигнала псевдодифференциальным входом. Данный преобразователь работает с аналоговым сигналом в диапазоне от 0 до VREF при работе в однополярном или псевдодифференциальном режиме. В полностью дифференциальном режиме синфазное напряжение VCM входного сигнала должно находиться в диапазоне 0...AVDD и амплитуда входного сигнала не должна превышать 2·VREF. На кристалле имеется прецизионный, высокостабильный источник опорного напряжения (ИОН) напряжением 2.5 В. Также можно использовать внешний ИОН, как описано ниже. С помощью программы запускается режим одиночного или непрерывного преобразования. Кроме того, для запуска аналого-цифрового преобразования может быть использован сигнал на входе CONVSTART, выходной сигнал встроенной в кристалл программируемой логической матрицы (PLA), а также сигнал переполнения таймера Timer1 или Timer2. В псевдодифференциальном или однополярном режиме входной сигнал находится в диапазоне 0...VREF. Выходной код в псевдодифференциальном или однополярном режиме – прямой двоичный код, единица младшего разряда (LSB) соответствует 1 LSB = FS/4096 или 2.5 В/4096 = 0.61 мВ = 610 мкВ при опорном напряжении VREF = 2.5 В. В идеале характеристика преобразования проходит через точки 1/2 LSB, 3/2 LSBs, 5/2 LSBs, . . ., FS–3/2 LSB. Идеальная характеристика преобразования показана на рисунке 12. Рис.12. Характеристика преобразования АЦП в псевдодифференциальном или однополярном режиме В полностью дифференциальном режиме амплитуда дифференциального сигнала представляет собой разность между величинами сигналов на входах VIN+ и VIN– (то есть VIN+ – VIN–). Максимальный размах дифференциального сигнала таким образом составляет величину от –VREF до + VREF (то есть 2·VREF). Это без учета синфазного сигнала (common mode, CM). Синфазный сигнал является средним двух сигналов, т.е. (VIN+ + VIN–)/2 и таким образом синфазный сигнал – это уровень, относительно которого изменяются два входных сигнала. Поэтому пределы изменения сигнала на каждом входе определяются величиной CM ± VREF/2. Синфазное напряжение устанавливается с помощью внешних цепей и его диапазон зависит от величины VREF. В полностью дифференциальном режиме аналоговый сигнал преобразуется в дополнительный цифровой код с величиной 1 LSB = 2·VREF/4096 или 2·2,5 V/4096 =1,22 мВ при VREF = 2,5 В. В идеале характеристика преобразования проходит через точки 1/2 LSB, 3/2LSBs, 5/2LSBs, ..., FS–3/2 LSB. Идеальная характеристика преобразования показана на рисунке 13. Рис.13. Характеристика преобразования АЦП в полностью дифференциальном режиме. 4.3. Цифро-аналоговый преобразователь В микросхеме ADuC7020 имеется четыре 12-разрядных ЦАП с выходом напряжения. Каждый ЦАП обладает выходным буфером с полным диапазоном напряжения (rail-to-rail) и способным работать на нагрузку 5 кОм/100 пФ. Буферы можно отключить. ЦАП может работать в трех диапазонах выходного сигнала: 0...VREF (при работе с внутренним ИОН 2.5 В),0...DACREF (вывод 56) и 0...AVDD. К выводу DACREF подключается внешний опорный источник. Диапазон сигнала на этом входе может составлять от 0 до AVDD. Каждый ЦАП управляется независимо при помощи регистра управления и регистра данных. Эти регистры одинаковы у всех четырех. Структура ЦАП представляет собой цепочку резисторов (string DAC) с буферным усилителем на выходе. ИОН для каждого ЦАП может выбираться пользователем программно. Это может быть AVDD, VREF или DACREF. В режиме 0–AVDD сигнал на выходе ЦАП изменяется в диапазоне от 0 до напряжения питания на выводе AVDD. В режиме 0–DACREF сигнал на выходе ЦАП изменяется в диапазоне от 0 до напряжения на выводе DACREF. В режиме 0–VREF сигнал на выходе ЦАП изменяется в диапазоне от 0 до напряжения внутреннего ИОН VREF = 2.5 В. Буфер на выходе ЦАП обладает rail-to-rail выходом. Это означает что при отсутствии нагрузки сигнал на выходе может приближаться ближе чем на 5 мВ к напряжениям питания (AGND и AVDD). Более того,параметры, характеризующие линейность ЦАП (при нагрузке 5 кОм) гарантированы для всего диапазона кода, за исключением диапазонов кода 0...100 и (если только АЦП работает в диапазоне 0–AVDD) для кодов 3995...4095. Линейность ухудшается вблизи "земли" и вблизи AVDD из-за насыщения выхода усилителя. Чтобы уменьшить эффект насыщения выходного усилителя на конечных участках характеристики и уменьшить погрешности смещения и усиления можно отключить внутренний буфер с помощью управляющего регистра ЦАП. Это позволит получить полный диапазон сигнала на выходе ЦАП (rail-to-rail), и этот сигнал затем должен быть буферирован с помощью внешней схемы на усилителе с биполярным питанием с целью получить rail-to-rail сигнал на выходе. Этот внешний буфер должен располагаться как можно ближе к СТРУКТУРА АСУТП 6.1. Назначение системы Разрабатываемая АСУТП представляет собой комплекс автоматизированного контроля и управления влажностным режимом теплицы и является программно-технической системой для достоверного измерения состояния климата в теплице и расчет на этой основе управляющих воздействий на исполнительные механизмы инженерного оборудования теплицы. Система должна выполнять следующие функции: задание суточного цикла влажности и поддержание необходимого климатического режима (при изменении задания система обеспечивает плавный переход из одного состояния в другое); контроль расхода воды в канале распыления; сбор, обработку и хранение архивных данных; представление технологической информации в удобном для оперативного персонала виде; регистрация событий и ведение журнала тревог (например, при выходе значения влажности за пределы установленного диапазона); обеспечение возможности калибровки измерительных датчиков; повышение производительности теплицы за счёт жесткого автоматического поддержания требуемых параметров; обеспечение возможности постепенной модернизации и усложнения системы за счёт введения новых аппаратных и программных модулей. 6.2. Архитектура системы Архитектура разрабатываемой системы имеет два уровня: нижний – подсистема управления (датчики, микроконтроллер, исполнительные механизмы и оборудование) и верхний – пост оператора (персональный компьютер). Связь между уровнями осуществляется по интерфейсу RS-485. Реализация алгоритмов управления осуществляется с помощью автоматизированного модуля верхнего уровня (например, SCADA-система TRACE MODE), который также отвечает за интерфейс на посту оператора. Рис.15. Мнемосхема АСУТП. ЗАКЛЮЧЕНИЕ В данном курсовом проекте была синтезирована двухуровневая АСУТП, которая осуществляет дискретное регулирование влажности воздуха и контроль расхода воды на распыление в теплице. По заданным параметрам ОУ путём моделирования были определены параметры настройки ПИ-регулятора, который обеспечивает необходимую точность регулирования и качество отработки входных воздействий (здесь – задание величины влажности). Используя алгоритмы первичной обработки, исследовалось влияние их параметров на характеристики сигнала с датчика влажности. Исходя из условия величины погрешности вычисления кода управления, были рассчитаны разрядности элементов ЦУУ (АЦП, ЦАП и АЛУ микроконтроллера) и произведен выбор комплекса технических средств. СПИСОК ЛИТЕРАТУРЫ 1) Пьявченко Т.А. Автоматизированное управление в технических системах. Учебное методическое пособие, 1999 г. 2) Автоматизированная система контроля технологических параметров тепличного комбината. Журнал «Современные технологии автоматизации» 3) http://www.gaw.ru/ 4) http://www.optimalsystems.ru/ 5) http://www.fito-agro.ru/ 34
:
В
(1/% RH)
(% RH)
(В)
(В/% RH)
, тогда:
В
(В)
,
(В)
с помощью моделирования в пакете Simulink замкнутой системы:
В
(В2)
В можно, выбрав коэффициент ослабления помех равный
, АЦП и ЦАП 8-ми разрядными, а количество разрядов АЛУ не менее 12-ти.
, то максимально допустимое значение погрешности измерения определяется как:
.
(
- новое значение шага опроса датчика после обнаружения первого неправильного отсчета). Процедура проверки повторяется. Если трижды подряд с шагом
не выполняется условие проверки на достоверность, то по знаку разности (
) принимается решение об обрыве или неисправности датчика i-го канала. Фиксируется время нарушения, его причина и включается резервный канал или резервный датчик.
, взятых для вычисления одного сглаженного значения
.
. Из анализа алгоритма ясно, что для его реализации потребуется Mi+2 ячейки памяти, а время готовности алгоритма выдать с заданной точностью 1-е сглаженное значение составит
.
вычисляется по заданному значению коэффициента ослабления помех
, который, в свою очередь, представляет собой отношение
,
- среднеквадратическое значение помех в отсчетах датчиков xik;
- среднеквадратическое значение помех в сглаженных, вычисленных в соответствии по алгоритму значений xcik.
.
и диапазоне изменения параметра сглаживания: 0<i<1.
с заданным ослаблением помехи
.
для алгоритма экспоненциального сглаживания, если задан коэффициент ослабления помех
:
в соответствии с алгоритмом спустя время:
.
,















