123478 (689489), страница 2
Текст из файла (страница 2)
, (3.2)
где
- коэффициент теплопередачи;
- площадь поверхности стенки.
Отсюда можем определить площадь теплообмена:
, (3.3)
Коэффициент теплопередачи
найдём, исходя из формулы:
(3.4)
Из таблицы 3.4 стр.6 [1] принимаем коэффициент теплоотдачи от воздуха к стенке
, а коэффициент теплоотдачи от воды к воздуху
.
Диаметры труб выбираем из стандартного ряда, приведенного ниже:
24
1, 32
4, 32
5, 38
2,5, 22
2.
Наиболее выгодно применять трубы с диаметрами 32
4, 38
2,5, 22
2.
Для Ст20 коэффициент теплопроводности
.
В первом приближении принимаем шахматное расположение пучков труб:
Рисунок 3.2 Шахматное расположение пучка труб
Отношение продольного шага к наружному диаметру обозначим через а, а отношение поперечного шага к наружному диаметру обозначим через в.
Таким образом
,
. (3.5)
При этом а находится в интервале 1,5…2,5.
.
Рисунок 3.3 Эскизная компоновка экономайзера
Уравнение баланса
, (3.6)
где
- число труб в одном ряде,
-среднерасходная скорость воды в трубах на входе.
Рекомендуется брать
=0,1…0,25 м/с (таблица 3.1 [1]).
Отсюда
. (3.7)
Среднерасходная скорость воды на выходе
. (3.8)
Общая площадь газопровода
, (3.9)
где L- длина, которая задаётся из интервала 4…6 м; B-ширина, равная 1,5…4 м.
Скорость газа в межтрубном пространстве
- на входе (3.10)
- на выходе (3.11)
Площадь теплообмена
, (3.12)
где
-число рядов труб.
(3.13)
,
.
Высота теплообменника
(3.14)
Расчётная часть
Изменение средней температуры
принимаем
=1,
˚С.
Тепловой поток
. Отсюда площадь теплообмена
.
Коэффициент теплопередачи
.
Из таблицы 3.4 стр.6 [1] принимаем коэффициент теплоотдачи от воздуха к стенке
, а коэффициент теплоотдачи от воды к воздуху
.
Диаметры труб выбираем 38
2,5.
Для Ст20 коэффициент теплопроводности
.
.
4.3.
,
.Принимаем а=2.
Принимаем
.
Число труб в одном ряде
Число труб в двух рядах
.
Среднерасходная скорость воды на выходе
Задаёмся длиной и шириной L =6м; B=4м.
Общая площадь газопровода
Скорость газа в межтрубном пространстве
Число рядов труб
Высота теплообменника
Таблица 3.1. Результаты расчётов.
| Наименование | Обозначение | Размерность | Значение |
| Площадь теплообмена | F | м2 | 1203,3 |
| Среднерасходная скорость воды на входе |
| м/с | 0,2 |
| Число труб в одном ряду | z1 | _ | 32 |
| Среднерасходная скорость воды на выходе |
| м/с | 0,23 |
| Длина газохода | L | м | 6 |
| Ширина газохода | B | м | 4 |
| Число рядов труб | n1 | - | 60 |
| Высота теплообменника | H | м | 3,96 |
| Cкорость газа в межтрубном пространстве на входе |
| м/с | 7,89 |
| Cкорость газа в межтрубном пространстве на выходе |
| м/с | 7,19 |
| Общая площадь газохода | f | м2 | 16,70 |
4. Гидродинамический расчёт
Алгоритм расчёта
Целью гидродинамического расчёта является определение потери давления горячего и холодного теплоносителя при прохождении через аппарат. Гидродинамическое сопротивление элементов теплообменного аппарата определяется условиями движения теплоносителей и особенностями конструкции аппарата.
Определим сопротивление по потоку выхлопного газа:
, (4.1)
где поперечные потери давления
,
местные потери давления
,
средняя скорость выхлопных газов
, (4.2)
согласно таблице П.1.6 стр.17 [1] значения коэффициентов:
Необходимо определить число Рейнольдса:
. (4.3)
Эквивалентный диаметр межтрубного пространства:
, (4.4)
где
-периметр смачивания.
Гидродинамическое сопротивление по холодному теплоносителю (по воде):
(4.5)
По числу Рейнольдса определяем режим течения.
Определяем сопротивление по потоку воды:
, (4.6)
Где
-потери в трубах,
-потери местного сопротивления,
,
не должно превышать 2 кПа.
Расчётная часть
Средняя скорость выхлопных газов
Определим сопротивление по потоку выхлопного газа:
,
где поперечные потери давления
,
местные потери давления
,
Эквивалентный диаметр межтрубного пространства:
,
где
.
Число Рейнольдса:
.
Число Рейнольдса для воды
.
Вывод: режим течения турбулентный.
Потери в трубах
,
где
при температуре стенки
(по таблицам для воды).
Потери местного сопротивления
, где
,
Определяем сопротивление по потоку воды
.
не превышает 2 кПа.
Таблица 4.1 Результаты расчётов.
| Наименование | Обозначение | Размерность | Значение |
| Число Рейнольдса для выхлопных газов |
| - |
|
| Число Рейнольдса для воды |
| - |
|
| Сопротивление по потоку выхлопных газов |
| кПа | 0,67 |
| сопротивление по потоку воды |
| кПа | 1,09 |
| Местные потери давления |
| кПа | 0,061 |
| Поперечные потери давления |
| кПа | 0,61 |
| Потери местного сопротивления |
| кПа | 0,71 |
| Потери в трубах |
| кПа | 0,38 |
5 Расчёт теплопередачи после оребрения
Алгоритм расчёта
Целью расчёта является завершение компоновки теплообменника, уточнение расчётов теплопередачи и гидродинамического сопротивления.
Коэффициент теплоотдачи по воздуху незначителен, поэтому необходимо делать оребрение для увеличения этого коэффициента.
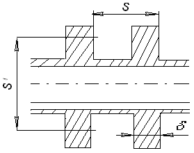
Рис 5.1 Схема оребрения
Выбираем параметры ребра из заданных пределов:
Коэффициент теплоотдачи будет равен
, (5.1)
Где
- коэффициент теплопроводности для Сталь 10.
-приведенный коэффициент теплоотдачи для воздуха, (5.2)
ε - степень оребрения
(5.3)
Е-степень эффективности рёбер, принимается равной 0,8,
Ψ-поправка на обтекание рёбер, примерно равна 1,
χ-коэффициент межтрубного пространства:
(5.4)
α1-коэффициент теплоотдачи от воздуха, определяется из критериального уравнения:
; (5.5)
α2- коэффициент теплоотдачи от воды, определяется из критериального уравнения:
. (5.6)
Число Нуссельта при турбулентном режиме течения в канале(стр.14 [1]):
=1 при
Рис. 5.2 Схема оребрения
Находим свободную площадь газохода с учётом оребрения:
(5.7)
Уточняем значение скорости выхлопных газов после установки рёбер:
(5.8)
Число Рейнольдса для выхлопных газов с учётом оребрения:
(5.9)
Число Нуссельта после оребрения:
, (5.10)
Значения
берём из четвёртого раздела.
Уточняем значение степени эффективности рёбер:
, (5.11)
Где
-эквивалентная высота для прямоугольных рёбер, коэффициент
, Ψ=1-0,058(
)
Уточняем площадь теплообмена, число рядов труб и высоту теплообменника:
Необходимо учитывать эксплуатационное загрязнение теплообменного аппарата и делать запас по площади.
Затем пересчитываем число рядов труб и уточняем высоту теплообменника.
После установки рёбер изменится гидравлическое сопротивление по воздуху
не должно превышать 2 кПа.
Расчётная часть
Выбираем параметры ребра из заданных пределов:
Число Нуссельта при турбулентном режиме течения в канале(стр.14 [1]):
















