122898 (689291), страница 2
Текст из файла (страница 2)
3.6 Электрическое подсоединение
Электрические подсоединения двигателя, а также защитных и добавочных компонентов не меняется при креплении CIC-системы. Добавочная защита температуры нагнетаемого газа не требуется: эти функции монитора также включены в CIC-систему. Компоненты CIC полностью приготовлены для работы: следует подсоединить в соответствии следующей диаграммы. Интеграция в управлении схемой показана на схематической диаграмме проводки (рис.4).
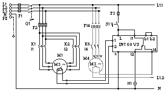
Рисунок 3. Схема подсоединения составляющих системы-CIC.
-
В6 CIC модуль управления
-
А1/А2 Контакт тревоги (потенциально свободные контакты)
-
М1/М2 Цикл управления контактором компрессора (потенциально свободные контакты)
-
L/N Источник энергии
-
PE Клемма на заземление
-
РЕ/2 Клемма для защиты температурного сенсора
-
R10 Температурный сенсор “Газ нагнетания”
-
Y5 Импульсный клапан впрыска (потенциально свободные контакты)
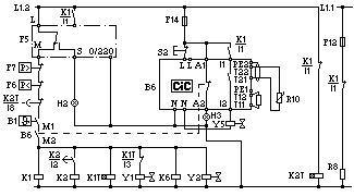
Рисунок 4. Схема проводки одноступенчатого поршневого герметичного компрессора с CIC-контролем [PW(YY) двигатель]
Спецификация для рисунка 4.
| Обозначение на схеме | Расшифровка | Обозначение на схеме | Расшифровка | |||
| В1 | Управление термостатом | К6 | Контактор “добавочный вентилятор” | |||
| В6 | Модуль управления “CIC” | К5 | Вспомогательный контактор | |||
| F1 | Главный предохранитель | К1Т | Реле времени “PW-старт”(0,5с) (разгруженный старт) | |||
| F2 | Предохранитель компрессора | К2Т | Стирающее контактное реле “противо-цикл”-стирается на включении - (300 с) | |||
| F3 | Предохранитель управления | М1 | Компрессор | |||
| F4 | Прибор защиты двигателя INT69VS | М4 | Добавочный вентилятор | |||
| F5 | Реле контроля давления масла | Q1 | Главный выключатель | |||
| F6 | Реле низкого давления | R1-6 | РТС-сенсор (двигатель) | |||
| F7 | Реле высокого давления | R8 | Нагреватель картера | |||
| F12 | Теплая защита | R10 | РТ1000-сенсор “температура нагнетаемого газа” | |||
| F13 | Предохранитель добавочного вентилятора | S1 | Вкл./Выкл. “сброс INT69VS” | |||
| F14 | Предохранитель “CIC” модуля (4а) | S2 | Сброс “CIC” | |||
| H1 | Сигнальная лампа “неисправность двигателя” | Y1 | Соленоидный вентиль “байпас на старт” | |||
| Н2 | Сигнальная лампа “неисправность масляного давления” | Y2 | Соленоидный вентиль “жидкостная линия” | |||
| Н3 | Сигнальная лампа “ неисправность “CIC” “ ** | Y5 | Импульсный клапан впрыска “CIC-система” | |||
| К1 | Контактор | ** | «Проверочные функции» | |||
| К2 | Контактор | |||||
3.7 Проверочные функции
3.7.1 Предварительные меры/проверки
Необходимо соблюдать следующие условия:
-
закрепленное сопротивление (1кОм) установлено между клеммами Т11/Т12 модуля управления;
-
источник энергии с данными на плато;
-
стартовое реле правильно подсоединено;
-
включенный источник питания:
-
стартовое реле М1/М2 должно закрыться после примерно 2 секунд. Если присутствует ошибка, (ошибка регистрируемая стартовым реле А1/А2 более чем 2 сек.), проверьте подсоединение температурного датчика (Т21/Т22) и установку сопротивления (Т11/Т12).
3.7.2 Проверка от разрыва кабеля сенсора или закорачивания цепи сенсора
-
Выключите источник питания.
-
Отсоедините кабель сенсора от клемм Т21 или Т22.
-
Включите источник питания.
-
Стартовое реле М1/М2 остается открытым.
-
Стартовое реле А1/А2 (тревога) должно одновременно закрыться.
-
Выключите источник питания снова. (в то же время функция “Сброс”)
-
Заново подсоедините кабель сенсора в начальную позицию и подключите клеммы Т21/Т22 с кусочком кабеля. Включите источник питания.
-
Стартовое реле М1/М2 остается открытым.
-
Стартовое реле А1/А2 (тревога) должно одновременно закрыться.
-
Выключите источник питания (в то же время функция “Сброс”). Удалите соединение между клеммами Т21/Т22 и закрепите клеммы с кабелем сенсора.
3.7.3 Проверочные функции впрыскиваемого клапана впрыска
-
Выключите источник питания добавочного вентилятора.
-
При агрегате воздушного охлаждения используйте щит, чтобы изолировать компрессор от потока воздуха.
-
Запустите компрессор/нормальная система
-
После периода времени измерьте температуру линии нагнетаемого газа (яркая металлическая поверхность, примерно 10 см после запорного вентиля нагнетания).
Если температура ниже 110С:
-
Если давление всасывания точно в положительном диапазоне, закройте запорный вентиль на всасывании на столько, чтобы температура испарения достигала примерно -40С (манометры крепятся на измеряемое подсоединение на запорном вентиле).
-
Если давление всасывания же на много выше, и температура конденсации также ниже, временно увеличьте давление конденсации, т.е. изменяя воздушный поток или путем выключения соответствующего вентилятора.
-
Снова регулярно измеряйте температуру на линии нагнетаемого газа. При температуре примерно 120С+/- 5К контактное реле 11/12 периодически закрывается и импульсный клапан впрыска (рис.3/4 поз.Y5) срабатывает.
Если импульсный клапан впрыска открыт продолжительное время и температура все еще увеличивается или если безопасный выключатель сработал (регистрация тревоги А1/А2), могут присутствовать следующие неисправности:
-
Несоответствующий хладагент (газ кипит в жидкостном смотровом стекле до импульсного клапан впрыска).
-
Функционирование агрегата за допускаемыми пределами работы (температура испарения слишком низкая, температура конденсации и/или температура всасываемого газа слишком высока).
-
Несрабатывание или засорение импульсного клапана впрыска (интеграционный фильтр - применяемый к трубной арматуре без гаек)
-
Засорение диафрагмы
-
Исправьте ошибку и повторите тестирование. Если защитный выключатель сработал, то нажмите сброс или прервите снабжение энергией (в обоих случаях около 2 секунд).
-
Выключите компрессор и проверьте, чтобы импульсный клапан впрыска был закрыт крепко. Возможные утечки могут быть очевидны в смотровом стекле или оттайка после вентиля или в области диафрагмы.
-
Найдите причину и исправьте ошибку.
-
Последующие меры следует выполнять до последней проверки:
-
Откройте запорный вентиль на всасывании (если он в закрытом положении)
-
Сбросьте давление конденсации регулятором (если имеется) до первоначального значения.
-
Включите источник питания для добавочного вентилятора, удалите защитную доску от потока воздуха у агрегата воздушного охлаждения.
3.8 Технические данные
| Источник питания | |
| (другое напряжение по требованию) | 230 В пер.ток +/- 10% |
| Частота | 50/60 Гц |
| Энергия поглащения | max. 2VA |
| Рабочий цикл | 100% |
| Тип сенсора | РТ1000 |
| Стартовое реле: | |
| Включение напряжения | max. 250В пер.ток |
| Включение тока | max. 8А пер.ток |
| Включение мощности | max. 2000 VA |
| Предохранитель для прибора и контакты включения | max. 5А |
| Клеммы | |
| Винтовой фиксатор | 1,5 кв.мм |
| Рабочая температура | - 20... + 55С |
| Допускаемая относительная влажность без конденсации | 10... 95% rF/RH/HR |
| Класс защиты | IP54 |
| Вес | 450 г |
| Габаритные размеры модуля | 120 x 122 |















