122866 (689271), страница 2
Текст из файла (страница 2)
/5.1/
Виконавши заміну p=jω, отримаємо:
Для побудови годографа в декартовій системі координат виділимо дійсну та уявну частини W (j) =P () +jQ ():
/5.2/
/5.3/
Таблиця значень для побудови годографа АФЧХ
|
| P | Q ( | ||
| 0 | 5,5037 | 0 | ||
| 0,1 | 5,248644 | -1,29846 | ||
| 0,2 | 4,574481 | -2,34665 | ||
| 0,3 | 3,685451 | -3,02149 | ||
| 0,4 | 2,774914 | -3,34011 | ||
| 0,5 | 1,960136 | -3,39168 | ||
| 0,6 | 1,286218 | -3,2733 | ||
| 0,7 | 0,754786 | -3,06124 | ||
| 0,8 | 0,348361 | -2,80676 | ||
| 0,9 | 0,044273 | -2,54125 | ||
| 1 | -0,17907 | -2,28258 | ||
| 1,2 | -0,45337 | -1,81802 | ||
| 1,4 | -0,58089 | -1,43841 | ||
| 1,8 | -0,6254 | -0,90382 | ||
| 2,3 | -0,54614 | -0,52005 | ||
| 3 | -0,40957 | -0,25451 | ||
| 4,5 | -0,22063 | -0,0629 | ||
| 10 | -0,04472 | 0,009169 | ||
| 20 | -0,00761 | 0,005457 | ||
| 50 | -0,00036 | 0,000731 | ||
| 100 | -2,6E-05 | 0,000106 | ||
Рис. 5. Годограф амплітудно-фазочастотної характеристики розімкнутої САР.
Запаси стійкості визначимо, виходячи з критерію стійкості Найквіста. [1, с.219] Для визначення запасу стійкості за амплітудою знайдемо частоту, яка відповідає точці перетину годографа АФЧХ з від'ємною дійсною піввіссю (з умови Q (
) =0):
/5.4/
=0
Корені рівняння ω=0; 7.0929; - 7.0929.
Задовольняє умови лише корінь ω=7.0929.
Для даної частоти P (7.0929) =-0,0935.
Запас стійкості по амплітуді Азап= 1-0,0935=0.9065. /5.5/
Для визначення запасу стійкості за фазою знайдемо критичну частоту ωкр, при якій А (ω) =1:
.
;
;
;
Коренями рівняння є:
0 +22.0581j
0 - 22.0581j
0 +22.0295j
0 - 22.0295j
0.0000 + 2.6121j
0.0000 - 2.6121j
1.9187
1.9187
0 + 1.6667j
0 - 1.6667j
0 + 0.5556j
0 - 0.5556j
Серед коренів даного рівняння нас задовольняє лише дійсний додатній корінь, тому ωкр=1.9187.
P (ωкр) =Р (1.9187) =-0,613;
Тоді запас стійкості по фазі становить
/5.6/
Азап
φзап
Рис.6. Графічна ілюстрація запасів стійкості.
7. Розрахувати та побудувати перехідну характеристику системи автоматичного регулювання за каналом задаючої дії при нульових початкових умовах
Аналітичні методи побудови перехідних характеристик ґрунтуються на розв’язуванні диференціальних рівнянь системи. Найбільш поширеним методом є операторний метод з використанням теореми розкладання.
Зображення вихідної регульованої величини
Оскільки перехідна характеристика є реакцією системи на одиничний ступінчастий вхідний сигнал, зображення за Лапласом якого
[3, c.29], то
/6.1/
Отже, зображення перехідної функції має вигляд:
.
Знайдемо корені характеристичного рівняння замкненої системи D (p) = 0:
; /6.2/
p1=-22.4706
p2=-0.9869 + 2.2319j
p3=-0.9869 - 2.2319j
У загальному випадку згідно теореми розкладу вираз для перехідної характеристики має вигляд [5, c.12]
/6.3/
Враховуючи, що при підстановці пари комплексних коренів у вираз /6.3/ значення дробів
/6.4/
В результаті сума доданків, що відповідають парі комплексно-спряжених коренів може бути зведена, з врахуванням формули Ейлера, до одного виразу:
/6.5/
Тоді вираз перехідної функції матиме вигляд
/6.6/
де
- дійсний корінь характеристичного рівняння /6.2/;
- похідна від полінома знаменника передаточної функції;
і
- відповідно дійсна та уявнf частини пари комплексних чисел
,
, α і ω - відповідно дійсна та уявна частини пари комплексно-спряжених коренів p2, p3.
M (p) =5.5037;
D (p) =
;
;
Підрахуємо:
; /6.7/
; /6.8/
Відповідно
. /6.9/
=0,4813;
=2,622;
.
Підставивши у /6.6/, отримаємо рівняння перехідної характеристики:
/6.10/
Для графічної побудови перехідної характеристики обчислимо значення h (t) в точках:
| t | 0 | 0,2 | 0,4 | 0,6 | 0,8 | 1 | 1,5 | 2 |
| h (t) | -0,00036 | 0,057818 | 0,242 | 0,482572 | 0,714802 | 0,896603 | 1,054382 | 0,938921 |
| t | 2,5 | 3 | 3,5 | 4 | 4,5 | 5 |
| h (t) | 0,818175 | 0,79644 | 0,829785 | 0,855775 | 0,857287 | 0,848411 |
| t | 5,5 | 6 | 6,5 | 7 |
| h (t) | 0,843086 | 0,843538 | 0,845765 | 0,846792 |
Рис.7. Перехідна характеристика системи за каналом завдання
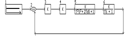
8. Моделювання перехідних процесів за допомогою комп’ютерної програми SIAM
Рис. 8. Схема моделювання перехідних процесів системи автоматичного регулювання температури в печі у програмі SIAM.
Для моделювання перехідних процесів у системі автоматичного регулювання була побудована схема (рис.8), у якій задані наступні параметри моделі:
Задані параметри ланок:
K=1
K=0.84
K=13
Перехід від однієї форми передаточної функції коливної ланки
до іншої
здійснюється за формулами:
;
.
K=0.12
T=0.164
d=1.963
K=4.2
T=1.8
Метод моделювання: Фельберга.
Похибка: 0,001.
Початкове значення часу: 0.
Кінцеве значення часу: 7.
Результати моделювання в СИАМ показані на рис. 9.
Рис. 9. Перехідна характеристика, отримана в результаті моделювання в програмі SIAM.
Порівняємо отримані за допомогою моделювання результати із розрахованими за теоремою розкладу
| t | 0,000 | 0,212 | 0,424 | 0,636 | 0,848 | 1,061 |
| h (t) СИАМ | 0,0000 | 0,0660 | 0,2690 | 0,5270 | 0,7650 | 0,9380 |
| h (t) розраховане | -0,00036 | 0,0660 | 0,2693 | 0,5265 | 0,7641 | 0,9386 |
| δ,% | - | 0,075 | 0,130 | 0,089 | 0,117 | 0,064 |
| t | 1,414 | 1,626 | 1,980 | 2,404 | 2,616 | 3,040 |
| h (t) СИАМ | 1,0550 | 1,0390 | 0,9450 | 0,8340 | 0,8050 | 0,7980 |
| h (t) розраховане | 1,0547 | 1,0393 | 0,9451 | 0,8341 | 0,8045 | 0,7981 |
| δ,% | 0,033 | 0,032 | 0,006 | 0,006 | 0,064 | 0,011 |
| t | 3,535 | 4,030 | 5,020 | 5,515 | 6,505 | 7,000 |
| h (t) СИАМ | 0,8325 | 0,8567 | 0,8483 | 0,8433 | 0,8460 | 0,8470 |
| h (t) розраховане | 0,8323 | 0,8565 | 0,8481 | 0,8430 | 0,8458 | 0,8468 |
| δ,% | 0,021 | 0,023 | 0,027 | 0,032 | 0,026 | 0,025 |
Різниця не перевищує 0,13% розрахованого значення h (t), отже результати комп’ютерного моделювання та аналітичного розрахунку практично співпадають.















