122812 (689247), страница 2
Текст из файла (страница 2)
Для кулачковых механизмов с поступательно движущимся толкателем основными размерами звеньев, определяющими величину угла давления и размеры механизма, являются:
а) минимальный радиус rmin кулачка;
б) смещение (дизаксиал) е – кратчайшее расстояние от оси вращения
кулачка до оси толкателя.
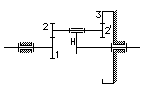
Минимальный радиус rmin кулачка определяется из условия ограничения угла давления. Для любого положения механизма текущий угол давления не должен превышать максимально допустимое значение βadm. Основные размеры кулачкового механизма можно определить графически, решая условие незаклинивание механизма:
Так как дизаксиал е и допускаемое значение βadm заданны, то можно найти rmin (рис.2).
мм – минимальный радиус кулачка.
1.3 Построение теоретического профиля кулачка
Построение профиля кулачка проводится методом обращенного движения: всему механизму сообщается вращение вокруг оси кулачка с угловой скоростью – ω, равной и обратнонаправленной угловой скорости ω кулачка.
Тогда по отношению к неподвижной системе координат кулачек остановится, а толкатель будет совершать плоскопараллельное движение.
Из произвольной точке проводим окружности радиусами rmin и е в принятом масштабе М 2:1. Окружность радиусом е разбиваем на n=24 частей в направлении против хода часовой стрелки, так как дизаксиал отрицательный. Из полученных точек проводим полукасательные по вращению кулачка. Эти полукасательные есть положение оси толкателя в обращенном движении. В принятом масштабе М отложим от точек пересечения полукасательных с окружностью радиусом rmin во внешнюю сторону отрезки Si, соответствующие перемещению толкателя для данного положения кулачка по таблице 1. Соединив полученные точки, получим теоретический профиль кулачка.
1.4 Выбор радиуса ролика
Построение практического профиля кулачка.
Радиус ролика rр выбирается из условий наименьших контактных напряжений и обеспечения реальных размеров кулачка:
rр≤0,7ρmin; rр≤0,4rmin, где ρmin – минимальный радиус кривизны теоретического профиля кулачка.
ρmin=42 мм, следовательно, должно быть rр≤29,4 мм и rр≤18,68 мм.
Из таблицы 4 [1] выбираем в качестве ролика радиальный шарикоподшипник сверхлегкой серии с радиусом
rр=D/2
и радиусом оси
r=d/2
1000904, D=37 мм, d=20 мм, rp=18,5 мм, r=9,25 мм.
Практический профиль кулачка получается, если теоретический уменьшить на величину радиуса ролика rр. Для этого из точек на теоретическом профиле проводят окружности радиусом rр и по внутренней огибающей этих окружностей проводят линию, которая является практическим профилем кулачка.
1.5 Расчет толщины кулачка
Для нормальной работы кулачкового механизма необходимо выполнения условия контактной прочности:
, где
F – сила взаимодействия толкателя и кулачка [Н];
b – толщина кулачка [мм];
- приведенный модуль упругости;
- приведенный радиус кривизны;
σНadm – допускаемое контактное напряжение [МПа].
Для сталей марок 45, 20Х, из которых обычно изготавливают кулачки и ролики Ек=Ер=2,1∙105 МПа. Для них σНadm=400...600 МПа.
Епр=2,1∙105 МПа, ρпр=12,84 мм, F=Pmax=19 H
Но толщина кулачка не должна быть меньше 4 мм, поэтому выбираем b=4 мм, что удовлетворяет перечисленным условиям.
2. Проектирование механического привода
Механическим приводом называется совокупность электродвигателя и передаточных механизмов, которые могут состоять из различного вида зубчатых передач и ременных передач. Передаточные механизмы, служащие для понижения угловых скоростей валов и, одновременно, увеличения крутящих моментов на них, выполненные в виде отдельных агрегатов, называются редукторами. В качестве передаточных механизмов применяются открытые передачи. В отдельных случаях они заключаются в легкий корпус из листовой стали, алюминия или пластмассы.
2.1 Расчет планетарной ступени редуктора
Отличительной особенностью планетарной передачи является наличие в них сателлитных зубчатых колес, которые вращаются и относительно собственных осей, связанных с водилом, и относительно осей центральных колес. Планетарные зубчатые передачи позволяют осуществить большие передаточные отношения при малом количестве колес. Недостатком является низкий КПД при больших передаточных отношениях. Передаточное отношение планетарной ступени Uпл.=U1h=23. Чтобы получить такое передаточное отношение используется планетарная передача, выполненная по схеме:
Н – водило;
2-2ﺍ - сателлитные зубчатые колеса;
1 – подвижное центральное колесо;
3 – неподвижное центральное колесо.
Определяется число зубьев колес, чтобы обеспечивать заданное передаточное отношение с допустимой точностью, условие отсутствия заклинивания колес, условие соосности, условие соседства сателлитов и условие сборки передачи.
Передаточное отношение (*)
,
где Z1, Z2, Z2ﺍ ,Z3 – числа зубьев колес. Подбор числа зубьев ведется только по двум условием – кине-
матическому (формула *) и соосности, а подбор числа сателлитов и проверка – по трем остальным условиям. Для
Uпл=23:
Заменив числа зубьев колес пропорциональными им числами, получим
,
тогда a=1, b=5, c=5, d=22. Числа зубьев колес определяются по формулам: γ – любое положительное число, обеспечивающее условие отсутствия заклинивания:
для внутреннего зацепления
,
,
, для внешнего
. Эти условия выполняются при γ=1.
Тогда
,
,
,
Из условия соседства сателлитов найдем возможное число блоков сателлитов из условия:
,
так как
, получим
значит
Из условия сборки определяем возможное число блоков сателлитов
,
где С0 – любое целое число. Тогда
,
Выбираем число сателлитов
, удовлетворяющее обоим условиям.
2.1.1 Определение передаточного отношения привода
Заданы частоты вращения входного nвх и выходного nвых валов. nвх – частота вращения двигателя (1310 об/мин), nвых – частота вращения кулачка (20 об/мин).
Передаточное отношение привода определяется по формуле:
С другой стороны, передаточное отношение равно произведению передаточных отношений отдельных ступеней привода:
,
откуда
, тогда непланетарная часть привода имеет одну простую ступень.
2.2 Определение КПД привода и подбор электродвигателя
При заданном крутящем моменте на кулачке Тк=Твых и частоте его вращения nк=nвых можно определить требуемую мощность на выходе:
[Вт]
Для одной ступени планетарной передачи (закрытой) находим η1=0,98. Для непланетарной части (открытой) η2=0,96.
Определяем КПД планетарной ступени привода. При передаче вращения от центрального колеса к водилу и передаточном отношении │Uпл│>1 КПД определяется по формуле:
,
где k – число блоков сателлитов
Общий КПД привода
, где k1 – число ступеней непланетарной части
k1=1:
Определяем требуемую мощность электродвигателя:
[Вт]
По требуемой мощности и частоте вращения двигателя (nдв=1310 мин-1) по таблице 1.2 [2] выбираем двигатель с мощностью, большей, чем Ртр и частотой вращения близкой к заданной. Подходит двигатель АОЛ-011-4 с мощностью Р=50 Вт и частотой вращения n=1390 мин-1.
Уточняем передаточное отношение привода
и передаточное отношение непланетарной ступени
,
т.е. одна простая ступень с передаточным отношением
2.3 Расчет зубчатой передачи с неподвижными осями колес
Существует два вида расчетов для зубчатой передачи:
- проектный расчет,
- проверочный расчет.
Проектный расчет проводится по условию контактной прочности зубьев колес; при этом определяются основные геометрические размеры передачи.
Проверочный расчет проводится по условию прочности зубьев колес на изгиб.
2.3.1 Выбор материала. Проверка зубьев по контактным напряжениям и напряжениям изгиба
Считая условия работы привода нормальными, по таблице 1.3 [2] принимаем
для шестерни сталь 45 с термообработкой улучшения, а для зубчатого колеса – сталь 45 с термообработкой нормализация. По таблице 1.3 [2]:
а) для шестерни получаем твердость HB1=192…240; средняя НВср1=216, предел прочности σu1=750 МПа; предел текучести σу1=450 МПа;
б) для колеса: НВ2=167...229; средняя НВср2=198, σu2=580 МПа; σу2=320 МПа;
Допускаемое контактное напряжение определяется по формуле
, где
КHL – коэффициент долговечности передачи.
,
NH0=107 циклов, NH∑=60n2Lh
NH0 – базовое число циклов нагружения колес,
NH∑ - расчетное число циклов напряжения,
- частота вращения колеса,
Lh=11∙103 час – срок службы передачи,
NH∑=321,895∙106,
NH0=107, тогда КHL=0,03<1, значит примем КHL=1
σ0Нdim b2 =2НВ+70=466 МПа
предел контактной выносливости для нормализованной и улучшенной стали. SН=1,1, тогда σНadm=423,64 МПа.
2.3.2 Определение основных размеров передачи
1). Определение предварительного межосевого расстояния передачи
Предварительная величина межосевого расстояния определяется из условия контактной прочности зубьев колес по формуле:
u1 – передаточное отношение рассчитываемой зубчатой передачи;
Кнβ – коэффициент, учитывающий неравномерность нагрузки по длине контактных линий. Кнβ=1,0;
Т2 – момент на колесе, Н∙мм
Ψba=b/a – коэффициент ширины зубчатого колеса.
Для открытых передач Ψba=0,1...0,2. Принимаем Ψba=0,16, тогда
Предварительное межосевое расстояние aﺍ=32 мм.
2). Определение основных размеров колес.
Число зубьев шестерни (ведущее колесо) определяется:
, где
m – модуль зубчатого колеса, m=P/π, где Р- окружной шаг.
Модуль зубчатого колеса принимается из интервала (0,01...0,02)aﺍ, т.е. m=(0,01...0,02)∙32=0,32...0,64 мм. По ГОСТ 9563-80 принимаем m=0,4 мм.
Число зубьев колеса
Округляя числа зубьев до целых значений, получим Z1=40, Z2=120.
Определяем диаметры делительных окружностей колес:
d1=m∙z1=0,4∙40=16 мм
d2=m∙z2=0,4∙120=48 мм
Диаметры окружностей выступов:
da1=d1+2∙m=16+0,8=16,8 мм
da2=d2+2∙m=42+0,8=42,8 мм
Фактическое межосевое расстояние:
Ширина венцов зубчатых колес:
Колеса:
b2=Ψba
a=0,16∙32=5,12 мм, принимаем b2=6 мм
Шестерни:
b1=b2+2 мм=6+2=8 мм
Высота зубьев колес:
если m≤1, то h=2,35∙m=2,35∙0,4=0,94 мм
Фактическое передаточное отношение:
такая погрешность допустима.
2.3.3 Проверочный расчет зубчатой передачи
При твердости материалов колес НВ≤350 коэффициент долговечности определяется по формуле
,
причем 1≤КFL≤2,1
NF0 – базовое число циклов перемены напряжений для всех сталей NF0=4∙106.
NF∑ - число перемены напряжений за весь срок службы
NF∑=60∙n2∙Lh=411,3∙106
,
значит примем КFL=1.
Допускаемое напряжение при изгибе:
, где
KFC – коэффициент, учитывающий влияние двухстороннего приложения нагрузки. Считаем передачу нереверсивной, тогда KFC=1.
σ0Flimb=1,8∙НВср – предел выносливости материала колес при изгибе для нормализованной и улучшенной стали.
σ0Flimb1=1,8∙216=389 МПа
σ0Flimb2=1,8∙198=356 МПа
[SF]=1,1 – коэффициент безопасности.
σFadm1=354 МПа
σFadm2=324 МПа
Найдем YF – коэффициент формы зуба, зависящий от числа зубьев колес по таблице на стр. 23 [2]. Z1=40, значит YF1=3,70; Z2=120, YF2=3,60
Проверка прочности зубьев колес на изгиб проводится по тому из зубчатых колес, для которого отношение
меньше, т.е. по ведомому колесу. Формула для проверки прочности зубьев колес на изгиб имеет вид:
, где
- окружная сила на зубьях колес, [H]
- ширина зубчатого венца колеса, [мм]
- коэффициент, учитывающий неравномерность распределения нагрузки по ширине зубчатого венца,
- коэффициент динамической нагрузки.
При твердости НВ≤350
значит, условие прочности на изгиб выполняется. Рассчитанные размеры колес считаем верными.
3. Расчет вала привода (ведомого) на прочность
Существует два метода расчета валика на прочность: проектный и проверочный.
1>














