122669 (689207), страница 3
Текст из файла (страница 3)
Момент инерции стенки:
Требуемый момент инерции полок:
Jтр = Jтр max - JW,
где Jтр max определим по двум значениям из условий
а) прочности Jтр = 0,5Wтр h = 0,58848,2127,6 = 564512,2 см4
б) жесткости Jтр = 530132 см4
Jтр = 564515,2 - 158885 = 405630,2 см4
Требуемая площадь сечения полки:
Толщина стенки из условия обеспечения ее местной устойчивости:
В расчете было принято 1,8 см, что больше tf = 1,42 см.
Ширину полки назначаем из условия
или bf = 427 …256 мм. Принимаем bf =360 мм, что соответствует ширине листа универсальной стали по сортаменту. Уточним собственный вес балки по принятым размерам.
Площадь поперечного сечения:
А = 2Аf + АW = 2 1,8 36 + 1,0124 = 253,6 см2
Вес погонного метра балки:
gг = S А = 77 0,025361,03 = 2,01 кН/м,
где S= 77 кН/м - удельный вес стали;
= 1,03 - конструктивный коэффициент, учитывающий вес ребер жесткости и сварных швов.
Вес главной балки на участке между вспомогательными балками:
Gг = gг Lбн = 2,01 2,5 = 5,025 кН
Уточним нагрузки на балку, полученные в табл.5.
Нормативная Рn + Gn = 210,0 + 13,25 + 5,025 = 228,275 кН
Расчетная Р + G = 252 + 13,9 + 5,33 = 271,23 кН
Уточним усилия. Изгибающие моменты от нормативных и расчетных нагрузок
Мn max = 4,5(Gn +Pn )Lбн = 4,5228,2752,5 = 2568,09 кНм
Мmax = 4,5(G+P)Lбн = 4,5271,232,5 = 3051,4 кНм
Перерезывающая сила на опоре
Qmax = 3(G+P)= 3271,23 = 813,69 кН
Геометрические характеристики сечения балки
Момент инерции
Момент сопротивления
Найдем отношение площадей полки и стенки
Найдем коэффициент с = 1,118. Т.к. в балке имеется зона чистого изгиба, принимаем с1 = с1m = 0,5(1+с) = 1,059
2.2.2. Проверка прочности главной балки
1) Нормальные напряжения
R с =379,5 МПа
Недонапряжение не должно превышать 5% : (379,5-357,6)100% /379,5 = 5,1%
2
) Касательные напряжения (проверяются в месте крепления опорного ребра без учета работы на срез полок
RS с = 0,583451=200,1 МПа - проверка удовлетворяется
2.2.3. Проверка прогиба главной балки.
- условие жесткости балки удовлетворяется.
2.2.4. Определение типа сопряжения вспомогательной и главной балок.
Суммарная высота элементов перекрытия: настила, балки настила, вспомогательной и главной балок
h= tН + hбн + hв + hг = 6 + 100 + 392 + 1276 = 1774 мм
Р
анее была найдена наибольшая строительная высота перекрытия hc,max = =1,8 м. Принимаем пониженное сопряжение вспомогательной и главной балок.
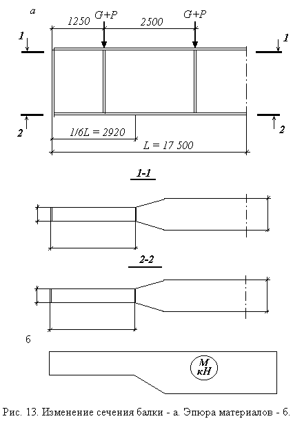
2.2.5. Изменение сечения главной балки.
С целью экономии материала уменьшаем сечение приопорного участка балки за счет уменьшения ширины поясов на участке балки от опоры до сечения, расположенного на расстоянии равном 1/6 пролета балки: 17,5/6 = 2,92 м. Ширина пояса балки b`f должна соответствовать ширине листа универсальной стали по сортаменту и быть не менее
b`f 180мм, b`f 0,1h; b`f 0,5 bf ,
т.е., 0,1h=127,6 мм; 0,5 bf = 0,5360 = 180 мм.
По сортаменту принимаем b`f = 200 мм.
Геометрические характеристики сечения балки на приопорных участках:
- площадь сечения
А = 2Аf + АW = 2201,8+1,0124 = 196 см2
-
момент инерции
- момент сопротивления
- статический момент полки относительно оси Х-Х
SХ = tf bf(0,5hW + 0,5tf) = 1,8 20 0,5(124+1,8) = 2264,4 см3
- статический момент полусечения относительно оси Х-Х
S
Х = Sf +0,125 tW h2W = 2264,4+0.12512421 = 4186,4 см3
Расчетные усилия в месте изменения сечения.
Изгибающий момент
М= Rа 2,92 - (G+Р)(2,92-1,25)=3(G+Р) 2,92-1,67(G+Р) = 7,09 (G+Р) = 7,09 271= 1923,0 кН
Перерезывающая сила
Q = Qmax - (G+P)= 813,69 - 271,23 = 542,46 кН
Проверка напряжений
а) в месте изменения сечения
- максимальные нормальные напряжения
- касательные напряжения в стенке под полкой
< RSc = 0,58 315 1= 182,7 МПа
- приведенные напряжения под полкой
1,15 R c = 1,15 345 = 396,75 МПа
red < 1,15 R c
2.2.6. Расчет поясных сварных швов.
Полки составных сварных балок соединяют со стенкой на заводе автоматической сваркой. Сдвигающая сила на единицу длины
,
Для стали С375 по табл. 55* СНиП II-23-81* принимаем сварочную проволоку Св-10НМА для выполнения сварки под флюсом АН-348-А.
Определим требуемую высоту катета Кf поясного шва "в лодочку".
1. Расчет по металлу шва.
Коэффициент глубины провара шва f =1,1 (СНиП II-23-81*, табл.34)
Коэффициент условия работы wf = 1 (СНиП II-23-81*, пп. 11.2)
Расчетное сопротивление металла R wf =240 МПа
f wf R wf = 1,1 1240 = 264 МПа
2. Расчет по металлу границы сплавления.
Коэффициент глубины провара шва z =1,15 (СНиП II-23-81*, табл.34)
Коэффициент условия работы wz = 1 (СНиП II-23-81*, пп. 11.2)
Расчетное сопротивление металла R wz =0,45 R un = 0,45 490 = 220,5 МПа
z wz R wz = 1,1 1220,5 = 253,6 МПа
Сравнивания полученные величины, находим
( w R w)min = 253,6 МПа
Высота катета поясного шва должна быть не менее
kf ≥ 0,8 мм
По толщине наиболее толстого из свариваемых элементов (tf = 18 мм) по табл. 38 СНиП II-23-81*, принимаем kf = 7 мм.
2.2.7. Проверка на устойчивость сжатой полки.
Устойчивость полки будет обеспечена, если отношение свеса полки bef к ее толщине tf не превышает предельного значения:
, где расчетная ширина свеса полки bef равна:
Т.к. 9,72 ‹ 12,8, устойчивость поясного листа обеспечена.
2.2.8. Проверка устойчивости стенки балки.
Для обеспечения устойчивости стенки вдоль пролета балки к стенке привариваются поперечные двусторонние ребра жесткости.
Расстояние между поперечными ребрами при условной гибкости стенки
, не должно превышать 2hw . Условная гибкость стенки определяется по формуле
.
П
ри w 3,5 необходима проверка устойчивости стенки с установкой ребер жесткости с шагом не более 2hw = 2124 = 248 см.
Т.к. сопряжение балок выполняется в пониженном уровне, установку поперечных ребер предусматриваем с шагом 2,0 м.
Ширина ребер должна быть не менее
Принимаем bh = 100 мм.
Толщина ребра
Принимаем tS = 8 мм.
Проверка устойчивости стенки балки во втором отсеке в месте изменения сечения.
Критические нормальные напряжения
;
По табл. 21, 22 СНиП II-23-81* определяем при = и = , сcr = 35,5
Критические касательные напряжения
Нормальные и касательные напряжения в верхней фибре стенки
а) нормальные = х,а = 268,67 МПа;
б) касательные = Q/(twhw) = 542, 46 10-3/(0,011,24) = 43,75 МПа.
Проверка устойчивости стенки
.
Проверка устойчивости стенки балки в первом отсеке (на расстоянии 125 см от опоры).
Изгибающий момент
М = RA 1,25 = 817,58 кНм.
Нормальные и касательные напряжения
Проверка устойчивости стенки
Проверка устойчивости удовлетворяется.
2.2.9. Расчет опорного ребра жесткости главной балки.
Принимаем сопряжение балки с колонной шарнирным, с опиранием на колонну сверху. Опорное ребро жесткости крепится сварными швами к стенке балки. Нижний торец опорного ребра балки остроган для непосредственной передачи давления на колонну.
Толщина опорного ребра определяется из расчета на смятие его торца
, где N = RA = 817,58 кН – опорная реакция;
RP = Run/m = 490/1,025 = 478 МПа – расчетное сопротивление стали смятию торцевой поверхности; b = bf = 20 см – ширина опорного ребра.
Принимаем толщину опорного ребра t = 10 мм, а опорный выступ а = 14 мм <1,5t = 1,510 = 15 мм.
Проверка ребра на устойчивость.
Площадь расчетного сечения ребра:
,
где
.
Радиус инерции сечения ребра
Гибкость ребра
.
Условная гибкость
.
К
оэффициент продольного изгиба при Х = 1,136
.
Проверка опорного ребра на устойчивость:
Расчет катета сварных швов крепления ребра к стенке балки:
По толщине более толстого из свариваемых элементов принимаем катет шва Kf = 5 мм.
2.2.10. Расчет болтового соединения
Сопряжение вспомогательной балки с главной выполняется поэтажно.
При пяти грузах в пролете опорная реакция вспомогательной балки равна
RA = 3,5 (G+P) = 3,533,248 = 116,4 кН
Принимаем болты нормальной точности (класс В), класс по прочности – 4,6, диаметром 20 мм. Расчетное сопротивление срезу болтов для принятого класса прочности Rbs = 150 Мпа.
Расчетные усилия, которые может выдержать один болт:
а) на срез
Nbs = RbsbAns,
где Rbs = 150 МПа,
b = 0,9 – коэффициент условия работы,
ns = 1 – число срезов болта.
А = d2/4 = 3,1422,02/4 = 3,14 см2 – расчетная площадь сечения болта
Nbs = 150 103 0,9 3,14 10-4 = 42,39 кН.
б) на смятие
Nb = Rbр b d tmin,
где b = 0,9;
Rbр = 690 МПа – расчетное сопротивление на смятие для стали при RUM = 490 МПа
tmin = 10 мм – толщина стенки балки и ребра.
Nb = 690 103 0,9 20 10-3 10 10-3 = 124,2 кН.
Сравнивая результаты, принимаем меньшее Nbs,min = 42,39 кН.
Требуемое количество болтов в соединении
Принимаем 3 болта диаметром 20 мм, диаметр отверстия D=22 мм.
Проверка касательных напряжений в стенке вспомогательной балки с учетом ослабления отверстиями диаметром 22 мм под болты, а также с учетом ослабления сечения балки из-за вырезки полки в стыке, выполняется по формуле:
где Qmax = RA = 93,68 кН
hW = h – 2tf = 39,2 - 21,05 = 37,1
= b/(b-d) = 146/(146 – 22) = 1,18 – коэффициент ослабления сечения
Проверка удовлетворяется.
Расход стали на перекрытие
2.3. Проектирование колонны сплошного сечения
2.3.1. Расчетная длина колонны и сбор нагрузки
НГБ = ОВН - hстр
НГБ = 8,4 – 1,774 = 6,626 м
Заглубление фундамента hф = 0,7 м.
Геометрическая длина колонны
L = НГБ + hф = 7,326 м.
При опирании балок на колонну сверху, колонна рассматривается как шарнирно закрепленная в верхнем конце. Соединение с фундаментом легких колонн в расчете также принимается шарнирным. Поэтому длина колонны определяется при = 1:
Lef = L = 1 7,326 = 7,326 м.
Грузовая площадь Агр = LГ LВ = 17,5 7 = 122,5 м2.
Сбор нагрузки на колонну
Таблица 6
| Наименование нагрузки | Нормативная нагрузка, кН | f | Расчетная нагрузка, кН | |
| 1 | Временная нагрузка Р = р Агр = 12 122,5 | 1470 | 1,2 | 1764 |
| 2 | Собственный вес настила и балок G = mngAгр = 151,1 10-39,81 122,5 | 181,58 | 1,05 | 190,66 |
| Итого G+P | 1651,58 | 1954,66 | ||
2.3.2. Подбор сечения колонны
Выполним расчет относительно оси Y, пересекающей полки. Гибкость колонны у = 89,3. Находим у = 0,50.
Требуемая площадь сечения колонны Атр = 115,2 см2.
Требуемые радиус инерции и ширина полки
Ширина полки находится из соотношения iY 0,24bf .
bf = 36 см – принимаем ширину полки, в соответствии с сортаментом прокатной стали.
Высоту стенки hW назначаем так, чтобы удовлетворялось условие h bf, hW = 360 мм. Назначив толщину tW = 1,2 см, получим площадь сечения стенки: АW = 43,2 см2. Свес полки:
bef = 0,5(bf – tW) = 0,5(360-12) = 17,4 см.
Предельное значение bef = 17,5 см – находится из условия возможности применения автоматической или полуавтоматической сварки. Т.к. величина свеса полки меньше предельной, условие технологичности сварки выполняется.
Геометрические характеристики сечения.
Площадь сечения:
А = 0,5 (Атр – АW) = 115,2 см2.
Момент инерции:
Радиус инерции:
Гибкость:
Приведенная гибкость:
Коэффициент продольного изгиба:
Включаем в нагрузку вес колонны:
Gк = АLf = 77 115,2 10-47,3261,11,05 = 7,5 кН
Полная расчетная нагрузка Gp = 1962,5 кН
Проверка колонны на устойчивость.
Недонапряжение составляет 1,2%.
Проверка предельной гибкости.
U=180 - 60 =180 – 60 0,987 = 120,78
где
Т.к. Y = 89,3 < U = 120,78, проверка гибкости проходит.
2.3.3. Проверка устойчивости полки и стенки колонны.
Отношение свеса полки к ее толщине:
Наибольшее отношение
при условии выполнения устойчивости полки равно 17,72. Т.к.
, устойчивость полок обеспечивается.
Проверим устойчивость стенки по условию
.
;
; UW = 1,2+0,35 = 1,2+0,35 3,65 = 2,5
Принимаем 2,3.
30 < 56,2 – устойчивость стенки колонны обеспечена.
Т.к.
, то поперечные ребра жесткости по расчету устанавливать не требуется.
По конструктивным соображениям принимаем на отправочном элементе два парных ребра. Назначим размеры парных ребер: ширина bP = hW/30 + 40 мм = 36/30 + 40 = 41,2. Принимаем bP =50 мм.
Толщина tP bP/12 = 50/12 = 4,2 мм. Принимаем tP = 6 мм.
В центрально-сжатых колоннах сплошного сечения сдвигающие усилия между стенкой и полкой незначительны. Поэтому сварные швы, соединяющие полки со стенкой, назначаем конструктивно толщиной катета kf = 6 мм.
2.3.4. Расчет базы колонны.
База колонны, состоящая из опорной плиты и траверс, крепится к фундаменту анкерными болтами.
Размеры плиты базы.
Ширину плиты назначаем по конструктивным соображениям:
Впл = bf + 2t + 2c = 360 + 2 10 + 2 50 = 480 мм
Длина плиты минимальная по конструктивным соображениям:
Lпл min = h +2c = 380 + 2 50 = 480 мм.
Учитывая стандартные размеры листов, назначаем Lпл = 480 мм.
Проверим достаточность размеров плиты в плане расчетом из условия смятия бетона под плитой. Класс бетона фундамента В12,5. Расчетное сопротивление бетона смятию при коэффициенте условия работы в = 1,2:
Rв,loc = вRвв1 = 1,2 7,5 0,9 = 8,1 МПа
Требуемая длина плиты по расчету:
Принимаем по сортаменту универсальной стали Lпл = 530 мм.
Получаем размеры плиты базы в плане
Lпл Впл = 530 480 мм с площадью Апл = 0,25 м2.
Назначаем размеры верхнего обреза фундамента
Вф = Впл + 20 см = 48 + 20 = 68 см
Lф = Lпл + 20 см = 53 + 20 = 73 см
Площадь Аф = 0,50 м2
Уточним коэффициент
Уточним сопротивление бетона смятию
Rв,loc = 1,26 7,5 0,9 = 8,51 Мпа
Проверим бетон на смятие под плитой базы:
- проверка удовлетворяется
Расчет толщины плиты базы.
Выделим три участка плиты с характерными схемами закрепления.
Изгибающие моменты в плите на участках:
на I участке
М1 = Р в2
в = 50 мм; = 0,5; Р = 7,85 Мпа
М1 = 0,5 7,85 103 0,052 = 9,81 кНм
на II участке
Отношение сторон а/в = 0,075/0,36 = 0,208
Т.к. отношение сторон меньше 0,5, выполняем расчет как для консоли
М2 = 0,5 7,85 103 0,0752 = 22,08 кНм
на III участке
Отношение сторон 2,07, отсюда = 0,125
М3 = 0,125 7,85 103 0,1742 = 2,971 кН
По наибольшему моменту на участке Мmax = 29,71 кН.
Определим требуемую толщину плиты:
, где С = 1,0
По сортаменту принимаем плиту толщиной 25 мм.
Расчет траверсы.
Нагрузка со стержня колонны передается на траверсы через сварные швы, длина которых и определяет высоту траверсы. При четырех швах с высотой катета kf = 10 мм
Прочность по металлу шва fWfRWf = 0,7 1 240 = 168 МПа (СНиП, табл. 51).
В соответствии с требованиями СНиП, расчетная длина флангового шва должна быть не более 85fkf = 85 0,7 0,01 = 0,6 м, в расчете lW = 0,30 м. По сортаменту универсальной стали принимаем hтр = 400 мм.
Расчет катета сварного шва крепления траверсы к плите.
При вычислении суммарной длины швов учитывается непровар по 1 см на каждый шов.
lW = 2(2Lпл – h) - 23 = 2(256 – 38) –6 = 142 см.
Требуемый по расчету катет:
В соответствии с табл. 38 СНиП при толщине плиты 25 мм минимальный катет шва равен kf min = 7 мм.
Приварку торца стержня колонны к опорной плите базы выполняем конструктивными швами kf = 9 мм.
Крепление базы к фундаменту.
При шарнирном сопряжении колонны с фундаментом необходимы анкерные болты для фиксации проектного положения колонны и закрепления ее в процессе монтажа. Принимаем два анкерных болта диаметром d = 20 мм. Болты устанавливаются в плоскости главных балок с креплением к плите базы, что обеспечивает за счет гибкости плиты шарнирное сопряжение колонны с фундаментом.
2.3.5. Расчет оголовка колонны.
Оголовок колонны состоит из опорной плиты и подкрепляющих ребер. Опорная плита передает давление от двух главных балок на ребра оголовка и фиксирует проектное положение балок при помощи монтажных болтов. Определяем размеры ребер, задавшись толщиной плиты: tпл = 20 мм. Требуемая толщина парных ребер из условия работы на смятие:
где N – удвоенная опорная реакция главной балки;
RP=RUN/m = 490/1,025 = 478 МПа – расчетное сопротивление смятию торцевой поверхности.
Bоп = 0,20 м – ширина опорного ребра балки.
Принимаем толщину ребра tZ = 16 мм.
Ширина ребра должна быть не менее bh 0,5 bоп + tпл – 0,5tW = 0,50,2 + 20 – 0,512 = 114 мм. Принимаем ширину парных ребер bh = 160 мм вверху и 130 мм внизу.
Высота вертикальных ребер определяется из условия размещения фланговых швов длиной не менее:
Здесь катет шва не может быть более kf 1,2tW = 1,2 12 = 14,4 мм.
Длина сварного шва не должна быть более lW max = 85f kf = 85 0,7 0,9 10-2= 0,54 м. Принимаем kf = 0,9 см и высоту ребра 0,5 м.
Т.к. Стенка колонны тоньше примыкающих ребер (tW = 12 мм < tr = 16 мм), стенку проверяем на срез:
Вывод: стенка колонны толщиной 12 мм на срез проходит. Торец колонны фрезеруется, и поэтому толщина швов, соединяющих опорную плиту со стержнем колонны и ребрами, назначается конструктивно, равной kf = 8 мм. С целью укрепления стенки колонны и вертикальных ребер от возможной потери устойчивости снизу вертикальные ребра обрамляются горизонтальными ребрами толщиной tP = 8 мм.
ЛИТЕРАТУРА
-
СниП II-23-81*.Стальные конструкции/Госстрой России. – М.:ЦИТП Госстроя России, 1998 –96 с.
-
Металлические конструкции. Общий курс: Учебник для вузов/Под общ. ред. Е.И. Беленя. – М.: Стройиздат, 1985 – 560 с.
-
Мандриков А.П. Примеры расчета металлических конструкций: Учебное пособие для техникумов, 1991 – 431 с.
-
Танаев В.А. Проектирование стальной балочной клетки. Учебное пособие для курсового и дипломного проектирования. – Хабаровск, 2000 – 71 с.
















